Keresés

Részletes keresés

Csufi15 Creative Commons License 2025.12.02 0 0 6398

Meghibásodása esetén a műszeregység nem a megfelelő mennyiséget jelzi. Könnyedén kideríthető, hogy a műszeregység, vagy ez az alkatrész hibásodott meg:

  • Keressük meg a szintjelző kábelét
  • Húzzuk szét a csatlakozóját
  • Zárjuk rövidre a 2 vezetéket
  • Ha a műszerfalon a visszajelző teli állapotot mutat, akkor a szintjelzőnk romlott el.

https://robogoalkatresz.hu/kymco-benzinszint-mero-agility-city?srsltid=AfmBOorPX1o4r9mhHigXNKLg21N9ZQiB90FpbePK0oj-01fV_tTw-Iac 

Előzmény: pxmx (6396)
Csufi15 Creative Commons License 2025.12.02 0 0 6397

" a nem működő üzemanyagszint jelzővel,mi lehet?"  NEM MŰKÖDIK.:))

 

 

  • Szétcsúszott , szakadt vezeték, az óracsoportnál .
  • hibás a műszer mutatója: hajszálrugó törés
  • Szétcsúszott, szakadt vezeték a jeladó csatlakozójánál.

 

  • Általában a jeladó egy idő után be szokott halni. (lehet, hogy a tankban levő  úszó lyukas és nem emelkedik. 
  • A jeladón levő ellenállás vezetéket tartó műanyagja elhajlott, ezért nem érintkezik az ellenállástekerccsel az úszó  jeladó csúszóérintkezője.  
  • Az óra ellenőrzése: az óra csatlakozójára különböző ellenállást kötsz, ha nem mozdul a mutató, az óra rossz. Ezt nem érdemes cserélni, mert drága.
  • A tankban levő jeladó ellenőrzése: multiméterrel ellenállást mérsz a jeladó csatlakozójánál, miközben egy dróttal a beöntőnyíláson keresztül megemeled az úszót. Ha nincs változás.akkor a jeladó hibás.     https://gmoto.hu/motor-uzemanyag-olajszint-erzekelo,1999/ 

    https://egumotors.hu/kymco-agility50-benzinszintmero-2999 

 

 

Előzmény: pxmx (6396)
pxmx Creative Commons License 2025.12.02 0 0 6396

Ma sikerült mennem a motorral hosszabban először,mint próbaút.

Meglepődtem,hogy hasít 70 fölött is,pontosat még nem mértem,csak amit a sebességmérő mutatott.

Gondolom,az előző tulaj bácsika "Isten nyugosztalja!",a folytást kivetette.

Abban szeretném a segítséget még kérni,hogy a nem működő üzemanyagszint jelzővel,mi lehet?

Előzmény: pxmx (6391)
Csufi15 Creative Commons License 2025.11.26 0 0 6395
Előzmény: Comman72 (6392)
Csufi15 Creative Commons License 2025.11.26 0 0 6394
Előzmény: Comman72 (6392)
Csufi15 Creative Commons License 2025.11.26 0 0 6393

Itt nézz körül:

 

https://gmoto.hu/motorkerekparos-labtartok-oldal,286/

 

11 oldalnyi oldalsztender .  A lap alján tudsz továbblépni a következő oldalra. 

Előzmény: Comman72 (6392)
Comman72 Creative Commons License 2025.11.26 0 0 6392

Sziasztok!

Vettem egy Kymco People 125 GTi robogót, a gondom vele hogy nincs meg az oldalsztender, illetve az a vázra hegesztett vas ami a sztendert tartja. Esetleg van-e valakinek ilyen sérült vázkerete amiről ezt a tartóvasat le lehetne vágni ? Más ötletet is szívesen fogadok.

Köszönettel: Comman72.

 

pxmx Creative Commons License 2025.11.17 0 1 6391

Köszönök minden segítséget. A biztosítéknál volt a szakadás.

Előzmény: Csufi15 (6388)
LGX-441 Creative Commons License 2025.11.16 0 0 6390

Ha már a testkábel is szóba került... Érdemes azt is megnézni, hogy maga a váz nem rozsdás-e. Láttam már testkábelt a negatív sarura kötve.

Előzmény: Csufi15 (6388)
pxmx Creative Commons License 2025.11.13 0 0 6389

Nagyon köszönöm a segítséged. 

Jelzek mire jutottam.

Előzmény: Csufi15 (6388)
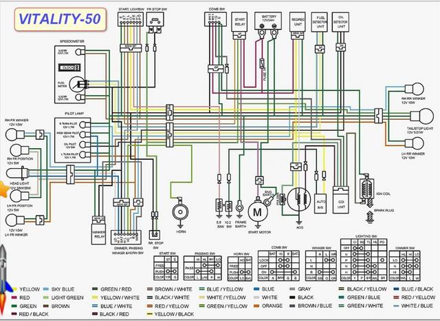
Csufi15 Creative Commons License 2025.11.13 0 0 6388

Találtam egy Kymco kapcsolási rajzot.

 Ezen minden rajta van. Lent a színek  jelölése is.

 

Felülről a 7. rajz a kymco :  https://www.mastervintik.ru/elektricheskaya-principialnaya-sxema-skutera/    

 

Az is lehet, hogy sima testvezeték gond van. Vigyél az akku testről (negatív) a vázra egy vezetéket és úgy próbáld meg ráadni a gyújtást.

 

 

 

Előzmény: pxmx (6383)
Csufi15 Creative Commons License 2025.11.13 0 0 6387

Ha se index se duda, akkor a gyújtáskapcsoló körül keresném a hibát.

 

A másik biztosítéknál azért nincs áram mert ott csak akkor jelenik meg, ha elindul a motor. Mert az a villágítás biztosítéka, az pedig csak a generátor sárga vezetékéről kap áramot, nem azt akkumulátorról.

 

Amelyik biztosítéknál van áram, az az akkumulátorról jövő vékony piros vezetéket biztosítja. Innem megy tovább a gyújtáskapcsoló felé, ott pedig ha bekapcsolod a gyújtást akkor a piros vezeték állndó 12V-ját átteszi a fekete (vezérelt) vezetékre. Onnan működik a duda és az index és a féklámpa is. Ha ezek nem működnek akkor a kapcsolónál vagy a kapcsolóról elmenő fekete vezetéken kellene keresni a hibát.

 

Az alábbi kapcsolási rajzon piros körökkel jelöltem a fenti leírásban szereplő alkatrészeket. A 12 számú kapcsoló a gyújtáskapcsoló ott a bejövő piros és az elmenő fekete vezeték. 

A 7 számú alkatrész az akkumulátorról a gyújtáskapcsolóra menő biztosíték. Ott 12V EGYENÁRAMnak kell lenni. 

A másik biztosíték a sárga vezetéket biztosítja szerintem ami a világításra megy, az a generátorról jön és csak akkor mérhető rajta áram ha megy a motor, és ott 12v VÁLTÓÁRAM van.

 

De lehet a másik biztosíték az önindító reléjén van nem tudom, azt neked kell látni. Ha ott van akkor az is a gyújtáskapcsoló felől kapja az áramot a vékony vezetéken, a vastag vezetéken pedig közvetlenül az akkuról jön a szál. Itt mindkét vezetéken 12v EGYENÁRAM van.

 

 

 

Előzmény: Csufi15 (6386)
Csufi15 Creative Commons License 2025.11.13 0 0 6386

"A két biztosíték közül az egyiknél van áram.

Mi lehet az áram kimaradás oka?"

 

Vezetékszakadás, csatlakozóban korrodált érintkezés, testvezeték hiba, gyújtáskapcsoló csatlakozója szétcsúszott. Kövesd végig a vezetéket az akkutól indulva és minden vezeték másik végére mérj rá van-e áram. Amelyik szakaszon eltűnik, ott kell keresni a hibát.

 

Elindulhatsz a biztosítéktól visszafelé is az áram kereséssel.

 

Elsődlegesen megnézném, hogy a gyújtáskapcsolóra menő csatlakozóban a piros vezetéken megjelenik-e az áram. Ha igen , de az elmenő fekete? (vezérelt 12V) szálon a gyűjtáskapcsoló elfordításakor  nem, akkor a kapcsolónál van a hiba. 

 

Ellenőrizd, hogy az önindító kapcsolóreléjénél jelen van-e a vastag piros vezetéken (ami az akkuról jön közvetlenül) az áram. Ha igen, zárd rövidre egy szigetelt nyelű csavarhúzóval a két VASTAG PIROS VEZETÉKET pólust és nézd meg így forgat-e az önindító. Vigyázz, hogy közben ne érjen testre a csavarhúzó.

Előzmény: pxmx (6383)
pxmx Creative Commons License 2025.11.13 0 0 6385

Se index,se duda.

Előzmény: Csufi15 (6384)
Csufi15 Creative Commons License 2025.11.12 0 0 6384

Se index, se duda?

Ha ezek működnek, akkor a féklámpát kell megézni, hogy működik-e, mert csak akkor tudsz önindítózni, ha záródik a féklámpa áramköre.

 

Ha csak simán berúgod, akkor nem kell a féket behúzni.  

Előzmény: pxmx (6383)
pxmx Creative Commons License 2025.11.12 0 0 6383

Segítséget kérek!

Hagyatékból pár évet állt Agility 50, kapott új akkut,az indítókulcs elfordításával semmi nincs.

A két biztosíték közül az egyiknél van áram.

Mi lehet az áram kimaradás oka?

Csufi15 Creative Commons License 2025.06.25 0 0 6382
  1. -
  2. Az is lehet, hogy tiszta olajos ott minden , emiatt nem hajt az ékszíj. Vedd le az oldaldeknit (8 vagy 9 db  csavar ) és nézd meg a variátorszíjat hogy mi van vele.  Majd látod a saját szemeddel, aztán eldöntheted, hogy képes vagy-e megjavítani, vagy szerelőhöz viszed. 
  3. Ha nincs csöpögés , akkor nincs benzinszag. Ha van benzinszag, akkor van üzemanyag veszteség. Nézz utána, hol folyik! Ne mindent mástól várj. Tegyél alá egy papírtörlőt. és azon a legkisebb folyadékcsöppenés is nyomot hagy. Pár nap és meggyőződhetsz, hogy valóban van-e csöpögés.

Ha csak szerelőhöz futkosol minden apró dologért, azt ki kell várni és ráadásul keményen meg is kell fizetni.  A hétköznapi felmerülő hibák 99%-át egy épkézláb ember önállóan is meg tudja csinálni.  Kismotorszerelős youtub videóval van tele a net. Nincs olyan probléma, amire ne lenne videós megoldás, csak azt kell követni a javítás során. Csak utána kéne nézni. Van egy mondás: ami nincs a neten az nem is létezik. Google a barátod, ott minden problémára találsz megoldást pillanatokon belül. 

 

 

 

Előzmény: LGX-441 (6381)
LGX-441 Creative Commons License 2025.06.25 0 0 6381

Nagyon szépen köszönöm a válaszodat.

 

1. Igen.

 

2. A motor rendesen berregett, csak nem forgott a kerék. Szakítottam már kétszer el a régi ugyanilyen Agility-mben a variátorszíjat, de az csattant nagyot menet közben mindkét alkalommal. Ez egy kb. 4 km-es út után lett letámasztva, délután semmi baja nem volt, hajnalra már nem forgatta a kereket.

 

3. Nincs csöpögés.

 

4. A perselyt megcsinálták nekem végül kellő mennyiségű pofavágás közepette, röpke egy hónap alatt.

Előzmény: Csufi15 (6380)
Csufi15 Creative Commons License 2025.06.25 0 0 6380
  1. Akkor 2 éve használaton kívül?
  2. az erőt nem viszi át (alig akar menni, gyorsulni), nem pörög fel a motor, vagy nem is forgatja a hátsó kereket?
    Ha nem forgatja, akkor valószínű variátorszíj el van szakadva.
    Ha az erőt nem viszi át, vagy erőlködve megy, akkor a variátor görgőháza körül kell keresni a hibát, lehet hogy berágódás van rajt és a görgők vagy variátorcsúszkák nem tudnak szabadon mozogni emiatt a nyomólapot nem tudják a görgők mozgatni.  Vagy a hátsó ékszíjtárcsa nem nem tud szabadon nyílni, záródni mert barágódás van a csúszópályán, ahol a három kis vezetőtüske található. Vagy olyan olajos az ékszíj, hogy csúszik az ékszíjtárcsákon.
  3. Benzinszag: valószínű a vákumos benzincsap membránja megkeményedett, vagy kosz került alá és átereszt, ezt a tűszelep sem tudja megtartani és elcsöpög a karburátor úszóház túlfolyó csövén. Van a motor alatt benzincsöpögésre utaló jel a betonon? Nézd meg a tankot, fogyott belőle a benya?
  4. A berúgó tengely perselyét 3-500 ft-ért lehet venni. Egyébként mi van a berúgóval? (nem jön vissza a berúgókar, vagy kerreg amikor beindul a motor? Vagy ki van törve a perselyház a dekniből?
    Ha perselyt kell cserélni az oldaldekniben, azt 3-500 ft-ért be lehet szerezni, de ha a berúgótengely is ki van kopva, akkor érdemes komplett szettet beszerezni a temuról. A javítással kapcsolatos videóval tele van a youtub, ha van egy minimális műszaki érzéked, meg pár alapvető szerszámod, akár magad is meg tudod csinálni. Nem agysebészet. 

Minden szükséges alkatrészt a neten be tudsz szerezni.

 

 

 

Előzmény: LGX-441 (6379)
LGX-441 Creative Commons License 2025.06.24 0 0 6379

Áll két éve. Az elsőt a szabad ég alatt töltötte lakótelepen, a másodikat garázsban. Egy alkalommal munkából hazafelé leállítottam, úgy, hogy előtte voltam tankolni, majd másnap hajnalban, mikor indultam volna, nem vitte át az erőt a motorblokkról a kerékre. Pár hete a garázs töményen úszik a benzinszagban, pedig más, benzines cucc (járgány, kanna, fűnyíró és egyéb szerszám, stb.) nincs bent.

 

Kb. egy hónapja lakhattam az akkori albérletben, már egy másik robogótulaj fejemhez vágta, hogy állítsam le máshová a magamét, mert túl közel van az övéhez (lett volna bőven helye hátrébb állni, de én a járdakereszteződésbe nem tehettem). És hozzátette, hogy nagyon vigyázzak a robogómra, mert az övét is ellopták egyszer már, és másfél év múlva kapta vissza. Majd egy héttel később már nem tudtam használni a robogómat. Több ismerősömnek is első kérdése az volt, hogy nem buherálta meg véletlenül ez az illető?

 

Kaposváron két szerelőnél jártam már korábban, de tömény csalódás volt mindkettő. Pedig jó hírnevük volt. Az egyik heteken át várta, hogy fölkerüljön a Vaterára olyan alkatrész, ami nekem kellett volna. A másik pedig, mikor előre egyeztetett időpontban leadtam nála, hogy cseréljen légszűrőt és olajat, nézze meg a féket, illetve a berúgókart tegye működőképessé, az első hárommal készre jelentette nekem a mocit négy(!) nappal később, zárás előtt pár perccel. És puffogott a telefonban, hogy de hát perselyeztetni kéne akkor...

Előzmény: Csufi15 (6378)
Csufi15 Creative Commons License 2025.06.24 0 0 6378

Mi a gondod? Hátha messzebbről is tudunk segíteni.

Előzmény: LGX-441 (6377)
LGX-441 Creative Commons License 2025.06.24 0 0 6377

Sziasztok!

 

Van-e olyan itt a topikban, aki Somogy megyei (Dombóvár, Szigetvár is szóba jöhet még), és vállalni szokott szerelést? Kaposvár és környéke lenne a legjobb. Egy 2007-es Kymco Agility 4T lenne a páciens.

jakuza80 Creative Commons License 2024.04.30 0 0 6376

Hello! 

Hasonló a gondom, nálam a karburátor membránja van elrepedezve.

Előzmény: fzsoo (6370)
jakuza80 Creative Commons License 2024.04.30 0 0 6375

Sziasztok!

Grand Dink 125 2005-öshöz karburátorhoz membránt honnan tudok venni? 

Van valami forrásotok?

Köszi

face69 Creative Commons License 2024.03.12 0 0 6374

Sziasztok! van egy kymco agility 4t 50ccm robogóm, és az érdekelne, hogy van e valakinek tapasztalata, hogy fullszintetikus olaj használható e bele?

a gépkönyv szerint 15w40 kellene bele, de az már nem nagyon van, én 10w 40 castrollal használom, de most láttam valahol 10w40 fullszint repsolt és nem tdom, hogy ki merjem e próbálni, a teljesítményszint meg az ára is ugyanaz, mint a jelenleg használt résszintetikusnak. most vettem észre, hogy kymco topik is van

Csufi15 Creative Commons License 2023.11.30 0 0 6373

Mit jelent az, hogy a karburátor tiszta? Szétszedted,  kitisztítottad és levegővel átfujtad és benzinnel átmostad az összes fúvókát és a járatokat?  Ha már lebontod a karburátorig, és ha 2 ütemű akkor simán 4 csavar továbbontásával ellenőrizd a membránt is. A vákumcsöveket is ellenőrizni, nincs-e rajta repedés, akár akár közvetlen a csonknál is. A karbi teljes alapos kitakarítás után ne tedd rá az üzemanyag vezetéket, hanem a vákumcső bemeneténél fecskendezz be injekcióstűvel indításkor friss tiszta üzemanyagot. Ha így indul, de később rádugott üzemanyagvezetékkel nem, akkor üzemanyagellátási gondja van.

A leírt jelenség egyébként vizes vagy kevés üzemanyagra, részleges dugulásra vagy sok levegőre utal.

Így látatlanban szerintem:

  1. szivató nem működik vagy hibásan működik, a szivató alatti üzemanyagcsatorna eldugult
  2. fals levegő: légszűrőnél, szívócsonk alatt, repedt szívócsonk,  2 ütemű esetén még főtengelyszimmering.
    Ha 4 ütemű a gép, akkor 90% szerintem a repedt szívócsonk (itt kap fals levegőt), ezért indul nehezen, illetve melegen túlpörög, vagy fellazult szívócsonk, vagy szívócsonk alatti gumigyűrű szakadása, vagy ellaposodása. De lehet nem megfelelő szelephézag is. 
  3. vizes benzin
  4. dugulás az üzemanyagvezetékben vagy  hibás a vákumos benzincsap

Kiszőrösödött vagy szorul a gázbowden és nem tud visszaereszkedni teljesen a tolattyú, vagy a pillangószelep.

 

A gyenge akkumulátor is okozhat indítási nehézséget, mert a szikraképzéshez már nem jut elég energia.

Előzmény: fzsoo (6370)
Csufi15 Creative Commons License 2023.11.30 0 0 6372

Ez 2 vagy 4 ütemű?

 

Előzmény: Csufi15 (6371)
Csufi15 Creative Commons License 2023.11.30 0 0 6371

Miután lett ilyen? Csináltál vele valamit?  A hiba óta mit javítottál rajt?

Előzmény: fzsoo (6370)
fzsoo Creative Commons License 2023.11.30 0 0 6370

Üdv.Kymko Drink 125 hidegindítási és alapjarati hibával küzdök. A karburator tiszta, automata szívató működik, hidegen nagyon nehezen indul és alacsony az alapjarat vagy nincs is,melegen viszont magas.Nincs meg az a tipikus jelenség hogy hidegen magasabb az alapjarat és ahogy elzár a szívató szép lassan beáll az alapjarat. Benzin levegő keverési aranyt álitó csavarra sem reagál.Érdemes membránokat cserélni? Akinek  van tippje várom a segítséget. Köszi

face69 Creative Commons License 2023.10.30 0 0 6369

Köszi, ismerem Őket, de nincs nekik, azóta sikerült szerezni,  az egümotors-nál most van néhány

Előzmény: Lonesome Rider (6368)

Ha kedveled azért, ha nem azért nyomj egy lájkot a Fórumért!