Keresés

Részletes keresés

Norisz1 Creative Commons License 2019.01.10 0 0 34324

Akkor jó..😁

 

Előzmény: Kapocska (34322)
Hrabotica Creative Commons License 2019.01.10 0 0 34323

Bemásolom ide is , hátha itt hamarabb segít valaki:

Az alap felállás, ami most van az 100 m2 "kádár" kocka, szigetelve 10cm grafittal és felül 20 cm gyapottal,aljzatban csak 5 cm lépésállóval.

Fűtés  radiátorrendszerrel és 24-es Vigas faelgázosítóval, 1000 L-es pufferrel (T-elágazással) , szigetelés óta kissé túlméretezettnek is tűnik. Szeretnám kicsit komfortosabbá tenni a fűtést, kevésbe a fára koncentrálva inkább már ill. ha nem vagyok otthon -akkor is legyen valami.

Amire gondoltam:

1. egy elektromos kazán kiváltónak, rendszerre kötve + az ezt ellátni tudó napelem rendszer (meghagyván a faelgázot is , vész esetére)

2. fűtőpatronok a pufiba és annak az ellátására napelem mennyiség

 

Megpróbálnék abból a kamatmentes hitellehetőségből kicsikarni akkor valamit..

 

Amit nem tudok hogy vajon miből mekkora szükséges a házhoz (elektr. kazán ill. fűtőpatronok 1000 L-hez) amennyiben ezekkel akkor meg tudnám oldani a Vigas háttérbe vonulását.

a.

Hány KW szükséges? (Tudom valahogyan ki kellene számolnonm a házam hőigényét, de egyelőre nem sikerült ezt megcsinálnom, bár sokat olvasgatok itt.)

b.

Melyik itt a jobb megoldás? Mi a véleményetek?

Kapocska Creative Commons License 2019.01.10 0 0 34322

Rendkívül hasznos és elővigyázatosak ,mert az az 1m2 csőkígyónak

súlya van és szállításkor a rezgés(tehetetlen tömeg) akár egy hajszálrepedéssel is megbonthatja

azt az egybezománcozott belsőt.(Te is úgy szállítsd ahogy kell)

Miért ne lenne nekünk jó,ha neked megfelel az űrtartalma?

Előzmény: Norisz1 (34321)
Norisz1 Creative Commons License 2019.01.10 0 0 34321

Azon nekem is megakadt a szemem😂😂

Jó lesz ez szerintetek? Holnap meg kéne rendelnem mert már csak 13.-ig van akcio..

Előzmény: nagykunsági (34320)
nagykunsági Creative Commons License 2019.01.10 0 0 34320

Csak azt nem értem, fektetve miért nem szállítható? Ki talál ki ilyen hülyeségeket?

Előzmény: Norisz1 (34319)
Norisz1 Creative Commons License 2019.01.10 0 0 34319

Bocs csak 140l-es, de ebben a spirál felülete majdnem 1m2

Norisz1 Creative Commons License 2019.01.10 0 0 34318

Nos mivel a szivattyúm csak a hmv-be tolná a vizet nyáron ezért, hogy ne melegvíz jöjjön a visszatérőn a szivattyú megfolytása nélkül...

Ezen még gondolkozom kicsit na..

Most hozzájutottam egy kis plusz pénzhez amit nem fáj ha erre költök. Olyan 70-80ezer környékén láttam gyáriba 150l est nem nagy márka lehet, de azt írja zománcozott a belseje

Előzmény: Norisz1 (34317)
Norisz1 Creative Commons License 2019.01.10 0 0 34317

köszi srácok a kutakodást! 😁

Mivel nem értem el az embert, ezért már nézegettem gyáriba is párat és kb 150l-es nekem elég lenne úgy gondolom és ahogy nézegettem a csőspirál is sokkal nagyobb felületű benne.

Ez azért lenne jobb én úgy gondolom, mert akkor jóval hamarabb lenne meleg vizem mint a kisteljesítményű spirállal + egy másik fontos dolog, hogy nyáron is begyújtanék pár naponta 1zsák forgáccsal megnyomnâm egy kicsit a pufit és csak a hmv re menne! Akkor a radiátorok ugye ki lennének zárva. Pont itt olvastam az egyik hőcserélőt gyártó oldalon, hogy ha kicsi a spirál és nagyteljesítményű a kazán akkor nem tudja levenni a hőt és ki be kapcsolgat...

tictac62 Creative Commons License 2019.01.10 0 0 34316

http://cser.eu/catalog/index.php?cPath=24

 

Nem reklám. Egyszer találkoztam a tulajdonossal. Nagyon sokoldalú diplomás mesterember.

Előzmény: Norisz1 (34314)
levytee Creative Commons License 2019.01.10 0 0 34315
Előzmény: Norisz1 (34307)
Norisz1 Creative Commons License 2019.01.10 0 0 34314

Nem találtam

Előzmény: Kapocska (34313)
Kapocska Creative Commons License 2019.01.10 0 0 34313

És nincs is más az országban?

Előzmény: Norisz1 (34310)
bnorci71 Creative Commons License 2019.01.10 0 0 34312

az lehet

Előzmény: Norisz1 (34311)
Norisz1 Creative Commons License 2019.01.10 0 0 34311

Majdnem maxra van tekerve.

Hétvégén nincs gond, de hétköznap nagyon kevés! Mintha kevés ideig kapcsolnák rá a vezéreltet.

Előzmény: bnorci71 (34309)
Norisz1 Creative Commons License 2019.01.10 0 0 34310

A "g-energia" elérhetetlen...

Előzmény: Kapocska (34308)
bnorci71 Creative Commons License 2019.01.10 0 0 34309

120l hány fokos vized mert az se mindegy

Előzmény: Norisz1 (34307)
Kapocska Creative Commons License 2019.01.10 0 0 34308
Előzmény: Norisz1 (34307)
Norisz1 Creative Commons License 2019.01.10 0 0 34307

Veszek egy hmv tárolót szerintem, mivel az embert aki foglalkozik a villanybojlerba való spirálkészítéssel elérhetetlenné vált..

Tehát most van egy 120l-es villanybojlerem és álandóan kevés a melegvizem. Mekkora hmv kellene nekem szerintetek? 150l?

Kapocska Creative Commons License 2019.01.09 0 0 34306

Semmit nem jelent,elvi kérdés.

Előzmény: levytee (34305)
levytee Creative Commons License 2019.01.09 0 0 34305

.... ezek nem történtek még meg. Majd....

 

 

 

Előzmény: Kapocska (34303)
Hrabotica Creative Commons License 2019.01.09 0 0 34304

ZSigusz83-at szeretném megkérdezni az elektromos fűtőbetét+napelem rendszeréről. Lehet privátban is, de nem publikus az e-mail cím.

Kapocska Creative Commons License 2019.01.08 -1 0 34303

:-)

Csak azért szóltam,mert épített be fűtőbetétet meg valami napelemes

maradékárama is van,úgyhogy nem mindig kazánnal fűtené fel.

(meg nem is 60kW-al :-) )

Előzmény: Norisz1 (34302)
Norisz1 Creative Commons License 2019.01.08 0 0 34302

Én erre nem tudok semmit mondani betyár..😂

Előzmény: levytee (34298)
levytee Creative Commons License 2019.01.08 0 1 34301

ja a HMV az külön 400 liter, ez is hozzá tartozik a képhez.

Előzmény: levytee (34298)
Kapocska Creative Commons License 2019.01.08 0 1 34300

"gravitációs fűtéses mániám,"

 

Na ezen kell túllépni és közelít a megvalósításhoz a dolog.

Előzmény: Sw201inger (34299)
Sw201inger Creative Commons License 2019.01.08 0 0 34299

Az igaz, hogy kizárólag hmv-re viszonylag nagy, de sok gyermeknél, vagy több generációs háznál, esetleg bármilyen cégnél (ahol mondjuk még zuhanyzó is van), megfelelő méretű lehet. Illetőleg puffernek is használható, gyárilag olyasmi a szigetelése mint a bojlereknek csak nagyobb, de egy plusz szigetelő köpeny, akár házilag, matracból, üveggyapotból, akármiből, nem is rossz ötlet: filléres, gyors, maradékokból is lehet, bármennyit javít még a szigetelésen az szinte ajándék. Én csak azért cserélném le, mert a csonkjai 1"-osak (teljesen jó), csak nekem van ugye ez a gravitációs fűtéses mániám, ahhoz 2" dukálna... Valamennyi vízkő még van benne, de megvan rá a trükk (és természetesen cserébe is nyugodtan jöhet szintén vízköves, de nem lukas puffer).

Előzmény: Kapocska (34292)
levytee Creative Commons License 2019.01.08 0 0 34298

Nem írtam, hogy nagy lenne. Én ha most csinálnám újra két puffert kapcsoltatnék össze, mert így ha van időm tüzelni (gyertyával, mert értem én a viccet) akkor akár 2 köböst is felfűtenék. 

 

Az 3-4 fűtés óra nekem úgy állt össze tegnap (bár nem mértem pontosan, de -+20 perccel igaz lehet), hogy 30Kw Hajdúval (építésből kimaradt puha, de száraz fákkal) előbb +1-2 fokkal megtolom a házat a kívánt értékek felé (ez zónánként más, de úgy 21-23 fokra) ez vagy 2 óra, majd 2óra alatt az 500 litert is felfűtőm 90-95 fokig. A puffer 500 literes Hajdú gyári szigeteléssel (ez nem tudom agyonszigetelt kategória vagy sem?), és bent van a házban az egész gépészeti helyiség. Ilyenkor mikor -10 van kint akkor tényleg csak egy napot bír ki a puffer, lehet még azt is visítva mert reggel 60 fok volt és ment az egyik padló kör, szóval: NEM NAGY hanem inkább KICSI a puffer,és NEM a finggal fűtők kategória.  DE 300m2 fűtők ki vele jelenleg -10nél egy napig, jól szigetelt ház és nyílászárók mellett. Tovább gondolva akkor egy 100-150m2 ház gondolom elpötyöghet 1-2 napig ugyanezen rendszerrel.

 

Azt csak vélem, hogy ha pufi 1000-2000 lenne, akkor a fűtésem ciklusom időben nőne, vagy hozzá méretezett kazánnal nem? 

 

Szakmaitlan hozzászólásom ennyi lenne. De abban tuti vagyok, hogy a gépház akármennyire van szigetelve is plusz hőt termel  és ha kint van az egész egy mellékhelyiségben mind veszteség, max a takarítás része nyereség. Mérlegeljen mindenki.

Előzmény: lala1961 (34295)
Kapocska Creative Commons License 2019.01.08 0 0 34297

Nem kell 5 órát fűteni!

Eztet meg honnan tudod?

1kW-os cekásszal mennyi lenne? :-)

Előzmény: Norisz1 (34296)
Norisz1 Creative Commons License 2019.01.08 0 0 34296

Ez a gyertyás módszer esete..😁

Ősszel meg gyújtom tavasszal elfújom, olyan jó a szigetelésem...🤣🤣

Nem kell 5 órát fűteni! Nálam nem egész 2 óra alatt megvan a 2300l

Előzmény: lala1961 (34295)
lala1961 Creative Commons License 2019.01.07 0 0 34295

Persze a kondis kazán mellé kell az agyonszigetelt "puffer"! :-) Régóta írogatok ,de hogy az 500 literes "puffer" még nagy is legyen azt nem olvastam még erre felé,még ha a ház "agyon IS van szigetelve" !:-)

Előzmény: levytee (34294)
levytee Creative Commons License 2019.01.07 0 0 34294

Pardon ,hogy? A túlméretezett kondis kazán van agyonszigetelve? Gondolom nem....

 

Ha bent van a fűtött helyiségben?  Szerintem (jelzem,hogy csak kaparom felszínt,és így korbácsom  kedélyeket), de vélemény szerint hülyeség aki a keletkező plusz hőt a hőburkon kívül szereti. Bár némi helyet be kell áldozni.

 

Szval, egyáltalán nem csúf az. Nekem 500 literes van, mondhatnám, hogy kevés, de ha nagyobb lenne akkor meg fűthetném 5-6 órát, ami 1 nappal tovább bírná, azaz ha hideg van 1 helyett max 2 napig.  Az ház agyon van szigetelve. :)

Előzmény: lala1961 (34293)
lala1961 Creative Commons License 2019.01.07 0 0 34293

Üdv ! Azt tudod hogy ezeket csak "puffernak" csúfolják !:-) Túlméretes kondis kazán mellé tökéletes ha agyon van szigetelve,vagy bent van egy fűtendő helységben !:-)

Előzmény: Sw201inger (34291)
Kapocska Creative Commons License 2019.01.07 0 0 34292

Az lakossági méret? :-)

Előzmény: Sw201inger (34291)
Sw201inger Creative Commons License 2019.01.07 0 0 34291

Sziasztok! 500 literes puffert keresek megvételre / csere is érdekel: van egy szintén 500 literes szigetelt, belső hőcserélős tartályom, de az HMV-s. Mailem publikus.

Kapocska Creative Commons License 2019.01.04 0 0 34290

Van szűrő abban a körben ami koszolódhatott?

Előzmény: Attila 80 (34288)
lala1961 Creative Commons License 2019.01.03 0 0 34289

Üdv ! Mikor visszaesett a teljesítmény a szobahőmérséklet változott? Ne a radiátorokat fogdossátok ,hanem a jó/fix helyen lévő megbízható szobahőmérőt kell nézni ,ha csökkent ,akkor nyiss a termofejeken (ha van)!:-)

Előzmény: Attila 80 (34288)
Attila 80 Creative Commons License 2019.01.03 0 0 34288

Sziasztok ! Olyan kérdésem lenne hogy működő vegyestüzelésű kazán+puffer + radiátorok vannak a rendszerbe  , a radiátorok és a puffer közötti keringetőszivatyú teljesítménye vissza esett 25wattról 17 wattra egyik napról a másikra , így a 4 . radiátor hideg lett , az 5.6. radiátoroknak csak a teteje meleg ! Vajon a keribgetőnek van problémája , vagy valami más ....wilo, ...a teljesítmény növelésével (l l l ) melegszenek a radiátorok, akkor 32wattal dolgozik

Kapocska Creative Commons License 2018.12.31 0 0 34287

lala1961 Creative Commons License 2018.12.31 0 0 34286

BÚÉK Minden Olvtársunknak !

kigyokrisz Creative Commons License 2018.12.31 0 0 34285

Teli pufit mindenkinek jövőre is!

BUÉK!

Kapocska Creative Commons License 2018.12.30 0 0 34284

Ez ugye függ a háttér teljesítménytől,tartályon elhelyezett csonk

méretétől,elhelyezkedésétől.

Előzmény: Árpád Szücs (34283)
Árpád Szücs Creative Commons License 2018.12.28 0 0 34283

Sziasztok..  kitudna segiteni nekem van 800l pufrertartályom és elektromos betétet venék bele.milyent ajáltok és mekorát vegyek?

bnorci71 Creative Commons License 2018.12.28 0 0 34282

a hőmérséklet időjárásfüggő és a radiátorok méretétől is függ, nekem 35-60között most 50 körül van

ha túl alacsony észre veszed mert nem tudja kifűteni a lakást

ha tudja a neked megfelelő hőmérséklet tartományt igen megfelel

Előzmény: paralla (34281)
paralla Creative Commons License 2018.12.27 0 0 34281

Kérdésem a következő lenne:

A puffer radiátor felé hőmérsékletét ki hány fokra állitja be.vagy van értelme 3 jaratu termos szelep beépitésére? A lenti szelepre go doltam es azt kerdeznem ez megfelelne e a célnak

Sw201inger Creative Commons License 2018.12.25 0 0 34280

Boldog Karácsonyt minden kedves Fórumtársnak!! :)

Norisz1 Creative Commons License 2018.12.24 -2 0 34279

Boldog Ünnepeket Manyuszok! 😁

Előzmény: bnorci71 (34278)
bnorci71 Creative Commons License 2018.12.24 0 1 34278

Békés Boldog Ünnepeket!

 

 

 

Előzmény: Kapocska (34277)
Kapocska Creative Commons License 2018.12.24 0 1 34277

kigyokrisz Creative Commons License 2018.12.24 0 0 34276

na Őt vártam Én is..csak ír majd...

 

Boldog Karácsonyt mindenkinek!

Előzmény: tormap (34275)
tormap Creative Commons License 2018.12.23 0 0 34275

bumerang10 is nagyon elveszett. Kíváncsi volnék, hogy nála hogyan alakulnak a dolgok.

trakisbandi Creative Commons License 2018.12.23 0 1 34274

Nem egy szószátyár az biztos.

 

 Boldog karácsonyt ,Kellemes Ünnepeket !

Előzmény: Kapocska (34273)
Kapocska Creative Commons License 2018.12.23 0 3 34273

Ilyen sűrűn azért nem kéne írogatni,mert a szerver túlterhelődik.

Előzmény: Tms Brth (34271)
Kapocska Creative Commons License 2018.12.21 0 0 34272

A nyomásra figyelj és ha kell hagyd abba a tüzelést,ha nem csináltad meg a korábban írt dolgot.

Előzmény: Tms Brth (34271)
Tms Brth Creative Commons License 2018.12.21 0 0 34271

Köszi, most ezt próbálom. Jegyzetelek szorgosan, eddig biztatónak tűnik...

 

Előzmény: Kapocska (34270)
Kapocska Creative Commons License 2018.12.21 0 0 34270

Az volna a javaslatom,hogy állíts be egy kb. 30fokos bejövővel egy

70 fokos előremenőt (25kW),(mindenhova elég) így az kb. 537 liter/h.

2000:537=3.72 óra múlva megfordul a víz és akkor már sokkal magasabb lesz a bejövő

ezért visszanyithatod a csapot.

Mivel valószínű nem fogod 25kW-on döngetni az idő csúszhat.

Előzmény: Kapocska (34269)
Kapocska Creative Commons License 2018.12.21 0 0 34269

De az is jó,ha olyan a szivattyúd,hogy az emelőmagasságát

tudod finoman hangolni ezáltal a mennyiséget hozzáigazíthatod

a kazán teljesítményéhez.

Előzmény: Kapocska (34268)
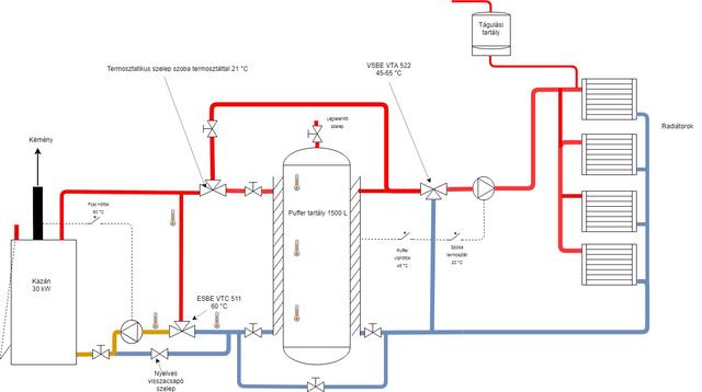
Kapocska Creative Commons License 2018.12.21 0 0 34268

Jól.

Mondok egy példát:

A szivattyú mondjuk fokozatonként 800literrel többet szállít ,de mivel hideg víz

jön folyamatosan a pufid felől ezért azt a 800liter mennyiséget (25-30fokos víz)

nem tudja a kazán 70-90 fokra felmelegíteni mert ahhoz 55kW kellene.

Ezért még kevesebbet kell ráengedni,hogy boldoguljon vele,de mivel más

 beavatkozási lehetőség nincs, kénytelen leszel azzal a csappal korlátozni.

Előzmény: Tms Brth (34267)
Tms Brth Creative Commons License 2018.12.21 0 0 34267

A szivattyút levettem a legkisebbre, a puffer tetején egy db csap van, de azt miért szabályozzam le? 

Hogy ne hirtelen legyen a visszatérő, ami lehűti  kazánt megint? Jól értem?

 

köszi!

 

 

Előzmény: Kapocska (34264)
Kapocska Creative Commons License 2018.12.21 0 0 34266

Állítsd be ezt az üzemállapotot és ne teszteld az öntvény tűrőképességét.

Előzmény: Kapocska (34264)
Kapocska Creative Commons License 2018.12.21 0 0 34265

Nyilván a tüzelés végén amikor nincs értékelhető hő a kazánban

a szivattyút le kell tiltani.

Előzmény: Kapocska (34264)
Kapocska Creative Commons License 2018.12.21 0 0 34264

Írtam a múltkor,hogy vedd 1-esre a szivattyút (minimális fordulat/szállítás),

ehhez a pufi tetején lévő szeleppel szabályozd még a mennyiséget

lefelé addig amíg elmúlik a ciklikusság és kialakul egy szinte állandó

hőfokkülönbség a kazán be és kijövő oldalán.

Előzmény: Tms Brth (34260)
tormap Creative Commons License 2018.12.21 0 0 34263

Ja és a füstcsőre okvetlen kellene a termosztát. Ha nem teszed fel, a kéményen keresztül vissza hűtöd a puffert miután kialudt a tűz.

 

Előzmény: tormap (34262)
tormap Creative Commons License 2018.12.21 0 0 34262

Pedig nem jó a rendszer. Nagyságrendekkel több fa fogy így. Szar a hatásfok.

Ne higyj a szerelőnek. Attól, hogy az előző ügyfelei mind azt hiszik, hogy jót kaptak a pénzükért még nem jó.

Kell a kazánvédő. Ha tesztek be akkor az 5/4-t tegyétek be. Ha mégis kazáncsere lesz akkor az legalább jó lesz oda is.

Előzmény: Tms Brth (34260)
bnorci71 Creative Commons License 2018.12.21 0 0 34261

a hő nem a kéményen megy el azért hanem a kazánba bekerült (20-30°C) 50-100L hideg vizet melegíti, hogy újra 90 legyen

Előzmény: Tms Brth (34260)
Tms Brth Creative Commons License 2018.12.21 0 0 34260

Sziasztok!

 

Előre lépés nincsen sajnos. Annyit próbáltam, hogy feltettem egy kapilláros termosztátot közelebb a kazánhoz, most jobb a hőérzékelés, korábban 15-20 fok különbséggel indult a kazén. 100C- fokon volt a kazán a csőtermosztát meg még nem indult el, pedig 70-re volt állítva. A szerelő nagyon készségesen elmondta, hogy ennek jónak kell lennie, de ma megírtam neki a tapasztaltakat és kértem megoldést. 

Ahogy másfelé is olvasgattam a kazánvédő szelepet bele kell tegyem.

 

Most az van, hogy 90 fokos kazánnál elindítja a szivattyú a vizet a pufferba, a pufferből elinduló hideg víz a kazánt lehűtí, mondjuk 70 -re és várok megint, hogy felmenjen 90-re akkor megint nyit, de közben meg egy csomó hő elmegy a kéményen keresztül.

 

A teljes elkeseredés és gyilkos indulatok keveregnek bennem. 

 

Előzmény: tormap (34259)
tormap Creative Commons License 2018.12.19 0 0 34259

Van előrelépés az ügyben?

Előzmény: Tms Brth (34232)
trakisbandi Creative Commons License 2018.12.19 0 0 34258

Bizony.

A kazán előremenőjére meg igen nehezen lehet 2erdeit azonos pozícióban elhelyezni, hogy egyformán száradjon.

Előzmény: bnorci71 (34256)
trakisbandi Creative Commons License 2018.12.19 0 0 34257

Ezt kérdeztem én is az olvtárstól "Az hogy két éves nem jelent semmit,mikor lett feldolgozva hol volt tárolva?"   (34248 hsz )

 

Előzmény: negativ0001 (34255)
bnorci71 Creative Commons License 2018.12.19 0 0 34256

a kintinek 4 hónap semmi, a benti pedig nagy túlzással mű-szárított

 

 

 

 

fenyőnek is 6-7 hónap kel a légszárazsághoz a bükknek ~10hónap a kitermeléstől

 

Előzmény: negativ0001 (34255)
negativ0001 Creative Commons License 2018.12.19 0 0 34255

Na igen, de mennyi abbol a viz? En egyszer kiprobaltam.....ugyan abbol a bukkfa hasabbol hasitottam ket tokeletesen egyforma darabot, mindketto 1420gramm volt. Az egyik kitn hagytam fedett helyen, de, hogy a Nap erje, a masikat bevittem a kazanhazba es feltettem a kazan eloremenojere. 4 honap mulva megmertem oket. A kinti 930g lett es a benti 715g.

Előzmény: trakisbandi (34250)
tormap Creative Commons License 2018.12.16 0 0 34254

Annak idején mértem éd 1/3al több fa kellett vtc nélkül. Meg ugye a kéményen a kazánköri szivattyú szépen vissza is hűti a puffert. Ha ezek rendbe lennének lehet csak 3 lene az az 5.

Előzmény: nagykunsági (34253)
nagykunsági Creative Commons License 2018.12.16 0 0 34253

Én azért azt javasolnám, ha kazáncsere lesz, mindenképp ragaszkodj a faelgázosító kazánhoz. Olyan balgasággal nem foglalkozz, hogy "nincsen mit szabályozgatni, ha pufferba tárolok". 

 

A tényekkel foglalkozz. Faelgázosító kazán, minimum 20%-al jobb hatásfokon dolgozik, mint a jobb vegyeskazánok.  Ami gyakorlatilag azt jelenti, hogy 20%-al kevesebb fa kell. És igen, számolható megtérülés, belátható időn belül. 

 

Én azt az 5m3 fát nagyon soknak tartom, egy ilyen jól szigetelt háznál, persze így kazánvédő szelep nélkül a kazánod hatásfoka nem éri el az 50%-ot.  Igaz, nem írtad, hogy normál köbméter vagy erdei. 

Előzmény: Tms Brth (34232)
tictac62 Creative Commons License 2018.12.16 0 0 34252

Szereltess be egy esbe vtc511 szelepet, 60 vagy 65 fokost. A 65-re szavaznék. Arra akkor is szükség lesz, ha végül mégis kazáncsere döntés születne. Utána begyújtást követően, néhány tíz perc, és nem néhány óra múlva lenne fűtésre alkalmas előremenőd. Amit meg nem visz el a lakás, tárolódna rétegeződve fölül a pufferben, szintén fűtésre alkalmas hőmérsékleten, és nem 2000 liter langyos vized lenne.

A táblázatod alapján, azért elég sok ideig volt 50-60 a puffer teteje. Ha ezzel mégse ment a lakás kifűtése, akkor meg kellene nézni a lakásköri vta keverőszelepeket. Már ha vta, a rajzodon azoknak a képe van. Azoknak állítható a hőfoka, némelyik elég széles tartományban. Be lettek állítva?

Kis kazánnal 1000 litert melegítek, nekem is négy öt óra, igaz el szoktam menni a falig, 90 környéke az alja. Viszont a négy órát azért nem kell a kazán előtt ülni, jó ha összesen rámegy 20-25 perc.

Előzmény: Tms Brth (34247)
Kapocska Creative Commons License 2018.12.16 0 0 34251

Akarsz most dolgozni a rendszerrel?

Ha igen akkor  válaszd le a tágulásit a vízről és állítsd be a légoldali nyomását 0,8barra

utána ha visszanyitottad akkor a víz nyomását 1barra állítsd.

Kapcsold ki a szivattyút és hagyd gravitációsan menni 90-95 fokig elengedheted.

Előzmény: Tms Brth (34247)
trakisbandi Creative Commons License 2018.12.16 0 0 34250

Fürdőszobamérleggel is lehet.

 

Előzmény: trakisbandi (34249)
trakisbandi Creative Commons License 2018.12.16 0 0 34249

Tüzelő mennyisége amit egy napon megetetsz?

Ezt jó lenne mérleggel mérni .

 

Előzmény: trakisbandi (34248)
trakisbandi Creative Commons License 2018.12.16 0 0 34248

Egy dologra még nem kérdeztem rá "két éves akác"

Az hogy két éves nem jelent semmit,mikor lett feldolgozva hol volt tárolva?

Viszont ha két éve napos szellős helyen volt tárolva akkor tényleg fekete lyuk a rendszer.

 

Előzmény: Tms Brth (34247)
Tms Brth Creative Commons License 2018.12.16 0 0 34247

Üdv!

 

A huzatszabályozókkal folyamatosan játszottam. Volt hogy az alsó nagy ajtó nyitva volt folyamatosan, volt hogy szabályoztam.

Nem tudom mi a neve de a  kémény felőli reteszt, ami a kazánon van azzal is játszottam, de nem volt szignifikáns különbség.

Napokat így vagy úgy teszteltem...

 

"Az okos szivattyúkat direkt fokozatban kell járatni (I-II-III), mert energiatakarékos módban csak arra figyel hogy ne fogyasszon sok villanyt, viszont leszarja hogy a kazán csak füstölög és ezzel sokkal több energiát (tüzelő) pocsékol." 

 

A padlófűtési körnél a padlófűtésre van állítva, a kazánköri szivattyúnál meg III.-os megy. 

Előzmény: trakisbandi (34246)
trakisbandi Creative Commons License 2018.12.16 0 0 34246

Üdv,

 

A kazánon a huzatszabályozó hogy van beállítva ?

Nagyon nehezen tudom elképzelni, hogy nem tudja kifűteni a házat ebben az enyhe időben.

Arra gondolok, hogy ha alacsonyra van állítva hamar lezárja az ajtót így nem szalad el a hőfok, viszont a kazán csak a teljesítménye töredékét szolgáltatja.

Puffer felfűtése esetén az lenne az ajánlott, hogy a huzatszabályozó ne korlátozza a kazánt ameddig a puffer fel nem melegedett. Az látszik, hogy a mester nem pocsékolta a csőátmérőket ezért a kazánköri szivattyúnak nem egyszerű a dolga. Többen itt a fórumon automata fokozatkapcsolót építettek a kazánköri szivattyúhoz, azért hogy a kazánt ne kelljen visszafogni és ne is forrjon fel.

Az okos szivattyúkat direkt fokozatban kell járatni (I-II-III), mert energiatakarékos módban csak arra figyel hogy ne fogyasszon sok villanyt, viszont leszarja hogy a kazán csak füstölög és ezzel sokkal több energiát (tüzelő) pocsékol.

 

 

Előzmény: Tms Brth (34244)
Norisz1 Creative Commons License 2018.12.16 0 0 34245

Az én kazánom átlag 50Kw teljesítménnyel 2300l puffert 30C ról 73 C ra fűti és az a 120m2 házat 23C fokon tartja kb 24 órán át!

Tehát neked ha egész nap fűtesz akkor sem bírod felfűteni a lakást akkor nagy bajok vannak! Az egyik a kazán túl kicsi az biztos.

De szerintem máshol is bajok vannak a fűtéssel.

Az első a kazáncsere ami fontos lenne minimum 40Kw osra.

Előzmény: Tms Brth (34244)
Tms Brth Creative Commons License 2018.12.16 0 0 34244

Van, de alapvetően fával szeretnék fűteni. Az elektromos kazán kiegészítő fűtésként van a rendszerben, ha mondjuk elutazunk télen akkor legyen valami a ami temperál. Van is kéményem, azt bélelteni kéne ugyan, de van 9 méter kb,  a gázcsonk az udvaron, de a fát meg jól tudom venni...

 

 

Előzmény: kormos* (34243)
kormos* Creative Commons License 2018.12.16 0 0 34243

Nincs gázvezeték  az utcátokban???

Előzmény: Tms Brth (34232)
tormap Creative Commons License 2018.12.16 0 0 34242

Pedig hidd el, hogy ki kell cserélni az a kazánt. Szezon van. Szerintem nem lesz nehéz eladni a viadrust. Helyette kellen egy 40-50kw lemez kazán. Ha ezt nem léped meg sose leszel elégedett a rendszerrel.

Előzmény: Tms Brth (34232)
Kapocska Creative Commons License 2018.12.16 0 0 34241

Hogy rövidre zárjam a dolgot:

Írd meg neki,hogy szar az egész és vegye fel a kapcsolatot egy szakirányú

tervezőmérnökkel aki eligazítja és nem neked kell áttételeken keresztül kioktatni.

Ha megszületik a terv esetleg hozd be ide megmutatni.

Előzmény: Tms Brth (34240)
Tms Brth Creative Commons License 2018.12.16 0 0 34240

2,5 báros a tágulási tartály teteján van egy. Ebből sengedett is némi vizet tegnap...

 

 

Előzmény: Kapocska (34239)
Kapocska Creative Commons License 2018.12.16 0 0 34239

Az,hogy 34fokos átlaghőmérséklet  emelkedés mellett

1bart emelkedett a nyomás.

A légoldali nyomás nem lett beszabályozva és lehet,hogy kicsi is lesz

a 3 szinthez,persze nyomásfüggő is meg,hogy hány baros a biztonsági szeleped,ha van egyáltalán.

Előzmény: Tms Brth (34238)
Tms Brth Creative Commons License 2018.12.16 0 0 34238

a tágulási tartállyal mi a gond? köszi a rajzot!

Előzmény: Kapocska (34235)
Kapocska Creative Commons License 2018.12.16 0 0 34237

Előzmény: Kapocska (34234)
Kapocska Creative Commons License 2018.12.16 0 0 34236

Ezen a sémán nem szerepel a HMV tároló/bojler,igaz nem is volt kérés.

Előzmény: Tms Brth (34228)
Kapocska Creative Commons License 2018.12.16 0 0 34235

És a tágulásid beállítása sem jó.

Előzmény: Kapocska (34234)
Kapocska Creative Commons License 2018.12.16 0 0 34234

Az,hogy másnál mit csinált és milyen szakmai kontrollal az nem tudható!

De:

„a fealgázosító rendszert pedig nem javasolta – pedig abban gondolkodtam– mondván nincsen mit szabályozgatni, ha  a pufferba tárolok.”

 

ez mindent elárul róla.

És nem megyek bele az elméleti oktatási kérdésekbe.

Ha van rá keret akkor egy 45-50kW-os faelgáz kazánt tetessél be.

Előzmény: Kapocska (34233)
Kapocska Creative Commons License 2018.12.16 0 0 34233

 „Megfizetni a tanuló pénzt:  Tűrtöztettem magamat rendesen...  Én grafikai tervezéssel foglalkozom. Kevés ügyfelem van”

 

A Te felelősséged fel sem merült,ha eddig nem vetted volna észre a hsz-ek ből.

 

Alapjában véve semmi közöm a fűtésszereléshez,de önképzéssel

eljutottam odáig,hogy merek tanácsot adni.

Sok fűtésszerelő meg eljutott odáig,hogy képzés nélkül mer vállalkozni kivitelezésre.

És ez nagy különbség!

Előzmény: Tms Brth (34232)
Tms Brth Creative Commons License 2018.12.16 0 0 34232

Sziasztok, 

 

ez a 24 óra feljegyzése a rendszerről. Amit nem tartalmaz, hogy kb mennyi fa ment bele. Annak érdekében hogy maxra futassam a rendszert, folyamatosan a leégést követően pajoltam rá. 

Sosem pakoltam tele, de 4-5-6 teli rakás lehetett 24 óra alatta cirka.

 


 

Ide összegzem amiket írtatok: 

– kazánvédő szelep és a kazánköri keverőszelep –ez gondolom egy és ugyanaz–  és a keverőszelepet a puffer elé ez is ugyanazt jelenti

– megcserélni a kazán és pince szivattyút, hogy a kazánon legyen az egyik 25-60-as 

– a csőtermosztát és bojler körét keringtetni – bár ez nem annyira hasznos nekem

 

Megfizetni a tanuló pénzt:  Tűrtöztettem magamat rendesen...  Én grafikai tervezéssel foglalkozom. Kevés ügyfelem van aki bízik bennem és megengedi, hogy a legjobb tudásom szerint dolgozzak, ezek a legjobb munkáim egyébként. Az ajánlásból, ahol szintén pufferes rendszert rakott a szerelő elégedett volt. Kértem javaslatt a szerelőtől és mindenben engedtem neki. 
Nem szeretek belepofázni olyanba, amihez nem értek. De mérhetetlenül csalóüdott vagyok. Épp fogalmazom a levelet neki. 

Ha van még javaslatotok, vagy esetleg valaki a Móricka rajzomba bele tudná valamelyikőtök rajzolni, hogy hogyan menne jól, – a kazán cserét kivéve–  akkor azt köszönettel veszem.

Egy földszinten kész házban vagyunk a feleségemmel és 4 gyerekünkkel és ezzel a klasssz rendszerrel. Eddig cirka 5 m3 fa ment el. A gipszakartonos szar munkát végzett el is tűnt, pedig megfizettem, a fűtés szerelő is meg lett fizetve és a legjobb tudása szerint csinálta, de úgy látszik nem volt elegendő...

 

köszi mindenkinek a segítséget 

Előzmény: Kapocska (34231)
Kapocska Creative Commons License 2018.12.16 0 0 34231

A pince  szivattyúval helyet kéne cserélni a kazán szivattyúnak

(nem ismerem a pince fűtésrendszerét,csak feltételezem,hogy lehet)

,ha  a pince hidraulikai ellenállása megengedi,ha nem akkor új 60-as.

Végül is kaptál egy működésképtelen rendszert amire csak egy magyarázat

lehet a hozzá nem értés .

A tanulópénzt mindenkinek meg kell fizetni,nincs kibúvó .

 

Előzmény: Tms Brth (34230)
Tms Brth Creative Commons License 2018.12.15 0 0 34230

a fűtési körökre ez van, ebből 3 van ugye: grundofs alpha L1 25-60 

a pufi kazánon ez: grundofs alpha L1 25-40

Előzmény: Kapocska (34229)
Kapocska Creative Commons License 2018.12.15 0 0 34229

Ha egyformák azok a keverőszelepek akkor a tetőn lévő

nem jól van bekötve.

Egy lengőnyelves visszacsapó is kellene a kazán előrébe a pufira csatlakozás

előtt ,még a leendő VTC leágazás elé(pufi felé).

Az lett volna jobb,ha a kazán előre nem a tetején,hanem oldalt csatlakozik be a pufiba

és a tetejéről megy a lakás.

Az aut légtelenítő elé kellett volna egy kézi szelep.

Egyforma az összes szivattyú?(milyen is?)

Előzmény: Tms Brth (34228)
Tms Brth Creative Commons License 2018.12.15 0 0 34228

Előzmény: Tms Brth (34227)
Tms Brth Creative Commons License 2018.12.15 0 0 34227

A puffer tetején a harmadik fűtési kör van. Ez a pince fűtési előre és vissaztérője. Nem értem igazán, hogy miért ott van...

 

A leágazás a táglási tartályhoz megy. Onnan van a betápja a rendszernek is, itt tudtam ráengedni a vizet, ha esett a nyomás...

 

Előzmény: Kapocska (34226)
Kapocska Creative Commons License 2018.12.15 0 0 34226

Addig rajzold már le egyvonalasban a kazán pufi kört.

Pl. mi az a leágazás a szivattyú nyomóágán és mi az ami a pufi tetején van a kapcsolásban.

Előzmény: Tms Brth (34225)
Tms Brth Creative Commons License 2018.12.15 0 0 34225

A szerelő hozta, a fealgázosító rendszert pedig nem javasolta – pedig abban gondolkodtam– mondván nincsen mit szabályozgatni, ha  a pufferba tárolok.

 

Két vállalkozó volt itt nálunk. Eddig csak ez egyikba csalódtam, most már ebben a másikban is. Pedig jó ajánlásból jött... 

Holnap megkeresem, majd azért beírom, hogy hogyan orvosolja majd a kérdéseket.

 

 

 

 

Előzmény: nagykunsági (34224)
nagykunsági Creative Commons License 2018.12.15 0 0 34224

Az a szerelő amelyik egy ilyen rendszerből kihagy egy kazánvédő szelepet, az nyugodtan tépje össze a papírját. 

 

A legalapvető ökölszabályt nem tartotta be, ami szerintem még így is alulméretezi a kazánt. 50 liter /Kw. Tehát egy 2000 literes pufferhez kellene egy 40Kw-os kazán. 

 

Nem tudom, hogy a kazánt te vetted vagy a fűtésszerelőd hozta, de ha ő hozta akkor biztos azt mondanám, vidd el, és min. egy 40Kw-ost hozz helyette. Természetesen garanciában. És beépíteni egy kazánvédőt. Garanciában. 

 

Látom, elég komoly beruházás volt ez a vegyes rendszer. Én ha ennyit beleöltem volna, minimum egy faelgázosító kazánt tettem volna be. 

 

Mondjuk szerintem a gázfűtés gazdaságosabb lett volna, és nem biztos, hogy többe került volna. Márha van a környéken gáz.

 

 

 

Előzmény: Tms Brth (34222)
Tms Brth Creative Commons License 2018.12.15 0 0 34223

Három szintes a ház, most a pincét nem fűtjük igazából, a kazán melege befűti amennyire kell, de a tetőteret jövőre már szeretnénk használni. Ha az is megy majd és nem lesz valami megoldás,  akkor tényleg kazánfűtőnek kell álljak.

 

 

 

 

 

Előzmény: Norisz1 (34221)
Tms Brth Creative Commons License 2018.12.15 0 0 34222

Tervezés nem volt, a szerelő javaslata szerint készült el. 

 

 

Előzmény: nagykunsági (34220)
Norisz1 Creative Commons License 2018.12.15 0 0 34221

Vagy főállású kazánfűtőnek megy..😁

Hát ja minimum a 40Kw kazán az kéne és még akkor sem tudná 3 óra alá vinni a fűtésidőt..

Előzmény: nagykunsági (34220)
nagykunsági Creative Commons License 2018.12.15 0 0 34220

Kicsi a kazánod, ahhoz a pufferhez. 

30-ról 80 fokra felfűteni, ha folyamatosan max teljesítményen megy a kazánod, és nincs lakásfűtés, az akkor is min. 5 óra. 

Ha folyamatos elvétel van, akkor ez simán duplázódhat. 

Márpedig a padló az jó sokat fel tud venni.  A kazánod simán direktbe is fűthetné. 

 

Nem tudom ezt a rendszert tervezte e valaki? Mert ha igen akkor nagyon rosszul van tervezve. Vagy csak a fűtésszerelő saját kreálmánya?

 

Én biztos visszahívnám garanciában, minimum, hogy egy kazánvédőt beépítsen, de lehet még egy kazáncsere költségét is ráverném. 

Előzmény: Tms Brth (34199)
tictac62 Creative Commons License 2018.12.15 0 0 34219

Az  a lakásköri vezérlés, az akár még rendben is lehet. Kellene viszont a kazán szivattyúját is. Az az egy darab csőtermosztát, ha a fűtés végén nem kapcsolod ki a szivattyút kézzel, addig fogja hűteni a kazánon keresztül a kéményhuzattal súlyosbítva az összes vizet, amíg nem megy 40 fok-hiszterézis alá. Van több megoldás, pl hőfokkülönbség kapcsoló. Én két hőmérőt használok. Az egyik a füstöt méri, ha begyújtok, 180 foknál elkezdi keringtetni a vizet, mikor kialszik a tűz, alámegy 180-nak, leáll. Meg van egy vízre, mert előfordul hogy marad parázs, ami már nem csinál 180 fokos füstöt, de még meg tudja forralni a vizet, az 95-re van állítva. Meg így egyből dupla biztonság.

Előzmény: Tms Brth (34216)
Tms Brth Creative Commons License 2018.12.15 0 0 34218

imost októberben lett átadva, de nem mondasz túl biztató dolgokat...

Előzmény: Kapocska (34217)
Kapocska Creative Commons License 2018.12.15 0 0 34217

Mennyi idős ez a gépészet?

A nyugati világban ezért a remekműért kártérítést kéne fizetni

a vállalkozónak és viselni az átalakítás költségét.

Előzmény: Tms Brth (34209)
Tms Brth Creative Commons License 2018.12.15 0 0 34216

Pontosabban a vezérlés úgy néz ki, hogy a szobatermosztátok szabályozzák a szivattyúkat. Ha eléri a beállított hőfokot akkor kikapcsolnak.Ezen kívül kéne még valami vezérlés?

 

   

Előzmény: tictac62 (34213)
Tms Brth Creative Commons License 2018.12.15 0 0 34215

A pufferon nálam is 20 cm közetgyapot van hőtükörrel körbetekerve egészen szaloncukor kinézete van. A bojler csőkígyő vezérlést észben tartom. Köszi!

Előzmény: tictac62 (34213)
tictac62 Creative Commons License 2018.12.15 0 0 34214

Igen, a szivattyú és a puffer közé. Ilyen az én tákolmányom:

Akár el is hagyható a kerülő ág, és a visszacsapók, az a nyomorult tíz centis szelep csak befér valahova. Lehet azért hagyta ki a szerelő, nem volt hely xD

Előzmény: Tms Brth (34212)
tictac62 Creative Commons License 2018.12.15 0 0 34213

És igen, vérzik még pár seb, de gondoltam induljunk  a kályhától. Vezérlés az nincs, a csőtermosztát az nem az. A pince körét, azt én konkrétan nem értem mi akar lenni, de nem vagyok fűtésszerelő.  Szigetelésnek én húsz centi jó minőségű gyapotot tettem, arra azt merem mondani nekem elég, de ez a minimum. A bojler hőlépcsője nem ismert, de egy csőkígyóval simán el lehet bukni több tíz fokokat. Én inkább keringetném azt is, amikor van értelme, de azt is vezérelni kellene.

Előzmény: tictac62 (34210)
Tms Brth Creative Commons License 2018.12.15 0 0 34212

köszi!

A kérdés, hogy a szivattyú és a puffer közé kéne kerüljön?

Mert itt a puffer és a szivattyú között nincsen hely. Lehet hogy azt is át kéne tenni? 

 

 

 

https://www.google.com/search?q=kaz%C3%A1nv%C3%A9d%C5%91+kever%C5%91szelep&source=lnms&tbm=isch&sa=X&ved=0ahUKEwi0xf6SwqLfAhXKFCwKHZ68BDgQ_AUIDygC&biw=1440&bih=692#imgrc=TJj3QERwLjDQmM:

 

Előzmény: tictac62 (34210)
tormap Creative Commons License 2018.12.15 0 0 34211

Ajjaj. Ez a "csak" elég nagy baj. Itt már sok meleg kárba vész és meg is van az egyik magyarázat/ok, hogy reggelre miért hül 30 fokra a pufi.

Előzmény: Tms Brth (34209)
tictac62 Creative Commons License 2018.12.15 0 0 34210

Szükséges lenne pedig, közepesnél jobban, hogy ne 12 órán keresztül told neki a 30 fokos vizet. Nem az első leszel a héten, aki kazánvédő nélkül próbál ezer liter vizeket megmelegíteni xD

Amúgy nem szerelt csúnyán a szerelőd, de ezek valamiért gyűlölik a keverőszelepet a puffer elé xD

Az életbe nem éri el a kazán, hogy optimális feltételek közt működjön. Nem ismerem a viadrust, de ha sikerülnek az alapvető dolgok, akkor se fog ekkora puffert szerintem négy óra alatt fölfűteni.

Előzmény: Tms Brth (34209)
Tms Brth Creative Commons License 2018.12.15 0 0 34209

Nincsen rajta, cserébe egy rövid családi hangjáték a videón :D

 

https://www.dropbox.com/s/p3ovs4f27d9pjdq/VID_20181215_191752.mp4?dl=0

 

 

Csak csőtermosztát van, ami 40 fok felett elindítja a szivattyút. 

 

 

 

Előzmény: tictac62 (34207)
kormos* Creative Commons License 2018.12.15 0 0 34208

Ok!

Előzmény: Kapocska (34206)
tictac62 Creative Commons License 2018.12.15 0 0 34207

Kazánkörből csak a rajzon maradt ki a keverőszelep?

Előzmény: Tms Brth (34199)
Kapocska Creative Commons License 2018.12.15 0 0 34206

 

Gáz

93% hatásfokkal kapsz     8.78kW   105Ft

Villany

23,54Ft 1kW  x 8,78=  206,6Ft

Előzmény: kormos* (34202)
kormos* Creative Commons License 2018.12.15 0 0 34205

Az üzemeltetési költségre gondoltam.

1 m3 földgáz fűtőértéke kb. 10 kwh. Mennyi ez forintban? 

És mennyi ez forintban, éjszakai árammal számolva???

Gondolkodok egy hőtárolós kályha beszerzésén.

Előzmény: Tms Brth (34204)
Tms Brth Creative Commons License 2018.12.15 0 0 34204

A kémény, a gázterv, a gázszerelés árával. Az elektromos kazánt csak felrakod és kész. A fűtőszálas megoldást nem kaptam javaslatként... De bizti olcsóbb az elektromos kazántól...

Előzmény: kormos* (34202)
kormos* Creative Commons License 2018.12.15 0 0 34203

Egy puffert miért gazdaságosabb elektromos kazánnal fűteni, mint sima fűtőszállal?

Előzmény: Kapocska (34200)
kormos* Creative Commons License 2018.12.15 0 0 34202

A vezérelt éjszakai áram mennyivel drágább a gáznál???

Előzmény: Kapocska (34200)
Tms Brth Creative Commons License 2018.12.15 0 0 34201

most jó lesz, rossz volt a megosztás

Előzmény: Kapocska (34200)
Kapocska Creative Commons License 2018.12.15 0 0 34200

Itt a móricka,hol a Móricka nevű játék?

Tedd oda ahol látni.

Előzmény: Tms Brth (34199)
Tms Brth Creative Commons License 2018.12.15 0 0 34199

Sziasztok!

 

Több gondom is van a fűtési rendszeremmel, gondoltam hátha van valakinek segítő gondolata.

A szerelő elvi gondolata az volt, hogy kazánről felfűtöm 70 fokra a puffert és éjszakai áramról az elektromos kazán szinten tartja a hőmérsékletet. Ezzel szemben nagyon lassan megy a felfűtés ma konkrétan 12 órája fűtök és az elektromos kazán se tudja szinten tartani a szintet. Estéről reggelre, 60-ról 30 fokra visszaesik simán a puffer.

 

 

Ami adott:

2000 l puffer tartály, benne egy csőkígyó ami a bojler előremenőjét  táplálja, (szerintem itt egyébként valami nem stimmel, mert kifogy simán a bojler.  Bár nem túl nagy – 70 liter, de mondjuk a 60 fokos előremenő vízzel jónak kéne lennie...) 

200 l tágulási tartály

Viadrus U22 5D

Bosh elektromos kazán, ez vezérelt áramról megy 

4db  grundfos alpha 25 szivattyú van a rendszerben. Padlófűtésre állítva a 3 db padlőfűtésnél, a kazán és a puffer közti szivattyút III-as fokozatúra "radiátoros"  funkcióra tettem.

 

Padlófűtés van mindenhol, az esbe szelepeknél 40 fokos előremenő vízzel. 

Jelenleg csak a földszint van fűtve, 110 nm. 

15 cm szigetelés van 38-as protherm téglán.

 

 

A szobatermosztát 22 fokra van állítva és gyakorlatilag sosem éri el a hőfokot, csak közelíti. Ergó a szivattyú folyamatosan megy, a padló meleg. Két éves akáccal fűtöm egyébként.  

 

 

 

Itt a móricka rajzom a rendszerről:

https://drive.google.com/file/d/1wuOnYqjgcAkh5uoNJx1XRRzE0lmsoCPn/view?usp=sharing

 

A  kazánt folyamatosan etetve 60 fok fölé nagyon lassan megy a puffer. Ma konkrétan elkezdtem írni, hogy mi mennyi.

Itt vannak a feljegyzéseim a mai menetről:

https://docs.google.com/spreadsheets/d/1cY8wjTPY4Xxx4IgzVVSd85dwOBBON4XOAA9DsTZ9B6c/edit?usp=sharing

 

 

Ahogyan olvastam elvileg 4 óra alatt maxon (70-80 fok) kéne lennie a puffernek folyamatos elvét mellett is, miért nem tudom felfűteni? 

A három körből egy van használatban, de nem értem miért van a pinceszint előre és visszatérője legfelül? Ott gyorsabban visszafordul a víz ezért lehet? Mondjuk ez nem aktuális annyira mert nem is tervezem ott leindítani egyenlőre. 

Hogyan lehet ez hatékonyabb? 

 

Köszönöm a hozzászólásokat előe is!

 

Norisz1 Creative Commons License 2018.12.14 0 0 34198

Ha itt lakna a környéken már elmentem volna azt megcsináltam volna neki..

Előzmény: Norisz1 (34197)
Norisz1 Creative Commons License 2018.12.14 0 0 34197

No most minden viccet félre téve az egy xar amit szegény manyusz kapott a pénzéért! Ennyi! És ezt mindenki látja és tudja is még én is na..

Minek kellett oda az a rengeteg könyök? Ráadásul szűkített..

Normál horganyzott könyök azt szevasz fele úgyis az. 

Előzmény: Kapocska (34196)
Kapocska Creative Commons License 2018.12.13 0 0 34196

„85°C-ig simán el lehet engedni.”

Szerintem is,de ,ha már alul is (A) meleg jön akkor adott esetben

hiányozni fog a 3-as fokozat,ezért arra az esetre is alkalmasnak kell lenni a rendszernek.

Ezért is lett cserélve a VTC.

Erre céloztam leginkább.

Előzmény: Törölt nick (34195)
Törölt nick Creative Commons License 2018.12.13 0 0 34195

Azt írta:

Felmegy továbbra is 70-75 fokig, de ott vége, nem kell a huzatszabályzónak beavatkozni. 

85°C-ig simán el lehet engedni.

Szerintem.

Előzmény: Kapocska (34188)
Kapocska Creative Commons License 2018.12.13 0 0 34194

Ez nem horgászladik ,hanem lakóhajó! :-)

(irigyellek!)

Előzmény: Norisz1 (34193)
Norisz1 Creative Commons License 2018.12.13 0 0 34193

😁

Előzmény: Kapocska (34191)
Norisz1 Creative Commons License 2018.12.13 0 0 34192

Szigetközi Duna mellékágak...

Jobbára csak harcsázunk mi. A hajót is direkt harcsázáshoz csináltuk. Ezen a környéken csak nekünk van ilyen. 1tonnás kicsike..😁

36kg os volt a legnagyobb (haver fogta)

Kb 35-40db ot foghattunk idén

Előzmény: Kapocska (34191)
Kapocska Creative Commons License 2018.12.13 0 0 34191

Neked aztán van életed! :-)

Darabszám?

Vízterület?

Előzmény: Norisz1 (34190)
Norisz1 Creative Commons License 2018.12.13 0 0 34190

A havernak egyből a szivattyú után van és nem csattog.

Hogy a viharba ne mozognának🤣

Minden pénteken megyünk a haverokkal az összkomfortos hajónkról horgászni. Napelem, fűtés, tv van.😁

Előzmény: Kapocska (34187)
Kapocska Creative Commons License 2018.12.13 0 0 34189

Szóval,ha azt a tákolmányt elbontaná akkor ott max.

2-3db menetes ívvel kéne megoldani.

Előzmény: Kapocska (34181)
Kapocska Creative Commons License 2018.12.13 0 0 34188

Hideg vízzel sem ment a dT20 fok alá.

Előzmény: Törölt nick (34184)
Kapocska Creative Commons License 2018.12.13 0 0 34187

Ha hozzá lesz nyúlva akkor ,ha gyengítve is (bár nem biztos,hogy központos lesz)

nem ott volna a helye,mert csak részmegoldás .

Csuka mozog még?

 

Előzmény: Norisz1 (34183)
Norisz1 Creative Commons License 2018.12.13 0 0 34186

Akkor gond esszálse..😁

Előzmény: Sw201inger (34185)
Sw201inger Creative Commons License 2018.12.13 0 0 34185

Köszi mindenkinek a válaszokat! Átolvasom, igyekszem most már rajzolni is, meg tényleg csak a legszükségesebbeket kérdezni :)

Egyébként Budapest; hegesztés + menetmetszés nem gond; vasat csak a 2" csöveknél gondoltam, a többi réz lenne (bár a rövidebb távokon, Hadházi fórumtárs megoldásához hasonlóan én is horganyzott idomokat használnék, abból van rengeteg itthon, remélem ez nem okoz semmi kémiai/elektrokorróziós problémát).  Az ő rendszere egyébként azért tetszik, mert én is vmi ilyesmire gondoltam, csak pont a sok kanyar aggasztott - ezek szerint annyira azért nem kell ettől félni (noha pont azért vagyok ilyen elővigyázatos, mert tudom hogy kezdő vagyok, inkább 100x körbejárok mindent mint hogy 1x elb..szam) :)

Előzmény: bnorci71 (34177)
Törölt nick Creative Commons License 2018.12.13 0 0 34184

 Esetleg nem bírja a szivattyú folyamatosan nyitva tartani annak ellenére hogy max. fordulaton megy?

 

Ha lehet vedd lejjebb a szivattyút egy fokozattal.

Nálam is csilingelnek a rugósok, ha a szivattyúk maximumon mennek.

Előzmény: bumerang10 (34179)
Norisz1 Creative Commons License 2018.12.13 0 0 34183

Azthiszem én is írtam a rugósat..

De már az is lehet segítene, ha eltenné jobbra teljesen a másik könyök mellé, de ha már kiszedi akkor kicsit gyöngítsen a visszacsapó rugóján azt kész.

2db csőfogó és fél óra azt mehet a próba..

Előzmény: Kapocska (34181)
Norisz1 Creative Commons License 2018.12.13 0 0 34182

Hát ja..

Amikor megláttam gondoltam én is erre, hogy lehet túl közel van a visszacsapó a szivattyúhoz mindjárt könyök után..

Én csak szívott ágba tudtam betenni, de nálam minden tök egyenes..

 

Előzmény: Kapocska (34181)
Kapocska Creative Commons License 2018.12.13 0 0 34181

Nem emlékszem milyen szövegkörnyezetből jött a visszacsapó.

A többi szivattyúnál biztos nincs ilyen iránytörésekkel ,szerelvényekkel

megtűzdelt  ellenállás a visszacsapó közelében.

A szivattyú járókereke nem  végtelen számú kamrákból áll,ezért

nincs tök folyamatos szállítása,hanem valamennyire lüktető.

Ha ez és a hamisítvány minősége találkozik egy ilyen ellenállás sorozattal

lehet ez a vége.

Akkor szokás ide tenni rugóst, amikor van egy kerülőága a VTC szelepnek

egy lengőssel, amin keresztül áramszünet esetén a kazán hűtést kaphat a pufi felől.

És az onnan jövő víz a rugós miatt  nem találkozik egy hidraulikus rövidzárral  a szivattyú

VTC AB –B ágon keresztül,így a gravitációs kis nyomás nem oszlik meg és a kazánra hat egyedül.

A kazánkörben az volna még  a szerepe egy visszacsapónak,hogy a hideg

kazánvíz fajsúlyánál fogva ne „nyomjon” ki a pufiból meleg vizet a VTC AB-A ágon( max. 3%-ot átereszt) a kazán felé ami ott lehűl és mint veszteség lesz jelen.

Függ a visszacsapó típusától is mert van 20cmH2O ellenállású meg van 2m-es is.

Neked kerülő nélkül a meleg ágon a pufi becsatlakozás előtt vízszintesen beépített

lengő volna jó,ha nem lesz kerülő ág.

A jelenlegi helyre betett akár lengős nem akadályozza meg a pufi VTC B-A ág gravis áramlását.

Könnyű szétszerelni azt a visszacsapó egységet, heréltesd ki a döntésig, vagy vigyél be még

fojtást a kazán előtti csappal,hogy nőjön a nyomás és az áramlás homogénebb legyen,talán segít.

Előzmény: bumerang10 (34179)
Norisz1 Creative Commons License 2018.12.13 0 0 34180

Hello

Végre...

A visszacsapó szerintem a rendszerben maradt levegő miatt kattog! Szerintem. A szivattyú még mindig maxon pörög? Próbáld meg visszább venni és figyeld a hőfokot is közben ha majd begyújtasz és válaszd ki azt a fordulatot rajta amin még nem zár a huzatszabályzó 80C környékére.

Előzmény: bumerang10 (34179)
bumerang10 Creative Commons License 2018.12.13 0 0 34179

Többőtök javaslata alapján ma kicserélte a csőszerelő a 317-es 55 fokos ESBE szelepet egy 511-es 50 fokosra és a szivattyú és a kazán közé betett egy visszacsapó szelepet.

Összeépítés után ma nem sok idő volt a tesztelésre. Első begyújtás után annyi azért kiderült, hogy a kazán a szelep nyitása után nem melegszik olyan gyorsan tovább. Felmegy továbbra is 70-75 fokig, de ott vége, nem kell a huzatszabályzónak beavatkozni. Talán jó lesz! :)

Viszont ami most zavar, az a visszacsapó szelep amit javasoltatok. Olyan kattogással van, hogy egy 30 cm vastag falon keresztül is hallom a nappaliban és nagyon zavaró! Van visszacsapó a padlófűtés és a radiátor körben is a szivattyúk és osztók között, azoknak azonban semmi hangja, ez meg mint a géppuska! Ha lehetne feltölteni ide hangot szívesen megmutatnám. Mi lehet vele a baj? Esetleg nem bírja a szivattyú folyamatosan nyitva tartani annak ellenére hogy max. fordulaton megy? Vagy ennél sem mindegy milyent építenek be? 

 

Előzmény: Kapocska (34082)
bnorci71 Creative Commons License 2018.12.11 -2 0 34178

ja urak köszönöm az együtt gondolódást, ötleteket a bugyborgásomról, jelentem meghúztam a kis piros kupakot a tetején és el is múlt a bugyborgás

na meg azért biztos ami bitos tegnap a rendszernyomáson is emeltem 0,2bar-t

 

nem gondoltam volna ,hogy 1,5Bar rendszernyomásnál ott levegőt bír beszívni a szivattyú

bnorci71 Creative Commons License 2018.12.11 0 0 34177

ha vissza lapozol és olvasol is láthatod az én rendszerembe milyen kapuk vannak,

pufferbe belép az előremenő a cső és felkanyarodik kb 30cm-t és ezen a csövön kel lefelé szívni a lakásköri szivattyúnak ami a plafon alatt van, ne jelent neki gondot

a kazán szivattyú a kazán belépő csonkkal egy magasságba a puffer aljából meg felmegy a cső a plafon alá ez se gond

azért van a szivattyú, hogy keringjen a víz fel-le-jobbra-balra :)

légtelenítő hová kel?

gondold végig logikusan a víz levegő tudja fizikát, ahogy kiveszem írásaidból te se vagy buta gyerek csak kicsit bizonytalan, ahol megrekedhet oda tegyél ha szivattyú szívó oldalon van rakj elé csapot, hogy feltöltés után kizárhasd.

 

a sok sok ugyan azon kérdések helyet rajzold le a rendszert részletesen ahogy gondolod, akkor ami nem jó egyszerűbb kijavítani az itt lévőknek

 

 

Előzmény: Sw201inger (34166)
nagykunsági Creative Commons License 2018.12.11 0 0 34176

Arányos szabályzású nincs?

Előzmény: Cpt_Zetor (34171)
Kapocska Creative Commons License 2018.12.11 0 0 34175

Van választék és nem biztos,hogy mind itt van.

https://www.argep.hu/trend/FUTO/Fuetoebetet-5-4.html

 

A lényeg,hogy 5/4-es és legyen felfekvő felülete (fesz.,teljesítmény....)

 

Előzmény: Traco (34174)
Traco Creative Commons License 2018.12.11 0 0 34174

Sziasztok!

 

Nem puffer,de talán tud valaki segíteni.

Hmv tartályomba (concept 120l kwadro, elvileg 5/4es) szeretnék fűtőbetétet szerelni. A gyári 25e körül van, és nekem a termosztát se követelmény. Van esetleg más típus ami jó lehet?

 

 

Köszönet!

T

masterflash Creative Commons License 2018.12.11 0 0 34173

Szia!

 

Nincs meg ez a kép olvasható méretben?

Előzmény: G73bor (19207)
tormap Creative Commons License 2018.12.11 0 0 34172

Szia!

Nekem 2db puffer van sorosan összekötve. Az egyik 1000 a másik 700l-es. A kettő között van 4m. 

Sorrend:kazán-1000l-700l

Töltődni a 700l-es töltődik először.

Gondolhatod, hogy itt mennyit kanyarognak a csövek és milyen szintkülönbségek vannak.

Előzmény: Sw201inger (34164)
Cpt_Zetor Creative Commons License 2018.12.11 0 0 34171

Sziasztok,

elnézést hogy csak így "bepofátlankodok" :)

vannak eladó zsalumozgató motorjaim...24VDC...

én 3 éve ezt használom füsthő szabályzáshoz..

akit érdekel szóljon.

 

HONEYWELL 1024 24V AC/DC 10Nm

 

https://productcatalog.honeywellhome.com/hungary/ecatdata/pg_gr-n05n10.html

 

 

Kapocska Creative Commons License 2018.12.11 0 0 34170

„Tehát a szekunder csövezések nem férnek el máshol csak a kettő között”

A szekunder legyen fölül lent pedig lehet egy szintben (v. nincs annyi csatlakozó?)

„Ez nem gond, hogy itt az előremenő melegvíznek a puffer tetejéből először lefelé kell mennie kb. 30 centit”   nem gond a 30cm,még jó is mert a VTA szelepnek lesz hőcsapdája.

Ez milyen összefüggésben van a korábbival?

„Tehát a szekunder csövezések nem férnek el máshol csak a kettő között”

Egyszer nem fér el egyszer meg nem is ott megy.

„de légtelenítési szempontból mire figyeljek?”

Az induláskor ki kell légteleníteni majd az osztónál a nyomóágba aut. légtelenítő.

Ilyenre gondoltál?

Nem méretarányos nyilván!

Ahogy elfér,minél magasabbra a csatlakozásokat ,szivattyúkat.

Előzmény: Sw201inger (34164)
Törölt nick Creative Commons License 2018.12.11 0 0 34169

Pontosan 2 m belmagasságú pincében van a kazán és a puffer, ~1100 l-es, nyílt rendszer.

A puffer szifonos rendszerű, alul be megy fölfelé egy szifon cső a felső palást alá 5 cm-re, ez a meleg ág.

A puffer alján a hideg ág, a puffer tetején egy légtelenítő kivezetés csappal, nem automata légtelenítővel, + nyomásmérő 2 csap között.

 A vezérlés viszonylag egy körben, csak a be- és kimenő csövek lógnak ki.

Előzmény: Sw201inger (34166)
Norisz1 Creative Commons License 2018.12.11 0 0 34168

Melyik megyéből vagy?

Előzmény: Sw201inger (34166)
Norisz1 Creative Commons License 2018.12.11 0 0 34167

Az a baj, hogy nagyon sok olyan dolgot kérdezel ami normál esetben alap és félek, ha neki állsz több kárt csinálsz mint hasznot..

Milyen csövekkel szeretnéd összekötni a dolgokat? Vas, mert ahhoz hegeszteni, vagy menetet metszeni is kell..

Vagy préselni? Ahhoz megint szerszám kell..

Előzmény: Sw201inger (34166)
Sw201inger Creative Commons License 2018.12.11 0 0 34166

Hogy szeretném az túlzás, de magad Uram ha szolgád nincsen :)

Az nagyon sokat jelent egyébként hogy szakmai kérdésekben kapok itt segítséget, a fizikai összeszerelés meg nem probléma, van műhelyem is, meg úgy egyáltalán mindig mindent magunknak csinálunk, ez már-már családi hagyomány :) Azt írtam is egyébként hogy mellette mindig keresgélek szakikat az adott témákban, de egyrészt röhelyes, börleszkbe illő találataim vannak (még olyan is, aki már ül a Csillagban, mert én voltam kb. a 10. akitől előleget vett fel, szerződéssel, aláírással, mindennel és még így is lelépett) :) Másrészt meg rendszerint én magam előbb elkészülök az adott feladattal, mire bárki más egyáltalán oda jönne (halogatás, átverés, feleslegesen kivett szabik stb. helyett).

Előzmény: Norisz1 (34165)
Norisz1 Creative Commons License 2018.12.11 0 0 34165

Ezt a rendszert te magad szeretnét összeszerelni?

Előzmény: Sw201inger (34164)
Sw201inger Creative Commons License 2018.12.11 0 0 34164

Köszi hogy írtál! Valószínűleg tényleg csak túlaggódom. Amit pl. nem tudok hogy számít-e: ugye nálam kicsi a pince belmagasság (2m), a puffer szinte a padlótól a plafonig kitölti. Így a közte és a kazán között lévő csövek csak a padló ill. a plafon közvetlen közelében tudnak menni. Tehát a szekunder csövezések nem férnek el máshol csak a kettő között (pl. a padlófűtés osztótól a pincébe érkező 2 cső nem a plafonon át jön be, hanem a falon, kb. 170 cm magasan, csak így lehetett lehozni). Ez nem gond, hogy itt az előremenő melegvíznek a puffer tetejéből először lefelé kell mennie kb. 30 centit (valahol ott lesz a hőcserélő), majd fel a lakásba? Összességében felfelé megy, az oké, de légtelenítési szempontból mire figyeljek? Arra is gondoltam, hogy a kazántól a puffer teteje felé menő csövet csapolnám meg még jóval a plafon alatt, hogy a folyamatos "felfelé tartás" meglegyen. A két szivattyút (primer, szekunder) Te hova (melyik magasságba) tennéd? A radiátornál kb. ugyanez van, a pincébe érkezik le az 5 pár cső, ott van egy osztó 160 cm magasan. Csak annyi a különbség, hogy ott nem feltétlen választanám le hőcserélővel ha nem muszáj. 20-as ötrétegű csöveknél az teljesen kizárt, hogy gravitációsan is elcsordogáljon (legalábbis kisebb teljesítménnyel) áramkimaradás esetén? Vagy olyankor teljesen megáll a víz, hiába melegebb lent mint fönt?

Előzmény: Kapocska (34163)
Kapocska Creative Commons License 2018.12.10 0 0 34163

Nem értem igazán a problémádat!

A baj,hogy túlképzett vagy és mindjárt az első hsz.-nél matekolással kezdted.

A kazán pufi összekötést 2” csővel akarod, kész,rendben ,kihúzva.

Kell a körbe VTC szelep,rendben,kihúzva.

A „védelmet” biztosító visszacsapóról írtam neked, nem válaszoltál, kész,rendben,kihúzva.

A lakás felé kell egy szivattyú VTA szeleppel,rendben,kihúzva.

Kazán védelem,szünetmentes + kazán visszahűtő rendszer,rendben kihúzva.

Kérdés???

Előzmény: Sw201inger (34162)
Sw201inger Creative Commons License 2018.12.10 0 0 34162

Szia!

Oké-oké, tényleg zsibbasztóan sokat kérdezek :)

De:

- nekem is megvan a saját szakmám, így pontosan tudom hogy a szakirodalom, az iskolák, a rá fordított sok100-1000 óra kb. 99%-a volt átlagember számára fölösleges, a gyakorlatban használhatatlan tudományos háttérinfó. A tananyagot olyanok találják ki, akiknek az az adott tárgy az életük, azzal kelnek-fekszenek. Nem hülyék, nem is rosszindulatúak, egyszerűen csak ez a természetes közegük, nem "látnak ki" belőle olyan módon, hogy az átlagos felhasználóval kommunikálni tudjanak. És sajnos az ország érdekei is mások mint az egyszeri ember érdekei és nyilván az oktatás nem az átlagember érdekeit fogja nézni. Én a mérnökképzésről tudok nyilatkozni: hát ott minden van csak az nem amire egy mérnöknek valóban szüksége van. Integráltunk jobbra-balra, gyakorlati értelme meg semmi (mivel nem fizikusnak, matematikusnak vagy kémikusnak jelentkeztünk, meglepő módon...). Ez csak arra jó, hogy a fiatal mérnök elmenjen valami multihoz és ott beleássa magát valami egészen elvont, csak annak a cégnek hasznos kutatásba. Otthon meg pl. egy fűtést nem tud megcsinálni, mert általános, mindenkinek hasznos ismeret az 0...

- a lelkiismeretem azért is tiszta, mert olvasom így is folyamatosan a szakirodalmakat, jelentős részét eddig is tudtam (érintőleg még foglalkoztam is megújuló energiaforrásokkal) csak az a néhány apró finomság hiányzik, ami miatt már sajnálok ilyen sok időt ezzel foglalkozni építkezés, gyerekvállalás, rokkant szülőknek való segítés meg minden egyéb mellett... Még arra is gondoltam, inkább fizetek valakinek, hogy a 80% kész fűtésrendszert csak fejezze be, 1 ember elég, segédmunkásnak ott vagyok én (a pincében kellene csak összekötni, minden alkatrész megvan, padlófűtés letekerve, osztóba kötve, annak a fő csövei is levezetve a pincébe)... Nem sok, olyan 10-12 "szaki" szédített eddig... Vagy olyan árat mondtak, ami 0-ról a komplett fűtés-kiépítéshez is pofátlanul drága lenne, vagy eleve el se vállalta az illető ("Lacikám, te itt már megcsináltad a nehezét, amiért én nagyot tudtam volna kaszálni, inkább ne kelljen jönnöm"). A másik véglet meg a nálam fiatalabb kis próbálkozók, akik tőlem hallották először pl. az ESBE szót :(

Ezért légyszi ne nehezteljetek rám ha csak 1-2 ilyen apró részletbe belekérdezek, lassan összeáll már a kép a fejemben, csak hónapok kérdése :)

 

Előzmény: Kapocska (34143)
nagykunsági Creative Commons License 2018.12.09 0 0 34161

Mivel majd hatszor annyi víz lesz benne, , igen kell nagyobb tágulási. De nem kell cserélni, csak tenni kell még mellé. 

Előzmény: lecskov007 (34157)
Kapocska Creative Commons License 2018.12.09 0 0 34160

Én sem találtam,de mivel Ők  a gyártók meg is kérdezhetnéd őket,hogy van e egyáltalán.

Előzmény: lecskov007 (34159)
lecskov007 Creative Commons License 2018.12.09 0 0 34159

A PTE 1000 nincs benne a listában.

Előzmény: Kapocska (34158)
Kapocska Creative Commons License 2018.12.09 0 0 34158
Előzmény: lecskov007 (34157)
lecskov007 Creative Commons License 2018.12.09 0 0 34157

Sziasztok. 

Szeretném a jelenlegi fűtésem kiegészíteni egy pufferrel. Jelenleg úgy néz ki a rendszer hogy van egy cca 35kw vegyestüzelésú kazánom utána egy szivattyú ami nyomja a hidrováltóba a vizet, hidrováltó után egy másik szivattyú ami nyomja a padlófűtéscsövekbe a vizet. 50 literes tágulásim van, ha a rendszerbe berakok egy 850 literes puffer elég lesz a tágulási vagy nagyobbra kellene cserélni a rendszerben most olyan 150 liter víz lehet? Illeteve esetlen van valakinek KOLOTECH PTE 1000 850l pufferje? A mértei érdekelnének mert sehol sem találom.

Kapocska Creative Commons License 2018.12.09 0 0 34156

Ezt csak a jövőhéten tudnám,addig várnod kell! :-)

Előzmény: negativ0001 (34155)
negativ0001 Creative Commons License 2018.12.09 0 0 34155

Probald meg, igy vasarnap masodnaposan..... :)))))))))))))

Előzmény: Kapocska (34154)
Kapocska Creative Commons License 2018.12.09 0 0 34154

Az látszik,hogy nem én rajzoltam (ESBE rajzolta) erre megkérdezed,hogy úgy kell e

mint a rajzon van.

Akkor most adj tanácsot,hogy erre mit mondjak!

Előzmény: negativ0001 (34153)
negativ0001 Creative Commons License 2018.12.09 0 0 34153

Tehat ennyi kellene legyen ahogy az abran van?? Es azt a magasitast is be kell iktatani? De a lakaskori szivattyu utan van egy rugos vcs, az nem allitja le a,..... ok ok nem. Akkor az egessz lakaskori szereleket alabb rakom fel meterrel s ugy ok lesz.

Előzmény: Kapocska (34152)
Kapocska Creative Commons License 2018.12.09 0 0 34152

De hát ez a rajzból nem derül ki!

 

"A tavolsag kb 35 centi."

Előzmény: negativ0001 (34151)
negativ0001 Creative Commons License 2018.12.09 0 0 34151

De hat ez nem kezi, teljesen "automatikus". A szelepekben patron van az egyikben 61 fokos a masikban 45.

A szivattyut fustgaz termosztat vezerli. A futest, pedig szobatermosztat ha van a tartalyban 35 fokos viz.

 

Igen, pont olyan van nekem VTA322 1.6 1"

 

A tavolsag kb 35 centi.

Előzmény: Kapocska (34150)
Kapocska Creative Commons License 2018.12.09 0 0 34150

Nem tudom miért lehet jobb egy folyamatos kézi szabályozás

egy „automatikustól”? (most már mind1 Te dolgozol vele nem én :-)  )

VTA322                30-70°C     1.6 kvs   G 1"

Szerintem egy ilyen kellene neked, mert  800l/h forgalomnál 2.5mH2O

a nyomásesése.

"VTA tavolsag??? Mitol?"      hát a meleg/forró pufitól

Előzmény: negativ0001 (34149)
negativ0001 Creative Commons License 2018.12.09 0 0 34149

Szia!

Nem akartam sporolni az ESBE szelepen, hanem nem is jutott eszembe azt alkalmazni, valamiert szimpibb volt ez a kettes szelep, mert azt olvastam arrol, hogy kis teljesitmenyu kazannal elonyosebb. 24.000 HUFba kerult a ketto. Valami finn mara Veltex, velvex ??

Bizti szelepek vannak ez mar egyletezo futesrendszer csak at kell alakitani/bekotni a puffert.

Most a lakaskor szivattyuja egy 25-60 as BAsic legkisebb fordulaton is gyorsan eljut mindenfele a meleg, mert a pinceben van minden es pompa nelkul is mukodne, csak lassan.

Most 60 foknal jobban nem nyomom fel a vizet, igy hat majd a VTA322-est 55 fokra fogom allitani.

VTA tavolsag??? Mitol?

Koszi.

 

Előzmény: Kapocska (34148)
Kapocska Creative Commons License 2018.12.09 0 0 34148

Na,önvédelemből!

Lehet,hogy szóban beszéltünk valamiről ,de ezt az olasz ipart fellendítő

megoldást nem gondolom,hogy kitárgyaltuk.

Szerintem a kazánkör 80%-át kiradírozhatod a terven.

Ha egy ESBE VTC  szelepet akartál kispórolni akkor az nem hiszem,hogy sikerült

mert az a szelepcsoport lehet  többe kerül , úgy,hogy még felügyeletet is igényel .

Ha rétegtöltést szerettél volna (csapkezelésekkel 1 lehetőséget teremt így,de arányait nézve

ez csak nyáron jó a HMV készítésre), akkor azokat a szelepeket  a pufit rétegekre

elosztva a szívóágra kellett volna tenni.

Nem látni egyetlen biztiszelepet és mérést sem.

A lakáskör szivattyúja?

VTA szelep milyen hőmérsékleti skálán mozog? és milyen előremenővel lehet kifűteni a házat?

VTA távolságot nem tudni,de az ilyen esetben (arányaiban) hőcsapda kellene ,korábban írtam.

(a teljesség igénye nélkül)

Előzmény: negativ0001 (34146)
negativ0001 Creative Commons License 2018.12.08 0 0 34147

negativ0001 Creative Commons License 2018.12.08 0 0 34146

Veglegesitettem a tervem, igaz Kapocska tett mar egy ket eszrevetelt, amit koszonok is neki, mert kijavitottam, de lehet, hogy meg mindig van mit csiszolni.

negativ0001 Creative Commons License 2018.12.08 0 0 34145

Szerintetek az ESBE VTA322es eleg keveroszelepnek pufferbol? Ketto darab 1.3m, es 5db 1meteres  futotestre kell keverjen.

Norisz1 Creative Commons License 2018.12.08 0 0 34144

Szegény komának letöröd a lelkesedését..

Előzmény: Kapocska (34143)
Kapocska Creative Commons License 2018.12.08 0 0 34143

Kérdezzél már még kettőt ,mert a 350. oldalnál járok

és 400 oldalra van tervezve !

A neten nehogy nézz valami ide illő szakirodalmat,mert

akkor kárba megy az egész munkám!

Előzmény: Sw201inger (34142)
Sw201inger Creative Commons License 2018.12.08 0 0 34142

Sziasztok!

 

Olvasom itt a légtelenítős-levegő visszaszívós hozzászólásokat, nekem ez eddig eszembe se jutott hogy megtörténhet (kezdő vagyok), de esetleg nem védhető ez ki egy pici visszacsapó szeleppel a légtelenítő alatt? Ami mondjuk +0,2 +0,3 bar-on már nyitna, tehát legkésőbb a szivattyú leállításakor kilégtelenítene, amikor a fűtésrendszer pince fölötti részében levő víz súlya ad egy kis túlnyomást a pincében lévő csövekbe.

 

Más:

- Tud valaki olyan zárt tágulási tartályt, ami esetleg szétszerelhető, cserélhető benne a membrán? Alakra, méretre olyan kellene, mint a kombikazánoké, nagy kerek, minél laposabb, és azért megvan 12-15 liter.

 

- vennék egy újabb vegyes vagy fagáz kazánt a régi orosz 25 kW-os helyett. Én csak annyit tudok, hogy jóóóó nagy ajtaja legyen - ezen kívül miről lehet még megállapítani, hogy jó vétel-e egy keveset használt kazán? Mit kell nézni vásárláskor? Mik az igazán jó (Mercedes-szintű) márkák kazánoknál? Pl. Atmos, Viadrus?

 

- kézi beálítású ferde szelep kellhet-e bárhova egy családi ház fűtésébe? Ha igen, hova és mi alapján kell méretet választani?

 

- kazán visszahűtőnél mik a beépítés konkrétabb feltételei: a kazán tetejétől milyen messze lehet (rögtön a kazán után, vagy megvan hogy melyik rendszerelemek előtt/mögött van a helye?), mi a minimum csőátmérő (mert gondolom áramszünet esetén is kell hogy legyen elegendő térfogatárama), hogy szokták a túlfolyót elvezetni (gondolom rézcső, van-e minimum távolság mielőtt becsatlakozik a pvc-csőbe)?

 

- A másik dolog, ami elviekben szintén egyszerű, mégis felvet pár kérdést, az a 2,5 bar-os biztonsági szelep:

* betehető-e több darab is, akár egy adott helyen egymás mellé 2? (adtak egy szatyorral, azért számolok vele ilyen nagyvonalúan) :D

* betehető-e egy adott rendszerbe, akár egymás mellé egy termikus elfolyóval?

* miből számolható ki az, hogy a rendszerbe 1/2"-os, vagy mondjuk 3/4"-os kell (akármelyik biztonsági cuccból)?

* Az a jelenség, hogy a kinyíló biztonsági szelep közvetlen közelében, nyomásesés hatására gőzzé váló és így befelé is táguló közeg durrantja szét a rendszert, az hogyan is kerülhető el? Pl. a 97 fokos, mondjuk 2,5 bar nyomású víz ha egyszer csak rést talál magának, ott pusztán a nyomás elvesztése miatt még nem kezd forrni, tehát mindegy milyen nyomáson csak végig 100 fok alatt maradjunk?

 

Köszi: Laci

nagykunsági Creative Commons License 2018.12.07 0 0 34141

http://forum.index.hu/Article/viewArticle?a=149789386&t=9173884

 

Ha jól tudom, neked ez van.

 

Valóban nagyon leszűkíti a keresztmetszetet, biztos a szivattyú is erőlködik.

 

Én biztos nem tennék be ilyet, kazánkörbe. 

Előzmény: Norisz1 (34131)
nagykunsági Creative Commons License 2018.12.07 0 0 34140

Ne keseredj el, de a kazán folyamatosan termeli a levegőt. Helyi források vannak, és azok egy része nem fog kondenzálódni, hanem a puffer tetején megül a levegő. 

 

Én naponta engedem el. Már megszoktam. 

Előzmény: bnorci71 (34116)
Kapocska Creative Commons License 2018.12.07 0 0 34139

Na, mondok én neked valamit!

Legtöbb aut .légtelenítő úgy működik,hogy van egy kis tartály amiben van egy úszó

(a csukázótól kisebb) és amikor fel van töltve a rendszer ebbe a tartályban is van

víz (pár milliliter) és mivel az úszó fajsúlya kisebb mint a vízé az úszó megemelkedik és zár egy szelepet ami a külvilágot összeköti ezzel a térrel.

Namost,ha ez a kis tér leürül mert nincs pufferja (röviden rákötve a csőre) akkor az úszó

lesüllyed és mivel össze van kötve egy kilincsművel az úszó és a szelep nyit a külvilágra.

Ilyen lehet nyomás alatti rendszernél is ahol a szívóhatás hat rá (nincs pufija) és leürül

egy pár pillanatra (kicsi „vákuum” az eltűnt víz miatt,de ugye vákuumban is hat a gravitáció)

És még ki nem egyenlítődik a rendszer akár levegő is mehet a vízáramba.

Nagyobb erre a valószínűség,ha a tágulási a nyomóágon van ,mert ide tud nyomni a szivattyú,de

az utánpótlás a szívóágon idő és ellenállásfüggő.

Előzmény: Norisz1 (34138)
Norisz1 Creative Commons License 2018.12.07 0 0 34138

Ja aha

Jólvan na asztalos tudod..

Előzmény: Kapocska (34137)
Kapocska Creative Commons License 2018.12.07 0 0 34137

Nyitott rendszer és a szivattyú szívóágban?

Előzmény: Norisz1 (34134)
Kapocska Creative Commons License 2018.12.07 0 0 34136

500liter 30 fokos vizet 50 fokra felmelegíteni kell 11.6kWh energia

durván 2óra fűtés.

De,ha csak 300 litert fűtöl a fenti szerint az 6,9-7 kWh mennyiséget igényel.

Ebben az esetben v. a másikban is betetethetnél  egy-egy diódát és a fűtőbetét

kevesebb áramot kapna az üzemitől így örök élet + 1nap (lehet átkapcsoló automatikával is kombinálni az véghőmérséklet előtt).

Előzmény: levytee (34118)
Törölt nick Creative Commons License 2018.12.07 0 0 34135

Ez nem a légtelenítő hibája, ez egyszerű fizika: ha alacsonyabb a nyomás a rendszerben, mint a légköri, akkor be fogja szívni a levegőt.

Előzmény: Norisz1 (34134)
Norisz1 Creative Commons License 2018.12.07 0 0 34134

Nekem van bent a rendszeremben 4db automata légtelenítő és mind el van zárva mivel 3db befelé engedi a rendszerbe a levegőt és nem ki..😁

Kellett hozzá két nap mire rájöttem, hogy a légtelenítő a szar.

Egyszerűen nem tudtam rájönni mi a baj és a tiszta új légtelenítőre nem gondoltam, hogy beengedi a levegőt a rendszerbe. Hallottam hogy sziszeg de azt hittem kifelé..😁 Aztán végső ötletnek odatettem a szuszogóhoz egy öngyújtót és beszippantotta a lángot a szemét.🤣

Előzmény: bnorci71 (34128)
Kapocska Creative Commons License 2018.12.07 0 0 34133

Lehet............

De mint ismert nem vagyok tévedhetetlen. :-)

Előzmény: Norisz1 (34131)
Kapocska Creative Commons License 2018.12.07 0 0 34132

Próbáld ki, ne rakj tüzet csak kapcsold be a szivattyút,ha este

le kell öltözni a meleg miatt akkor nyertél! (egy hangszórót)

:-)

Előzmény: Norisz1 (34130)
Norisz1 Creative Commons License 2018.12.07 0 0 34131

Nem arra gondoltam

Te azt mondtad, hogy az a  hollandis golyóscsapos szivattyúcsatlakoztatás nagyon le van szűkítve és lehet kevés lesz az áramlás

Előzmény: Kapocska (34125)
Norisz1 Creative Commons License 2018.12.07 0 0 34130

Betyár de kerge vagy..🤣🤣🤣

Komolyság csak a zárójelben lévő mondatban volt.🤓

Előzmény: Kapocska (34124)
Kapocska Creative Commons License 2018.12.07 0 0 34129

„Ami így végig gondolva logikus is lenne, hisz így van bekötve

 a levegő hülye lenne lefelé jönni 10cm-t”

És erre rásegít a gravitáció ami leküldi a vizet a lakásköri csőből.

Akárhogy is csűrjük csavarjuk a szívóágon 1 lehetőség van a bejutásra8Szerelési stb.hiba nélkül)

 ami nem egy egyszeri dolog,hanem többször előfordult már nálad.

És ezért nem segít az egyszeri légtelenedés/légtelenítés.

Az ESBE B-A-AB ága szívott tehát ők hozzátartoznak a szívott ellenálláshoz.

Zárd ki a légtelenítőt.

A mostani állapot 3-as fok én nem kavi azt úgy gondolom,hogy még nem gyűlt össze

annyi levegő,hogy csinálja,mert azér nem azt kell elképzelni,hogy dől befelé.

Itt egy kép egy Grundfos szivattyúról látható,hogy a légtelenítő nem a nyomott

oldalon van.

A tied belső kialakítása nem ismert.

Előzmény: bnorci71 (34126)
bnorci71 Creative Commons License 2018.12.07 0 0 34128

a rendszer régi gravis rendszer, ott nincs levegő az biztos

Előzmény: PetiCsokvaomány (34127)
PetiCsokvaomány Creative Commons License 2018.12.07 0 0 34127

Az a baj, hogy ma már nem olyan fűtésrendszereket készítünk ami képes magától légtelenedni, nagy csőátmérő, határozott leejtés (1-2%). A szivattyúk, autómata légtelenítők még bekavarnak. 

Pár hete egy régivágású szerelő akarta rámerőltetni, a folyamatos leejtést az áramlási irányoknak megfelelően...50m hosszú csarnokban csináltuk a gerinc szerelését, méterenként 1.5 mm ejtés jött volna ki, de nem akarta elengedni....szerinted az kilégtelenedett volna magától?

Vagy, volt olyan megrendelő aki a mennyezetre rögzíve kérte a rézcső szerelését....

oda, hogy szerelek légtelenítőt? Mégse levegős azóta se....

 

Manapság így légtelenítünk mindenhol, nem muszály szivattyúval, rákötheted a hálózati vizet is. Én mindenhol kiépítem ezt ahol van rá lehetőség, nem is igen szokott légtelenítési problémáink lenni.

Előzmény: bnorci71 (34117)
bnorci71 Creative Commons License 2018.12.07 0 0 34126

igen tudom egyszerre csak 1 dolgon változtatunk :)

 

a szivattyú nyomóoldala rövidebb sokkal mint a szívó kb 20cm és utána ott a kazán majd a 2"kivezetés ami után 1" a pufi felé és 1" az esbe felé az 1" esbe mindét oldala 1" cső a puffer felöli is, szóval én itt meg nem mondom melyik oldal ellenállása nagyobb ezért nem is tudom ha mondjuk a cső kicsi akkor az Esbe meleg ágát cseréljem vagy a puffer felőli hideget, lehet majd azt is kipróbálom az esbe szivattyú közötti szakaszt kicserélem 5/4"-ra

 

ami még érdekes nem mindig csinálja, most is 3fokozaton megy a szivattyú és nem csinálja

 

ami még nem fér a fejembe ha a szivattyú levegőt szív be és az a puferba köt ki ami tetején ott a légtelenítő miért nem megy ki? Miért a lakáskör szivattyú indulásakor megy végig a rendszeren.

 

A pufi tetejétől 20-30cm el van lejjebb a csonk ami belül fel van hajtva a puffer tetejébe, ezen a 1m-es darabon nyom a kazánkör a pufiba és ezen szív a lakásköri szivattyú hogy lehet ott levegő? Nekem rejtély? Illetve egy dolgot tudok még elképzelni a T bekötésnél a levegő nem a pufferbe megy hanem a lakáskör felé induló csőbe reked meg. Ami így végig gondolva logikus is lenne, hisz így van bekötve a levegő hülye lenne lefelé jönni 10cm-t

 

szóval ha megvan honnan a levegő akkor a sárga nyílhoz kell egy bubi leválasztó

Előzmény: Kapocska (34120)
Kapocska Creative Commons License 2018.12.07 0 0 34125

Vagy esetleg zárt nyomóágra mondtam,melegítést, forralást.

Előzmény: Kapocska (34124)
Kapocska Creative Commons License 2018.12.07 0 0 34124

Hát valamit biztosan mondtam már neked,de olyat valószínű nem,

hogy egy 100W-os szivattyú (mennyi a tiéd 1kW?) 1200-2000l/h mennyiségnél

(2m3 1.7m/s sebesség  0,55liter/s) érezhetően melegítené a vizet.

Igaz,hogy egy szivattyú nem 100%-os hatásfokú,de a víz gyorsítására használja el

az energia döntő többségét és szinte csak elméleti a vízmelegítő hatása.

Mondjuk ez már egy több MW-os szivattyúnál azért érezhető. :-)

 

(esetleg vékonyabb anyag/jobb hővezető meg ilyesmi lehet az érzéki csalódás mögött)

Előzmény: Norisz1 (34122)
Kapocska Creative Commons License 2018.12.07 0 0 34123

Azt elhiszem ember legyen a talpán aki csak fülre megmondja a szivattyúnál ,

persze kivéve a kirívó eseteket.:-)

De itt főleg levegőről beszél bnorci71 olvtárs és a "kavitáció" nem termel levegőt (jön)

esetleg kiválnak gázok is,de 2év után nem erre gondolnék.

Előzmény: trakisbandi (34121)
Norisz1 Creative Commons License 2018.12.07 0 0 34122

Tegnap nézegettem fogdostam a kazánszivattyúmat és úgy éreztem rajta, hogy melegebb mint a víz ami átfolyik rajt..

Lehet, hogy a 2db csapos hollandis 1" csatlakozás túlságosan leszűkíti és kínlódik?

 

Tudom Kapocska te mondtál nekem már akkor valami ilyesmit..😁

trakisbandi Creative Commons License 2018.12.07 0 0 34121

"A kavitáció általában egy helyi kiforrás és nem levegő."

Avatatlan fül nehezen különbözteti meg a két jelenséget.

Előzmény: Kapocska (34120)
Kapocska Creative Commons License 2018.12.07 0 0 34120

"akkor kizárom azt a légtelenítőt, próbából, aztán emelek nyomást."

Egyszerre csak 1 beavatkozást!

A kavitáció általában egy helyi kiforrás és nem levegő.

Ha a kavitáció helyétől nagyobb nyomású térbe ér a gőz akkor kondenzálódik

és ezáltal rombol,jellemzően a lapátkereket,járókereket.

Lehet,hogy a szivattyú sem tudja magát kielégíteni mert a hozzáfolyás(szívóág)

nagyobb ellenállású mint a nyomó. (elméleti lehetőség,tegnap néztem és ha jól rémlik 3m3/h-nál

a szívó rész ellenállása 3.8m ,míg a nyomó jóval kisebb lehet)

Norisz1 olvtárs hasonlatát felhasználva:

ha egy kerti szivattyú nyomóága 1" és a szívóágra 1/2 "-os  v. 3/4 2-os  v. 1" v. 5/4" slagot teszünk

akkor melyiknél nem elégíti ki magát a szivattyú?

 

Előzmény: bnorci71 (34116)
trakisbandi Creative Commons License 2018.12.07 0 0 34119

Az én rendszerem nyitott a szögletes pufim végett, tehát sokkal több bubim van.

Először egy "T" -n keresztül töltöttem a pufit, nagyon zajos volt a szivattyú.

Aztán csináltam buborékleválasztót , azóta csend van.

 

A pufi felé így is eljut néhány.

 

Előzmény: bnorci71 (34117)
levytee Creative Commons License 2018.12.07 0 0 34118

köszönöm, megmutattam a villanyszerelőnek. Vágta a témát . :)

 

Még annyit, hogy abba az 500 literes szigetelt pufferbe mekkora fűtőbetét kellene? Olyan 40-50 fok körül szeretném ezt tartani. Lehet az a 6kW sok lenne?

Előzmény: Kapocska (34104)
bnorci71 Creative Commons License 2018.12.07 0 0 34117

bubi leválasztó ugyan nincs, légtelenítő viszont van a kapu tetején a kazán előremenő direkt 2"-al felmegy a plafonig és ott is a puffer legtetején, a lakásba is vagy 10db szóval annaka bubinak azért lenne hol kijönni így 2 hónap fűtés után

 

de ezt is kipróbálom majd azért

Előzmény: trakisbandi (34115)
bnorci71 Creative Commons License 2018.12.07 0 0 34116

akkor kizárom azt a légtelenítőt, próbából, aztán emelek nyomást.

A légtelenítőn beszívni adná magát egyébként. Fülre ugyan nehéz megállapítani mennyi a bent lévő levegő, de kavitációból soknak tűnne és annak ha jól gondolom folyamatosnak is kellene leni, illetve azt írod az utána kondenzálódik tehát a kazánon se lenne szabad túljutni.

A hang is olyan mintha szívna a szivattyú, de nincs hozzáfolyás elég, majd amikor lecsökken a nyomás és beszív egy adag levegőt akkor hallani a bugyborékolást, aztán megint csend, lehet egy nyomásmérőt kellene a légtelenítő helyére tenni.

 

 

negativ001

 

hogy ne essek hasra a kazánház közepén a földön keresztbe menő csőbe, mivel a puffer és a kazán a pince 2 oldalán van

 

Előzmény: Kapocska (34111)
trakisbandi Creative Commons License 2018.12.07 0 0 34115

"valahol nekem is van egy szűk keresztmetszet, mert 3-as fokozaton a Halm szivattyú kavitál "

 

Nem biztos hogy kavitál, joevagyok68 is panaszkodott hasonló jelenségre.

Aztán ha jól emlékszem megemelte a kazán hátulját 1-2 centit és eltűnt a buborékos hang.

 

Az vízszintes felületen összegyűlt buborékokat a megnövekedett áramlási sebesség elhordja, buborékleválasztó nincs akkor visszakerül a körforgásba, (de ez csak egy lehetőség).

 

 

 

 

Előzmény: bnorci71 (34105)
negativ0001 Creative Commons License 2018.12.07 0 0 34114

Az meg mi ? :)))

Előzmény: Kapocska (34113)
Kapocska Creative Commons License 2018.12.07 0 0 34113

Botlásveszély elkerülése?

Előzmény: negativ0001 (34112)
negativ0001 Creative Commons License 2018.12.07 0 0 34112

Mi a kapu szerepe? 

Előzmény: bnorci71 (34110)
Kapocska Creative Commons License 2018.12.07 0 0 34111

„a kapu tetején szív be levegőt az automatán már ez is megfordult a fejembe”

2017-12-10 09:41:02

mire gondolsz? a kunkor sarkába egy légtelenítő van

Na ,nemsokára jubilelebeum lesz ! :-)

Ha levegő kerül a rendszerbe ,mondjuk csak 3-as fokozaton akkor az nem a vascsöveken diffundál be.

„szerencsére a kivitelezés ingyen van,”  ezért mindenképpen azt a légtelenítőt

kizárhatóvá kéne tenni.

Nem csak a szivattyú hat rá ,hanem hat rá egy ejektor hatás is (de számolni nehéz volna

a kettős hatást nekem) ezért az első lépés lenne a kizárhatóság megteremtése.

Próbálkozhatnál nyomás emeléssel is ,de az korlátos.

Kavitációnál nem keletkezik levegő és a "gőz" a szívócsonk után a magasabb nyomású térben kondenzálódik.

 

Előzmény: bnorci71 (34110)
bnorci71 Creative Commons License 2018.12.06 0 0 34110

zárt rendszer

1,4Bar az induló nyomás, szivattyú a kazáncsonkkal van egy szinten ahol alul oldalt megy a cső csak a szivattyú a kazán mögé került

 

lehet nem kavitál hanem a kapu tetején szív be levegőt az automatán már ez is megfordult a fejembe

ami érdekes még, hogy hiába van a kazánból kijövő 2" tetején is légtelenítő illetve a pufi tetején is bent marad a rendszerbe, amikor a lakáskör elindul akkor hallani, hogy az szívja nyomja ki a lakáskörbe pedig a pufferen T idom van

 

igazándiból olyan bugyborékoló hangja van 30-40mpenként amikor 3-ason megy a szivattyú, olyasmi mintha nem lenne hozzáfolyás majd egyszer csak jön víz és olyankor bugyborékol

 

Kapocska

 

~6-7m

 

ez a megvalósult rendszer

Előzmény: PetiCsokvaomány (34106)
Kapocska Creative Commons License 2018.12.06 0 0 34109

"A Q hő (hőmennyiség, hőközlés, közölt hő)"

https://www.netfizika.hu/ho-homennyiseg-hoenergia-homerseklet-hotartalom

A hatásfokot tudod számolni egyszerűbben   hasznosított : bevitt X100

Előzmény: negativ0001 (34108)
negativ0001 Creative Commons License 2018.12.06 0 0 34108

Szia Kapocska!

Hogyan tudtad kiszamolni? Van valami kepleted? Megosztanad, ha kerlek?

Koszi.

Előzmény: Kapocska (34091)
Kapocska Creative Commons License 2018.12.06 0 0 34107

Hány méter 1" cső van a szívóágon összesen?

Előzmény: bnorci71 (34105)
PetiCsokvaomány Creative Commons License 2018.12.06 0 0 34106

A kapu nem lehet a kavitáció okozója, a csövek keresztmetszete sem. Nem látom a képből, hogy nyitott vagy zárt rendszer, ha nyitott, le kell tenni minnél lejjebb a szivattyút, hogy legyen hozzáfolyási nyomás a szívóoldalon, ha zárt, növelni kell a rendszernyomást, rögtön eltünik a kavitáció....ha tényleg kavitáció. Az a szivattyú amelyik kavitál nagyon melegszik, még ha visszahűti valamennyire a szállított közeg, akkor is érezhetően melegebb mint a fűtéscső.

Előzmény: bnorci71 (34105)
bnorci71 Creative Commons License 2018.12.06 0 0 34105

látod utána számoltál és magad szolgáltatod a mérnök úr ellen a bizonyítékot, hisz a rendszer nem csak a szivattyúból és a szelepből áll a kazánnak is van ellenállása a csöveknek idomoknak stb és máris kicsi az a szelep

és ugye nem az a cél hogy a csúcs munkapontján járassunk egy szivattyút

 

 

 

ha már ennyire belemerültünk, valahol nekem is van egy szűk keresztmetszet, mert 3-as fokozaton a Halm szivattyú kavitál :(

 

a szivattyú a kazán csonkja előtt van 1"-al bekötve előtte a VTC511 1" 1" meleg betáp a kazán 2" kilépőből, a hideg ág a pufi aljából szintén 1" viszont ebbe van egy kb 2m-es szintkülönbség ergo a szivattyúnak a saját magasságától még fel kel szívni a vizet 2m-er magasra mielőtt újra lejön

A kapu lehet a baj vagy a cső keresztmetszet?

Előzmény: PetiCsokvaomány (34100)
Kapocska Creative Commons License 2018.12.06 0 0 34104

Ha 3fázisról használod a betétet akkor 3fázisú feszfigyelőt kellene betenni,mert,ha 1 fázis kimarad borul a csillagpont

és a 230V helyett magasabb fesz juthat a betét egyes ellenállásaira.

Ha deltába van köve akkor oké.

Előzmény: levytee (34103)
levytee Creative Commons License 2018.12.06 0 0 34103

Köszönöm, sokat segítettél. A keringtetésen elgondolkozom,hogy miként is oldjam meg.

Előzmény: Kapocska (34102)
Kapocska Creative Commons License 2018.12.06 0 0 34102

Minél lejjebb teszed, annál több vizet tudsz fölmelegíteni.

Ha kiépítesz egy keringetőt v. felhasználod a kazán szivattyúját keringetésre még jobb,

mert  erősen lecsökken a helyi kiforrás(vízkő , „kavitáció”,fűtőtest élettartam) veszélye.

A vezérlés variációi "végtelenek".

Előzmény: levytee (34099)
PetiCsokvaomány Creative Commons License 2018.12.06 0 0 34101

A kétkedőkenk: ezt az összefüggést használtam, a delta p bar-ban , a térfogatáram oda van írva. Beleírod a térfogatáromt, a kvs-t majd kiszámolod mennyire jön ki a delta p.

Minden szelepjeleggörbe egy ábrázolt függvény aminek ez a megoldása. 

Előzmény: PetiCsokvaomány (34100)
PetiCsokvaomány Creative Commons License 2018.12.06 0 2 34100

Kicsit én is számolgattam....a számok alapján a terveződnek van igaza, Ha!!! minden adat amit megadtál megfelel a valóságnak.

Az a szelep 1,71 m3/óránál (ez 40kw 20 fok hőmérsékletkülönbségnél) 0.2855 bar ellenállást kell hogy produkáljon, ezt kéne legyőznie a szivattyúnak amire a 25-60-sa alpha2 max fordulaton képes. Viszont ez a munkapont a szivattyú "vége" tehát nem tud többet, nem lehet plusz ellenállás a rendszerbe, nem lehet visszacsapó, 2" alatti csövek, elkoszolódott szűrő, stb.

Nyílván a csöveknek is van ellenállasuk, ezért működik most a puffertöltésed 30 fok delta T vel.

Majd írd meg azért mi lett a sztori vége.

Előzmény: bumerang10 (34076)
levytee Creative Commons License 2018.12.06 0 0 34099

Igen az egészet tervezem felfűteni. 

 

aki a betétet árulja az egy tokozott iker termosztát ajánlott mellé. Lehet akkor az lesz.

 

Ami egybe építettel csak amit leírtam "baj" van, ami inkább aggályként áll fent. Illetve az 52e. Ha külön külön veszem akkor 30e max ha kell még egy mágneskapcsoló akkor se több 35e.

 

 

A betétet  hol érdemes elhelyezni a tartályba? Alsó harmad, vagy inkább fentebb. 

 

Előzmény: Kapocska (34085)
Kapocska Creative Commons License 2018.12.06 0 0 34098

Itt a lényeg "másik kazán" !

Almát az almával körtét a körtével lehet összehasonlítani.

Előzmény: Norisz1 (34097)
Norisz1 Creative Commons License 2018.12.06 0 0 34097

A másik kazán (gyári) ugyanezzel a géppel fűtve mikor lekapcsoltam a villanyt a pincében akkor láttam hogy pirosan izzik a kéménycső..😁

Előzmény: Kapocska (34096)
Kapocska Creative Commons License 2018.12.06 0 0 34096

Nincs a körben olyan vized amivel hűteni tudnád,és amúgy sem

kondenzációs kazán.

Előzmény: Norisz1 (34092)
nagykunsági Creative Commons License 2018.12.05 0 0 34095

85%-os hatásfoknál leszarom mennyi a füstgáz hőmérséklete. 

Előzmény: Norisz1 (34092)
Norisz1 Creative Commons License 2018.12.05 0 0 34094

A fejemben ja.😁

Soha nem rajzolok le semmit sem 

Előzmény: Kapocska (34093)
Kapocska Creative Commons License 2018.12.05 0 0 34093

"tervnélküli kazánom?"

 

Mi van?

Az UFO-k vezették a kezed?

A fejedben csak megvolt nem? :-)

Jó lett, szupi !

Előzmény: Norisz1 (34092)
Norisz1 Creative Commons License 2018.12.05 0 0 34092

Akkor jó lett a tervnélküli kazánom?

Az égőfejnek a 1/3 része előtt már elég a forgács, tehát még van benne tartalék, de már nem bántom..

A kéménycsövet meg tudom érinteni kézzel tehát a füstgáz sem lehet sok. Veszek majd hozzá egy hőmérőt..

Előzmény: Kapocska (34091)
Kapocska Creative Commons License 2018.12.05 0 0 34091

84.6% hatásfok.

49.5kW átlag teljesítmény.

 

Jójez,csak nem összehasonlítható egy "hagyományos" vegyestüzelésű kazánnal.

Előzmény: Norisz1 (34090)
Norisz1 Creative Commons License 2018.12.05 0 0 34090

Mindehhez 28kg faforgács kellett

Előzmény: Norisz1 (34089)
Norisz1 Creative Commons License 2018.12.05 0 0 34089

Pontosan 20 óra 54kor megfordult a víz a pufiban!

Pufi teteje 73C alja pedig 73C pontosan egyforma.

Előzmény: Norisz1 (34088)
Norisz1 Creative Commons License 2018.12.05 0 0 34088

Fűtőanyag légszáraz lucfenyő gyaluforgács. (Ez lemaradt még)jelenlegi kazánhőmérséklet

Előzmény: Norisz1 (34087)
Norisz1 Creative Commons License 2018.12.05 0 0 34087

szivattyúm.

Ja és a Vtc 511 50C-os

Előzmény: Norisz1 (34086)
Norisz1 Creative Commons License 2018.12.05 0 0 34086

Stopper indul..😁

18 óra 57kor gyújtottam be puffer teteje 40C alja 32C

Puffer térfogat pontosan 2300l

Kazán pufi között 5/4" a csövezés 5/4" Vtc 511 van beépítve..

Remélem elég lesz az adat a kazán Kw számoláshoz?

Addig a fűtést leállítom a radiátorok felé. (asszony meg fog fagyni) 🤣

Akkor állítom csak meg mikor a visszatérő már melegebb lesz mint 50C akkor biztos tele a pufi

A pontos pufi hőfokot és időt később

Köszi a számolást..😉

Előzmény: Kapocska (34074)
Kapocska Creative Commons License 2018.12.05 0 0 34085

Annyi pénzért keveset tud az a kazán vezérlő.

Még szerencse,hogy lehet kapni azokat a betéteket! :-)

Az egészet fűtenéd?

 

Előzmény: levytee (34083)
nagykunsági Creative Commons License 2018.12.05 0 0 34084

Az miért nem jó ami gyárilag rajta van?

Előzmény: levytee (34083)
levytee Creative Commons License 2018.12.05 0 0 34083

Urak!

 

A meglévő pufferemet, alternatívan szeretném (ha marad termelt áramom) elektromos fűtőpatronnal is felfűteni. Amit eddig kinéztem az csak maga a patron, de nem tartalmaz integrált termosztátot. 

 

Javasolnátok valami jó, praktikus vezérlést, szabályzást. Én egyszerűben gondolkodom pl. alsó bekapcsolási értékre és felső kikapcsolási értékre állítás kielégítene :). 

 

Eddig ezen gondolkodtam , de lehet lenne egyszerűbb:

1, séma:

vezérlés (2.üzem):https://futestuning.hu/tech-szivattyu-vezerlok/futes-szivattyu-vezerlo-tech-hu-21r 

a fűtőpatron

egy mágneskapcsoló DIL-052

 

2, séma de ez drágább és nagyon egyben van, kvázi ha a termosztát behányna,lehet komplett cserés lehet):

http://www.akciosgazkazan.hu/termek.php?product=60660400gentech-elektrometejkmaxiharomfazisufutobetet6kw400v64

 

vagy 

 

http://www.akciosgazkazan.hu/termek.php?product=conceptconmb6000owrg400-64mb6000owrg400velektromosfutobetet64400v6kw

 

A puffer nem nagy: 500 literes Hajdú (AQ PT500)

 

 

 

 

Kapocska Creative Commons License 2018.12.05 0 0 34082

A gyakorlat bizonyította,hogy a vásárolt szivattyúddal nem működik.

Lehetne vásároltatni veled több tízezerért másik szivattyút

meg egy bizonytalan  és tapasztalat nélküli szelepet .

A Grundfos UPS 25-60-as szivattyú  2m-en tud 2500litert szállítani.

Valljuk be,hogy a hamisított ettől elmarad.

Ha azt vesszük,hogy az 1” csőben  3m-es hosszban 2400l forgalom esetén

0,76m vízoszlopnak felel meg az ellenállás  és nem számoltam szerelvényekkel iránytöréssel.

2.76 m-en 2200-at sem tud az eredeti szivattyú,ha ehhez még adunk szelep kvs értéket

akkor mennyi lesz?

2200-as forgalommal 15 fokos dT-vel csak 38kW-ot tudsz elszállítani,kevesebbel nem.

A tiszta elméleti rész amit Ő a számításainál figyelembe vett az azt mondaná,hogy

túl nagy a kvs érték ,de itt nem egy állandó paraméterű dologról van szó aminek a kimenetét

 állandó értéken kell tartani (nem az 55fokról beszélek).

Mert,ha erről beszélnénk akkor az volna a teória,hogy a rendszerelemekhez képest egy meghatározott ,

nagyobb ellenállású szelep kell (autoritás) a szabályozáshoz.

Itt a pufi alja ,ha eléri az 55fok környékét már szinte semmilyen ellenállásra nem volna szükség!!!

Megértelek én,hogy ennyi szagember hatására mégiscsak  neked kell dönteni (sajnos).

Előzmény: bumerang10 (34076)
kormos* Creative Commons License 2018.12.05 0 0 34081

"A nagyobbra, a 9 kvs-os értékű 511-esre viszont az jött neki ki, hogy az túlságosan nagy! Valahogy úgy mondta "olyan mint ha bent sem lenne" mert túl kevés ellenállással fogja átengedni a hideg vizet."

 

Látott a terveződ, már közelről kazán-puffer párost???? Mi az hogy túl kevés ellenállással fogja átengedni a vizet, ez vicc akar lenni. Nálam a 25kw-os a kazán, 1000 liter a puffer. VTC 511 (65 C) a kazánvédő. 

22mm a rézcső, elég hosszúk, kb. 10 méterre van a puffer. 

25-60 grundfos, kéri a maximális fordulatot, de nyitott kazán ajtónál is elviszi a hőt. Persze a kazán felmegy 85-90 fokra is, de kit érdekel van biztonsági hőcserélő. 

A lényeg a VTC előtt-utána vannak hőmérők és tökéletesen teszi a dolgát. Nyitja -zárja a szakaszokat. 

 

 

 

 

 

 

 

 

 

 

Előzmény: bumerang10 (34076)
bnorci71 Creative Commons License 2018.12.05 0 0 34080

ezt a sokat nem fogom megérteni....

egy Bugatti Veyronnal is lehet 30-al menni

 

majd szépen zárja a hideg ágat a szelep és kész ez a dolga

Előzmény: bumerang10 (34076)
Törölt nick Creative Commons License 2018.12.05 0 0 34079

Itt majdnem mindenkinek vtc511-e van hasonló méretű kazánokkal, és nincs vele gond.

Előzmény: bumerang10 (34076)
tormap Creative Commons License 2018.12.05 0 0 34078

Ne hallgass rá. Az én szelepem kvs 14 és tökéletesen működik.

Előzmény: bumerang10 (34076)
Norisz1 Creative Commons License 2018.12.05 0 0 34077

Ezt nem értem..

Mi az, hogy túl kevés ellenállással engedi át a hideg vizet?

Mindenki meg van már bolondulva? Ott nincs hidegvíz átengedés ez egy keverőszelep ami 55C ra kever és kész!

Ha 10szer ekkorát raksz be akkor is 55C ra fog keverni!

De legalább a szegény szivattyú megkönnyebbülne.

Mi az intenzív fűtés akkor nekik? Mert te csak nyárfával tüzeltél és nem száraz akáccal vagy ne adja isten fekete szénnel!

De tudod mit azt csinálsz amit akarsz már 10szer elmondtuk ugyan azt Esbe 511 kész!

Előzmény: bumerang10 (34076)
bumerang10 Creative Commons License 2018.12.05 -1 0 34076

Puffer felfűtés mai tapasztalatai!

 

Pontosan nem néztem az időd de begyújtás után 40-30-20-as körüli induló hőmérsékletről kb. 2,5 óra alatt fűtöttem fel 70-65-60-as hőmérsékletűre a puffert úgy hogy a radiátorok és a padló nem ment. Puha, de száraz nyárfával fűtöm a kazánt, ami olyan 80 fok körül ment. Hogy ha intenzívebbe pakoltam volna a fát tuti feljebb megy az előremenő víz hőfoka. Arra voltam kíváncsi, hogy ha a ESBE szelep teljesen kinyit, akkor a 60 fokos visszatérő vízből mit csinál a kazán. Hát szépen felkúszott 88-90 fokra a kazán teteje. A puffer tetejét 75-80 fokosra fűtöttem fel, de mivel kicsit megnőtt a rendszernyomás (1,8-ról 2,2-re), ezért nem pakoltam már tovább a kazánt.

Közben felhívtam a gépész tervezőt aki az építkezéshez a terveket készítette, mit szól a mostani 317-es és egy nagyobb 511-es szelephez. Teljesen leírtam neki a rendszert, puffer méret, cső vastagságok, szivattyú típus, stb.

Gyors számolgatás után arra jutott, hogy a 40-es kazán ehhez a 317-es 3,2 kvs értékű szelephez egy kicsit sok. Éppen azon a határon van a szelep teljesítménye amit nem túl intenzív fűtés mellett még le tud venni. A nagyobbra, a 9 kvs-os értékű 511-esre viszont az jött neki ki, hogy az túlságosan nagy! Valahogy úgy mondta "olyan mint ha bent sem lenne" mert túl kevés ellenállással fogja átengedni a hideg vizet. Ő a mostani szelepet látja a 2 közül talán jobbnak, de csak ha ésszel és nem maximumra járatva akarom használni a kazánt. A legjobb lenne valahol a 2 között találni egy szelepet.

Nos ha minden igaz én találtam ilyent.

Regulus TSV3B, amit ugyan úgy mint a 317-es ESBE-t csak 35 kw-ig javasolnak, de a kvs értéke a 3,2 m3/h-val szemben A-AB ágon 6,2 m3/h, B-AB ágon 4,4 m3/h.

Illetve ennek az eggyel nagyobb tesója 70 kw-ig A-AB ágon 7m m3/h, míg B-AB ágon 4,9 Mm3/h.

Kinek mi ezekről a szelepekről a véleménye? Van valakinek beépítve?

kigyokrisz Creative Commons License 2018.12.04 0 0 34075

Totya 28 S

80-80-ig fűtöm a pufit. a parázsról is kikergetem a vizet.

Volt már a felfűtés 2 -2,5 óra is..lehet, hogy éppen szárazabb volt a fa...

 

Ebben a szezonban begyújtás után 70-75 az előremenő 60-as szeleppel.

 

Már elengedtem.

Előzmény: bnorci71 (34064)
Kapocska Creative Commons License 2018.12.04 0 0 34074

A hatásfok is kimagasló volt,ha jól emlékszem.

Előzmény: Norisz1 (34073)
Norisz1 Creative Commons License 2018.12.04 0 0 34073

szerintem ez a lelke a kazánomnak. 16db 50mm belső átmérőjű cső amin keresztül megy a láng + két lángtálca 

Ez a legfelső tisztítóajtó nyílása.

Előzmény: nagykunsági (34071)
Norisz1 Creative Commons License 2018.12.04 0 0 34072

Most csak alapjáraton megy..😁

Előzmény: nagykunsági (34071)
nagykunsági Creative Commons License 2018.12.04 0 0 34071

Kit érdekel a felület?

 

Az számít mennyi a leadott teljesítmény. 

 

Ha valósak az általad megadott adatok, akkor 54Kw jön ki. 

 

 

Előzmény: Norisz1 (34069)
Norisz1 Creative Commons License 2018.12.04 0 0 34070

Szerintem egy kis tuninggal a 80Kw teljesítményt ki tudnám hozni belőle simán, de nem bántom a kis drágát.. 😁

Előzmény: nagykunsági (34068)
Norisz1 Creative Commons License 2018.12.04 0 0 34069

Egyszer már számolgattuk itt a fórumon..😁

Ha lesz egy kis időm lemérek benne minden felületet pontosan ami a lángokkal találkozik aztán aki gondolja kiszámolja..

Mondjuk úgy hogy nem kicsi. 😁

Saját tervezés saját gyártás mondhatni egyedi.

Előzmény: nagykunsági (34068)
nagykunsági Creative Commons License 2018.12.04 0 0 34068

Akkor jó nagy a kazánod. Min, 54Kw-os.

 

Vagy nem stimmelnek a számok amiket leírtál. 

Előzmény: Norisz1 (34067)
Norisz1 Creative Commons License 2018.12.04 0 0 34067

Emlékszem rád, de nem emlékszem milyen kazánod van..

2300l az én pufferem 30C az induló hőmérséklet 70C körülire fűtöm a forgácsos gépemmel maximum 2 óra alatt még ha megy közben a fűtésem is!

Úgy gondolom nálad vannak problémák..

 

Előzmény: kigyokrisz (34059)
bnorci71 Creative Commons License 2018.12.04 0 0 34066

na annyit nem ér a fokozatmentes fordulatszám :))

Előzmény: nagykunsági (34065)
nagykunsági Creative Commons License 2018.12.04 0 0 34065

Csak annyi a különbség, hogy a szabályozható szivattyú fokozatosan szabályozza a fordulatszámot, míg a tied , meg enyém a fokozatokat kapcsolja, ami gyakorlatilag 3 fajta fordulatszámból áll. 

 

Tehát  a szabályozható szivattyú a jobb megoldás, kérdés, ér e annyit, amennyiért adják. Tudtommal a legutolsó ára, mikor néztem 114 ezer volt. 

Előzmény: bnorci71 (34061)
bnorci71 Creative Commons License 2018.12.04 0 0 34064

milyen kazán. mikor kapcsol le stb?

 

a Vigas nekem is 40-50 közé hűl, azért csak van benne 500Kg vas/víz/kerámia és szigetelve is van, na meg marad benne némi 80°C parázs ami még hőt termel

Előzmény: kigyokrisz (34056)
Törölt nick Creative Commons License 2018.12.04 0 0 34063

 

Saját kivitelezés maximalista funkciókért.

Itt is megküzdöttek a beépítéssel.

 

Előzmény: bumerang10 (34053)
bnorci71 Creative Commons License 2018.12.04 0 0 34062

ja bocsánat kellett még hozzá 2 mágneskapcsoló is

de nagykunsági kolléga Rex topicba többször berakta a 3 Rex-es kapcsolást is

Előzmény: bnorci71 (34061)
bnorci71 Creative Commons License 2018.12.04 0 0 34061

egy Rex meg a jelenlegi kapcsolós szivattyú, már ha nem okos szivattyú :)

én tavaly összeraktam szuper

Előzmény: Norisz1 (34043)
kormos* Creative Commons License 2018.12.04 0 0 34060
Előzmény: kormos* (34057)
kigyokrisz Creative Commons License 2018.12.04 0 0 34059

Érdeklődve figyelem Bumerang10 kolléga esetét, csak ezért kotyogtam bele..

 

Kíváncsi vagyok hogy alakul a pufi fűtése, lehet hogy érdemes lenne a lakáskör kizárásával egy teszt fűtést, mennyi idő alatt lesz tele a pufi, meg hány kiló fával sikerül ez.

 

(nekem 511-es 60 fokos VTC-m van, de 4 óra egy 800-as pufi feltöltése), ha közben fűtök is akkor 5 óra.

 

Főállású fűtő vagyok!

Előzmény: kigyokrisz (34056)
kormos* Creative Commons License 2018.12.04 0 0 34058

Egy rugós visszacsapó sorba a szivattyúval és egy lengőnyelves párhuzamosan a szivattyú-Esbe párossal.

Előzmény: Norisz1 (34054)
kormos* Creative Commons License 2018.12.04 0 0 34057

Akkor már legyünk pontosabbak. 

Van több fajta módja a pufferköri szivattyú vezérlésének. 

Nálam például 2 db van. Egy füstcső termoszát és egy a kazánba belógó termosztát.

 

.

 

Előzmény: pajaci (34052)
kigyokrisz Creative Commons License 2018.12.04 0 0 34056

Szia,

 

Én a kazán előremenőt szoktam elzárni fűtés után. Kivettük a rugóst még korábban... Tudom, tudom nem szabadna...csak Én fűtök és nagyon figyelek.

 

Teszteltem így is, úgy is a rendszert, a kazán másnap este ugyan úgy 40 fokra hül csak vissza és nem értem miért?

 

Ha el van zárva, akkor elvileg nem tudna visszakeringeni a víz a pufiból és jobban le kellene hűlnie a kazánnak egy nap alatt, nem ?

 

Na mindegy, várom a tavaszt és a gázfűtés kiépítését.

Előzmény: Norisz1 (34054)
Norisz1 Creative Commons License 2018.12.04 0 0 34055

Meg a csőszer mesternek sem kell mégegyszer szétdarabolni a csövezést..

Hú de útálni fog minket ez a mester..🤣🤣😂

Előzmény: Norisz1 (34054)
Norisz1 Creative Commons License 2018.12.04 0 0 34054

Én sem vagyok fűtésszerelő..😁Hanem asztalos..

De saját tapasztalat alapján mondom csak ezeket amiket mondok.

Azért nem 311es esbe van a rendszerembe mert Kapocska kolléga azt mondta egyszer, hogy az kicsi lesz nekem..😁🤣

Sőt! Mondok neked még valamit. Ha a csőszerelő mester kicseréli neked a kazánvédőt majd egy 511es esbére mondjuk az 1" neked elég akkor tetess már be vele a szivattyú után egy 1" rugós visszacsapót is légyszives és akkor nem kell majd minden begyújtás után a csapokat zárogatnod mint most nekem!

Előzmény: bumerang10 (34051)
bumerang10 Creative Commons License 2018.12.04 0 0 34053

Oké, akkor a kazán vízterébe belógatott érzékelő kapcsolja le a szivattyút!

De ezen a kikapcsolt szivattyún is át tud keringeni a melegviz a pufferből a kazánba?

Előzmény: pajaci (34052)
pajaci Creative Commons License 2018.12.04 0 0 34052

"a kazán elmenőn lévő érzékelő"

 

Ez nagyon gagyi, rossz megoldás, a kazán vízterébe belógó a megfelelő.

Előzmény: bumerang10 (34051)
bumerang10 Creative Commons License 2018.12.04 0 0 34051

Amikor a tűz kezd alább hagyni és visszahűl a kazánban lévő víz 55 fokig, akkor elméletileg az ESBE teljesen lezárja a pufferből jövő vizet nem? A puffer alja még ha melegebb is mint 55 fok és nyitva marad a szelep, akkor is a kazán elmenőn lévő érzékelő lekapcsolja a szivattyút. Akkor hogy hűti vissza a kazán a pufferban lévő vizet? Át tudja keringetni a lekapcsolt szivattyún keresztül?

Bocs ha hülyeséget kérdezek, de nagyon kezdő vagyok de úgy látszik jobb ha kicsit beleásom magam a témába ha nem akarok egy drága, de gyenge minőségű rendszert.

Köszi mindenkinek az eddigi segítséget, tanácsokat!

Előzmény: Norisz1 (34049)
Sw201inger Creative Commons License 2018.12.04 0 0 34050

Sziasztok!

 

Légyszi, ha esetleg valaki ezek valamelyikére tudja a megfejtést, írjon:

 

- Tud valaki olyan zárt tágulási tartályt, ami esetleg szétszerelhető, cserélhető benne a membrán? Alakra, méretre olyan kellene, mint a kombikazánoké, nagy kerek, minél laposabb, és azért megvan 12-15 liter.

 

- vennék egy újabb vegyes vagy fagáz kazánt a régi orosz 25 kW-os helyett. Én csak annyit tudok, hogy jóóóó nagy ajtaja legyen - ezen kívül miről lehet még megállapítani, hogy jó vétel-e egy keveset használt kazán? Mit kell nézni vásárláskor? Mik az igazán jó (Mercedes-szintű) márkák kazánoknál? Pl. Atmos, Viadrus?

 

- kézi beálítású ferde szelep kellhet-e bárhova egy családi ház fűtésébe? Ha igen, hova és mi alapján kell méretet választani?

 

- kazán visszahűtőnél mik a beépítés konkrétabb feltételei: a kazán tetejétől milyen messze lehet (rögtön a kazán után, vagy megvan hogy melyik rendszerelemek előtt/mögött van a helye?), mi a minimum csőátmérő (mert gondolom áramszünet esetén is kell hogy legyen elegendő térfogatárama), hogy szokták a túlfolyót elvezetni (gondolom rézcső, van-e minimum távolság mielőtt becsatlakozik a pvc-csőbe)?

 

- A másik dolog, ami elviekben szintén egyszerű, mégis felvet pár kérdést, az a 2,5 bar-os biztonsági szelep:

* betehető-e több darab is, akár egy adott helyen egymás mellé 2? (adtak egy szatyorral, azért számolok vele ilyen nagyvonalúan) :D

* betehető-e egy adott rendszerbe, akár egymás mellé egy termikus elfolyóval?

* miből számolható ki az, hogy a rendszerbe 1/2"-os, vagy mondjuk 3/4"-os kell (akármelyik biztonsági cuccból)?

* Az a jelenség, hogy a kinyíló biztonsági szelep közvetlen közelében, nyomásesés hatására gőzzé váló és így befelé is táguló közeg durrantja szét a rendszert, az hogyan is kerülhető el? Pl. a 97 fokos, mondjuk 2,5 bar nyomású víz ha egyszer csak rést talál magának, ott pusztán a nyomás elvesztése miatt még nem kezd forrni, tehát mindegy milyen nyomáson csak végig 100 fok alatt maradjunk?

 

Köszi: Laci

Norisz1 Creative Commons License 2018.12.04 0 0 34049

Ezt megmagyaráznád, hogy miért kell a keringéshez visszacsapó szelep? Amúgy is túl vékonyak hozzá azok a csövek..

Majd az egy másik felyezet lesz ha nincs neki bent visszacsapó szelep, mert majd a pufi vizét a kazán fogja kihűteni..

Előzmény: kormos* (34048)
kormos* Creative Commons License 2018.12.04 0 0 34048

Talán még, visszacsapó szelepek is kelletek volna, hogy legyen cirkuláció, ha nem megy a keringető.

Előzmény: bumerang10 (34024)
Norisz1 Creative Commons License 2018.12.04 0 0 34047

Köszönöm serácok az infót majd meglesem..

Előzmény: nagykunsági (34046)
nagykunsági Creative Commons License 2018.12.04 0 0 34046

Létezik.

Előzmény: Norisz1 (34043)
Kapocska Creative Commons License 2018.12.04 0 0 34045

Létezik ilyen lehetőség,de mivel nem olcsó kategória

nem nézegetem,mert minimális az igény rá.

Az meg mid1,hogy bele van építve v. külön van.

Előzmény: Norisz1 (34043)
Kapocska Creative Commons License 2018.12.04 0 0 34044

Csak vicc volt a gyel lemaradt! :-)

 

A karakterisztika magáért beszél amit az ESBE készített és nem kell hozzá

önjelölt fűtésszerelő.

Előzmény: Norisz1 (34042)
Norisz1 Creative Commons License 2018.12.04 0 0 34043

Más!

Létezik olyan keringető szivattyú ami figyeli a víz hőmérsékletét és ennek hatására változtatja a fordulatát?

Vagy erre csak külön szabályzó rendszer van?

Előzmény: Kapocska (34041)
Norisz1 Creative Commons License 2018.12.04 0 0 34042

Mert amiket írt erre lehet következtetni..😁

De amúgy a sárkány kazán honlapján is van tel szám ott is rákérdezhetne, hogy elég-e neki a 311-es esbe.

Előzmény: Kapocska (34041)
Kapocska Creative Commons License 2018.12.04 0 0 34041

Én honnan tudnám?

Előzmény: Norisz1 (34040)
Norisz1 Creative Commons License 2018.12.04 0 0 34040

Azért mert te is tudod, ha rendesen megbugyrolá szénnel akkor a jó ég áldjon mindenkit aki a közelében van a kazánnak!

Normál esetben meg csak kapcsol a szivattyún egyet vagy kettőt

Előzmény: Kapocska (34039)
Kapocska Creative Commons License 2018.12.04 0 0 34039

(Ilyen "próbafűtögetéssel" nem hiszem,hogy olyan bátor lennél mint 1-2 szezon után,

ahol beleszaladsz a korlátokba)

Előzmény: Kapocska (34038)
Kapocska Creative Commons License 2018.12.04 0 0 34038

Ha ennyi infó nem elég neked, amit itt összeszedhettél eddig akkor

nézesd meg vele a szelep hivatalos leírását,karakterisztikáját

(feltéve,hogy tudja értelmezni).

Ha nem ,még ebben az esetben is a megrendelő dönt,hogy mit szeretne,

mert Ő fizet.

Előzmény: bumerang10 (34031)
lala1961 Creative Commons License 2018.12.04 0 0 34037

Régi típusoknál kellettek a szabályozó szelepek,ezekre már nem kell semmi ! :)

Előzmény: Törölt nick (34033)
Norisz1 Creative Commons License 2018.12.04 0 0 34036

Most mivel fűtesz a kazánba?

Előzmény: bumerang10 (34031)
Norisz1 Creative Commons License 2018.12.04 0 0 34035

Nos!

A te kazánod nem tud annyit, hogy az a nagy szivattyú max fokozaton ne tudná levenni róla a meleget..

Ezt úgy tudnám a legegyszerűbben elmagyarázni, hogy képzelj el egy tűzoltó szivattyút amire rákötsz egy kerti slagot..

A szivattyú szívná de az istenért sem tud annyit amennyit kéne..

Na jelen pillanatban ez a te rendszered! Egy nagy szivattyú és egy kicsi áteresztőképességű szelep. 😁

 

Az enyém ennek a fordítottja nagy áteresztőképességű szelep és kicsi szivattyú. 😁

 

A megoldás egy esbe 511-es szelep ennyi.

Az indoklásod a cserére pedig az legyen, hogy a szelep amit a szerelő berakott az csak MAXIMUM 30KW KAZÁNTELJESÍTMÉNYIG VAN! A tiéd pedig egy 40Kw-os kazán!

A neten keress rá és mutasd meg neki!

Szelep cseréje után nem fogja a huzatszabályzó elzárni a levegőt

Előzmény: bumerang10 (34031)
tormap Creative Commons License 2018.12.04 0 0 34034

Mintha a vtc leírásába volna, hohy nem kell szabályzó szelep. Ha kicserélik nem fog kelleni semmi ilyesmi szerintem.

Előzmény: Törölt nick (34033)
Törölt nick Creative Commons License 2018.12.03 0 0 34033

A két ágon A,B lehetőleg egyforma nyomásesést kell beállítani, erre való a fojtószelep.

A kazán nem egyből max hőfokra tölti a puffert, a pufferből sokáig hideg víz érkezik, ahhoz kever az ESBE meleg vizet.

Az ESBE patron hőértékével módosítható a kezdeti kazán kilépő hőfok.

Előzmény: bumerang10 (34032)
bumerang10 Creative Commons License 2018.12.03 0 0 34032

Ha megkérlek kifejtenéd részletesebben azt amit korábban írtál?

 

"A meleg ág szabályozatlansága esetén a szivattyú csak cirkuláltatja a kazánban a tápvizet, ez túlmelegedést idézhet elő."

A csőszerelőnek is volt egy ilyen ötlete, hogy lehet az is javítana a helyzeten ha az ESBE szelepre menő meleg ágon szűkítene!

Csak nem értem ez min változtat! Ha kevesebb meleg víz áramlik át a szelepen, akkor ahhoz a szelep is kevesebb hideg vizet enged hozzá hogy a beállított 55 fok meglegyen. Vagy rosszul gondolom?

 

Előzmény: Törölt nick (34019)
bumerang10 Creative Commons License 2018.12.03 0 0 34031

Az a gond, hogy amikor ma kicserélte a szivattyút és fűtöttünk, tényleg jobban melegedett a puffer, nem mondhatom hogy nem működik, csak maximum azt, hogy egy nagyobb szeleppel talán jobban is működhetne. De persze ezt én mint laikus megrendelő nem tudom szakmai indokokkal megmagyarázni. Hogyan bizonyítsam be hogy így ahogy összerakta nem jó? Műszaki ellenőröm sem hiszem hogy sokat ért a gépészethez és tényekkel meg tudná indokolni a hibát. Feleselgessen veszekedni meg egyik szakemberrel sem akarok, mert mégiscsak az ő szakmájuk amiben dolgoznak és ő sem úgy állt a dolgokhoz hogy le vagyok ejtve, jó lesz az úgy is, hanem hozott csereszivattyút hogy próbáljuk meg azzal hátha csak az a hiba.

Ha holnap egész napos fűtés után is fennáll a probléma akkor persze nem hagyom így, kijavíttatom akár mennyi munka is.

Előzmény: nagykunsági (34029)
Törölt nick Creative Commons License 2018.12.03 0 0 34030

Amennyiben nem lehetséges a csőrendszer és a szivattyú megfelelő légtelenítése légleválasztóval rendelkező szivattyút kell felszerelni.

Előzmény: bumerang10 (34027)
nagykunsági Creative Commons License 2018.12.03 0 0 34029

A szivattyú tengelyének kell vízszintesen állnia, nem a szivattyúnak. Nagy különbség. 

 

Amúgy nem értem a problémát. Elbaszta, hozza helyre. Garanciában. Az már az ő gondja ha sokat kell bontani. 

Előzmény: bumerang10 (34027)
tictac62 Creative Commons License 2018.12.03 0 0 34028
Előzmény: bumerang10 (34027)
bumerang10 Creative Commons License 2018.12.03 0 0 34027

Igen, én is nézegettem, hogy talán a legkönnyebben kivitelezhető megoldás, ha a szivattyú a kazán mellé kerül át, és az ESBE  ott marad a golyóscsap mellet. Egyetlen probléma ezzel, hogy a kazán melletti csőszakasz már hátrafelé lefelé lejt a kazán visszatérő csonkjának magasságára, és ha jól tudom a szivattyút mindenképp csak vízszintesen, meg persze függőlegesen szabad csak beépíteni.És ha így van akkor ott azt a szakaszt is át kell alakítani.

Előzmény: Törölt nick (34025)
tictac62 Creative Commons License 2018.12.03 0 0 34026

Ragaszkodj a cseréhez 511-re. Egyszer kell megcsinálni, és mindig jó lesz, így meg mindig szar marad.

Előzmény: bumerang10 (34024)
Törölt nick Creative Commons License 2018.12.03 0 0 34025

A PETZ tolózár rövidebb, nekem is azzal sikerült az adott hosszakon a kiépítés.

Láthatóan elmaradt a meleg ág kiszakaszolása.

Az ESBE 300-AS kevés lesz ehhez a kazánteljesítményhez az optimális égéskor, nálam 19 kW-os kazánhoz bypasst tettem a hideg ágra.

Esetleg a kazán mellé a szivattyú?

Persze egy átalakítás mindenképpen érinti a puffert is.

Előzmény: bumerang10 (34024)
bumerang10 Creative Commons License 2018.12.03 0 0 34024

Először begyújtottunk a szerelővel és ő is látta hogy hiába nyitott ki a szelep és töltötte a puffert is, a kazán könnyedén felment 80-85 °C-ra és csak a huzatszabályzó fogta vissza. Aztán miután berakta az új szivattyút (Wilo Yonos PICO 25/1-6), max fordulatra állítva beállt olyan 80 °C körülire a kazán. 1-1,5 óra alatt szépen elkezdte felfűteni az 1000 l-es puffert és amikor már a közepén is volt 60 fokos víz elindítotok a radiátorokat is.

Sajnos ma tovább nem tudtam fűteni, mert még nincs meg az elektromos szabályzás a rendszerhez, mire eljövök a háztól ki kellett hogy hűljön annyira a kazán hogy ki tudjam kapcsolni a keringetőt. Majd holnap megpróbálom teljesen felfűteni.

Első ránézésre javult a helyzet az új szivattyúval, bár van egy olyan érzésem, hogy nagyon nem is akarná cserélni az ESBE szelepet, mert nagyon szét kellene szedni a csövezést ha nagyobbat kell beépíteni. A kazán és a puffer közti távolság nagyon ki van centizve, ha 2 cm-rel nagyobb az 511-es szelep akkor mindent újra kell ott építeni mert sajnos nincs bent olyan csőszakasz amin rövidíteni tudna.

 

Előzmény: Norisz1 (34016)
Kapocska Creative Commons License 2018.12.03 0 0 34023

Lesz vagy 3,5kWh amit érdemes beküldeni .

Előzmény: Törölt nick (34022)
Törölt nick Creative Commons License 2018.12.03 0 0 34022

Jogos, előtte kell beszabályozni.

A kazán előremenő átváltására puferről a lakáskörre a puffer túltöltés és a kazán maradékhő kikeringetése esetén lehet irányváltót beépíteni.

Előzmény: Kapocska (34021)
Kapocska Creative Commons License 2018.12.03 0 0 34021

Csak pontosítanék!

Az ESBE VTC300 termikus szelepet a kazánok védelmére használják

legfeljebb 30 kW-ig.

 

„teljesen a felett +10 C-al. Ekkor kell beszabályozni a meleg ágat.

 

Akkor az zárva van,nem kell szabályozni.

 

A kimenő kevert vízhőmérséklete AB csatlakozás: 45 ° C, 55 ° C, 60 ° C, 70 ° C vagy 80 ° C.

 Csatlakozás B  teljesen lezárt állapotban van, amikor az A kapcsoló hőmérséklete meghaladja a

névleges nyitó hőmérséklet + 10 ° C-kal

Előzmény: Törölt nick (34019)
Norisz1 Creative Commons License 2018.12.03 0 0 34020

Nem biztos, hogy értem amit írtál..

Azt mondod, hogy ha megfordul a pufiban a meleg víz akkor a kazánvédő szelep mindhárom ága nyitva van és képes a szivattyú csak a legrövidebb szakaszon keringetni a vizet kikerülve a puffert?

Előzmény: Törölt nick (34019)
Törölt nick Creative Commons License 2018.12.03 0 0 34019

Felfűtéskor az ESBE VTC meleg ág nyitva van, a patron a hőfokának megfelelő értéktől kezdi nyitni a hideg ágat, teljesen a felett +10 C-al.

Ekkor kell beszabályozni a meleg ágat. A patroncseréhez mindhárom ágat szakaszolni kell. 

A meleg ág szabályozatlansága esetén a szivattyú csak cirkuláltatja a kazánban a tápvizet, ez túlmelegedést idézhet elő.

Előzmény: bumerang10 (34014)
Norisz1 Creative Commons License 2018.12.03 0 0 34018

ez az enyém ez max 150kw

a tiéd max 30kw

Előzmény: Norisz1 (34016)
Kapocska Creative Commons License 2018.12.03 0 0 34017

Nem meghatározó az amit mond .

A 317-es szelep ellenállása dT 10foknál (kazán be és kilépő között) 6 mH2O

(vízoszlop méter)2.5m3/h  forgalomnál és ez jelent 29kW teljesítményt.

Ezt az a szivattyú ami neked van nem tuja teljesíteni (a dT 5 foknál meg főleg nem).

Ha már van egy 40kW-os kazánod, ami simám tudhat 45kW-ot is oda másik szelep kell.

Fűtögetni ellehet ezzel is,de minek.

Az 511-nek a fenti adatokkal 1mH2O az ellenállása amit tud teljesíteni a szivattyúd  vidáman.

És a rendszernek tudni kell ezt is ,mert  a szélsőségek előfordulnak .

 

Előzmény: bumerang10 (34014)
Norisz1 Creative Commons License 2018.12.03 0 0 34016

nekem egy ilyen van bent 5/4" és egy halm 25-40 es szivattyú tolja a vizet a pufi felé.

A kazánom kb 65KW.

Tehát ha neked a 40KW kazánhoz kevés volt a nagyobb szivattyú akkor már csak az esbe szeleppel lehet a baj.

Most hogy megy a próbafűtés?

Jobb lett?

Előzmény: bumerang10 (34014)
Norisz1 Creative Commons License 2018.12.03 0 0 34015

Köszi tényleg jól van bent a szelep..

Előzmény: bumerang10 (34014)
bumerang10 Creative Commons License 2018.12.03 0 0 34014

Itt volt a fűtésszerelő. Tett fel egy másik szivattyút hátha az nyomott keveset. Azt mondta azért tesznek mostanában ilyen szelepet az 511-es helyett mert az volt velük a tapasztalat hogy azok lassabban reagáltak a hőfokra, több idő kell nekik hogy nyisson.

Ime a kért kép. A délelöttit forditva fotóztam mert csak úgy fértem hozzá az adatlapjához.

Most megy a próbafűttés. Majd kiderül kavúlt-e valamit a helyzet.

Előzmény: Kapocska (34004)
Norisz1 Creative Commons License 2018.12.03 0 0 34013

Légyszives tegyél már fel egy képet amin a szivattyú és az esbe szelep is látszik légyszives, de látszódjon az esbe eleje is!

Vagy én vagyok hülye vagy hátulról fényképezted le a szelepet előbb vagy szelfizted..🤣

Akkor fordítja csak meg tükörbe a képet..

Előzmény: bumerang10 (34008)
Kapocska Creative Commons License 2018.12.03 0 0 34012

                                                                                                                  A mm               B mm    C mm    D mm   

 

                VTC317 20           3.2          PF 1 1/2", G 1"  45 ą 2°C               75                   42           42           57              

                VTC317 20           3.2          PF 1 1/2", G 1"  55 ą 2°C               75                    42           42           57              

Előzmény: Kapocska (34011)
Kapocska Creative Commons License 2018.12.03 0 0 34011

Biztos vagyok benne ,hogy kell átalakítás.

Előzmény: bumerang10 (34009)
titusz99 Creative Commons License 2018.12.03 0 0 34010

Szerintem nem.

A 317-esen van egy hollandi, kifejezetten szivattyúhoz.

De ha már cseréled, akkor tegyél már be egy hőmérőt a visszatérőbe.

Előzmény: bumerang10 (34009)
bumerang10 Creative Commons License 2018.12.03 0 0 34009

Az 511-es beépítési mérete megeggyezik a 317-esével? Vagy újra kell csövezni itt az egészet?

Előzmény: Kapocska (34004)
bumerang10 Creative Commons License 2018.12.03 0 0 34008

Jó irányba van bekötve!

Előzmény: pajaci (34002)
Norisz1 Creative Commons License 2018.12.03 0 0 34007

Bocs...

Nem olvastalak..🤣

Előzmény: pajaci (34002)
Norisz1 Creative Commons License 2018.12.03 0 0 34006

Az a fekete nyilacska merre néz nálad a kazán vagy a puffer felé?

Előzmény: bumerang10 (34000)
Norisz1 Creative Commons License 2018.12.03 0 0 34005

Ez biztos fordítva van bekötve...😁🤣🤣🤣

Előzmény: Törölt nick (34001)
Kapocska Creative Commons License 2018.12.03 0 0 34004

Tetess be 60fokos VTC 511-et.

Előzmény: bumerang10 (34000)
Kapocska Creative Commons License 2018.12.03 0 0 34003

 

Előzmény: pajaci (34002)
pajaci Creative Commons License 2018.12.03 0 0 34002

Így kellene állnia rendszerben. Balra a kazán felé mutat a fekete nyíl. Így van bekötve?

 

Előzmény: bumerang10 (34000)
Törölt nick Creative Commons License 2018.12.03 0 0 34001

Ez fordítva van bekötve?

Előzmény: bumerang10 (34000)
bumerang10 Creative Commons License 2018.12.03 0 0 34000

Előzmény: pajaci (33999)
pajaci Creative Commons License 2018.12.03 0 0 33999

Fényképezd le azt az ESBE-t közelebbről így beépítve.

Előzmény: bumerang10 (33987)
kormos* Creative Commons License 2018.12.03 0 0 33998

Valami ott nem jó. 

 

Előzmény: bumerang10 (33996)
tormap Creative Commons License 2018.12.03 0 0 33997

Ha sikerül a begyújtás akkor 3,5 max 4 óra 80 fokra a felfűtés (1700l).

Előzmény: bumerang10 (33996)
bumerang10 Creative Commons License 2018.12.02 0 0 33996

Holnap majd pontosan megnézem a típusát! Most csak annyit tudok hogy fix 55 °C-os.

Az a baj, hogy nem nagyom tudom felfűteni a rendszert, mert a kazán pillanatok alatt fent van 80 °C-on de a puffer nem melegszik elégé és lezár a huzatszabályzó és folytja a kazánt. A pufferba tolt kevés meleg vizet meg pillanatok alatt elviszi a radiátorok szivattyúja.

Neked mennyi idő mire a teljesen kihűlt rendszert felfűtöd? Én 2 napja próbálkozom, de unom hogy ott ülök mellette és figyelem kell hogy a maximumon menjen a kazán de fel se forrjon. 

Előzmény: tormap (33993)
Kapocska Creative Commons License 2018.12.02 0 0 33995

Ehhez a rendszerhez nagy a hidraulikai ellenállása, kvs értéke kicsi.

Csere 511-re.

Előzmény: bumerang10 (33994)
bumerang10 Creative Commons License 2018.12.02 0 0 33994

Akkor véleményed szerint a szelep a kicsi? De mi? Az átfolyási átmérője? Vagy ami most fent van túl lassan reagál a hőfokra?

Csőszerelő hozta a dolgokat a rendszerhez, ha meg tudom neki érvekkel indokolni a hibát biztos szó nélkül kicseréli és majd máshova ezt beépíti.

 

Előzmény: Kapocska (33992)
tormap Creative Commons License 2018.12.02 0 0 33993

Nekem is 40es sárkányom van. A szivattyú tuti elég. Nekem 2db sorba kötött pufferem van 28as csővel csövezve a kazánkör. Nekem is hamis 60as grundfos dolgozik. Ha megoldódik az anomáli nem fog kelleni semmiféle varia. Gyorsan lesz meleg víz a radiátorok felé. Az esbe szelepnek mi a tipusa? Nekem vtc 511es 5/4 collos van. 

Előzmény: bumerang10 (33991)
Kapocska Creative Commons License 2018.12.02 0 0 33992

Vegyél 1db ESBE VTC 511-es szelepet és ad el azt ami be van építve

 olyannak akinek 15-24kW-os kazánja van.

Az majd megoldja a problémádat.

Előzmény: bumerang10 (33991)
bumerang10 Creative Commons License 2018.12.02 0 0 33991

Pontos ESBE típust nem tudok most, de fix 55 °C-os szelep.

A szivattyú pedig egy Grundfos 25-60-180-as. De ahogy azt a Vegyes tüzelésű kazán fórumon kibeszéltük, valószínűleg utánagyártott. Bár mind a 3 szivattyú (kazáné, padlófűtésé, radiátoroké) gond nélkül indult és teszik a dolgukat elméletileg.

Előzmény: Kapocska (33989)
bumerang10 Creative Commons License 2018.12.02 0 0 33990

Nem értek hozzá, de ha a meleg ágban van szabályzócsap és zárok rajta, attól még ha jól gondolom a hideg ágból nem ad hozzá nagyobb vízmennyiséget mert nem nyit ki jobban az ESBE. Vagy tévedek?

Az irányváltós megoldást kifejtenéd? Hogyan képzeljem el a kiépítését? Melyik cső merre megy, hova tér vissza?

Előzmény: Törölt nick (33988)
Kapocska Creative Commons License 2018.12.02 0 0 33989

Mi annak az ESBE szelepnek a pontos neve ami a kazánnál van?

És a szivattyú adatai?

Előzmény: bumerang10 (33987)
Törölt nick Creative Commons License 2018.12.02 0 0 33988

A ESBE melegágára is kellene szabályzó csap.

Irányváltóval lehet megoldani a puffer-radiátor váltást, automatikusan csak vezérlővel.

Előzmény: bumerang10 (33987)
bumerang10 Creative Commons License 2018.12.02 0 0 33987

Üdvözlök mindenkit!

A következő problémával fordulok hozzátok! A héten elkészült az új családi házamban a vegyes tüzelésű fűtés. 40 kw-os Sárkány kazán + 1000 l-es puffertartály HMV hőcserélővel. A gondom az, hogy nem bírom felfűteni a puffert. Miután begyújtok a kazánba gyorsan melegszik a víz, amikor működésbe lép az 55 °C-os ESBE szelep elkezdi áramoltatni a puffer felé is a meleg vizet, viszont valami miatt nem bírja leadni normálisan a hőt szerintem, mert a vízfok megy tovább 80-85 °C-ig, míg a huzatszabályzó le nem zár hogy ne forrjon a kazán.

Mi lehet a gond? Rossz az ESBE szelep és nem nyit ki teljesen, vagy gyenge a szivattyú és nem szállít elég vízmennyiséget? Azt hittem a puffer miatt majd fojtás nélkül mehet a kazán, de most csak annyi hő megy a pufferba, amit a radiátorok pillanatok alatt le is vesznek.

Vagy tényleg ennyire nehéz dolog a legelső felfűtés, és amikor már legalább 40 °C lesz a puffer alja, akkor fog megfelelően működni a rendszer?

 

Másik kérdésem?

Nem lehet valahogy kiskaput kiépíteni a kazán és a fűtéselosztó közé, hogy amíg a ház kéri a meleget, addig a radiátor és a padlófűtés szivattyúi le tudják a kazán után venni a meleg vizet és ne a pufferbe tolja azt, csak miután már felfűtötte a házat akkor menjen a felesleges hő a pufferbe!

Arra gondoltam hogy a kazánból a pufferbe vezető csövet összeköttetném azzal ami a pufferből viszi ki a meleg vizet az osztókra.

 

Csak nem tudom, hogy a visszatérőt hova kellene beköttetni! Mert ugye a pufferba hiába megy ha az ESBE miatt onnét hideg állapotban nem kap elég vízmennyiséget hogy pótoljuk a kivétet. Ha ESBE és a kazán közé megy, akkor meg hideg víz megy a kazánba.

Ha valakinek van esetleg erre megoldása szívesen meghallgatnám.

Előre is köszönöm a javaslatokat, véleményeket!

 

Kapocska Creative Commons License 2018.12.01 0 0 33986
Előzmény: Sw201inger (33985)
Sw201inger Creative Commons License 2018.12.01 0 0 33985

Köszi, igazából pontosan még semmit nem számoltam (éppen azért, mert még túl sok a kérdés, sok a változó), egyelőre egy leginkább megfelelő elvi összeállítás legyen a fejemben, a finomságokat egyrészt utána kell pontosítani, másrészt meg mint írtam is, észszerű keretek között inkább túlméretezek, ha már magamnak csinálom. Olyankor mindig elakadok, ha valaki "visszafelé" kérdez (pl. mit szeretnél, mennyi a keret rá stb.). Nem, ez (nálam legalábbis) úgy halad a megfelelő irányba, hogy körbejárom, mi a lehető legtökéletesebb megoldás, aztán majd kialakul, hogy abból kell-e engednem (nyilván sokszor kell, de akkor mondjuk olyat ami később még pótolható). Az például sose zavart, ha valami nagyon soká térül meg, mert akkor ha én kiszenvedem valahogy, a gyereknek már nem kell (ha már én csinálom, még a család pénzét se viszi, inkább az én szabadidőmet, azt meg nem sajnálom, sőt ha majd nagyobb korában lesz kedve hozzá, együtt szerelhetünk, legalább belejön ő is). Fagyállóval, mondjuk -20 fokossal kb. milyen arányban változik a hőátadó képesség? A pufferek és a kazánok a pincében vannak, a vízrendszert meg le tudom ereszteni teljesen mindenhol, direkt úgy lett csinálva, nicsenek benne olyan hurkok ahol meg tud állni a víz.

Előzmény: Kapocska (33983)
nagykunsági Creative Commons License 2018.12.01 0 0 33984
Előzmény: Sw201inger (33981)
Kapocska Creative Commons License 2018.12.01 0 0 33983

Az áramlás és a hőátadás is változik fagyállóval számold azt is.

Előzmény: Kapocska (33982)
Kapocska Creative Commons License 2018.12.01 0 0 33982

És amit alulról nem melegít a pince pl. vízvezeték abba mit tennél?

És a két 500literesbe,kazánba?

Előzmény: Sw201inger (33981)
Sw201inger Creative Commons License 2018.12.01 0 0 33981

Köszi Neked is a zinfót!

 

A rózsaszín fagyállóra csak gyorsan rámondtam, hogy foszfátmentes, valójában fogalmam sincs, "mi-mentes", csak valamit írni kellett, nehogy valaki ratyinak gondoljon a rózsaszín miatt :D :D :D

Komolyra fordítva: a propilénglikol NEM MÉRGEZŐ? Mármint semennyire, a látásnak sem árt? Eddig azt hittem, többé-kevésbé mindegyik fagyálló káros, ergo csak ezért kár drágábbat venni, a megoldás úgyis az hogy nem isszuk meg :) Viszont ha az egyik fajta TELJESEN ártalmatlan, akkor én is azt veszem, akár dupla áron is, szóval ezt jó lenne pontosan tudni.

 

A tömítettségi problémáktól akkor nem félek, ha csak ilyen "eleve nem tömör" kötésen szivárog át: én letekertem a padlófűtés-csöveket, bekötöttem az osztóba, onnan levezettem a pincébe, kompresszorral felfújtam 7,5 bar-ra, elzártam (bent a nyomásmérő), majd egyéb teendők miatt úgy hagytam mostanáig. 6,9 bar-ra ment le 2 ÉV alatt :D

 

Előzmény: nagykunsági (33978)
Sw201inger Creative Commons License 2018.12.01 0 0 33980

Nagyon hálás vagyok minden infóért :)

 

 Visszahűtőből jól értem, hogy mindenképp csak "veszteséggel működő" létezik, azaz amelyik hőcserélős, ott is az egyik vége a csatornába megy?

Vagy van olyan, ami valahol hasznosítja ezt a hőt?

Nem is az egyszeri hőveszteség aggaszt annyira, hanem hogy pl. nem fogja kilágyítani a pvc lefolyócsövet? Az amikor még óvatosan tapizható, már lágyul...

Meg mik a beépítés konkrétabb feltételei: a kazán tetejétől milyen messze lehet (rögtön a kazán után, vagy megvan hogy melyik rendszerelemek előtt/mögött van a helye?), mi a minimum csőátmérő (mert gondolom áramszünet esetén is kell hogy legyen elegendő térfogatárama), hogy szokták a túlfolyót elvezetni (gondolom rézcső, van-e minimum távolság mielőtt becsatlakozik a pvc-csőbe)?

 

 A másik dolog, ami elviekben szintén egyszerű, mégis felvet pár kérdést, az a 2,5 bar-os biztonsági szelep:

- betehető-e több darab is, akár egy adott helyen egymás mellé 2? (adtak egy szatyorral, azért számolok vele ilyen nagyvonalúan) :D

- betehető-e egy adott rendszerbe, akár egymás mellé egy termikus elfolyóval?

- miből számolható ki az, hogy a rendszerbe 1/2"-os, vagy mondjuk 3/4"-os kell (akármelyik biztonsági cuccból)?

- Az a jelenség, hogy a kinyíló biztonsági szelep közvetlen közelében, nyomásesés hatására gőzzé váló és így befelé is táguló közeg durrantja szét a rendszert, az hogyan is kerülhető el?

Előzmény: bnorci71 (33976)
nagykunsági Creative Commons License 2018.12.01 0 0 33979

A fűtési, és a napkollektorba való fagyálló, azért propilénglikol alapú, mert az nem mérgező, ha véletlenül az ivóvízrendszerbe kerülne.

 

Amúgy én úgy tudom amerikában az autókban is használják. 

 

Előzmény: bnorci71 (33973)
nagykunsági Creative Commons License 2018.12.01 0 0 33978

Igen, biztos vagyok, mert én is ugyanazt az O gyűrűt teszek a fűtésbe is, és az autóba is. 

 

Sajnos, az , hogy új rendszer semmit sem jelent, gyakorlatilag vízre csinálták, hogy ne folyjon, de fagyállóra az a tömítettség nem elég. 

Ismerem a fűtésszerelők munkáját, úgy vannak vele, ha a kóc kicsit csöppen, majd megáll, berakódik. Na fagyállóval nem fog. 

Előzmény: bnorci71 (33972)
nagykunsági Creative Commons License 2018.12.01 0 0 33977

Ez így van, de hát megyünk amerika és a butulás felé, tehát egyszerűbb azt kommunikálni, hogy a piros fagyálló a jó. 

Előzmény: bnorci71 (33976)
bnorci71 Creative Commons License 2018.12.01 0 0 33976

ja még valami amit mindenki tévesen terjeszt és ragad meg

Nem a szín a lényeg hanem az aluvédelem a foszfátmentesség

 

Zöldbe is van sőt kékbe sárgába

G11-G13+ attól függ mit ír elő a gyártó

https://www.samato.hu/a-hutofolyadek/

Előzmény: Sw201inger (33974)
bnorci71 Creative Commons License 2018.12.01 0 0 33975

vagy a kazánba van beépítve gyárilag egy termoszeleppel és megy a víz a csatornába, vagy az előremenőbe lehet berakni amelyiken nincs fagázokon szokott lenni vegyeseken gyártó függő

https://netkazan.hu/termekek/veszhuto/281

fagyállót csak megemlítettem, aztán mindenki eldönti maga :)

Előzmény: Sw201inger (33974)
Sw201inger Creative Commons License 2018.12.01 0 0 33974

Szia!

 

Köszi szépen! Ez a biztonsági hűtükör hogy is van pontosan? Mármint mit, mivel, hogyan hűt?

 

A másik a fagyálló: én pl. a család öreg dízel autóinak téli indítási nehézségei miatt építettem már be sokféle előfűtőt, rendszerint ilyen háztartási fűtéscuccokból, kóccal, teflonnal, gumitömítéssel, vagy klingerittel, ami épp volt kéznél és amit egyszer sikerült jól letömíteni, azzal később sem volt gond.

Szóval ha csak nincs tudományosan alátámasztható oka, nem tennék drágább fagyállót a fűtésbe se. Max annyi urizálás, hogy az említett rózsaszín menne bele, azt a +100Ft/litert már nem bánom (bár amennyire tudom, az is csak az alut kíméli, ami a fűtésben kb. sehol sincs, csak az ötrétegű cső zárt rétegében, ahova ha már víz jutna, ott nem a fagyálló lenne a gond. Sőt, még az is hozzá tartozik, hogy 2-3 évvel ezelőttig még a kocsikba is a sima zöld fagyállót tettük, azzal se volt gond kifejezetten emiatt, pedig ugye ott van alu bőven (hengerfej, vízpumpa stb.). Csak azért próbáltuk ki a rózsaszínt, mert amelyik kocsi legutóbb hozzánk került, abban az volt, asszem kicsit növelni akartam a fagyállóságát és akkor már nem vitt rá a lélek, hogy "szennyezzem" zöld fagyállóval.

Előzmény: bnorci71 (33968)
bnorci71 Creative Commons License 2018.12.01 0 0 33973

vegyész nem vagyok de ennyit találtam

 

fűtési

természetes propilénglikol alapú

 

 

gépkocsi

Szerves inhibitorokat tartalmazó etilénglikol bázisú,

Előzmény: bnorci71 (33972)
bnorci71 Creative Commons License 2018.12.01 0 0 33972

új rendszer volt és azt töltötték fel fagyállóval,

biztos vagy benne, hogy ugyan az a gumi alapanyag a fűtés tömítésé és a gk-ba használté?

pl a gázipar is más alapanyagot használ annak pentánállónak kell lennie

 

puding próbája az evés, a fűtésbe való miért kerül sokkal többe akkor ha ugyan az?

Előzmény: nagykunsági (33970)
Norisz1 Creative Commons License 2018.12.01 0 0 33971

Csuka süllő..

2kg os csuka jött is tegnap..

Előzmény: Kapocska (33967)
nagykunsági Creative Commons License 2018.11.30 0 0 33970

Ugyanolyan tömítések vannak az autóban is. 

 

A probléma az, hogy ahol a víz nem folyik ki, vagy már vízkővel berakódott, ott a fagyálló simán átszivárog. 

Autóban is. 

Előzmény: bnorci71 (33968)
bnorci71 Creative Commons License 2018.11.30 0 0 33969

Rex+mágneskapcsoló?

Előzmény: Norisz1 (33966)
bnorci71 Creative Commons License 2018.11.30 0 1 33968

azt mondják hogy a gépkocsiba való megeszi a fűtés tömítéseit, kollégák voltak már olyan helyen ahol 2-3év után minden tömítés csepegett

 

kicsit túl aggódód ezt a szünetmentes.... itt zárjon le... ott nyisson... csörögjön a vekker dolgot

Mire te magadhoz térsz lemászol a pincébe, addigra forrni fog a kazán és ha nincs szerencséd az ajtónyitásra fog felhasadni akkor meg nagyon nem kellene előtte állni

 

 

kell egy szünetmentes 20-40Ah aksi az egy kazán leégésnyi időt kibír. Miért pont akkor menne tönkre? De ha mégis a gonosz istenek azt akarják van ugye a kazánon biztonsági hűtőkör. Ha azt is pont akkor rontják el az istenek akkor van biztonsági lefúvatószelep a kazán után aztán lesz gőzfürdő a kazánházba. Ha meg az is pont akkor szarik be akkor az utcára se menj ki mert biztos akkor esik le a cserép a tetőről, jön egy meteorit stb :)))

Előzmény: Sw201inger (33964)
Kapocska Creative Commons License 2018.11.30 0 0 33967

 „menni horgászni”  mire?

 

HONEYWELL 2455R--01000094

Nyitási hőmérsékelt      80°C

Zárási hőmérséklet        100°C

 

 

HONEYWELL 2455R—01000077

Nyitási hőmérsékelt      100°C

Zárási hőmérséklet        80°C

 

 

1750Ft + szállítás (levél,gondolom)

 

Előzmény: Norisz1 (33966)
Norisz1 Creative Commons License 2018.11.30 0 0 33966

Srácok!

Lenne egy kérdésem..

Tudtok ajánlani egy olyan füstgázmérő kapcsolót amivel mondjuk egy 220V - os mágneskapcsolót tudnék kapcsoltatni?

Meghülyülök már mert most is le tudnék már menni horgászni csak meg kell várnom míg kifogy a gép és le kell kapcsolnom..

🤣🤣😁

Előzmény: nagykunsági (33965)
nagykunsági Creative Commons License 2018.11.30 0 0 33965

Miből gondolod, hogy ami nem "rózsaszín" az nem foszfátmentes?

Előzmény: Sw201inger (33964)
Sw201inger Creative Commons License 2018.11.30 0 0 33964

Na, Columbo-val ellentétben nekem nem csak 1 kérdésem van, hanem most is rögtön 2 :)

 

- Fűtésrendszer (de legalábbis a padlófűtéses kör) feltöltésére van bármi akadálya, hogy a legolcsóbb Bárdis, de már rózsaszín (foszfátmentes) fagyállót használjam?

 

- Tud valaki olyan zárt tágulási tartályt, ami esetleg szétszerelhető, cserélhető benne a membrán? Alakra, méretre olyan kellene, mint a kombikazánoké, nagy kerek, minél laposabb, és azért megvan 12-15 liter.

Sw201inger Creative Commons License 2018.11.30 0 0 33963

Köszi, megértettem, nem célom megszívatni magam :)

 

Annyi viszont még eszembe jutott, hogy a vegyeskazán és az egyik puffer közé berakom a 2" csövezést, bele egy golyóscsapot és csak akkor nyitom ki ha áramszünet van (azt észre veszi az ember), akár éjszaka is (túlzottan nem bízok a szünetmentes tápban, aminek ilyenkor akár órákig járatni kéne a szivattyút, nem kellene hogy az is pont akkor menjen tönkre; de az azért várható, hogy legalább egy rá kötött ébresztőórával fel tud ébreszteni hogy lemenjek kinyitni a csapot). 2" csapom is van több db, cső is, patentívek is, műhely is, szóval ez a kis pluszmunka nem jelentene olyan anyagi terhet, mint egy átlag felhasználónak.

 

Vagy; és itt jön a következő ötletelés: nem kapható valahol egy sima közönséges termosztát, olyan mint az autóké, csak 2" méretben és ilyen 95° vagy még picit magasabb hőmérsékletű nyitással?

Előzmény: nixon70 (33962)
nixon70 Creative Commons License 2018.11.30 0 0 33962

Ez az út nem járható.

Előzmény: Sw201inger (33961)
Sw201inger Creative Commons License 2018.11.29 0 0 33961

Jajj, tudom már, ezt akartam még megkérdezni: hogy ugyebár a kazánvédő a túl hideg puffer-visszatérőt fojtja (tehát a rövidebb körön, szivattyúval hajtva, viszonylag sok víz kering). Ebbe túlságosan belezavarna egy nyitott (nem elzárható) gravitációs ág, ami ugye mindig keringene, de csak a maga kis szolid tempójában? (nem tudom kiszámolni, hogy mik lennének pontosan a térfogatáram-viszonyok, ez csak tipp volt hogy egy magasabb hőmérsékleten nyitó kazánvédővel együtt pont kellemes hőmérséklet érkezne a kazán visszatérőbe). Akkor ezek szerint ezt benéztem? :)

Előzmény: nixon70 (33957)
nixon70 Creative Commons License 2018.11.29 0 0 33960

Egs! :-)

Előzmény: Kapocska (33959)
Kapocska Creative Commons License 2018.11.29 0 0 33959

Helyes! :-)

Előzmény: nixon70 (33956)
nixon70 Creative Commons License 2018.11.29 0 0 33958
Előzmény: Sw201inger (33955)
nixon70 Creative Commons License 2018.11.29 0 0 33957

Ha lesz kazánvédőd, akkor ez felejtős.

Engedd el ezt a megoldást, visszatérőbe lengőnyelves, termikus elfolyó az előrébe, a szivattyú megtámogatva egy jó szinuszos szünetmentessel.

A jó vegyeskazánra hátha mond valaki tutit, aki használja.

Használtat meg kell nézni, hogy nem ereszt-e, ha lemez nem-e púpos.

Előzmény: Sw201inger (33955)
nixon70 Creative Commons License 2018.11.29 0 0 33956

Most.

Ittam helyetted is. :-)

Előzmény: Kapocska (33949)
Sw201inger Creative Commons License 2018.11.28 0 0 33955

Igen, én így építeném be. Vagy nem igazán jó így? Olyat már hallottam, hogy az "álló" víz nem tartja lent az úszót, ezért fel-le mozog (mindig a lefelé áramlás zárja vissza). Ez ellen lehet tenni vmit?

 

A 2. puffert akkor csakcsak leerőltetem valahogy, de légyszi a neten található ezerféle 2pufferes bekötési rajz közül valaki mutasson egy tényleg jól működőt :)

 

Tisztán gázfogyasztásra semmilyen adatom nincsen, régebben a termoszifonos, csak radiátoros, puffernélküli fűtéssel is szinte csak a vegyest használtuk, este gyújtottunk be, hajnalban kapcsolt csak be a gáz talán 1-2 órára.

 

A másik, ami elég fontos lenne: mit kell nézni használt vegyes, vagy fagáz kazán vásárláskor?

 

Köszönöm szépen!

Előzmény: nixon70 (33948)
Norisz1 Creative Commons License 2018.11.28 0 0 33954

Az enyém is házon kívülre került..😁

Előzmény: nixon70 (33950)
Kapocska Creative Commons License 2018.11.28 0 0 33953

.

Előzmény: Kapocska (33952)
Kapocska Creative Commons License 2018.11.28 0 0 33952

Ok:

Előzmény: nixon70 (33951)
nixon70 Creative Commons License 2018.11.28 0 0 33951

Reggel.

Előzmény: Kapocska (33949)
nixon70 Creative Commons License 2018.11.28 0 0 33950

Az 500 L az kevés lesz.

Van itt olyan topiktárs, aki a házon kívül csinált egy jól leszigetelt pecut és abba rakta be a szintén szigetelt pufit.

Előzmény: Sw201inger (33943)
Kapocska Creative Commons License 2018.11.28 0 0 33949

Tessék szíves elolvasni újra a hsz-t.

Kávé? :-)

Előzmény: nixon70 (33948)
nixon70 Creative Commons License 2018.11.28 0 0 33948
Előzmény: Kapocska (33944)
Kapocska Creative Commons License 2018.11.28 0 0 33947

"kanalazz le még kb 2db  500l-es puffert"

 

Ezek után?

Neeeeem! :-)

Előzmény: Norisz1 (33945)
Norisz1 Creative Commons License 2018.11.28 0 0 33946

Kb ezekkel a paraméterekkel rendelkezem szigetelésileg most mint te.

Most 0C van kint éjjel nappal a lakásban éjjel 21C nappal 23C van és kb 1500l 65C fokos víz fogy a pufferből 24 óra alatt!

Tehát szerintem kanalazz le még kb 2db  500l-es puffert ha nem akarsz napi kétszer begyújtani.

😁

Előzmény: Sw201inger (33943)
Norisz1 Creative Commons License 2018.11.28 0 0 33945

Te már megint számolni akarsz látom.. 🤣🤣🤣

Előzmény: Kapocska (33944)
Kapocska Creative Commons License 2018.11.28 0 0 33944

0.55 [W/(m2K)] a falad

0.40 [W/(m2K)]Porotherm 38 N+F 38-as fal

"Bíró B1" szelepet hogyan építenéd be  egy kazánvédő körébe,

lerajzolod?

Mennyi gáz fogy 24h alatt,mondjuk olyan 0 fok környékén?

Előzmény: Sw201inger (33943)
Sw201inger Creative Commons License 2018.11.28 0 0 33943

Köszi, igazából mivel állandó lakhely, ezért ELVILEG sosem áll fent a fagyveszély. De egyrészt sosem lehet tudni, másrészt meg vonakodok a nem atombiztos megoldásoktól :D Ugyebár ha fagyállóval töltöm fel, az azért később akár teljesen átöblíthető tiszta vízzé (jó, mondjuk inni nem kell a csőből), másrészt meg ugye a fagyálló ha öregszik, max. savasabb lesz, de az meg a műanyag csőnek és réz idomoknak nem tud ártani (jól tudom?). Meg gondolom tiszta vizes átöblítés után visszakeverhető új fagyállóval (mondjuk 10 év múlva). Tehát később bármilyen lehet csak üres nem, ha egyszer feltöltöm.

 

Igazából még 2 dolog foglalkoztat: az egyik, hogy vennék egy újabb vegyes vagy fagáz kazánt a régi orosz 25 kW-os helyett. Én csak annyit tudok, hogy jóóóó nagy ajtaja legyen - ezen kívül miről lehet még megállapítani, hogy jó vétel-e egy keveset használt kazán? Mit kell nézni vásárláskor? Mik az igazán jó (Mercedes-szintű) márkák kazánoknál? Atmos, Viadrus? Vagy most jó nagy marhaságot mondtam? :)

 

A másik, hogy mivel a pincében csak 2m a belmagasság, így ott nem tudtam volna felállítani 500 literesnél nagyobb puffert. Még az 500-as is csak cipőkanállal fért le a lépcsőn :) Szereztem azóta mégegy 500-asat, de nem vettem még rá magam hogy levigyem: sok helyet is foglal, a vegyeskazánt is át kellene tenni stb. Szóval a kérdés az, hogy egy ~100nm-es egyszintes, 30-as tömörtégla-falú, műanyag nyílászárós, padlón és falon 5 cm, födémen pedig 20 cm szigetelésű (felette padlás, cseréptető) háznak okvetlen szüksége lenne a második pufferre is, mindenképp szuszakoljam be valahogy?

 

Örök hála minden segítségért/tanácsért!

Előzmény: nixon70 (33942)
nixon70 Creative Commons License 2018.11.28 0 0 33942

Nem számít, hogy nyitott, vagy zárt hatásfok szempontjából.

Miért akarok fagyállózni a padlófűtést? Nem lesz fűtve a ház?

A kazán és a padlófűtés kör nem egy hőfokú, tehát ott a megfelelő szabályzásról gondoskodni kell.

Előzmény: Sw201inger (33939)
nixon70 Creative Commons License 2018.11.28 0 0 33941

A mértékadó fűtőtestre (legmesszebb, legrosszabb helyzetben lévő) kell kiszámolni a veszteséget.

Előzmény: Sw201inger (33938)
nixon70 Creative Commons License 2018.11.28 0 0 33940

Most. :-)

Előzmény: Kapocska (33936)
Sw201inger Creative Commons License 2018.11.27 0 0 33939

Köszi, igen, én is így gondoltam egyébként. Van egy jó nagy fém mosogató a pincében, abba fog csöpögni, halljam csak messziről ha már ereszt... Egyébként ha már pufferfűtés: van annak jelentősége hatásfok/fűtőképesség szempontjából, hogy nyitott vagy zárt rendszerben van a puffer és a vegyes kazán? Azon is gondolkodtam még, hogy mivel a padlófűtést fagyállóval tölteném fel (mert ha egyszer feltöltöm, nem üríthető le teljesen, mivel az osztó a padlónál feljebb van), akkor már a gázkazánt is erre a körre tenném, így egy szivattyúval kevesebb menne, meg hőcserélő helyett közvetlen lehetne a hőátadás. A lényeg: gond lehet ha a padlófűtés vize közös az öreg Termotéka kazánéval?

(Van mágneses iszapleválasztóm).

Előzmény: mislenyi (33933)
Sw201inger Creative Commons License 2018.11.27 0 0 33938

Köszönöm szépen, azzal képben voltam hogy az ellenállások átválthatók emelési magasságra, csak azt nem tudtam, hogy mindezek mellett kell-e számolni még a tényleges magasságkülönbségekkel is. De ha jól értem akkor nem, csak az ellenállásokat összeadogatni. Tényleg, itt mik az összefüggések soros és párhuzamos kapcsolásoknál? Pl. sorban csak összeadódnak, párhuzamosan meg ... (?)

 

A másik fontos kérdésem meg az lenne, tud-e valaki eladó "Bíró B1" vagy hasonló, lebegő úszós visszacsapó szelepet? Leginkább 2", de min. 6/4 méretben.

 

 

Előzmény: Kapocska (33937)
Kapocska Creative Commons License 2018.11.27 0 0 33937

A szivattyú a hajtására fordított mechanikai munkát alakítja át a folyadék helyzeti, mozgási energiájává és nyomásban tárolt munkavégző képességgé.

Most attól függ mit nevezel konkrétan szivattyúnak.

Mert ,ha a keringető szivattyút mint komplett egységet (motor+ szivattyú rész)

 akkor végez munkát.

„magasságkülönbséget (pl. a pincében lévő kazán és a földszinten lévő radiátorok között)?”

Nem a magasságkülönbséget kell számolni,hanem a rendszert alkotó elemek különböző

mennyiségnél tanúsított hidraulikus ellenállását, amit általában Pascal-ban  szoktak megadni.

A kapott eredményt át lehet váltani akár vízoszlop méterre is.

Előzmény: Sw201inger (33931)
Kapocska Creative Commons License 2018.11.27 0 0 33936

Egy kávét? :-)

Előzmény: nixon70 (33935)
nixon70 Creative Commons License 2018.11.27 0 0 33935

4.

Meg kell nézd a szivattyú jelleggörbéjét, megvan a magasságod,és le tudod olvasni a szállított vízmennyiséget.(minél magasabbra emel, annál kevesebb lesz a szállított víz mennyisége)

5.

Lehet és nem ront.

Előzmény: Sw201inger (33931)
negativ0001 Creative Commons License 2018.11.27 0 0 33934

Sziasztok ! Felhollandit hasznalhatok az 1 colos haromutu szelepek bekotesehez, vagy tulsagosan leszukiti a keresztmetszetet?

Koszi

mislenyi Creative Commons License 2018.11.26 0 1 33933

A lefúvó vizét nem ajánlom a csatornába engedni, előfordulhat csöpögés, amit nem veszel észre.

Nekünk egy mosogató fölé van vezetve és volt már csöpögés. 

Előzmény: Sw201inger (33931)
Norisz1 Creative Commons License 2018.11.26 0 1 33932

Szia gépész Laci! 😁

Az hogy mennyi vizet forralsz el az attól függ mennyi ideig forralod..

De ha normálisan meg van tervezve egy rendszer akkor nem nagyon van forralás esetleg áramszünet esetén amit ki lehet küszöbölni egy szünetmentes táppal ami akár órákon keresztül is képes működtetni a szivattyúdat.

 

Előzmény: Sw201inger (33931)
Sw201inger Creative Commons License 2018.11.26 0 0 33931

Sziasztok!

 

Laci vagyok, gépész (de nem épületgépész) és fűtés-korszerűsítésre készülök. Maradt még pár kérdés a fejemben, mielőtt nekikezdenék, légyszi segítsen aki tud:

Egy zárt rendszerű fűtés csak abban különbözik a nyílttól, hogy nem megy bele oxigén a kiegyenlítőn keresztül, vagy nyomáson a hőátadás is jobb? És egy "felforralás" esetén, kb. 700 liter össztérfogatú rendszerből nagyjából mennyi forró víz megy ki a csatornába a lefúvató szelepen, hogy kell ezt elképzelni? Néhány liter megy csak veszendőbe, vagy sokkal több, amit érdermes esetleg felfogni valamiben és máshol felhasználni? Átlagos családi házban mennyire gyakori, hogy lefúj forróvizet ez a szelep?

 

2: van-e valakinek az a bizonyos "labdás" visszacsapó szelepe legalább 2" méretben?

Úszós szelep néven is fut, egy üreges fémlabda van benne, ami a működési irányban egyszerűen csak lebeg a folyadék tetején, tehát ~0 az ellenállása, a másik irányban meg leesik és így zár el.

 

3:  van-e valakinek "kalkulátora" (vagy valami egyszerű képlete, okossága) gravitációs keringtetésre? Olyanra gondolok, hogy beadnám a kiinduló adatokat: csőátmérőt, ellenállásokat, magasságkülönbséget és kiadná, hogy hány fokos hőmérsékletkülönbség mellett milyen térfogatáram indul be "magától". Csak biztonsági megoldásként lenne a szivattyús rendszerrel párhuzamosan kötve, áramszünet esetére.

 

4: zárt rendszernél (ahol ugye ugyanannyi víz le is jön, mint amennyit felfelé tolunk, tehát elvileg pusztán a keringtetéssel nem végzünk munkát) hogy kell figyelembe venni a szivattyúválasztáskor a magasságkülönbséget (pl. a pincében lévő kazán és a földszinten lévő radiátorok között)?

 

5: FÉG-Spirec hőcserélőt lehet-e fektetve is beszerelni és a ront-e a hatásfokán?

 

Köszönöm szépen: Laci

Kapocska Creative Commons License 2018.11.26 0 0 33930

Szedd szét szemrevételezd az O gyűrűket ,majd tisztítás esetleg patron csere.

Előzmény: kigyokrisz (33929)
kigyokrisz Creative Commons License 2018.11.26 0 0 33929

Sziasztok,

 

Volt már kérdés, és tudom, hogy szar a ESBE VTA322.

 

Ha 80 fokos a pufi teteje, hiába van minimumra csavarva a szelep, átenged 50 fokos vizet is.

 

Így túlfűt a padló, és pazarolja a pufi vizét.

 

Van más megoldás azon kívül hogy kukázom?

 

Köszi!

Norisz1 Creative Commons License 2018.11.24 0 0 33928

3szor is elolvastam, de nem tudok kiigazodni rajt mit írsz..😁

Előzmény: aszokfa (33926)
Kapocska Creative Commons License 2018.11.24 0 0 33927

"a  visszatérő víz hőmérséklet közel azonos a kazánbol kilépővel."

 A radiátoron?

Mert akkor túl gyors az áramlás.

Mi a baj a "töltő" szivattyúval?

Előzmény: aszokfa (33926)
aszokfa Creative Commons License 2018.11.23 0 0 33926

35kw-os a  kazánom saját víztömege105liter. A két puffer 1550 literes, A töltőszivattyú kulsőre bika, de tudon, hogx tekercelt. Úgy sejtem, hogy kicsi a szállítókapacitása. Tudnátok ajánlani ilyenre alkalmas megfizethető típust. Mivel lehet a megfogni a fűtést ha a  visszatérő víz hőmérséklet közel azonos a kazánbol kilépővel.
Hála és köszönet minden okosságért! :-)

Kapocska Creative Commons License 2018.11.21 0 0 33925

Oszd meg a tűzteret és a fa mellett tornyozd fel

majd ellesznek egymással valahogy.  :-)

Előzmény: _BP__ (33922)
_BP__ Creative Commons License 2018.11.20 0 0 33924

Köszi

Előzmény: bnorci71 (33921)
_BP__ Creative Commons License 2018.11.20 0 0 33923

szuper, csak nekem kazánom van :-)

Akinek kandallója van, viheti :-)

Előzmény: nagykunsági (33920)
_BP__ Creative Commons License 2018.11.20 0 0 33922

Lazán rakom, az égő fa tetejére, nem is tornyozom.

Előzmény: Kapocska (33919)
bnorci71 Creative Commons License 2018.11.20 0 0 33921

amit eddig írtak szellősen és csak "sok" levegővel intenzíven égetve

Előzmény: _BP__ (33918)
nagykunsági Creative Commons License 2018.11.20 0 0 33920

Kazánban sehogy.

 

Állítólag kandallóban elég jó. 

 

 

Előzmény: _BP__ (33918)
Kapocska Creative Commons License 2018.11.20 0 0 33919

Próbáld ilyen lazán rakni,hogy az elégett rész lehulljon, helyet adva a következő rétegnek.

 

Legközelebb csinálj ilyet :-)

Előzmény: _BP__ (33918)
_BP__ Creative Commons License 2018.11.20 0 0 33918

Sziasztok, a nyáron gyártottam papírbriketteket a 2017-es fűrészporból és most égetem el őket, de nálam borzalmasan égnek. A jobbik eset, amikor átizzik az egész, a rosszabbik esetben feketén füstölög csak, és szét kell ütni őket, hogy rendesen elkezdjenek égni. Méret: 29*10*7, szóval nem is nagy téglákról beszélünk. Mindig izzó, lángoló fára teszem rá, amikor a kazánvíz 75-80 fokos.

Hogyan lehet ezeket jó hatásfokkal elégetni? Lukat a közepére? :-) 

nixon70 Creative Commons License 2018.11.13 0 1 33917

A nyomottra, mert a szívotton kavitációt okozhat.

Előzmény: Gamgoa (33915)
bnorci71 Creative Commons License 2018.11.13 0 1 33916

nyomott oldalon szerintem jobban/könnyebben kinyitja a keringető

a keringetőnek mindig a hozzáfolyás a lényeges ha az nincs nem tud mit nyomni, szerintem

Előzmény: Gamgoa (33915)
Gamgoa Creative Commons License 2018.11.13 0 0 33915

Egy fűtési rendszerben a visszacsapó szelepet mindegy hogy a keringetőszivattyú melyik oldalára teszik? A nyomott vagy a szívott oldalra?

granov Creative Commons License 2018.11.10 0 1 33914

A tágulási nem biztonsági elem, noha az lehet jól használva.

Ha száz elzáró elem van a tágulási és a kazán között akkor semmire sem jó, még tágulásinak se igazán.

Előzmény: Kapocska (33913)
Kapocska Creative Commons License 2018.11.10 0 0 33913

Ha ottmarad a nyitott tágulási akkor van rá esély.

Előzmény: granov (33912)
granov Creative Commons License 2018.11.10 0 0 33912

Egyetlen kazánbiztonsági berendezés sincs a rajzodon.

Ha kazán szivattyú leáll, gond lehet. Extrém esetben nagyon nagy. (Lebontja a házad)

De egy kisebb is megnyithatja a fűtési rendszert, ami nem veszélyes de nincs fűtés pár napig.

 

 

 

Előzmény: ...hun114 (33890)
Kapocska Creative Commons License 2018.11.10 0 0 33911

Én csak a tágulásira tettem javaslatot,mert egyrészt nem a lakásköri

nyomóágában lenne,másfelől,ha megfut a kazán legyen hová kiengedni a gőzt.

 bnorci71 meg leírta a választ.

Előzmény: ...hun114 (33908)
KO75 Creative Commons License 2018.11.10 0 0 33910

Üdv.

 

Nem vagyok aktív ezen a fórumon de hátha érdekel valakit. Feleslegessé vált kettő darab Regulus TSV3B 1"-os kazánvédő szelep 65 fokos termosztát szeleppel,3-4 szezont mentek, elektromos szabályozóra tértem át, ezért eladó sorba kerültek.Ha valakit érdekel privátba lehet érdeklődni.Van még hozzá külön egy 65-ös és egy 77-es termosztát.

TSV3B 7000-FT/DB(új ár 15331-ft https://www.regulus.hu/tsv3b-kazanvedo-szelepek)

 

Termosztátok TSV szelepekhez: 77-os 4000-ft(teljesen új nem volt használva), 65-os 2000-ft.

Érdeklődni privátban, e-mail publikus.

 

bnorci71 Creative Commons License 2018.11.10 0 0 33909

a lakásköri jó helyen van a rajzodon,

igen a pufi tetejére kel egy hőmérséklet kapcsoló ami a szivattyút vezérli, hogy ha lehűlt a pufi a lakás termosztát mégis fűtene ne menjen feleslegesen

Előzmény: ...hun114 (33908)
...hun114 Creative Commons License 2018.11.10 0 0 33908

A lakásköri keringtető jó a meleg ágban? Vagy a visszatérőben lenne jobb?

Ezek szerint, ha egyszerűsítem, akkor a lakásköri keringtető szivattyút vezérelhetné a puffertartály tetején levő vízhőmérséklet mondjuk egy 45 celsiussal.

Előzmény: Kapocska (33907)
Kapocska Creative Commons License 2018.11.10 0 0 33907

Ez sem rossz,sőt!

Előzmény: Kapocska (33906)
Kapocska Creative Commons License 2018.11.10 0 0 33906

Az a tágulási jobb helyen lenne a pufi tetejéről kivezetve ,jól leszigetelve.

Előzmény: ...hun114 (33905)
...hun114 Creative Commons License 2018.11.10 0 0 33905

Köszönöm a tanácsokat!

Akkor ezek szerint nem járok nagyon rossz úton:)

...hun114 Creative Commons License 2018.11.10 0 0 33904

Szia

Sajnos a rajz csalóka ill hibás. Nem köpenyfűtéses a puffer.

Előzmény: peterch (33894)
Pioharley Creative Commons License 2018.11.09 0 0 33903

Lehet,én tettem,hogy kényszetítsem a puffer felé.könyebben fordul.Meg ha takarítom a vtc-t elzárom és a fölötte lévő víz nem folyik ki...

Előzmény: nagykunsági (33902)
nagykunsági Creative Commons License 2018.11.09 0 1 33902

VTC elé ferde szelep.  Felesleges kolonc. 

Előzmény: Pioharley (33901)
Pioharley Creative Commons License 2018.11.09 0 0 33901

Üdv Nagykunsági! Mi minek? Mi a kérdés?A zónaszelep vagy a szabályzóra gondolsz?

 

Előzmény: nagykunsági (33900)
nagykunsági Creative Commons License 2018.11.09 0 1 33900

Minek?

Előzmény: Pioharley (33899)
Pioharley Creative Commons License 2018.11.09 0 0 33899

Annyimég csak hogy a tömgáramlást szabályozni kell!Vtc szelep elé ferde szelep, lakásból visszatérőbe közel a pufferhoz (elágazás után)szintén szabályzó szelep...

Előzmény: ...hun114 (33890)
Pioharley Creative Commons License 2018.11.09 0 0 33898

Kedves ...Hun 114 a betett rajz alapján jó lesz!Be fűttesz és egyből megy a lakás felé is.Nekem detto így van megcsinálva. annyi hogy egy alaphelyzetbe zárt zónaszelep akkor nyit ki ha a lakásköri megy és a kazán melegebb mint 40 fok.

 

Előzmény: ...hun114 (33890)
bnorci71 Creative Commons License 2018.11.09 0 0 33897

2T bekötés és "rögtön" lehet meleget csinálni

Előzmény: ...hun114 (33893)
peterch Creative Commons License 2018.11.09 0 0 33896

Akkor én tévedtem egy hatalmasat és a szigetelést két oldalt véltem a köpenyfűtésnek . Gondoltam ez olyan kivitelezésü . :(

Előzmény: Norisz1 (33895)
Norisz1 Creative Commons License 2018.11.09 0 0 33895

Én nem vettem észre a rajzból, hogy köpenyfűtéses lenne a puffer..

Előzmény: peterch (33894)
peterch Creative Commons License 2018.11.09 0 0 33894

Szia !

 

Csak belevaúzok , ha megengeded !  Köpenyfütéses puffer esetében is ilyen gyorsan lesz melegvíz a pufferban ?  Nem lenne jobb egy motoros szelepet tenni a leágazáshoz  a puffer oldalra , oda ahova a szobatermosztát van beírva ?

Csak egy amatör hsz -a . :)

 

Üdv , Péter .

Előzmény: Norisz1 (33892)
...hun114 Creative Commons License 2018.11.09 0 0 33893

:)

 

Jó gondolat! A hely kissé szűkös, de megnézem, hogy elfér-e! :)

Ez sokat egyszerűsítene! Köszi!

Előzmény: Norisz1 (33891)
Norisz1 Creative Commons License 2018.11.09 0 0 33892

Ahol a légtelenítő szelep is van írva a rajzodon.

Én oda tettem egy T-t és így lett hely az autómata légtelenítőnek is!

Előzmény: Norisz1 (33891)
Norisz1 Creative Commons License 2018.11.09 0 0 33891

Hello

Ha a puffer tetejéből veszed ki a radiátorokhoz a meleg vizet mint általában sokan csinálják mint én is akkor kb 10-15 perc fűtés után már melegek a radiátoraid..😁

Előzmény: ...hun114 (33890)
...hun114 Creative Commons License 2018.11.09 0 0 33890

Sziasztok!

Szeretnék tanácsot kérni jelenlegi fűtésem korszerüsítésével kapcsolatban.
Most egy vegyes kazán és nyitott, radiátoros rendszer van kialakítva. 

Ezt szeretném puffertartállyal kissé komfortosabbá tenni.

A helyiség mérete miatt 1000 literes tartály kerül beépítésre.

 

Rajzoltam egy ábrát az itt olvasottak alapján. 

 

A kérdésem az lenne, hogy megoldható valahogy, hogy a kazán először a házat fűtse fel és utána a puffert?

 

Választ előre is köszönöm!

 

Norisz1 Creative Commons License 2018.11.09 0 0 33889

Ja nekem egyből a ház fal mellett van.

Te is tudnád oda tenni?

És akkor a csöveket sem kell annyira szigetelni.

Előzmény: Norisz1 (33888)
Norisz1 Creative Commons License 2018.11.09 0 0 33888

Hello

Nekem így van megcsinálva ahogy te gondolkodtál..

Van köré építve egy kis háziko és brutális mód leszigetelve..

Van rajt első körben 10cm purhab szigetelés+ a legvékonyabb résznél is még minimum 15cm hungarocell golyó cement keverék az épület fala és a puffer között légmentesre kiöntve! Tavaly a leghidegebb időben 5C' fokot hűlt a leghidegebb időben 24 óra alatt! 70C-65C-ra.

Előzmény: ati888 (33886)
bnorci71 Creative Commons License 2018.11.08 0 0 33887

szerintem az 500L is inkább csak a kazán teljesítmény kiegyenlítésére alkalmas tényleges átmeneti tárolónak nem :(

 

a hasábnak a merevítése a kérdés ha jól van megcsinálva működik

Előzmény: ati888 (33884)
ati888 Creative Commons License 2018.11.08 0 0 33886

Szia!

 

Erre gondoltunk mi is, hogy egy plusz szigeteléssel vagy egy köré épített kis "házikóval" esetleg meg lehetne oldani, de az nem tudom, hogy jó megoldás lenne a nagyobb hidegekben. Plusz akkor ott még a csöveket is jól le kellene szigetelni.

 

Ati

Előzmény: Norisz1 (33885)
Norisz1 Creative Commons License 2018.11.07 0 1 33885

Házon kívülre tenni megoldhatatlan lenne a puffert? 

Előzmény: ati888 (33884)
ati888 Creative Commons License 2018.11.05 0 0 33884
Kapocska Creative Commons License 2018.11.03 0 0 33883
Előzmény: negativ0001 (33879)
pajaci Creative Commons License 2018.11.03 0 0 33882

Nem írnak ilyet. Ivóvizet írnak, ahol folyamatos a friss vízzel jövő oxigén utánpótlás. De ott sem tilos, csak 50 év helyett 45 év alatt fog kilyukadni valahol.

 

Előzmény: Wattocsak (33881)
Wattocsak Creative Commons License 2018.11.03 0 0 33881

Igaz!

Elektrokorrózió miatt nem szabad egy rendszerbe építeni!! Ezer éve minden szakkönyv ezt írja, de mint látom az ezer év kevés volt, hogy átmenjen. :-)

Előzmény: negativ0001 (33879)
pajaci Creative Commons License 2018.11.01 0 0 33880

Nálam vegyesen van 4-5 éve, eddig nem történt semmi.

Előzmény: negativ0001 (33879)
negativ0001 Creative Commons License 2018.11.01 0 0 33879

Sziasztok! Igaz az a hir, hogy a galvanizalt csoveket,szerelekeket ugyan abban a rendszerben nem lehet hasznalni a rezzel?

nixon70 Creative Commons License 2018.10.29 0 0 33878

Egy spéci műszer csatlakoztatható a piros és kék pontra, amivel üzem közben be lehet állítani a megfelelő térfogatáramot.

Előzmény: Sw201inger (33876)
Kapocska Creative Commons License 2018.10.29 0 0 33877
Előzmény: Sw201inger (33876)
Sw201inger Creative Commons License 2018.10.29 0 0 33876

Sziasztok!

 

A képen látható ferde szelepet hogy lehet beállítani, mi a szerepe a fűtésben?

A kék és a piros kupakok alatt is 1-1 imbuszcsavar van + a nagy piros kézikerék is forgatható (1-8, vagy valami ilyesmi).

Mit lehet 3-féleképpen beállítani egy db egyútú szelepen, valamiféle hiszterézist?

Elnézést a láma kérdésért, de tényleg nagyon érdekelne.

 

Köszi szépen!

Kapocska Creative Commons License 2018.10.25 0 0 33875

Olvastam!

Nekem az jön le:hogyan lehet megduplázni a szelepeladásokat.

Nem fejtegetem,hogy a szivattyú fordulattal és/vagy egy kézi szab szeleppel hogyan lehet elérni ugyan ezt. (80fok)

Előzmény: negativ0001 (33873)
negativ0001 Creative Commons License 2018.10.25 0 0 33874

En mind azon gondolkodom, de a bankszamlam nagyon ellenkezik.

Előzmény: nagykunsági (33869)
negativ0001 Creative Commons License 2018.10.25 0 0 33873

Ezt a dupla szelepes megoldast gyenge kazanoknal szoktak alkalmazni, vagy ha gyorsan kell 80fokos viz.

Az enyem 22 KW.

Előzmény: Kapocska (33870)
negativ0001 Creative Commons License 2018.10.25 0 0 33872

Jaaa, ok ertem. A puffer folotti elkerulo ag csak arra hivatott szolgalni, ha valami tortenik a pufferrel, vagy a szelepekkel es javitani kell, akkor kizarom a puffert es a futes megy hagyomanyosan. Tehat elzarom a puffer fele es felole erkezo csapokat.

Előzmény: Kapocska (33870)
Kapocska Creative Commons License 2018.10.25 0 0 33871

Ha meg úgy marad ahogy rajzoltad akkor 1db szelep sem kell neked.

Előzmény: Kapocska (33870)
Kapocska Creative Commons License 2018.10.25 0 0 33870

Továbbra sem tartom jónak az indirekt bekötést,még akkor sem,ha a kazán

szokta a 130 fokot,mert ezt meg kéne szoktatni a szivattyúval is ami

max. 110 fokot visel el (ha?).

A dupla VTC szelepet is indokolatlannak tartom,mert van kerülő ágad, ha a lakásfűtés

nem tud várni egy félórát.

Nem tudom a kazánod mit tud,lehet,hogy kétszer is át kell forgatni a vizet ,mert a második szelep sem termel energiát.

Egy magasabb hőértékű patronnal lehet egyből készre tudod tölteni (75/90 fok) ha ez a cél.

Pl. egy 2köbös tartálynál már meggondolandó,hogy csak a felét fűtöm fel ilyen átmeneti időszakban

és a rétegződés is akkor valósul meg igazán ,ha magas a hőmérsékletkülönbség a két réteg között.

Nálam 40 fokos vízzel nem lehet fűteni , ezért nem is látom értelmét ,hogy idényben a maradék nem

elhasznált vizet emelje 5 fokkal egy külön szelep.

 

 

Előzmény: negativ0001 (33866)
nagykunsági Creative Commons License 2018.10.25 0 0 33869

Én a helyedben lakásköri szivattyúnál elgondolkodnék a Grundfos Alpha szivattyún. Sokkal jobb, mint a sima 2 fokozatú. 

Előzmény: negativ0001 (33866)
Kapocska Creative Commons License 2018.10.25 0 0 33868

A  pufi kerülő is kérdéses ,ha csak a lakásköri szivattyú megy,ha mindkettő akkor a VTA és a becsatlakozás közé kellene egy lengő vcs,

 

Remélem a piros látszik ezen a jó minőségű ábrán (a cerka foghatott volna vastagabban is).

 

Mi ebben a bonyolult?

Előzmény: Norisz1 (33867)
Norisz1 Creative Commons License 2018.10.25 0 0 33867

Azért mert Kapocska állandóan úgy fogalmaz, hogy ha ötször olvasom el akkor is csak a felét sem értem..🤣

Előzmény: negativ0001 (33866)
negativ0001 Creative Commons License 2018.10.25 0 0 33866

Koszonom a hozzaszolasokat.

A kazanom mar megszokta a 130 fokos gozgyartast, ugy hogy nem problema :)))

Habar sokat nem ertettem a hozzaszolasbol :) , de igyekszem. A pompa a kaza-puffernel talan 25/40es lesz, de lehet, hogy 25/60ast teszek, hogy tekerje gyorabban. Amugy 3 fokozatu lesz es majd kikiserletezem.

1"os cso csak az ESBE szelepeknel lesz es a pompanal, a tobbi az 6/4"-es.

A motoros homerseklet vezerlest azert dobtam, mert joval dragabb. Nekem ez adta az ihletet.

http://www.termoventiler.com/en/products/laddomat/laddomat-11-30-duo

 

A lakaskori szivattyu az ket fokozatu 25-60as. Majd varialgatom a fokozatokat, mig el nem talalom a jo beallitast, vagy nem.

Nem ertettem, hogy a lengo visszacsapot hova kellene betennem?

Koszi.

 

 

 

Előzmény: Kapocska (33865)
Kapocska Creative Commons License 2018.10.24 0 0 33865

Az a gyanúm,hogy ebben a formában sokszor fog forrni a kazánod.

Az 1”-os csővel (gondolom az indirektben sem kisebb) az alig hűlt víz visszavezetése

amellett,hogy meleg még a szivattyút is kiakarja elégíteni miáltal a két ESBE szelepre

kevesebb hatónyomás kerül.

És a felfűtés végén pl. 5-8 fokos dT-t el lehet felejteni.

A dupla VTC helyett jobb megoldás lenne (45fokos) egy motoros 3utú amit hőmérséklet vezérelne.

A  pufi kerülő is kérdéses ,ha csak a lakásköri szivattyú megy,ha mindkettő akkor a VTA és a becsatlakozás közé kellene egy lengő vcs, ,hogy ne kerülje ki a VTA-án keresztül a szivattyút és ne tolja a sok hideg vizet a kazánba.

Mekkora különbség van a két szivattyú között?

Hirtelen ennyi.

Előzmény: negativ0001 (33861)
Norisz1 Creative Commons License 2018.10.24 0 0 33864

Előzmény: Norisz1 (33863)
Norisz1 Creative Commons License 2018.10.24 0 0 33863

Nekem így van bekötve ez a kicsike kis tartályocska.

Többre nem futotta az elmém kapacitása miatt.🤣

Amúgy a kazánt a puffert az aprítékégetőt én terveztem és csináltam. Kis fórumos segítséggel az összekötés is sikerült.😎

Előzmény: Norisz1 (33862)
Norisz1 Creative Commons License 2018.10.24 0 0 33862

Ezért fűtök forgáccsal..😁

Tőlem ne kérdezz ilyeneket asztalos vagyok..🤣

Kicsit konyítok csak ehhez ahhoz..

Előzmény: negativ0001 (33861)
negativ0001 Creative Commons License 2018.10.24 0 0 33861

Latom eleg halott ez a forum.... tenyleg draga lett a fa :(((( A bekotesi rajzomhoz hozza tudtok szolni? Erdemes valamit valtoztatni?

Előzmény: Norisz1 (33860)
Norisz1 Creative Commons License 2018.10.22 0 0 33860

8 órát biztos át fog hidalni..

Nekem 2300l es a puffer és 24 órát a leghidegebb időben is bírta. 120m2 a házam közepes (nem hiper szuper) szigeteléssel.

 

Előzmény: negativ0001 (33859)
negativ0001 Creative Commons License 2018.10.22 0 0 33859

Lehet,h ugy van,de most nekem ez van,ezzel kell eljek. Ha elerem azt,h 8 orat athidal ejjel,akkor ok. Nalunk ejjel 11tol reggel 7ig 17-18 fok kell (a gyerekek miatt), ugy hogy talan athidalja.

Előzmény: pajaci (33857)
Kapocska Creative Commons License 2018.10.22 0 0 33858

Darabszám nem csak a nem szimpatikus fekvő esetén létezik.

Előzmény: negativ0001 (33855)
pajaci Creative Commons License 2018.10.22 0 0 33857

A fekvő is rétegződik, a fizika nem hazudik, mint ahogy a fekvő villanybojlerek is mutatják.

Előzmény: negativ0001 (33855)
negativ0001 Creative Commons License 2018.10.22 0 0 33856

Gyor= gyors

Előzmény: negativ0001 (33855)
negativ0001 Creative Commons License 2018.10.22 0 0 33855

Fekvo puffer nem is johet szamitasba a rossz vagy talan nulla retegzodes miatt. Ez van ezt kell hasznalnom. Dupla esbe szelepet fogok hasznalni a gyor felfutes es jo retegzodes erdekeben.

Előzmény: Kapocska (33854)
Kapocska Creative Commons License 2018.10.22 0 0 33854

magassaggal van a gond

 

És a darabszámmal,fekvővel?

Előzmény: negativ0001 (33848)
pajaci Creative Commons License 2018.10.22 0 0 33853

Alá én nem tettem semmit, úgyis teljesen hideg a legalja 99%-ban.

Előzmény: negativ0001 (33852)
negativ0001 Creative Commons License 2018.10.22 0 0 33852

Szia! 210 magas,80centi szeles. Az ajto 90cm. A gipszkartonig meg van 15cm,de alol meg beteszekek egy 2cm lepesallot es 1 centis osb-t. Igy nem lesz vastag a szigeteles,de lehet, hogy lefestem Hp-4 festekkel.

Előzmény: bnorci71 (33850)
bnorci71 Creative Commons License 2018.10.22 0 0 33851

az de szép lehet :)

1,25+2x0,4

Előzmény: Norisz1 (33849)
bnorci71 Creative Commons License 2018.10.22 0 0 33850

mennyi a magasság?

 

a Primagáz tartállyal ha szétvágja az ember, 2m-es magassággal is 2000L lehet a pufi mert 1,25m az átmérője, így 2,4m magasságba simán befér

Előzmény: negativ0001 (33848)
Norisz1 Creative Commons License 2018.10.21 0 0 33849

Én ezért tettem a kintre a pufit..

Kb 40cm a szigetelés rajta.

Előzmény: negativ0001 (33848)
negativ0001 Creative Commons License 2018.10.21 0 0 33848

Nagyobb nem fer be...a magassaggal van a gond. 85-90nm aktiv felulet es meg 20nm ahol csak temperalni kell, kb 10C. A gond akkor lesz amikor hozza fogok toldani a hazhoz meg 40nm-ert.

Előzmény: Norisz1 (33847)
Norisz1 Creative Commons License 2018.10.21 0 0 33847

Nem kicsi a 900l pufi?

Mekkora a ház?

Előzmény: negativ0001 (33846)
negativ0001 Creative Commons License 2018.10.21 0 0 33846

Es itt van egy masik kep a puffer kikerulo korrel es a vezerlessel.

negativ0001 Creative Commons License 2018.10.21 0 0 33845

Sziasztok !

Kb 7-8 eve olvasgattam ezt a topikot, de akkor meg nem volt aktualis nalam a puffer, de most, hogy a fa ara megugrott, gondoltam bekotok egy puffert. Habar a velemenyek megoszlanak, de legalabb kenyelmesebb lesz a futes, mert eddig nalam a hofok 24 es 16 fok kozott mozgott, amikor kint -15 volt.

Itt van a rajz, ahogy elkepzeltem. Esetleg ha valami hibas, akkor kerlek segitsetek ki.

Vezerles meg nincs rarajzolva....

Amugy a fustgaztermosztatot milyen tavol kell tenni a kazantol? 50-300 termosztatra gondoltam. Vagy talan elotte probat kell tennem egy homerovel, hogy hol talalom meg ezt a tartomanyt?

Koszi.

T-omti Creative Commons License 2018.10.18 0 0 33844

Hali

 

Én úgy értettem, hogy eddig 60 fokos kevert víz ment vissza a kazánba, kb. 73 jött ki, és csak akkor kezdett emelkedni a kijövő, ha fűtés végén 60-nál magasabb ment a kazánba.

Most 15-tel több mindkettő a fűtés elejétől.

 

Üdv

 

Előzmény: Kapocska (33843)
Kapocska Creative Commons License 2018.10.18 0 0 33843

Elvileg nincs benne:

Lehet,hogy tartozék mert nem csak ehhez használható.

88-75= ?

Előzmény: T-omti (33842)
T-omti Creative Commons License 2018.10.18 0 0 33842

Sziasztok

 

Cserélt már valaki patront Esbe vtc 511-ben.

A patronhoz adtak egy O-gyűrűt is, de a szelepből kijövő patronon ilyen nem volt.

http://solar-d.hu/webshop/show/ESBE_VTC951_TERMOSZTAT_60C_LTC100_VTC500_13161

 

Az oktatóvideóban sem látok a patronon gumigyűrűt.

 

https://www.youtube.com/watch?v=773Eunza_FI

 

Esetleg a patron és a rugó közé kell, és a régi patronról elkopott ?

A szelep alján található csavarra túlságosan kicsi.

 

Első fűtést végzem, 60-as helyett 75-ös patronnal szerelt szeleppel.

Eddig pozitív az eredmény.

Folyamatosan 88 fokos a kazán , ami azt jelenti, hogy 15 fokot emeltem a kijövő víz hőmérsékletén.

A bemenő 75.

Így nincs túlhűtve folyamatosan a kazán alja.( ezért jó a samottos kazánok kandallók)

 

Üdv

 

 

Kapocska Creative Commons License 2018.10.17 -1 3 33841

Kérjél már elnézést vazzzeeee!

Vagy a határ a csillagos ég?

Előzmény: nagykunsági (33840)
nagykunsági Creative Commons License 2018.10.17 -4 2 33840

Az erdő is az övé, vagy csak lopja?

 

Amúgy ha ennyit beleinvesztálsz, akkor faelgázosító kazán. 

Előzmény: SpdY29 (33838)
bnorci71 Creative Commons License 2018.10.17 0 1 33839

Bocsi nem szoltam

Előzmény: SpdY29 (33838)
SpdY29 Creative Commons License 2018.10.17 -1 0 33838

Apósom erdész :)

Előzmény: bnorci71 (33837)
bnorci71 Creative Commons License 2018.10.17 0 0 33837

Ha kiépítesz egy gázos fűtést szerintem felesleges a jelenlegi fa/gáz ár mellett még 1M beleölni a vegyes+pufferbe, persze ha saját erdőd van ....

Előzmény: SpdY29 (33836)
SpdY29 Creative Commons License 2018.10.17 0 0 33836

Sziasztok. A napokban végig olvastam a fórumot volt pár hasznos információ köszönöm szépen mindenkinek. Pár szóban szeretném leírni a leendő fűtési rendszerem és ehhez szeretném ha ajánlanátok nekem egy vegyestüzelésű kazánt esetleg tippet hogyan lehetne még jobbá tenni. Egyenlőre csak a padlófűtési és radiátoros csövezések vannak készen. Köszönöm.

 

A fűtési rendszerem: alapterület: 105m2

1; Padlófűtés minden helyiség külön körön és osztógyűjtőről vezérelhető

2; Minden helyiségben külön körön radiátoros kör termoszelepekkel vezérelhető

3; Elsődleges fűtés kondenziációs gázkazánnal fog történni ehhez az Immergas victrix exa 24 kw -ost találtam a legmegfelelőbbnek

4; Másodlagos fűtésnek szeretnék egy vegyestüzelésű kazánt egy 2000L-es puffer tartállyal ehhez szeretném a segítségetek, hogy melyik lenne a most legjobb hatásfokkal működő vegyes kazán!

 

Köszönöm szépen!

Törölt nick Creative Commons License 2018.10.16 0 0 33835

Elvileg most publikus az email címem.

Előzmény: 7Bendi7 (33831)
lala1961 Creative Commons License 2018.10.15 0 0 33834

Üdv ! Jah,azért nem a rendszeredről álmodozok ,de ezek szerint nem folyamatos 8kw -al fűtesz se kapcsolgatva 8kw-al ,hanem pont valahol ezek közötti opciók között ,de  a min. 8 kw-al !:) Hát ....,pedig eddig neked mindenben egyedi szerencséd volt,hát ez  ...(lehetne jobb) !:)

Előzmény: nagykunsági (33833)
nagykunsági Creative Commons License 2018.10.14 0 0 33833

Nem tudom ezeket a számokat honnan veszed? Megálmodod őket?

 

 5-10-15 perc/óra üzemelés  

 

Soha nem megy ilyen rövid ideig. 

 

Számlám ideális a régi gázkazánhoz képest, meg a mostani fa árakhoz képest. 

Előzmény: lala1961 (33832)
lala1961 Creative Commons License 2018.10.14 -1 0 33832

Jó reggelt ! Hát nekem nem sok,de neked lehet sok lesz/lenne így a számlád majd ideális állapot szerint a majd folyamatos üzemnél !:) De a padlófűtésnél a "tehetetlenségéből "fakadóan itt IS a majd folyamatos üzem lenne az ideális ,és nem az 5-10-15 perc/óra üzemelés  8 kw-on !:) Amikor számolják a hatásfokot ott is az alacsony hőfok/alacsony teljesítmény komboból jön ki a 100-106% feletti pillanatnyi hatásfok !:)

Előzmény: nagykunsági (33830)
7Bendi7 Creative Commons License 2018.10.14 0 0 33831

Kedves Geotherm67!

 

Több kérdésem is volna a rendszereddel kapcsolatban.

Ha feltehetném privátba a kérdéseket, nagyon örülnék.

Az adatlapodon nem találtam elérhetőséget. Ha esetleg segítenél....

 

Köszönöm.

Előzmény: Törölt nick (33798)
nagykunsági Creative Commons License 2018.10.14 0 0 33830

Most miből jött az ki, hogy 8 kw az sok?

Előzmény: lala1961 (33828)
Kapocska Creative Commons License 2018.10.14 0 0 33829

Mert úgy van beállítva, hogy véletlenül se moduláljon! :-)

Előzmény: lala1961 (33828)
lala1961 Creative Commons License 2018.10.13 0 0 33828

Arra gondoltam ,hogy a termosztát kikapcsolásáig folyamatos 8 kw a sok !:) Miért nem kapcsol később ki mondjuk úgy,hogy a vége felé 2,4 kw on csak pötyög a kazán ?:) 

Előzmény: nagykunsági (33827)
nagykunsági Creative Commons License 2018.10.13 0 0 33827

Miért is?

 

Szerinted úgy fűtök hogy ősszel bekapcsolom, beindul , fűt folyamatosan 8 kw-al, aztán tavasszal kikapcsolom?

 

Vagy esetleg felmerült benned, hogy van szobatermosztát, és a megfelelő hőmérséklet elérésekor kikapcsolja a kazánt?

Előzmény: lala1961 (33826)
lala1961 Creative Commons License 2018.10.13 0 0 33826

Üdv ! Ha folyamatosan 8kw-al menne ,lehet visszaállnál a fatüzelésre !:) Kapcsolgat egyáltalán? Mert ha nem hát .... ,előbb utóbb csak vesz vissza a teljesítményéből !?:)

Előzmény: nagykunsági (33825)
nagykunsági Creative Commons License 2018.10.13 0 0 33825

Nem állok folyamatosan mellette, és nem figyelem.

 

Néha ránézek ha van időm és kedvem, az elején tesztelte, de mint írtam folyamatos fűtés üzemben még 8 kw alá nem ment. 

 

Papíron 10% ígérnek, és hát a tudat, hogy lemenne ha kellene, az minden pénzt megér :)

Előzmény: tormap (33824)

Ha kedveled azért, ha nem azért nyomj egy lájkot a Fórumért!