Keresés

Részletes keresés

83Szt3 Creative Commons License 2013.04.17 0 0 30697
Ebbe igazad van és ahogy irtam is ezt nem is k3érdőjelezem meg! De ez itt egy rádio"amatőr" fórum. Nem pedig rádiotechnikai technikum... :-) ;-)
Én pedig ha lehet és segitetek akkor tanulni szeretnék, nem pedig azt várom hogy helyettem megoldja valaki.
Amugy nekem is volt ilyen tapasztalatom más területen amihez én konyitok... De aki akarta az megtutta tanulni, aki meg nem a helyett meg meg kellett volna csinálni... Na az a mai napig nem tudja...;-)
Előzmény: Törölt nick (30693)
83Szt3 Creative Commons License 2013.04.17 0 0 30696
Rutinos volt a kisöreg mert nem az antennát vittem be a boltba hanem ő hozta ki a ketyerét a kocsiba.
Amugy biztos sokan ismerjük. Pesten az Ady Endre ut végén lévő rádios bolt. Szerintem kb 20
éve ott van
Előzmény: TamiBT (30695)
TamiBT Creative Commons License 2013.04.17 0 0 30695

 - es a szaki hogyan csinalta? elvitted hozza es elkezdte merni/vagdosni?

 - en a leendo vegleges helyen mertem volna, mert ha nem ott lett behangolva, az a hangolas mehet a kukaba...

Előzmény: 83Szt3 (30686)
radio08 Creative Commons License 2013.04.17 0 0 30694

Igen ,  ezt  időnként   fel  kell  eleveniteni  mert  érvényes  gyakorlatilag  minden értelmes  dologra.  Vagy  hagyjuk  a  fenébe  az  egészet.

Előzmény: Törölt nick (30693)
Törölt nick Creative Commons License 2013.04.17 0 0 30693

Régi mondásom ami minden műszaki vonatkozásban előbb utóbb beigazolódik: A szaktudás nem kikerülhető.

radio08 Creative Commons License 2013.04.17 0 0 30692

Most  viszont Chuck  Norris  visszavette  a  vezetést,  csönd  is  van  ,   senki  nem  pofázhat   chuck  ő.  Meg  csak  ékezet nélkül.

Előzmény: vacilacko (30682)
83Szt3 Creative Commons License 2013.04.17 0 0 30691

Írtam mailt ! :)

 

Előzmény: radio08 (30690)
radio08 Creative Commons License 2013.04.17 0 0 30690

Maradjunk  abban  hogy  jó  felé  kapisgálsz,  de  ezt  a  témát   kérdés-felelettel  nem nagyon  lehet  lefedni   ,  attól  lényegesebben

bonyolultabb,   a  kérdés  csak  arra  jó  hogy  az  érdeklődést  felkeltse ,  a  többit  a  szakirodalomnak  kell  megoldani ,  ez  megke-

rülhetetlen. Viszont   a  szakirodalom  óriási  , vigyázni  kell  hogy  jó  felé  induljon  az  ember.  A  sebesség  nem  számit  ,   az  irány

az  a  fránya   irány,  ezen  múlik  minden.

 

Előzmény: 83Szt3 (30689)
83Szt3 Creative Commons License 2013.04.17 0 0 30689

Nem vitatom hogy nagyon sok helyen van "köd" bennem! :) Ezért kérdezek!  A műszerek iránt meg azért érdeklődtem mert nem akarok hülyeséget csinálni vagy a rádiónak ártani!



Mert nem hiszem hogy mindenki pontos és tökéletes antennát tud készíteni csak vonalzó segítségével. ezért gondoltam hogy valahogy csak csak lehet őket ellenőrizni! De hogyan?! :)

A kép amit feltettél hát lehet hogy hülyeséget írok de bevállalom! :)

Szürke görbe: Hát így elsőre nem sokat mond...

Piros görbe: elvileg az SWR értékét mutatja hogy milyen frekvencián milyen SWR-t produkál a jól látom akkor a minimuma az olyan 145.xxx MHz környékén lehet 1,1-1,2 körül

 

Kék görbe: nem tudom elvileg a nyereség? Tehát a minimum pontján üzemel a legjobban az antenna??

Előzmény: radio08 (30688)
radio08 Creative Commons License 2013.04.17 0 0 30688

Ilyen  relative  egyszerű  logikus személytől  független  tények   nem  jelentenek  jelentős   szakmai  tudást,  a  kérdéseidben  is  jelentős   ellentmondások  vannak   ha   jobban  megfigyeled  vagy  ha  egy  két  tény   a  helyére  kerül.

Előzmény: 83Szt3 (30686)
radio08 Creative Commons License 2013.04.17 0 0 30687

Igen,  nem  a csipkedés  a  lényeg  hanem  a   mérés  amit  csipkedés  közben   végzett  és  közben  nem   mérőszalaggal   mért

hanem   műszert   nézte  hogy  mikor  jó,  természetesen   nem  a  pontos  méret   a  lényeg  amit   centivel   mérsz   hanem   amit

a   mérőműszer   mutat.   Utána  is   van  méret   amit  centivel   meg  lehet  mérni  ,  de   nagyon  sokszor  nem  egyezik  a   centiben

megadott  mérettel   mert  az   antenna  mérő   műszer   egy  olyan  karakterisztikával  felűl  irta  mint  amit  feltettem.

A   feltett    mérési  eredmény   mond  neked  valamit ?

Előzmény: 83Szt3 (30686)
83Szt3 Creative Commons License 2013.04.17 0 0 30686

Szia radio08!

Félre ne értsd, tisztelem a szakmai tudásodat, de akkor viszont volna egy két kérdésem!

Volt (van) nekem  mágnestalpas "pálca" antennám! amikor elmentem szakihoz, hogy behangolja akkor rákötötte az antennát egy kis dobozra ami kiírta a frekvenciát, és csípő fogóval elkezdett csipkedni az antennából amíg az általam használt frekvenciák "középértékéét" nem mutatta a műszer!
Akkor nem így kell hangolni az antennát?

Az általunk, tehát házilag készített antennák hangolását akkor teljes mértékben a pontos méretek betartásával lehet a kívánt frekvenciára hangolni? mi van ha pl egy koax kolineárt készítek és a forrasztások miatt hosszabb lesz egy egy tag vagy rövidebb? Vagy egy pálca antennát vagy akármit.. honnan tudom, helyesebben hogyan tudom a frekvenciáját leellenőrizni??  mert elvileg csak úgy ha bemérem!

Illetve elkészítés után hogy tudom az SWR-jét leellenőrizni? és  a megfelelő Betáplálási pontot?

Ezekhez azért csak csak kell valami mérő műszer... :)

De javíts ki ha hülyeséget írtam, mert én nem tanultam meg nem végeztem ilyen jellegű semmit csak ami az x év használat és az internet felületes olvasása alatt rám ragadt!

 

radio08 Creative Commons License 2013.04.17 0 0 30685

Méretezéssel  nem lehet hangolni, viszont  állandóan  ellenőrizni  kell   hogy  milyen  frekin  rezeg,  a  rend  kedvéért  semmit  nem kell

csinálni ,  csak  azt  amitől  jó  lessz   egy  antenna.

Előzmény: Firefighter83 (30683)
radio08 Creative Commons License 2013.04.17 0 0 30684

 Igen , jó  a  kinézett  irány, slim jim  a  műanyag cső  külsején  10 mm

-es  koaxból  , ráfogatva,  gyakorlatilag  egy   hajlitott  dipol   ami  félhullám , negyedhullámú  taggal  táplálva,  a  mért  eredmény

már  természetesen  a  legoptimálisabb  betáp  pont  megtalálása  után,  a  gyakorlati  felhasználás   igazolja  a  mért  , rögzitett  dol-gokat.

Előzmény: Firefighter83 (30683)
Firefighter83 Creative Commons License 2013.04.17 0 0 30683

Sziasztok!

 

Antennákkal kapcsolatban kérném a segítségeteket! Arra adtam a fejem, hogy építenék pár saját antennát! egyrészt a tesztelés másrészt pedig a kihivás harmadrészt pedig a marhadrága antenna árak miatt!

Főképpen Vhf antennát szeretnék de egy két 2sávosat és uhf-et is összeraknék.

 

Két problémám van ezzel kapcsolatban! az egyik hoyg az antennákat ok méretezéssel lehet hangolni, de azért nem árt néha leellenőrizni hoyg milyen frekin rezeg, és láttam már egyszer kétszer ilyen ügyes kis szerkezetetami csipkedés közbe szépen kiirta hogy mi az antenna középfrekije (tuti házikészítésű volt mert  ip védett elektromosdobozba volt beépítve! :) ) illetve SWR értéket sem árt mérni, már csak a rend kedvéért!
Tehát ilyen műszereket hol lehet beszerezni esetleg utánépíteni stb... stb....

A másik gondom hogy a pálca és hasonló antennákkal ( körsugárzókkal) javarészt az a bajom hoyg valóban kört sugároznak, azaz gömböt, egy két helyen viszont láttam ilyen ( lentebb beszurt kép) karaktrisztikájú antennákat ahol ugymond földközelbe volt a legjobb a tulajdonsága!

Tudnátok e javasolni egy két antenna tipust vagy esetleg részletesebb leiró oldalt kalkulátort  ( ahogy nézem eddig a J-POLE/SlimJim és a KoaxKollineár a befutó)

Előre is köszönök minden segítséget és infót.

vacilacko Creative Commons License 2013.04.16 0 0 30682

Csák Máténak három fia volt,kettő saját,egy mástól kapott:

Chuck Norris,Chuck Berry és Nemcsák Károly :-)

Előzmény: Qqberci (30681)
Qqberci Creative Commons License 2013.04.16 0 0 30681

Csák Norisz egyszer nemCsák Károlyt is megpofozta...

Előzmény: _nyunyuka (30679)
_nyunyuka Creative Commons License 2013.04.16 0 0 30679

Szép munka, el kell ismerni, tetszik.

 

Nem a tuner, meg nem a ti hibátok, hogy Csák Norisz elüldözte a témát is.

Előzmény: Törölt nick (30678)
Törölt nick Creative Commons License 2013.04.16 0 0 30678

Meg vagyok hatódva ettől a sok lelkes promóciótól ! TNX !

 

A dolog nagyjából sinen van a kifejezés eredeti értelmében.... :)

 

(ui: a hívójel lehet főhadiszállás is )

Előzmény: _nyunyuka (30677)
_nyunyuka Creative Commons License 2013.04.16 0 0 30677

Az adok-veszekben hirdette is a szerzőpáros "csúcsminőséget jelentő hívójelű" tagja a komplett hangolót.

 

A másik tagja meg sok részletet elmesélt a fejlesztés részleteiről, megveheted nyugodtan a cuccot.

Előzmény: Törölt nick (30673)
TamiBT Creative Commons License 2013.04.16 0 0 30676

 - a fejleszto parostol tudsz keszen is venni..

Előzmény: Törölt nick (30673)
Törölt nick Creative Commons License 2013.04.16 0 0 30675

Keresd meg bátran a Simit!

Beszélgettem vele hosszan erről (is), és azóta elkezdem picit mosolyogni a (pl) MFJ megoldásain.

Előzmény: Törölt nick (30674)
Törölt nick Creative Commons License 2013.04.16 0 0 30674

Télleg nem bántó szándékkal írtam. Csak most nagyon nem tudok építgetni :(

Előzmény: TamiBT (30672)
Törölt nick Creative Commons License 2013.04.16 0 0 30673

Az építésre sajnos nem adottak jelen állás szerint a feltételek, ezért keresnék inkább "kulcsrakész" megoldást. Nem sértésből: de ha építgetni szeretnék akkor azt írtam volna, hogy építési tanácsot kérek :)

Előzmény: TamiBT (30672)
TamiBT Creative Commons License 2013.04.16 0 0 30672

 - epits magadnak egyet, pl. egy ilyet.. (ATU-2012) ..?

Előzmény: Törölt nick (30671)
Törölt nick Creative Commons License 2013.04.16 0 0 30671

Sziasztok!

 

RH-ra keresgélek antenna tunert. Egyelőre az LDG féle automata tunerek ötletét félretettem és a manuális megoldások érdekelnének. Ennek okán kérdezném, hogy van-e valakinek bármilyenm tapasztalata a HA5IW féle tunerekkel? Negatívumok? Pozitívumok?

 

Minden tippet, segítséget megköszönök!

 

 

cserebere@stornophone.hu

 

 

73, DX

Törölt nick Creative Commons License 2013.04.16 0 0 30670

Ez szinte "húrfogás". Erre emlékeztet (ritmika).

Ex távírászok átképzése basszusgitárossá? Szerintem menne.

 

http://www.youtube.com/watch?v=yioVmqlt2Fk

Előzmény: schlumbergerrr (30668)
zsozso8400 Creative Commons License 2013.04.16 0 0 30669

Sziasztok! Keresek megvételre TESLA XF9B ssb szűrőt a hozzá tartozó oldalsáv kvarcokkal. 

 

 kukac26@freemail.hu

schlumbergerrr Creative Commons License 2013.04.15 0 0 30668

http://www.youtube.com/watch?v=CB763fK9VKM 

 

Némileg ellentmond a tanfolyamon tanult helyes billentyűfogásnak... Aki elköveti, valószínűleg a szovjet hadsereg egy magyarul beszélő távírásza ( vagy hogy is mondjam)

_nyunyuka Creative Commons License 2013.04.13 0 0 30667
Voltam, már megint egy halom cirillbetűs holmi nálam. Meg kettő W3DZZ-re való anyag :).
Előzmény: Kawabiker (30665)
_nyunyuka Creative Commons License 2013.04.13 0 0 30666
Voltam,
Előzmény: Kawabiker (30665)
Kawabiker Creative Commons License 2013.04.13 0 0 30665

Börzén voltál? Én nem,mert elment a picike pénzem olaj cserére. Épp most cseréltem ki a hétötvenes zöldcségben :)

Előzmény: _nyunyuka (30664)
_nyunyuka Creative Commons License 2013.04.13 0 0 30664
As eredeti as, a barbiké már lapátos. Off vége.
Előzmény: Törölt nick (30662)
HA7PJ Creative Commons License 2013.04.12 0 0 30663

Szia Laci!

Köszi az infót!

Emil

Előzmény: tucsok50 (30657)
Törölt nick Creative Commons License 2013.04.12 0 0 30662

Emlékezetem szerint az dugattyús.

 

Előzmény: _nyunyuka (30661)
_nyunyuka Creative Commons License 2013.04.12 0 0 30661
Meg a BKV metróiban
Előzmény: Törölt nick (30659)
fox hunter Creative Commons License 2013.04.12 0 0 30660

Szia!

Szerintem ez egy fejőgép vákum szivattyú. Javítottam ilyet, kb -1,0 -et tud. Belül egyszerű mint a faék. Az álló és a forgórész is kör alakú, csak a forgórész tengely vonala el van csúsztatva az álló rész tengely vonalától. Tehát egyik oldalán a forgórész majdnem hozzáér az állórészhez. Általában 4 darab szénlapát van benne. A motorral ellentétes oldalon lévő zárólappal szokott probléma lenni, ki szokta marni a forgórész és elmegy a vákum. Ilyenkor le kelle marattni a lapot.

 

Előzmény: HA7PJ (30645)
Törölt nick Creative Commons License 2013.04.12 0 0 30659

A dizel autók zömében is lapátos szivattyú van a fékszervó vákumjának előállítására.

Előzmény: tucsok50 (30657)
Törölt nick Creative Commons License 2013.04.12 0 0 30658

Ilyen előfordul. Régen telepíteni akartunk egy átjátszót Őcsény-Kab hegy viszonylatban Mórágyi rögön. 5ésfél órát gubbasztottam egy árbocon amire feladtuk. Kiderült, hogy közben egy másik csapat felment Kab hegyre karbanntartani és beleejtettek az átjátszóba valami fém tárgyat amitől nagy szikra kiséretében megállt az átjátszó. Akkor még nem volt mobiltelefon. Amikor megkérdeztük a tagállomásokat azt mondták, hogy minket jól hallanak de a sok birka azt nem mondta, hogy csak minket hallanak.

Előzmény: Kawabiker (30655)
tucsok50 Creative Commons License 2013.04.12 0 0 30657

Szia!

Szerintem ez egy csúszólapátos kompresszor .Valamikor a nyomdaiparban dolgoztam,ott
sok helyen használják ezt a típusú kompresszort. Van fémlapátos és grafitlapátos változata.
Nagyon régen gyértottak még bakelitlapátost.
http://hu.wikipedia.org/wiki/Kompresszor

Üdv  Laci

Előzmény: HA7PJ (30645)
HA7PJ Creative Commons License 2013.04.12 0 0 30656

Köszi a segítséget!

Nagyon csendes a járása.

Előzmény: rádiózgatunk (30650)
Kawabiker Creative Commons License 2013.04.11 0 0 30655

Én még tanulmányozom ezt a döglött rádiót utána még angol tanulás....

Többet sok panelos dolgot tuti csak papírlappal leragasztott panelokkal fogok áram alá helyezni a levegőben.....

Drága tanuló pénz volt, de jó pap is holtig tanul :(

 

Előzmény: _nyunyuka (30654)
_nyunyuka Creative Commons License 2013.04.11 0 0 30654

Szerelhetetlen rettenet magyar módra :-).

 

Ha lenne, adnék, de nem is volt.

 

Sok sikert, részemről mára QRT, jó éjt!

 

73, DX!

Előzmény: Kawabiker (30653)
Kawabiker Creative Commons License 2013.04.11 0 0 30653

Hun egy zöld tantál zárlatos hun egy rózsaszín ellenállás értéke elmegy a ***csába :D

Panelra merelőegesen panel és minden panel maximum 2centis de utána sok átvezetőkondit rakunk be meg fele smd fele kőkorszaki :)

Lehet mazohista vagyok de tetszik XD

 

Szóval egy BRG tr-321 -t valaki nem ajálana fel ingyen vagy filléres áron?

Csere valami limlomra?

 

hg ---7--- wgs ---kukac--- gmail -pont- com

 

Viszont akkor ezt alaposan szétforrasztom és vissza rajzolom meg ledokumentálom, mert már a jó istent is kértem de senkinek sincs gépkönyve....

 

 

 

Előzmény: _nyunyuka (30652)
_nyunyuka Creative Commons License 2013.04.11 0 0 30652

Kínaiból a Wouxun egész jó. Fél OFF: elérték az ilyen áraikkal, hogy szépen rárohadtak a hazai nepperekre a HT800-ak, FTH2010-ek, 7010-ek.

 

BRG cuccokból összesen egy fali táp+akkutöltő kombóm maradt, azt rendberakom, olyan szép :-). Pár éve volt egy halom javítóanyagom (FM10-164), időben szabadultam tőlük.

 

Sok panelból kivettem a tekercstesteket, a többi a szemétbe. A hátam közepére nem kívánom a hunos (hun érintkezik, hun nem) elkókat, trimmereket, rapszodikusan vándorló értékű ellenállásokat.

 

A cirillbetűs jószágokkal ilyen téren ki vagyok békülve.

Előzmény: Kawabiker (30651)
Kawabiker Creative Commons License 2013.04.11 0 0 30651

Meg mikor több embertől hallom, hogy volt neki, de elajándékozta,kidobta,stb....

Mikor 10e ért 1hónapos 2sávos kézi rádiót árulnak, a kínait meg aki szidja, hát....

Nekem 2éve van kínai és gond nélkül működik....

 

Előzmény: _nyunyuka (30649)
rádiózgatunk Creative Commons License 2013.04.11 0 0 30650

Hasonlót már láttam, amit szét is szedtem. A dugattyúja egy nem hagyományos forgattyús tengelyes, hanem forgódugattyús, a wankel motorhoz hasonló megoldás. Tehát a dugattyúnak nincs lineáris mozgása, csak forgómozgás, ami igen gazdaságos üzemet eredményez.

Előzmény: HA7PJ (30645)
_nyunyuka Creative Commons License 2013.04.11 0 0 30649

Értelek én. Minél jobban pörög a szopóroller, annál nagyobb a végén a sikerélmény :-).

 

(küszködtem bőven az R-1261-gyel én is, egyik hiba után jött a másik, a vége egy kizárólag játékra-mókára alkalmas négysávos rádió lett :-D)

Előzmény: Kawabiker (30648)
Kawabiker Creative Commons License 2013.04.11 0 0 30648

Oké de ötöt nem adnék érte.....

Ezt is 3ért vettem, volt a fazonak még kettő sajnálom,hogy nem kettőt vettem :(

 

Előzmény: _nyunyuka (30647)
_nyunyuka Creative Commons License 2013.04.11 0 0 30647

Vakerán most is van fönt egy, amatőrtársunk/topiktársunk árulja.

 

(Melyikünk a nagyobb mazochista? :-D)

Előzmény: Kawabiker (30646)
Kawabiker Creative Commons License 2013.04.11 0 0 30646

Nincs valakinek egy felesleges BRG tr-321? :)

Az áthangolás közben a szétborított rádióban sikerült valamit össze érintenem :(

Se adás se vétel oldalon nem megy a hangfrekis rész meg a kijelzőn csak a második karakter megy :(

Viszont egyre jobban tetszik ez a rádió a boncolgatás közben....

...kár, hogy nincs róla gépkönyv sehol :(

 

HA7PJ Creative Commons License 2013.04.11 0 0 30645

OFF:

Most kaptam egy vákumszivattyút.Nem szeretném szétszedni de kívülről nem tudom megállapítani, hogy milyen rendszerű? Az adat táblán még típust sem találok.

Ha valakinek ismerős és tud róla valamit akkor kérem jelezze.

ON

 

Törölt nick Creative Commons License 2013.04.09 0 0 30644

"fedett épületet is biztosíts"

lakáshitel -> ... - > rádió programozás! ;-)

Hülyéskedjünk :D

Előzmény: Doky586 (30642)
alnibell Creative Commons License 2013.04.09 0 0 30643

Egészségedre!

További jó hülyéskedést!

Előzmény: Doky586 (30642)
Doky586 Creative Commons License 2013.04.09 0 0 30642

"Elégséges-e a számítógépről történő programozáshoz a gyári CAT-kábel?"

 

Nem. Nem elég. A kábel egyik oldalára kell venned előszöris egy PC-t (talán Mac is jó) méghozzá olyan csatlakozóval ami a kábelen is van. A kábel túlvégére pedig kell venni egy a kábellel kompatibilis rádiót. olyan rádiót válassz amilyen a kábeledhez illik..

de ez még nem elég. Elő kell fizetned egy áramszolgáltatónál (pl. ELMŰ) mert anélkül egyik se fog működni. sőt javaslom mindezekhez egy fedett épületet is biztosíts, mert anélkül egy nagyobb esőben tönkremegy a PC és a rádió is, a kábel is beázhat...

 

"A CAT-kábel igényel-e valamilyen driver előzetes telepítését a soros- illetve az USB-csatlakozós kivitelnél?"

http://forum.index.hu/Article/viewArticle?a=124751470&t=9013579

Előzmény: alnibell (30641)
alnibell Creative Commons License 2013.04.09 0 0 30641

Csak, hogy tiszta legyen a kép, hogy mi is volt a(z) (egyik) kérdés:

 

"Elégséges-e a számítógépről történő programozáshoz a gyári CAT-kábel?
A CAT-kábel igényel-e valamilyen driver előzetes telepítését a soros- illetve az USB-csatlakozós kivitelnél?"

 

Soha, egyetlen hozzászólásomban nem ejtettem arról szót, hogy meglenne a kábel. Így aztán arról sem írhattam semmit, hogy elkadtam volna a rádió programozásában.

 

Ha úgy érzitek, hogy a fent idézett két részkérdés bármelyikére válaszolt itt valaki, akkor attól itt a fórumon elnézést kérek, és eltűnök a fenébe. Amennyiben viszont kényszerűen be kell látniuk az itt fikázóknak, hogy ezekről bizony semmit nem mondtak, akkor viszont én várom el a kioktatásért, a gúnyos megjegyzésekért a nyilvános elnézés kérést!

Így volna korrekt.

Amúgy pedig a részemről sincs harag, sértődöttség.

Mindenesetre hajdan úgy tanultam, arra kell válaszolni, amit kérdeznek. Ennyire egyszerű.

És mivel állítólag a Google a barátunk, én sem segítek, milyen is az Aniconál megvásárolható, az általa a készülékhez ajánlott CAT-kábel.

Előzmény: Törölt nick (30639)
oldrad Creative Commons License 2013.04.09 0 0 30640

A hsz-ekből is látható a segítő szándék. Kórházéknál iyenkor szokott elhangzani a sztereotip mondat: "megköszönjük a látogatást..." :-))

 

Előzmény: Törölt nick (30639)
Törölt nick Creative Commons License 2013.04.09 0 0 30639

És akkor most mondja, hogy nem volt igazam?

A sorok között már rég látszódott, hogy itt kevés lessz a segítő szándék és a jóindulat. Ő maga sem tudja mi a gondja, akkor hogy segít neki. Végig vaktában lövöldözött. :-)

Előzmény: Törölt nick (30638)
Törölt nick Creative Commons License 2013.04.09 0 0 30638

Nem szövegeltem, tényeket írtam. Közben hasonszőrű rádiót(kat) írtam, programoztam ki-be.

Azóta már sorosan, és USB-vel. Tényszerűen, szövegelés helyett. Szerintem válaszoltam a kérdésekre.

Ha így köszönöd meg, amit leírtam, - és az asztalomon tapasztaltam - akkor én kérek elnézést,

hogy el kellett olvasnod a betűimet.

Azt azért ne felejtsd el, hogy még mindig nem lehet tudni, hogy összedugtál e egyáltalán bármit bármivel,

ebből a szempontból "vakon vagyunk". 

Nem lehet tudni, hogy hol,mi állt ki hibára, csak vaktában lövöldözünk, amit én befejeztem.

Nem érte meg beírni ezek szerint, - ahogy már sokszor ezen a fórumon.

Nincs harag.

Előzmény: alnibell (30630)
_nyunyuka Creative Commons License 2013.04.09 0 0 30637
Fël off: ez lesz a FUTÁR rendszer.
Előzmény: rev251 (30632)
Doky586 Creative Commons License 2013.04.09 0 0 30636

mert minden kábel egyforma felépítésű. van amelyeken az egyik oldalán a fej is cserélhető, Yaesu, Kenwood, Motorola, stb (programozó/cat) egyre megy. 3db ér van: gnd+rx+tx. PC oldal pedig USB vagy soros.

 

ha 15eFt feletti akkor márkás, ha 5eFt alatti akkor gyanítom kínai gyártmány. elfelejtetted linkelni hogy mit ajánlottak.

 

javaslom ha usb-hez ragaszkodsz akkor egy Win8-as laptoppal menj és próbáld ki felismeri-e a PC. rádióra nemis kell feldugnod, csak PCre.

Win7 laptoppal legalább chipteszterrel ellenőrizd hogy Pl-2303HXD chipsetes-e mert különben csak azzal a winnel fog menni semmi mással, PC upgradekor dobhatod ki a kábelt.

Előzmény: alnibell (30634)
Törölt nick Creative Commons License 2013.04.09 0 0 30635

Anicótól vásárolt garanciális rádióhoz és kábelhez "nekünk" mi közünk?

Felhívod őket visszaviszed, reklamálsz, fogyasztóvédelem, stb. ami csak szimpatikus neked. Veszel új rádiót új szoftverrel, reklamálhatsz a gyártónál is, hogy mi ez a f.talicska ha nem megy neked. Ez az egész csak pénz kérdés.

 

Vagy.

A google a barátod, keresgélsz, tanulsz megkeresed magad a hibát! A Te hibádat. Nem kell mindig várni a sült galambot. :-)

Már bocs, de ez a fórum nem egy ideális éllettárs aki minden bajban segít :-D

Előzmény: alnibell (30634)
alnibell Creative Commons License 2013.04.09 0 0 30634

Már megbocsáss, de mi köze van egy Kenwood kinézetű, USB-s programozó kábelnek a Yaesu FT-817ND-hez, az Aniconál ajánlott CAT-kábelhez? A kérdés ugyanis arra vonatkozott.

De hogy ne raboljam a drága időt, kényszerűen kiszállok.

Előzmény: Doky586 (30633)
Doky586 Creative Commons License 2013.04.09 0 0 30633

Esetleg így jobban látod:

 

  és  

 

az egyik kép az anico oldaláról való; a másik az én kínából származó kiherélt vackom..

nem sok különbséget vélek felfedezni. még a CD-R is ugyanúgy néz ki.

Előzmény: Doky586 (30631)
rev251 Creative Commons License 2013.04.09 0 0 30632

fél-OFF

 

A BKV buszainál a saját, URH alapú nyomógombos, zöld karakterkijelzős terminál helyett újabban egy érintőképernyős terminált látok.

Az van ráírva a tetjére, hogy "GSM-adat", meg 06/70-es kezdetű telefonszám.

 

leváltják az URH-jukat?

Doky586 Creative Commons License 2013.04.09 0 0 30631

ugyan nem közvetlen neked céloztam a hozzászólásaimat, de ha figyeltél még idéztem is tőled, és a kérdéseid (30557) meg lettek válaszolva.

én ezért váltok USB kábelről sorosra. A gagyi csípőfogóval javítva. De ugyanezt látom már az anico-nál is. rákényszerültek hogy 3.fél szxr minőségű kábeleit is árulják, nemcsak a márkatermékeket.

Előzmény: alnibell (30630)
alnibell Creative Commons License 2013.04.09 0 0 30630

Egy lényegbevágó és  egy mellékes oka van annak, hogy nem kell félnetek az újabb kérdésektől.

Nem arról ment eddig a több résztvevős diskurzus, ami felől kérdeztem, hanem másokról, amelyek csak parciálisan érintik a kérdést magát.

Ha szövegleni kell, azt magam is tudom művelni, nem kell hozzá segítség. Csak éppen értelme nincs.

Felejtsétek el a kérdéseket! Igaz, eddig sem vettétek figyelembe azokat.

Előzmény: Törölt nick (30624)
Doky586 Creative Commons License 2013.04.09 0 0 30629
ennél azért kicsit bonyolultabb a dolog.. ;-)

ax.25-öt 20éve használtam aktívan. Már akkor is volt IP-re lehetőség. Építettem volt egy Z80-as TNC2-t 9k6 g3ruh modemel, de az utóbbi 20évben kihalt a packett.. :(
..ma már ha 100kbps-nál járnánk talán labdába rughatnánk
Előzmény: Qqberci (30626)
Desert Rat Creative Commons License 2013.04.09 0 0 30628

.. is soros.   (???)

Előzmény: Qqberci (30626)
Qqberci Creative Commons License 2013.04.09 0 0 30627

Nem Windows-Linux vitáról van szó és rádiós vonatkozása is van. Tavaly elkezdtünk kialakítani egy keretrendszert, ahol a TCP-t rádiós linkek viszik tovább. Hasonlóan az AX.25-höz, itt is három lehetőség van: a rádió tudhat fogadni és kezelni közvetlenül digitális jelfolyamot; a gép és a rádió között van egy modem; a hangfrekvenciás jelkombinációkat a gép hangrendszere kezeli. Egy szükséghelyzeti kommunikációban a harmadik megoldás volna a legcélszerűbb, mert akkor gyakorlatilag bármilyen rádióval "befoltozhatók" volnának a kiesett hálózati ágak. Igen sokat szívtunk a "nagyjából szabványos" megoldások és bizonyos oprendszerek védelemnek álcázott korlátozásai miatt, és a rádiós résznél is a régebbi vagy házi építésű készülékekkel volt a kevesebb baj.

Előzmény: Törölt nick (30623)
Qqberci Creative Commons License 2013.04.09 0 0 30626

Az USB kommunikáció is szabványos...

Előzmény: Doky586 (30625)
Doky586 Creative Commons License 2013.04.08 0 0 30625

bocsi hogy megzavarlak, de USB-ről beszéltünk, nem sorosról. pl ilyen kábel problémáiról:

 

 

Előzmény: Qqberci (30619)
Törölt nick Creative Commons License 2013.04.08 0 0 30624

Nem lesz ebből vita, csak mosolygunk. Pap/papné kérdés.

De ha jön alnibell, és driver kérdése van, vagy szoftveres, gyere segíts.

Köszi előre a többiek nevében IS.

Előzmény: Törölt nick (30623)
Törölt nick Creative Commons License 2013.04.08 0 0 30623

A Linux/Windows vita örök ellentéteket gerjeszt, szerintem nem kéne belekezdeni. Ezért én most nem is foglalok állást, csak szerintem jobb lenne ha ti sem offolnátok szét a rádiós topikokat ezzel, mert itt nem ez a téma. Köszi előre is a többiek nevében IS.

Qqberci Creative Commons License 2013.04.08 0 0 30622

Csak egy dugás, aztán b@szhatod...

Előzmény: Törölt nick (30621)
Törölt nick Creative Commons License 2013.04.08 0 0 30621

Na azért ez így nincs rendben ;-))))

http://www.linuxconfig.org/howto-mount-usb-drive-in-linux

Kollégám is parancssorban doktorált otthon valamelyik nap.

A sokat szidott win-en azért ez egy szimpla "dugás" ;)

Előzmény: Qqberci (30619)
schlumbergerrr Creative Commons License 2013.04.08 0 0 30620

Mily érdekes... majd megint kitiltanak

 

Vannak a politikusok, és vannak a rendes emberek

Van a windows, és vannak a rendes oprendszerek

Előzmény: Qqberci (30619)
Qqberci Creative Commons License 2013.04.08 0 0 30619

Vannak tisztességes operációs rendszerek és van a Windows. Mivel a soros port kezelése meglehetősen szabványos (CCITT vagy ITU-U Orange Book V.24 és V.28 fejezete), ezért a chipgyártók helyzete egyszerű: ezt a szabványt kell tudni, vagy legalább ennek subset-jét, az RS232-t. A Windows - állítólag védelmi megfontolásokból - nem engedi, hogy a felhasználói programok közvetlenül hozzáférjelen a portok regisztereihez (8250,-51,-55, stb.  regiszterei). Ettől persze még hozzá lehet férni, csak "ki kell cselezni" a kölünböző Windows verziókat. És itt kezdődnek a kompatibilitási problémák...

Előzmény: Doky586 (30611)
MeduzaXL Creative Commons License 2013.04.08 0 0 30618

Szia,

igazad van, -én a mondat végére szántam a pontot...

Természetesen pont nélkül értendő a gmail cím!

xcus!

 

Előzmény: HA7PJ (30603)
Doky586 Creative Commons License 2013.04.08 0 0 30617

Akkor eredeti. de Win8-hoz már így sem jó. (csak win7-ig)

Előzmény: Törölt nick (30616)
Törölt nick Creative Commons License 2013.04.08 0 0 30616

Köszönöm, megvan!

"This is a Pl-2303 XA / HXA chip"

Előzmény: Doky586 (30615)
Doky586 Creative Commons License 2013.04.08 0 0 30615

talán kibukik akkor is ha a chipgyártó chipteszterét lefuttatod rajta:

PL2303_Prolific_DriverInstaller_v1.8.0.zip fileban levő checkChipVersion_v1006.exe futtatásakor kiírja..

Előzmény: Törölt nick (30614)
Törölt nick Creative Commons License 2013.04.08 0 0 30614

Hm. Itt rendes profilic a kezelőben.

Ha csak w7,8 bukik ki, majd megtudom, és szidom a rendszert. Az összeset! ;Đ

Előzmény: Doky586 (30612)
Törölt nick Creative Commons License 2013.04.08 0 0 30613

off

Persze hogy lehet, nem így értette.

Pl a corei3 proci lassabban boot-ol XP-ro alatt, mint a barton magos amd athlonom valamikor. :-P

Küzdünk a tervezett elavulás ellen, de ettől még mindenki azt kapja az orcájába, hogy "vedd,vidd, mert lemaradsz!"

Életben tartjuk a régi technikát is.

Pl mekkora "térugrás" volt valamikor egy pII celeron 300A-t, 450-re felhúzni?

on

Előzmény: VI. Uj Lanovka (30610)
Doky586 Creative Commons License 2013.04.08 0 0 30612

"Nekem sikerült egy nem hamis chip-es adatkábel"

 

ezt honnan tudhatnád? ha W7-W8 -on nem használtad? én is csak ekkor döbbentem rá..

persze biztos van ma már nem hamisított is, főleg ha hivatalos Yaesu kereskedőtől vetted.

Előzmény: Törölt nick (30609)
Doky586 Creative Commons License 2013.04.08 0 0 30611

Tehát amelyik gépen csak win3.11 fut, az nem korszerű??   8-()

 

más megközelítés: ma már nem lehet legálisan XP-t vásárolni (legfeljebb valami tripla feláras rendszer mellé).

nézz szét a boltokban: akár online akár bevásárlóközpontban. Csak W7-8 -al lehet PC-t vagy laptopot venni (vagy freeDOS-al a Linuxosoknak) XP-vel nem. 

 

(és most haggyuk ki azt a verziót hogy valaki LOP hozzá crackelt XP-t, és azt is hogy tripla áron vesz valami 'ultimate' verziót, ami mellé legálisan lehet XP-t telepíteni - mert home verzióhoz nem adnak ilyen licenszet.)

 

tehát az utóbbi években (és a jövőben) várárlókra (köztük magunkra is) gondoljunk..

Előzmény: VI. Uj Lanovka (30610)
VI. Uj Lanovka Creative Commons License 2013.04.08 0 0 30610

Tehát amelyik gépen nem vinfos7 fut, az nem lehet korszerű?

Előzmény: Doky586 (30608)
Törölt nick Creative Commons License 2013.04.08 0 0 30609

Nekem sikerült egy nem hamis chip-es adatkábel :)

Amíg ez nem volt, évekkel ezelőtt egy régi (628,688) ericsson adatkábelt buheráltam át.

Sima ttl szintillesztő, másik végén tx,rx,gnd, és ment minden.

Egy 1n4148-al még icom ci-v is volt.

(..és van 6.22, meg 3.11-em is. pl. autocad r10 úgy érzi jól magát :))

 

Ha a win7 ennyi mindent megold(hat), komolyan veszek egy kis vinyót, és poénból feltelepítem.

Előzmény: Doky586 (30607)
Doky586 Creative Commons License 2013.04.08 0 0 30608

és az XP ?

 

te még mindig DOS 6.22-t vagy Windows 3.11 (Windows for Workgroups)-ot használsz ???   ha nem: minek tértél át?   :-))

Előzmény: VI. Uj Lanovka (30606)
Doky586 Creative Commons License 2013.04.08 0 0 30607

Jó hogy mondod. most elolvastam az alapkérdést, mert eddig csak a programokról esett szó, a driverről nem:

"..kábel igényel-e valamilyen driver előzetes telepítését a soros- illetve az USB-csatlakozós kivitelnél?"

 

Win XP-7-8 -on is mindenhez kell driver. a sima soros porthoz is, a különbség az hogy vannak egységes perifériák, amihez az oprendszer már eleve tartalmazza ezen drivereket. ilyen az alaplapi soros port és a képen mutatott DeLock USB-soros átalakító is. nem kell hozzá CD, még a gyártótól (delock) se lehet letölteni, mert a win beépítve tartalmazza (vagy önállóan letölti a netről a whql drvt).

 

Természetesen az XP-mód és hasonló emulátorok semmilyen hatással nincsenek a (periféria) driverekre, így nem lesz jobb tőlük az előző oprendszerre írt (=működésképtelen) driver..

 

a kínaiak csak azért spórolnak hogy olcsóbb legyen, ne kelljen kifizetni a jogdíjat - ezért inkább hamisított chipet szerelnek be. nyilván az eredeti Yaesu kábel drágább (mint a kínai) de legalább működik és van support.

A sima soros kábelhez már nem kell driver - Mert elvileg a PC azt már tartalmazza. De az USB kábelben levő USB/soros fordítóhoz már kell. Ilyen van a programozókábelekben is.

Előzmény: Törölt nick (30604)
VI. Uj Lanovka Creative Commons License 2013.04.08 0 0 30606

"korszerű W7-8 gépek"

 

Mitől is korszerű?

Előzmény: Doky586 (30602)
Maketheworldabetterplace Creative Commons License 2013.04.08 0 0 30605

Szép cicák. :-)

Előzmény: _nyunyuka (30595)
Törölt nick Creative Commons License 2013.04.08 0 0 30604

Okés :)

Azért az XP 64pro, még nem retro, de értem, igazad van.

Azaz ATEN féle? Beszereztem szintén,és tuti!

 

Nem tettem említést róla, mert ebbe bele se kezdek...

Alnibell már kikérte magának - de még semit nem tudni arról hogy hol tart, vagy hogy megnyomott e néhány gombot?

 

Előzmény: Doky586 (30602)
HA7PJ Creative Commons License 2013.04.08 0 0 30603

HibaA(z) "Címzett" mezőben lévő orion9391@gmail.com. címet nem ismerte fel a program. Kérjük, győződjön meg arról, hogy minden címnek megfelelő a formátuma.

Gondolom, hogy a végén nem kell a pont.

Előzmény: MeduzaXL (30573)
Doky586 Creative Commons License 2013.04.07 0 0 30602

azért vannak emberek akik nem akarnak retro öreg gépen dolgozni, vagy ismerősnél, kitelepüléskor 'felsülni', mert ott korszerű W7-8 gépek vannak csak..

 

és ha vesznek új PCt, laptopot (Az új gépeket az XP képtelen kiszolgálni mert a gyártók már nem írnak eszközillesztőket csak Win7 Win8-hoz) akkor ne kelljen a rádiós kábelt kidobni, újjat venni - ahogy én jártam..  jobb előre gondolkodni, vagy legalább tudni a dolgokról.

 

új gépre laptopra ilyen soros portot vettem mostmár ami W7-8 kompatibilis:

 

ebbe bedugható a soros portos rádió- programozó/CAT kábel...

G4HFQ pirosbetűs figyelmeztetése is erre utal.

Előzmény: Törölt nick (30578)
_nyunyuka Creative Commons License 2013.04.07 0 0 30601

Ez az univerzális CAT vezérlés. Bármely rádióval és bármely oprendszerrel kompatibilis, itt épp egy Alinco DR-435T-t fog vezérelni :-D.

 

A QTH egyébként "ordít", hogy valami RH cuccot be kell üzemelni... egy (egyelőre full döglött) DX-70-es be is lesz.

Előzmény: Törölt nick (30600)
Törölt nick Creative Commons License 2013.04.07 0 0 30600

Most nézem a képet!

Ez az R326, Double (kétoldali) CAT vezérléssel? 

Ezt sem oldotta még meg senki! :D

Előzmény: _nyunyuka (30595)
Törölt nick Creative Commons License 2013.04.07 0 0 30599

Csak nem? Gergő is emlegete a múltkor, mikor letekert 446-ról "egyenáramra".

Hogy "ezmiez"? Mondtam neki a börzén, hogy "mittudomén".

Ha észak korea meghülyül, pl. megint tolongás lesz a 11.175-ön.

Nem fog beférni egy "breki" se ;ĐĐĐ

 

 

Előzmény: _nyunyuka (30595)
Törölt nick Creative Commons License 2013.04.07 0 0 30598

Köszönöm, de ha legális a MixW-d, akkor nem kérhetem el a regfile-odat, - nem lenne fair.

(lehet nem tudnál update-elni, ebbe meg nem sodornálak bele)

Üzemmódok... Folyamatosan tanulom a morse-t, engem "csikol", hogy a többi ham-mal "szót értsek".

A világ meg prüntyög amit akar, a maga nagy titkosságában. :)

 

Előzmény: pmate955 (30594)
Törölt nick Creative Commons License 2013.04.07 0 0 30597

trueTTY

Előzmény: pmate955 (30588)
Törölt nick Creative Commons License 2013.04.07 0 0 30596

Mondhatnám, hogy "megszívtuk". De ha bornírt híreket akarok hallgatni, elég csak a híradó bárhol.

Még dekódolni sem kell :) Bekapcsolom, és kábulok!

Előzmény: X ANTI (30593)
_nyunyuka Creative Commons License 2013.04.07 0 0 30595

625-ön, AM-ben az UVB76 most is megy (meg mindig is...), leveri a rádiómat. Félelmetes.

 

Ne is mondd, hétvégén kivittem a "vadonba" a 326-ost (mindenféle QRM-generátortól jó messzire), a csapattársak is ezt a frekit emlegették. Kb. olyan erővel szólt, mintha a szomszédban lett volna.

 

73!

Előzmény: Törölt nick (30587)
pmate955 Creative Commons License 2013.04.07 0 0 30594

Igen, ez így van. Ha írsz mailt a címemre ott megbeszéljük a mixw-t. Nekem fülre a legjobban a ROS üzemmód tetszik, de nem tudom dekódolni.

Azért én bízombenne, hogy még sokáig lesz mit hallgatni. Ha más nem az amatőrök és utility állomások körében biztos maradnak "analóg" üzemmódok is. Sajnos a műsorszórásban egyre több a DRM adó. A rádiókba egyre többen szerelnek olyan kimenetet aminek segítségével számítógéppel dekódolni tudják a DRM-et, de abban semmi élvezet nincs.

73&DX! HG8-654

Előzmény: Törölt nick (30592)
X ANTI Creative Commons License 2013.04.07 0 0 30593

A követségi és más profi rendszerek nyílt, érthető táviratot a fizikai átviteltől függetlenül sem adnak.

Előzmény: Törölt nick (30589)
Törölt nick Creative Commons License 2013.04.07 0 0 30592

Köszönöm a videót! Hát ott van egy Perseus SDR, és a jó öreg TTY.

Pont most szenvedek a MixW-vel, felraktam a 2.20-at, de "unregistered copy".

De nem részletezem tovább, mert olyat csinálok, aminek nem átutalás a vége.

Így nem fogadja el az Olivia dll-jét (fülemnek egyik legkedvesebb fütyörészés).

...a szór spektrum, és a digitalizálás beköszöntével mi egyre kevesebb dolgot fogunk már hallani...

 

Előzmény: pmate955 (30591)
pmate955 Creative Commons License 2013.04.07 0 0 30591

Ismerem a Multipsk-t, de a kisgépemen 120 megás procival meg 64 mega rammal nem fut olyan gyorsan, mint a MiXW.

Előzmény: Törölt nick (30589)
pmate955 Creative Commons License 2013.04.07 0 0 30590

Mikor múltkor Pesten jártam, nekem is feltünt az alogper a külügymin tetején. Én MiXW-t használok, ott be lehet állítani a sávszélt és a baudot, de nem tudom eldönteni sebesség alapján. Ez pont ugyanolyan, mint 447 megán vannak ezek a szolgáltatók packet állomásai. Hiába hallom, ha nem tudom a sebességét. Ezt például sikerült megfejteni, mert szabályosan ad/adott: 

A videó nem az én művem, de a kód alapján találtam a videóra. :)

73&DX! HG8-654

Előzmény: Törölt nick (30589)
Törölt nick Creative Commons License 2013.04.07 0 0 30589

Ebben nincs gyakorlatom, de amit eddig a legjobban tudtam "definiálni", az a Multipsk nevű szoft volt.

http://f6cte.free.fr/index_anglais.htm

Ismeri a SITOR, SYNOP, POCSAG nevű módokat is, de az egy dolog.

Ha nem tudom mit hallok, cseszhetem.

Sokmindent (mindent) be lehet állítani a progiban, attól hogy RONDA.

Szívesen elkapnék pl valami jelentést, állapotot országok közötti követtségektől (itt is kint van a logper a külügy tetején, nem is egy, és a dipólok az Andrássy úton), de gyanítom, hogy valami lehetetlen módot állítanak be.

Semmi esetre sem 50, vagy 75 baud-ot, hanem 33+1/3.. Amit csak a két végponton lévő szoft tud.

 

Jó párszor felbosszantottam magamat rajta, de valószínűleg ismerethiány miatt esélyem se sok van.

Szerintem ebben Te tudnál nekem segíteni, nem én Neked :)

 

Ha military témát szeretnék látni, akkor az englishrussia honlapon kóborlok.

Minőség, komponált képek(!), és hihetetlen tartalom.

Pl a volt uvb76 épülete:

http://englishrussia.com/2010/08/28/inside-the-mysterious-uvb-76-station/

73!

Előzmény: pmate955 (30588)
pmate955 Creative Commons License 2013.04.07 0 0 30588

Én is belebotlok néha egy-egy ilyenbe. Meg ott 12 mega körül mindenféle CW és géptávíró adók vannak. Apropó van valami géptávíró dekóder program, ami felismeri a baudját egy géptávíró állomásnak? Általában a sávszélt vízesésdiagramm alapján eltalálom, de a baudot fülre nem mindig tudom megmondani.

73&DX! HG8-654

Előzmény: Törölt nick (30587)
Törölt nick Creative Commons License 2013.04.07 0 0 30587

Hogyne lenne sávon kívül, sőt!

Sajnáltam is, hogy a 0-5mega "táblát" nem találta meg, fentebbi tartományokra.

Ezek a "szolgálatok" válogatás nélkül használnak mindenféle frekvenciát, attól függően, nekik mi hogy terjed jobban, honnan-hová.

Erről nemigen lesz táblázat. :(   (..majd ha hülyék lesznek)

Ide szoktam még benézni:

http://www.hfunderground.com/board/

http://www.spynumbers.com/

 

...4.625-ön, AM-ben az UVB76 most is megy (meg mindig is...), leveri a rádiómat. Félelmetes.

Üdv, és 73!

 

 

Előzmény: pmate955 (30586)
pmate955 Creative Commons License 2013.04.07 0 0 30586

Pontosan. :)

PErsze a HFFAXot vettem régen, de nem is az a lényeg, hanem pl a 12 mhz körüli jeladók, érdekes jelek az éterben, amikről nem szól a fáma. :)

Van élet az amatőr sávokon kívül is. Persze ez csak másodlagos jelleg, de érdekes.

73&DX! HG8-654

Előzmény: Törölt nick (30585)
Törölt nick Creative Commons License 2013.04.07 0 0 30585

Áhhá, SWL tetszik lenni? :)

Gondolom ez is ismerős:

http://www.hffax.de/html/hauptteil_beginners_guide2.html

 

Illetve 0-5MHz-ig, én ezt lapozgatom ha "eldurvulok".

(idő mire bejön a lap...)

http://ik4hdq.net/doc/0to5MHz.htm

Előzmény: pmate955 (30584)
pmate955 Creative Commons License 2013.04.07 0 0 30584

Szép, de nekem olyan kéne amin a műsorszóró/WEFAX/egyéb frekik is rajta vannak.

73&DX! HG8-654

Előzmény: Törölt nick (30580)
Törölt nick Creative Commons License 2013.04.07 0 0 30583

+ a CHIRP-pel megy a soros.

A rádót kiolvasáshoz "clone" módba kell helyezni.

Ez a mode <> gombok egyidejű lenyomásával történő bekapcsolást jelenti.

Olvasáskor a program indul először; majd vár arra, hogy megnyomjuk a rádión a "send" gombot.

Íráskor a rádión kell először a "receive" gombot nyomni, majd utána indítani a feltöltést, a sorrend fordított.

 

A különböző "memory bank"-okra nem jöttem rá, a listában nem "pipálható". Lehet, hogy ezt nem kezeli.

 

Előzmény: Törölt nick (30582)
Törölt nick Creative Commons License 2013.04.07 0 0 30582

Az Anico-st soroként ismerem. Oda biztosan nem kell külön driver,de a com port beállításokra figyelni kell.

A HRD automatikusan teszteli, és felismeri a lehetőséget, ha rádió van a másik végén.

A soros nekem COM1 (ahová dugod), 9600 bps, sebességgel, DTR, és RTS aktív vonalak mellett tökéletes, oda-vissza.

Az USB-s előbb kap egy COM6 számot, és onnantól a fenti beállításokkal szintén.

 

Előzmény: alnibell (30581)
alnibell Creative Commons License 2013.04.07 0 0 30581

Helyesebben: nem kell hebehurgya módon ismeretleneket minősíteni! Innen már stimmel.

 

Sajnálom, de a kérdés továbbra is elsikkadt!

Azaz, alkalmas-e az Anico-nál megvásárolható CAT-kábel a programozásra? Továbbá, ha igen, igényel-e külön meghajtó telepítést a soros- , illetve az USB-csatlakozójú kivitel?

 

A Kenwood programozásnál már találkoztam az alább említett driver-problémával. Annál a kérdés megoldott.

De ha egy soros csatlakozójú CAT-kábel, külön driver telepítés nélkül megfefel a célra, akkor szerintem sokkal inkább célszerű azt beszerezni, mint az USB-s kivitelt, már ha van a gépen csatlakozási lehetőség.

 

Előzmény: Törölt nick (30576)
Törölt nick Creative Commons License 2013.04.07 0 0 30580

Én ezt használom, nem találtam áttekinthetőbbet:

http://www.ariancona.it/bp_hf.pdf

 

HF,V/U,S:

http://www.ariancona.it/band_plan.htm

 

A felbontás elég jó a printhez.

Pendrive-on bevittem a media marktba, és párszáz forintért frankón kitették A3 méretbe, fényes papírra.

Üdv!

Előzmény: pmate955 (30579)
pmate955 Creative Commons License 2013.04.07 0 0 30579

Üdv!

Nem tud valaki olyan interneten fellelhető képet/szöveget mutatni, amin a rövidhullámú frekvenciák leírásai vannak? (pl: WEFAX, amatőr sávok, utility frekik) Olyan lenne jó, amit könnyű kinyomtatni. Valami ilyesmire gondoltam, csak normális méretben: http://3.bp.blogspot.com/-ncNQsWu5L8g/Tzf4s8lBTyI/AAAAAAAALDU/QTqlxhbUTCY/s1600/SWL1.png

73&DX! HG8-654

Törölt nick Creative Commons License 2013.04.07 0 0 30578

A w7 elmehet a bánatba, nem is értem...

az SP3 óta jó stabil az XP.

Előzmény: Doky586 (30577)
Doky586 Creative Commons License 2013.04.07 0 0 30577

Ugyan én már pár éve vettem, közvetlen HK-ból, és valóban jól ment. XP-vel. W7-el kuka. ez a tipus:

 itt már dolgozott a csípőfogó..  :)

Előzmény: Törölt nick (30576)
Törölt nick Creative Commons License 2013.04.07 0 0 30576

Nem kell megsértődni.

A cbradio.hu-n lévő univerzális kábel (profilic) jól működik.

 

HRD-vel vezérli a 897 minden funkcióját, 9800bps-el, és pár perce írtam ki-be a "chirp" nevű szoftverrel a memóriáját.

Clone-módban működik.

 

Chirp:

http://chirp.danplanet.com/projects/chirp/wiki/Home

 

Hol tartasz? Mid van?

Előzmény: alnibell (30572)
Kawabiker Creative Commons License 2013.04.07 0 0 30575
üdv!

Hozzám kerűlt egy BRG tr321. Kérném a tisztelt társoságot valaki dobjon egy gépkönyvet és softwaret.
Tiszteletel 7wgs

hg 7 wgs kukac gmail pont com
radio08 Creative Commons License 2013.04.07 0 0 30574

A memória  feltöltés  benne  van  a  vezérlőprogramba.

Előzmény: alnibell (30572)
MeduzaXL Creative Commons License 2013.04.07 0 0 30573

Köszi az ajánlatot, elfogadom.

Akkor kérem a töbit is.

A belinkelt rajzon lévő IC kapható valahol?

 

Ide kérem a doksikat:  orion9391@gmail.com.

 

Köszönettel!

Előzmény: HA7PJ (30565)
alnibell Creative Commons License 2013.04.07 0 0 30572

Annál szabatosabban megfogalmazni kérdéseket, mint ahogy azt az #30557-ben, egy korábbi hozzászólás szövegét  szó szerint megismételve megtettem, valószínűleg nem lehetne. A minimális visszaolvasás nélküli minősítés viszont gondolkodás nélkül megy. Nem érdemel piros pontot.

 

Azt hiszem elég világosan fogalmaztam, amikor nem a rádió vezérléséről, hanem a memóriájának a feltöltéséről, azaz a programozásáról írtam, mint feladatról, kiváltandó a kézi adatbevitel nehézségeit.

 

Ennyi, nem több. De azért köszönöm a "tájékoztatást"!

Több kérdésem nincs.

 

Előzmény: AC/DC Tom (30569)
Doky586 Creative Commons License 2013.04.07 0 0 30571

csak megjegyzem hogy sok ilyen kínai USB kábelben hamisított chip van. itt olvasható a chipgyártó figyelmeztetése (pirosbetűs warning rész).

én is így jártam. WinXP-n jól működött, Win7-en híába töltöttem le a linkelt W7 drivert, működésképtelen maradt. inkább rendeltem soros (rs232) kábelt usb helyett..

 



Előzmény: Törölt nick (30567)
radio08 Creative Commons License 2013.04.07 0 0 30570

Bedöglött  Medicor  tápból könnyen ,gyorsan ATU.

AC/DC Tom Creative Commons License 2013.04.07 0 0 30569

  Nem egyszerű eset--őkelme--tapasztalat!!

Előzmény: radio08 (30568)
radio08 Creative Commons License 2013.04.07 0 0 30568

Számitástechikailag semmit nem  tudok,  többen  tanusithatják,  viszont  az  FT 817-emet  összekötve a  pc- vel,  az  emlitett

 

programokkal  vezéreltem , programoztam  , gyönyörködtem  a  hatalmas  szines kijelzőben, akkor  látttam ilyet  először ,  nagyon

 

meghatódtam ,sosem  felejtem  el,  de  mi  a  kérdés?

HA7PJ Creative Commons License 2013.04.07 0 0 30565

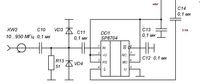
Én csak kivágtam az LCF mérőm ide vonatkozó részét.Kéred az egész kapcsolást?

Van több vezió is.Szívesen átküldöm magánban.

Előzmény: MeduzaXL (30561)
Nán Creative Commons License 2013.04.07 0 0 30564

Egy gyűjtemény az Elektrotanya oldalról:

 

http://www.qsl.net/va3iul/Homebrew_RF_Circuit_Design_Ideas/Homebrew_RF_Circuit_Design_Ideas.htm

 

Köszönjük, "jandu" !

radio08 Creative Commons License 2013.04.06 0 0 30563

FT 817  Commander , HB9DRV Home,  stb...

Előzmény: alnibell (30562)
alnibell Creative Commons License 2013.04.06 0 0 30562

Sajnos nem nyert!

CAT- meg adatkábelt persze tudok vásárolni náluk, de onnan, a kérdéseimre vonatkozóan ugyanannyi információt kaptam, mint eddig itt. Azt meg elég nehezen tudom elképzelni, hogy az adott készülék korábbi és jelenlegi használóinak ne lenne tapasztalata a kérdésekkel kapcsolatban, ne tudná pontosan megfogalmazni a készülék programozás követelményeit.

Előzmény: X ANTI (30558)
MeduzaXL Creative Commons License 2013.04.06 0 0 30561

Köszi a kapcsolási rajzot.

Ha esetleg a forrását is be tudnád linkelni

köszönettel veszem.

Előzmény: HA7PJ (30556)
Desert Rat Creative Commons License 2013.04.06 0 0 30560

... izé E288CC

Előzmény: Desert Rat (30559)
Desert Rat Creative Commons License 2013.04.06 0 0 30559

Rosszul emlékeztem, nem olyan típust találtam -  E280CC és EF801 ami megtévesztett.

Előzmény: Desert Rat (30550)
X ANTI Creative Commons License 2013.04.06 0 0 30558

Ha előbb nem kapsz segítséget, hétfőn hívd fel az Anico-t. Náluk biztosan be tudod szerezni a kábelt, progit. Még tanácsot is biztosan adnak.

Előzmény: alnibell (30557)
alnibell Creative Commons License 2013.04.06 0 0 30557

Csak megismételem a #30356-ban, március 19-én feltett kérdéseim:

 

Néhány kérdés a Yaesu FT-817ND-vel kapcsolatban.
Tekintve, hogy egy kissé nehézkes a csatornák kézi rögzítése a készülék memóriájában, a hozzáértőktől érdeklődöm, hogy:

  • Milyen szoftverrel lehet az adó-vevő programozását elvégezni? 
    Hol lehet ehhez a szoftverhez hozzáférni?
  • Elégséges-e a számítógépről történő programozáshoz a gyári CAT-kábel?
    A CAT-kábel igényel-e valamilyen driver előzetes telepítését a soros- illetve az USB-csatlakozós kivitelnél?
Előzmény: alnibell (30356)
HA7PJ Creative Commons License 2013.04.06 0 0 30556

Előzmény: MeduzaXL (30554)
Törölt nick Creative Commons License 2013.04.06 0 0 30555

Egy olyan frekvencia osztó az azért nem olyan egyszerű. Persze kinek mi az egyszerű. A feszültség osztásnál lényegesen bonyolultabb.

 

Előzmény: MeduzaXL (30554)
MeduzaXL Creative Commons License 2013.04.06 0 0 30554

Köszi a linket, de nekem ez túl "magas" és csak tizes

osztóra lenne szükségem.

Lehetőleg egy egyszerű kapcsolási rajzra...

Előzmény: gépészet (30553)
gépészet Creative Commons License 2013.04.06 0 0 30553
Előzmény: MeduzaXL (30551)
radio08 Creative Commons License 2013.04.06 0 0 30552

Mé?  7,6.

Előzmény: Törölt nick (30549)
MeduzaXL Creative Commons License 2013.04.06 0 0 30551

Üdv.,

 

Van egy EMG 1644 tipusú NIXIE csöves frekimérőm amely csak 15 MHz-ig mér.

 

Szeretném kiterjeszteni a mérés határát 150 MHz-ra.

 

Tud valaki egy egyszerű kapcsolási rajzot adni?

 

Köszi!

 

Desert Rat Creative Commons License 2013.04.05 0 0 30550

Nem igérek semmit de holnap megnézem, valami rémlik.

Előzmény: Kawabiker (30547)
Törölt nick Creative Commons License 2013.04.05 0 0 30549

A PCC-nek lehetetlen fűtő feszültsége van.

 

Előzmény: _nyunyuka (30548)
_nyunyuka Creative Commons License 2013.04.05 0 0 30548

A régit se tudtam :-).

 

808 biztos nincs, esetleg 88 vagy közeli rokon PCC189.

Előzmény: Kawabiker (30547)
Kawabiker Creative Commons License 2013.04.05 0 0 30547

nyunyuka új számóm van, megírom majd, másik kérdés 3db ECC808 nincs neked véletlen?

Kawabiker Creative Commons License 2013.04.05 0 0 30546

dvb-t témában ki van otthon?

Szabvány leírás?

Netalán software, kész modulátor, kapcsrajz stb.?

 

Első körben amire gondoltam kicsiholni a VGA kariból TV IF frekin és azt keverni uhf -re, de még a szabványról infóm sincs.

Siralmasabb, hogy sehol nem látok valami olcsó kicsi kííínai modulátort(akár usb -s, akár pc nélküli,stb...)

Mai gyors PC -k szerintem simán realtime tudnának encodolni de mivel, hogyan és mi legyen a "kimeneti hardware" a pc -ből....

 

Tudom nem pont amatőr téma, de itt "él a topik" és vagyunk páran akik láttunk már belülről is tévét, rádiót :)

 

fox hunter Creative Commons License 2013.04.05 0 0 30545

Szia Emil!

email ment

 

Törölt nick Creative Commons License 2013.04.05 0 0 30544

Szerencsére sosem gondolkoztam még azon, elfogadna -e bármelyik klub! :-)

Ezen gondolkozzanak a klubok, ha akarnak valamit egyáltalán.

Előzmény: Törölt nick (30539)
Törölt nick Creative Commons License 2013.04.05 0 0 30543

Igen, néztem! Írtam választ :)

HA7PJ Creative Commons License 2013.04.05 0 0 30542

Írtam levelet.Olvastad?

Előzmény: Törölt nick (30541)
Törölt nick Creative Commons License 2013.04.05 0 0 30541

Végy egy négyzet alapút és egy köszörűt. Komolyan. Én is ilyen problémával szembesültem 2 hónapja és nem volt más megoldás. Azóta is kiválóan üzemel a rádió! :)

Előzmény: _nyunyuka (30531)
_nyunyuka Creative Commons License 2013.04.04 0 0 30540

Megpróbálom, velük jó a viszonyom. Vettem egy mikrofont tőlük, egy hét múlva adtak hozzá ajándékba egy rádiót (viccen kívül).

 

Ha eljut Nyírbe, akkor Pestre is, itt is van irodájuk. Azért köszi a fölajánlást.

Előzmény: Törölt nick (30538)
Törölt nick Creative Commons License 2013.04.04 0 0 30539

Nem, mert Petya az egy Woody Allen.

"Sohasem lennék egy olyan klubnak a tagja, amelyik elfogadna engem tagjának."

Ezzel ne próbálkozz ;ĐĐ

Előzmény: _nyunyuka (30537)
Törölt nick Creative Commons License 2013.04.04 0 0 30538

0LC Joe-ék szoktak akár "extrém" dolgokat is rendelni az usa-ból, motorola/vertex vonalon.

Szervízanyag, ez-az.

Ha megkérdezed, és lenne, biztos beledobatják a csomagba. Onnantól meg szívesen elhozom Neked Nyíregyházáról.

Előzmény: _nyunyuka (30531)
_nyunyuka Creative Commons License 2013.04.04 0 0 30537

Ilyen ismeretekkel regisztrálnod kellene Csák Norisz fórumán, nagyon ráállt a digimódokra.

Előzmény: Törölt nick (30536)
Törölt nick Creative Commons License 2013.04.04 0 0 30536

Nem. Kodeket nem programozok mert ahhoz kevés vagyok mint mackósajtban a brummogás. Kodek az van, egyelőre 8db.

Baseband processzort kell programozni. Coming soon....

Előzmény: Törölt nick (30534)
Törölt nick Creative Commons License 2013.04.04 0 0 30535

Nincs ellenvetésem. :-))

Előzmény: _nyunyuka (30533)
Törölt nick Creative Commons License 2013.04.04 0 0 30534

Caccameg, fogadok maga a hegyalján már felrakott valami étergerjesztőt ebben a tárgykörben, és ennek a négyzetével mi?

Vagy épp aztat a kodeket programozza ;)

 

Előzmény: Törölt nick (30532)
_nyunyuka Creative Commons License 2013.04.04 0 0 30533

Lehet külső is :-).

 

"Az a bizonyos előlapos ketyere" gyári rádiókra (Kenwood TM941, illetve Yaesu FT911) épült.

Előzmény: Törölt nick (30532)
Törölt nick Creative Commons License 2013.04.04 0 0 30532

Belső mosoly.

:-)

Előzmény: Törölt nick (30530)
_nyunyuka Creative Commons License 2013.04.04 0 0 30531

Igen.

 

Hamár szóbajött az úr, ilyen elfuserált talpú csatlakozóhoz tud valaki hazai beszerzési forrást? Giga kilőve, nluk csak négyzettalpú van.

 

Ezt befaragtam (nagy mázlimra stimmelt a likak távolsága), de nem mindig járható ez az út.

Előzmény: Törölt nick (30530)
Törölt nick Creative Commons License 2013.04.04 0 0 30530

"Ő lenne az első :-)."

 

...giga?

Előzmény: _nyunyuka (30529)
_nyunyuka Creative Commons License 2013.04.04 0 0 30529

Épp ezért nem fogok bele én se. Melóhelyen 3GHz-ig van méricske-lehetőség, de nem mindenre.

 

Egy fasza antennát csináltam, koax kollineár üvegszálas műanyagcsőbe.

 

1,2GHz-re egyébként van egy átjátszó idehaza, az illető még nem szerelte fel. Ő lenne az első :-).

 

 

Előzmény: Törölt nick (30528)
Törölt nick Creative Commons License 2013.04.04 0 0 30528

Erre a sávra nemigen vannak műszerek. Legalábbis az internetet kutatva nem nagyon találtam. Műszerezettség nélkül pedig nem sok értelme van belevágni. Nemde?

Előzmény: _nyunyuka (30527)
_nyunyuka Creative Commons License 2013.04.04 0 0 30527

Nem rossz az RH munka, sokkal inkább rádióamatőr tevékenység, mint az átjáátszókon a gazdakör. Nálam sajnos nem játszik az RH, QTH adottságaibl kifolyólag.

 

23 centi: sok pénzt és energiát nem fektettem bele, csak kipróbáltam, "ha már" ott van a kézirádión. Kiderült, pár amatőrtársnak van 23 centis cucca, kicsit játszottunk oszt ennyi.

 

(A "CB szökevényen" meg még mindig jókat röhögök :-D.)

Előzmény: Törölt nick (30526)
Törölt nick Creative Commons License 2013.04.04 0 0 30526

Könnyű annak aki fenn lakozik...... :)

 

Kb. 12 éve teljesen bele voltam lelkesedve a 23cm-be. Építettem konvertereket, a galyai jeladón kívül soha semmit nem hallottam.

Alkottam ATV adót, de saját magamon kívül senkivel nem tudtam használni. Azóta leginkább RH-n vagyok aktív. Ott legalább

vannak (még) partnerek....

 

Előzmény: _nyunyuka (30525)
_nyunyuka Creative Commons License 2013.04.04 0 0 30525
Meg HA5IW, az Isten.
Előzmény: HG0MV (30523)
Törölt nick Creative Commons License 2013.04.04 0 0 30524

Köszi!

 

Rákeresek a neten!

Előzmény: HG0MV (30523)
HG0MV Creative Commons License 2013.04.04 0 0 30523

Szia Tamás!

Ajánlom figyelmedbe HA8MV Gabit. Ő foglalkozik SHF technikával! Szerintem vedd fel vele a kapcsolatot. 

Előzmény: Törölt nick (30521)
Törölt nick Creative Commons License 2013.04.04 0 0 30521

Hm. MGM és DV is van? Szimpatikus! Azt hiszem elkezdek aktívabban keresgélni ebben a témában.

 

Ami a szomszédokat illeti...nos az IQ messze több, mint 10. Normálisnak is mondhatnám őket, egészen addig amíg valami számukra ismeretlenről nem esik szó :)

 

Egyébként 2m / 70cm-en találkozott már valaki DV módokkal a simplexeken? Mert ahogy láttam, oda lettek kiosztva. De síri csend és hullaszag honol. Nemhogy DV :)

Előzmény: _nyunyuka (30520)
_nyunyuka Creative Commons License 2013.04.04 0 0 30520

Gép mellől, egyszerre :-).

 

Milyen üzemmódok engedélyezettek 1,2 GHz-en?

 

Gyakorlatilag az összes létező, ami belefér a "minden üzemmód"-ba :-).

 

http://wiki.ham.hu/index.php/23_cm

 

Hol vannak a hallgatózó amatőrök?

 

Ha stabil QTH-n vagyok, szintén ketyeg a memory scan. Egy bankba berámoltam az összes szükséges amatőr frekit, csak ebben fut a scan.

 

Na vajon a szomszédok mit szólnának hozzá :)

 

Mit szólnának egy műholdvevőhöz? :-) Nem kell nekik megmondani, mi az, főleg a "sugároz" szó kerülendő :-). (főleg, ha IQ<10)

Előzmény: Törölt nick (30519)
Törölt nick Creative Commons License 2013.04.04 0 0 30519

A digitális üzemmód nekem már régóta csábító és már régóta kísérletezgetek vele alacsonyabb frekiken. Elgondolkoztató. Érdemes lenne parabolatányért venni? Na vajon a szomszédok mit szólnának hozzá :)

Előzmény: Doky586 (30518)
Doky586 Creative Commons License 2013.04.04 0 0 30518

GHz feletti sávokban a nagysebességű és nagy sávszélességű (akár több MHz) adásoknak van értelme. szerintem. packet és hasonló. nagy irányítottságú (pl. parabola) antennával. IARU bandplan. a Profi rádiózásban sincs már mikrohullámon analóg kommunikáció, de egyre általánosabb a nagysebességű (pl. >Mbps adatsebesség <256QAM moduláció) adat. ATV-t is említhetném de retro hangulatot árasztana miután a profik idén vezetik ki mint elavult és sávszélességpazarló technológiát az éterből.

Előzmény: Törölt nick (30512)
Törölt nick Creative Commons License 2013.04.04 0 0 30517

Hol vannak a hallgatózó amatőrök? Nekem egy rádió mindig scan-be van téve a 2m-en és a 70cm simplexeken is.

Előzmény: _nyunyuka (30516)
_nyunyuka Creative Commons License 2013.04.04 0 0 30516
Ugyanígy halott a 2m is. Ha nem beszéled meg előre a QSO-t vagy nem írod fel az aktivitást valamely fórum SOTA-témafalára, kicsi az esély, hogy válaszol valaki.

(leszámítva a hajnali kör-QSO-t valamelyik átjátszón)
Előzmény: Törölt nick (30514)
Törölt nick Creative Commons License 2013.04.04 0 0 30514

Akkor marad a kísérletezgetés majd. Csak azt veszem észre, hogy nemcsak a 70 cm halott.....de attól tartok, hogy az 1,2 GHz méginkább :(

Előzmény: _nyunyuka (30513)
_nyunyuka Creative Commons License 2013.04.04 0 0 30513
Tananyag sajna nincs. A HamWikin fönt van a sáv felosztása, gépről be tudom linkelni.
Előzmény: Törölt nick (30512)
Törölt nick Creative Commons License 2013.04.04 0 0 30512

És van valami dokumentációd, tananyagod, akármid a terjedésről? Jó lenne kicsit tanulmányozni. Esetleg emailben megosztanád velem? Milyen üzemmódok engedélyezettek 1,2 GHz-en?

 

cserebere@stornophone.hu

Előzmény: _nyunyuka (30511)
_nyunyuka Creative Commons License 2013.04.03 0 0 30511

Kicsit hasonló a 400 megához, ez is egyenesen terjed, mint a fény... de jóval kisebb méretű dolgokról is hajlandó visszaverődni, szeszélyes ls vicces dolgokra képes.

 

Csináltak már QSO-t utasszállító repülőgépről visszaveretetett hullámokkal. Amíg elment a repcsi, létrejött az összeköttetés.

 

SHF versenyeket leszámítva, ne számíts túl nagy aktivitásra.

Előzmény: Törölt nick (30508)
Maketheworldabetterplace Creative Commons License 2013.04.03 0 0 30510

Köszönöm szépen válaszod.

Előzmény: X ANTI (30496)
Törölt nick Creative Commons License 2013.04.03 0 0 30509

Akkor lássam, amikor a hátam közepét.... :) :)

Előzmény: Desert Rat (30501)
Törölt nick Creative Commons License 2013.04.03 0 0 30508

Leginkább a terjedés érdekelne a Gigahertzes tartományban. Pár amatőrtárs és én már egy ideje ilyesmin törjük a fejünket, hogy magunk mögött hagyjuk a 70cm világát is és magasabb frekik felé lépnénk.

 

Azonban vajmi kevés dolgot találtam erről a neten. Akár magyar vagy angol oldalakon.

Előzmény: _nyunyuka (30504)
Törölt nick Creative Commons License 2013.04.02 0 0 30507

Mi a fene...

Előzmény: Törölt nick (30506)
Törölt nick Creative Commons License 2013.04.02 0 0 30506

Némelyik még ma is üzemel de rejtett módon, hogy mezei user ne jöhessen rá a turpisságra.. :-)

Előzmény: Törölt nick (30505)
Törölt nick Creative Commons License 2013.04.02 0 0 30505

Ez talán valami vízügyi vagy PV csatornasor?

Előzmény: Törölt nick (30503)
_nyunyuka Creative Commons License 2013.04.02 0 0 30504

1200-on egy kis humor-móka-kacagás, amúgy nagy csend. Miben segíthetek?

Előzmény: Törölt nick (30495)
Törölt nick Creative Commons License 2013.04.02 0 0 30503

:-)

Törölt nick Creative Commons License 2013.04.02 0 0 30502

Én mem voltam MEDIKUS de nekem is van ilyen feliratú rádióm, DTMF jeladóval az XA-k ra és még régi sávfordító is.

 

Előzmény: Desert Rat (30501)
Desert Rat Creative Commons License 2013.04.02 0 0 30501

Egy kis nosztalgia a medikus urakoknak:

 

 

Törölt nick Creative Commons License 2013.04.02 0 0 30500

Van. Bőven.... :)

 

Előzmény: 5STS (30497)
5STS Creative Commons License 2013.04.02 0 0 30499

Ez jó hír, köszi! :)

Levelet kaptál. Lájf. :)

Előzmény: Törölt nick (30498)
Törölt nick Creative Commons License 2013.04.02 0 0 30498

Aza Titán FM10-164? Igen, akadunk egy páran... :-)

 

Előzmény: 5STS (30497)
5STS Creative Commons License 2013.04.02 0 0 30497

Hölgyek-Urak,

 

Adva volna egy olyan probléma, miszerint egy Titán nevű készüléket (legalább az adó részét) kellene életre kelteni és áthangolni az amatőrsávra. Van valakinek ebben némi jártassága?

 

73,

Pisti 5STS

X ANTI Creative Commons License 2013.04.02 0 0 30496

Ezt a vezérlő IC-k adják, 30-100 khz. Ezt minden FET tudja, már a trafó is kicsi. Erre vannak gyors diódák olcsón, akár 1000 V-ig. UF4007 pl. 1 A-ig.

IC-nek alap az UC3842, 43, 44, 45 sorozat valamelyik tagja.

 

Előzmény: Maketheworldabetterplace (30494)
Törölt nick Creative Commons License 2013.04.02 0 0 30495

Sziasztok!

 

Érdeklődnék, hogy közületek volt-e már olyan amatőrtárs aki kísérletezett már a 430-450-470 MHz-nél magasabb frekvenciákkal? Akár 1,2 GHz-en?

 

Tapasztalatszerzés céljából érdekelnének az eredmények, stb. Akár itt vagy emailben.

 

cserebere@stornophone.hu

 

 

73, DX

Maketheworldabetterplace Creative Commons License 2013.04.02 0 0 30494

Köszönöm válaszod. Mekkora frekit ajánlsz?

Előzmény: X ANTI (30493)
X ANTI Creative Commons License 2013.04.02 0 0 30493

Szerintem a klasszikus inverteres megoldás. Egy FET egy kapcsüz. IC-vel egy ferrit trafót etet és a túlvégéről egy visszacsatolás a stabilitásért.

Persze kérdés, milyen teljesítmény kategóriáról van szó. 12 V-nál már a power FET ideális kapcsoló. Jól megválasztott diódákkal felesleges zaj sincs. Illetve autós inverterek és laptop tápok szűrő cuccait fel lehet használni. Fém doboz, oszt jónapot.

Előzmény: Maketheworldabetterplace (30492)
Maketheworldabetterplace Creative Commons License 2013.04.02 0 0 30492

Üdv!

 

Milyen kialakítást javasoltok feszültségnövelő DC-DC áramkörhöz, ha a minél jobb hatásfok az elsődleges szempont? 12-48V-ról 200V.  Ha lehetséges, minél kevésbé zavarja a rádióvételt.

Előre is köszönöm az ötleteket.

gg630504 Creative Commons License 2013.04.02 0 0 30491

Elvégeztem egy kísérletet.

http://www.youtube.com/results?search_query=r%C3%A1di%C3%B3s+szkafander&oq=r%C3%A1di%C3%B3s+szkafander

( Experiment is the sole judge of scientific “truth”. A (természet)tudományos igazság kizárólagos kritériuma a kísérlet. - Feynman Richard )

Üdvözlettel: Gábor, a HG9IEG állomás kezelője.

H. Nándi Creative Commons License 2013.04.01 0 0 30490

Ezeket a videókat, (archív) NEM találod már meg!

Nincs fent. csak az én oldalamon.

Azért ilyen rossz a képminőség.

Talán, így már érthetőbb.

Akit érdekel,persze....!

ha2rau Creative Commons License 2013.04.01 0 0 30488

Szia ! 

Segitséget kérnék, van egy sdr 1000 es gépem, most kaptam végerősítő nélkü.

Win 7 re akartam telepíteni a programját de ne siikerült, most xp vel próbálkoztam az se ment.

hangkértya audigy 2zs, usp2lpt kábel eredeti, de nem ismeri fel semmi, halfzmann#sofrare, sárgán violágít az 1 db led ami a csatiba van. Nem tud komunikálni a számító és az adóvevő között. A szoftver ami működik is az kellene nekem ha tudsu segíts légyszi.

ristvan58@gmail.com a címem.

Üdv! István 

 

Előzmény: HG1DLV (15358)
H. Nándi Creative Commons License 2013.03.31 0 0 30487

Kellemes Húvéti Ünnepeket kívánok!

 

Szívesen,végre meg is köszönik,nem csak...!

Csak archívban van, meg úgyis.  :)

 

 

 

Archív felvétel:

Előzmény: ltz-400 (30486)
ltz-400 Creative Commons License 2013.03.31 0 0 30486

Köszi ez jó volt.  :)

Előzmény: H. Nándi (30485)
H. Nándi Creative Commons License 2013.03.31 0 0 30485

HA1DK:

Törölt nick Creative Commons License 2013.03.26 0 0 30484

Kicsit böngészgettem a neten, google-ban keregéltem rá az IARU Region 1 VHF és UHF BandPlan-ra. Többek között itt is megtaláltam a magyar vonatkozását:

 

http://wiki.ham.hu/index.php/2_m%C3%A9ter

Előzmény: Doky586 (30483)
Doky586 Creative Commons License 2013.03.26 0 0 30483

segíts egy kicsit. melyik táblázat melyik oldalára van DV írva ?

Előzmény: Törölt nick (30482)
Törölt nick Creative Commons License 2013.03.26 0 0 30482

Ma este beszélgettem rádión pár amatőrtárssal. És felmerült egy kérdés ezen táblázatok böngészése közben. Mi számít DV-nek azaz Digital Voice üzemmódnak? Gyakorlatilag minden ami a közforgalomban fellelhető, amatőrök számára megvásárolható és digitális hangátvitelt biztosító eszköz? Mondjuk a D-Star?

Törölt nick Creative Commons License 2013.03.26 0 0 30481

Akkor egyelőre marad a felső határ 434 MHz. Értem :) Hát remélem a legjobbakat majd az illetékes "elvtársaktól" :)

Előzmény: Doky586 (30480)
Doky586 Creative Commons License 2013.03.26 0 0 30480

a félreértések elkerülése miatt szólok hogy nem elvettek belőle, hanem kibővítették a sávot.  ;-)

 

egyébkéntis FM repeaterek kerülnek az új 2x2MHz sávba, de egyenlőre az FM átjátszók sávjában tilos az FM üzemmód..

talán majd jövőre a digitális átállás után beveszik a rendeletbe a teljesítménynöveléssel együtt - ha el nem felejtik..

Előzmény: Törölt nick (30479)
Törölt nick Creative Commons License 2013.03.26 0 0 30479

Igen ez valóban ismert. De vajon ebből mennyi és mikor fog nálunk megvalósulni? Mint itt korábban is írták, nálunk kissé kusza a 70cm sáv és sajnos felém a kapunyitók, táviránmyítók, riasztós eszközök miatt a szimplexek használhatatlanok :(

 

Pl. ebbe a táblázatba hova sorolhatunk be egy digitális D-Star Icom kézirádiót?

 

433.625 - 433.775 vagy 434.450 - 434.575?

Előzmény: Doky586 (30478)
Doky586 Creative Commons License 2013.03.26 0 0 30478

szerintem ez már egy évtizede ismert.

Előzmény: Törölt nick (30476)
TamiBT Creative Commons License 2013.03.26 0 0 30477

 - gondolom a vegcel az hogy toekedjunk az eus szabalyozashoz, megnezed a nyugati orszagok freki ki/fel-osztasat es megtudod kb. merre kene tartanunk :)

Előzmény: Törölt nick (30476)
Törölt nick Creative Commons License 2013.03.26 0 0 30476

432 MHz táján vegyes üzemű csatornák vannak ha nem tévedek. AZ alá lenne illdomos bepasszintani a felmenőket.

 

Hm....de mi lesz majd 434-440 MHz között? Szimplexek? Vagy oda kerül át a többi vegyes üzemű csatorna?

 

Tényleg jó lenne majd erről egy átfogó képet alkotni.

Előzmény: Desert Rat (30475)
Desert Rat Creative Commons License 2013.03.26 0 0 30475

Oké, köszi ... csak nem számoltam, mert a 10 MHz olyan bőnek tűnt, de 432-433 az másra foglalt, akkor nyilván csak úgy fér bele 7.6, ha 432 alatt van a felmenő. Amire én gondoltam az csak 5MHz-es (USA) shiftnél fordulhatott volna elő.

Előzmény: Doky586 (30474)
Doky586 Creative Commons License 2013.03.26 0 0 30474

 

mire gondoltál? a felmenő 432MHz alatti...

Előzmény: Desert Rat (30472)
TamiBT Creative Commons License 2013.03.26 0 0 30473

 - koszi az infot, egy valami nicns benne, az az ominozus levlista :)

Előzmény: ha7tm (30471)
Desert Rat Creative Commons License 2013.03.26 0 0 30472

"a felhasználók eddigiekkel ellentétben legálisan használhatják a környező országok átjátszóit is."

 

Tudom, hogy csak idéztél, de tudsz-e (vagy bárki más) valami arról, hogy miért ne lenne (lehetett)  legális olyan átjátszó használata ami felmenője Magyarországon engedélyezett frekvencián van (ezen adok), lejövője viszont nem, de vehető.  Egyszer felvetettem hasonló kértdést az EchoLink-el kapcsolatban is, hogy végül is olyan frekvenciákon lehet vele beszélni ami Magyarországon egyáltalán nincs kiadva. A lejövő ág ugyanis nem én vagyok, hanem egy önálló saját hívójellel rendelkező jogosult  rádióállomásé ami ráadásul nem esik a magyar jogrendszer területi hatálya alá.   Elsősorban a jogi aspektusa érdekel, nem a hallgatólagos gyakorlat.

Előzmény: ha7tm (30471)
ha7tm Creative Commons License 2013.03.26 0 1 30471

Néhány szót szeretnék szólni a 2013-as tervekről. Az FNFT módosítás alapján a 70 cm-es amatőrsáv kiterjesztésre került. Ez elég régóta fennáló problémánkat tudja megoldani. Egész Európában minimális kivétellel gyakorlatilag mi vagyunk az egyetlen ország, akik 70 cm-en -1,6 MHz-es shiftet használunk. A 70 cm-es amatőrsáv nem kizárólagosan a miénk, azt más felhasználók is használhatják, használják. Sajnálatosan például a nagyon nagy tömegben előforduló rádiós távirányítók (gépjárművek központizára-riasztója) pont az átjátszóink felmenő frekvenciáit használják. Ez relatíve nagy sávszélességű, ezért nem hallható a létrehozott zavar, de spektrumanalizátorral jól látható.

A 70 cm-es sáv kiterjesztésével lehetőségünk nyílik 7,6 MHz-es eltolású átjátszók használatára. Viszont ez felvet néhány műszaki kérdést, amit meg kell oldanunk. Ilyen többek között az, hogy nem minden átjátszó antennája működőképes. A rádiók azonban tipikusan képesek működni ezen a frekvencián is. Lehetőség nyílik arra is, hogy a 70 cm-es átjátszók antennarendszere egyszerűsödjön.  Üregrezonátor nélkül is egy sima duplex szűrővel lehetséges a közös adó-vevő antenna használata.

Mindezen műszaki lehetőségek és kihívások megbeszélésére létrehoztam egy levelező listát, összefogva az átjátszók üzemeltetőit.

Az átállást véleményem szerint nem egységesen egyidőben, hanem folyamatában, néhány év alatt hajtanánk végre. Természetesen ezt sem érdemes kötelezővé tenni, mert az mindenképpen nem kívánt ellenálást, vitát váltana ki. Amikor már az átjátszók többsége az új sávrészt fogja használni, a többi üzemeltető követni fogja őket. Ezt a folyamatot erősíteni fogja, hogy a felhasználók eddigiekkel ellentétben legálisan használhatják a környező országok átjátszóit is.

Jelen pillanatban a szóbajöhető frekvenciák megfigyelése folyik, új rádióengedély kiadására csak a MRASZ nemzetközi frekvencia koordinációja után van lehetőség.

Köszönöm a figyelmet!

Budapest, 2013. január 18.                                         Herczeg Zoltán, HA3KZ

Előzmény: Doky586 (30470)
Doky586 Creative Commons License 2013.03.25 0 0 30470

Sziasztok!

 

Érdeklődnék hogy mit tudtok arról hogy a kibővült 70cm-es amatőr-sávban (430-440MHz) át lesznek-e állítva az átjátszók az EU-s 7.6Mhz sztenderdre?

 

Yaesu rádiók manualjában ez áll:

 

itt a Magyar Közlöny. ebben szerepel a 70MHz-el együtt.. (312.o)

tobell Creative Commons License 2013.03.25 0 0 30469

Szép napot,

egy kis segítséget kérek:

egy elérhetőséget,ahol meg tudom javíttatni mini dv kazettás kamerámat:

Sony DCR HC23 . Az utolsó kazetta kivétele után nem tudom visszazárni.

Örülnék ha ajánlanátok valakit,

Üdv.:T-D.László

X ANTI Creative Commons License 2013.03.24 0 0 30468

Persze. Ez gyakorló eszköznek készül, ne kelljen 150 km-re elmenni. Pécs/Pogány, Debrecen, Pápa jöhetne szóba. Ferihegy felejtős.

 

Előzmény: Törölt nick (30466)
Doky586 Creative Commons License 2013.03.24 0 0 30467

Az ssb-s zsebrádiómban (műsorvevő) is van ilyen. AM synchronous detektor-nak nevezik. de gondolom már digitális elven nyugszik.

egyébként tényleg jó, de nem fadingre hanem közeli/szomszéd zavar kiszűrésére AM esetén..

Előzmény: Qqberci (30439)
Törölt nick Creative Commons License 2013.03.24 0 0 30466

De ettől még VFR-ben repültök?

Előzmény: X ANTI (30459)
X ANTI Creative Commons License 2013.03.24 0 0 30465

Itthon könnyű olyat találni......

Előzmény: Törölt nick (30464)
Törölt nick Creative Commons License 2013.03.24 0 0 30464

Zseniális ! Gondolom valami olyan frekipárt sugároz, ami nincs a környéken :)

 

Előzmény: X ANTI (30459)
X ANTI Creative Commons License 2013.03.24 0 0 30463

Arra kell csak vigyázni, hogy az áramkör mindíg nyitott legyen.

Akkor kisebb a kár.

Elég drága az alkáli elem.

 

De az a citromozás mi volt? Csak kontakt tisztítás? Esetleg abban volt a misztikum? Narancs vagy grapefruit is jó? Magyarnarancs?

Előzmény: pipástóni (30462)
pipástóni Creative Commons License 2013.03.24 0 0 30462

Mindent kimerítő frappáns válasz volt tőled  )))))))

Előzmény: X ANTI (30461)
X ANTI Creative Commons License 2013.03.24 0 0 30461

Ezt nyugodtan kipróbálhatja.

Lehetőleg április elsején.

Csak a szigetelőszalag gyártóknak és kereskedőknek lesz jó.

Előzmény: pipástóni (30460)
pipástóni Creative Commons License 2013.03.24 0 0 30460

 

Szerintetek ez egy kamu videó lehet ?? és ne próbálja ki senkisem .  Vagy ilyen egyszerű az újratöltés ?? :) :) 

X ANTI Creative Commons License 2013.03.24 0 0 30459

Ha a fedélzeten ülök, akkor van. Viszem magammal egy kis netbook, egy GPS és 2 kis pici adó formájában.

Bárhol tud lenni, egy kis mezőn, vagy esetleg 3000 láb magasan is! Reptér sem kell hozzá!

Előzmény: Törölt nick (30458)
Törölt nick Creative Commons License 2013.03.24 0 0 30458

LHBS-en van ILS?

 

Előzmény: X ANTI (30457)
X ANTI Creative Commons License 2013.03.24 0 0 30457

Csak egy iskolakör volt egy helivel, utasként. ILS-t teszteltünk.

Előzmény: Törölt nick (30456)
Törölt nick Creative Commons License 2013.03.24 0 0 30456

Személyesen voltál ott fenn 200m-en? Mert akkor picit irigykedek... :)

 

Előzmény: X ANTI (30455)
X ANTI Creative Commons License 2013.03.24 0 0 30455

Rendkívüli AM vétel volt tegnap délután. A párás időben Budaörs felett 200 méteren jól hallható volt Kaposújlak reptere. Azonos frekin van LHBS-el. De elvileg nem lehetne ilyen alacsonyról "odalátni".

X ANTI Creative Commons License 2013.03.23 0 0 30454

Az alján az elemtartó fenekén egy kis fémlemezkén szoktak lenni az opciók.

Előzmény: Törölt nick (30453)
Törölt nick Creative Commons License 2013.03.23 0 0 30453

Attól félek, hogy ez olyan középső sávos mert 170 felett egyáltalán nem megy, 145-ön legalább ad de rendesen nem vesz. Holnap megnézem, hogy csak érzéketlen vagy egyáltalán nem vesz. Nem szívesen csavargatnám, csak ha nagyon muszály mert semmilyen alkalmazást nem találok neki.

Előzmény: X ANTI (30452)
X ANTI Creative Commons License 2013.03.23 0 0 30452

Ez is Yaesu, csak német rendelésre készült.  Echte tüchtig japán.

Sokáig gyártották a családot, elég sokféle proc panellel.

De a lényeg, hogy sikerült.

Ha érzéketlen, valszeg más sávrészre készült. Az érzéketlenség más, mint ha nem is venne egyáltalán. Erre is van esély, hogy ott már kiakad a VCO. Csak ekkor és szigorúan csak ekkor szabad ahhoz hozzányúlni!!!

A vevő bemenő tekrenceken lehet sokat javítani az érzékenységen. De pl. D sávúból soha nem lesz rendes amatőrsávos. Ahhoz hangolókondikat is kellene cserélni, ami felejtős. Általában 1 sávrésznyit át lehet húzni. Tehát C-ből B-t például. 

Illik nagyon pontosan jusztírozott hangolópálcát használni a kis ferritekhez, mert biztos 2 évtizede jól belakták a helyüket.

Előzmény: Törölt nick (30449)
Törölt nick Creative Commons License 2013.03.23 0 0 30451

tehát beteszed az átjátszó lejövő frekijét szimplexbe a csatornára. Ha ez megvan, beállítod a felmenőt a VFO-ban mindent úgy csinálsz mint amikor eltetted szimplexbe, de amikor villog a csatornaszám akkor nyomod a PTT-t és a memorizáló gombot. 

Törölt nick Creative Commons License 2013.03.23 0 0 30450

Pedig stimmelnie kell. Nekem is volt egy Ricofunk RTH-2006-osom. 10 évig használtam. Ugyanaz mint a Yaesu FTH-2006 csak ezt Németországban gyártották. Úgy kell beletenni a frekit ahogy XANTI írta.

 

És azért érzéketlen, mert a VCO nem oda van optimalizálva. Szétveszed kétfelé és ott van a belső fém dobozon két csavar, a bal oldalra eső alsó csavarral tekered de óvatosan mert törékeny grafit rúd. Ezek be voltak jelölve A B C D típusokra, a tied valószínűleg a D lesz ami 160-174-ig van belőve és azért koki süket amatőrsávon. De le lehet odáig tekerni. Akkor meg a felső sávokat nem fogja venni. 

Előzmény: Törölt nick (30449)
Törölt nick Creative Commons License 2013.03.23 0 0 30449

Ez nem stimmel mert a fiam közben kitalálta. Ez nem olyan... :-) Mondja, hogy a HA5BRG oldalain megtalálta. Viszont ez a dög 2006 ami nem is Yaesu hanem Ricofunk de ugyanolyan az amatőr sávon ad ugyan de olyan érzéketlen mint a bot. Indítja a Galyát de nem veszi.

 

Előzmény: X ANTI (30447)
Qqberci Creative Commons License 2013.03.23 0 0 30448

A REV-hez már nem volt szerencsém, de a Bandi-féle ISB demodulátor valahol még megvan "térhálós" formában... Tényleg nagy élmény, elő fogom szedni...

Előzmény: Törölt nick (30442)
X ANTI Creative Commons License 2013.03.23 0 0 30447

Külön kell beadni a vételi és utána az adási frekit a memóriába, de csak az első 6 használható erre a célra.

Először beírod a vételit egy adott fiókba. Megtanítod vele szimplexként. Utána az adásit ugyanoda, annyi eltéréssel, hogy mielött benyomnád másodszor a VFo/memo gombot a rögzítéshez, elötte megnyomod a PTT-t és nyomva tartod a memorizálás közben.

A VFO üzemben csak belső jumper átforrasztással lehet shiftet állítani. De ez zavaros, mert sokféle vez.panel és firmware van.

Előzmény: Törölt nick (30443)
oldrad Creative Commons License 2013.03.23 0 0 30446

PS. Valamelyik RT-ben volt egy passzív tagokból összeépített fázistoló áramkör a két füles közé, ezt az élményt okozta...

(CW vétel sztereóban, vagy valami hasonló...)

 

 

Előzmény: oldrad (30444)
Törölt nick Creative Commons License 2013.03.23 0 0 30445

Az R155P s tudta ezt...

 

Előzmény: oldrad (30444)
oldrad Creative Commons License 2013.03.23 0 0 30444

Álmonóból átment álsztereóba :-))

 

Előzmény: Törölt nick (30442)
Törölt nick Creative Commons License 2013.03.23 0 0 30443

Esetleg valaki meg tudná e mondani: egy Yaesu FTH2006-on hogyan lehet állítani a duplex távolságot? (4,5MHz-ről 600kHz-re)

Törölt nick Creative Commons License 2013.03.23 0 0 30442

Nagy élmény KH vagy RH AM műsort hallgatni ISB-ben. A REV251 vevő (is) tudja azt gyárilag, hogy egy sztereó fejhallgatóra kiadja a két oldalsávot külön. Ha így hallgatjuk az amúgy monó adást az valami csoda. Még a Kossuth rádió is olyan mint ha egy óriási csarnokban hallgatnánk. A távolabbi RH műsorok olyanok, mint ha az a csarnok forogna is. Szédítő....

 

Előzmény: Qqberci (30439)
Maketheworldabetterplace Creative Commons License 2013.03.23 0 0 30441

Köszönöm szépen.

Előzmény: Qqberci (30439)
Maketheworldabetterplace Creative Commons License 2013.03.23 0 0 30440

Nektek mennyire zavarja a számítógép/laptop a rádióvételt?

Sajnos a laptop kapcsitápja, és maga a gép is erőteljes zavaróadó 14070kHz-en, kábelen csatlakoztatva is.. Készítsek 18V-os trafós tápot toroiddal?

Szükségmegoldásként telefonnal rögzítettem a vételt, majd lejátszva dekódoltam a Digipannal a PSK31 adásokat. Tetszik, hogy ezen a frekin egész nap "zajlik az élet", és szerencsére a zaj is kicsi(ha a szgép kikapcsolt).

Qqberci Creative Commons License 2013.03.23 0 0 30439

Nem "sztereo" vétel volt, csak a két oldalsáv eltérő (szelektív fading miatti) torzulása miatt "térbe" került a hangélmény.

 

Érdemes megnézni a cikksorozatot, az 1978-as évben a 429. oldalon kezdődik.

 

Ha nincs meg a technika, innen leszedheted egy pár napig:

 

http://extfil.samunet.hu/Rt1978.pdf

 

http://extfil.samunet.hu/Rt1979.pdf

Előzmény: Maketheworldabetterplace (30436)
Maketheworldabetterplace Creative Commons License 2013.03.23 0 0 30438

Én úgy gondolom, akkor lehet gond, ha az egyik adó szinte a szomszédban van. Képes elnyomni a távolabbi adásokat.

Fullra azonos frekivel adó 2 AM adót még nem próbáltam adásra kapcsolni, és nem vizsgáltam egymásra hatásukat, és az érthetőséget. Ha eltérő a 2 freki, a különbségi frekvencia megjelenik. AM vivőnél szinusz sípolás formájában. CB-n terjedéskor gyakran előfordul, azonos csatin az AM és SSB adók egy időben beszélnek. Ekkor AM rádión BFO nélkül is érhetővé válik az SSB(ha kb. frekin ad az AM-es).

Mikor még nem volt SSB-s rádióm, egy kis teljesítményű AM/FM rádiót kapcsoltam adásra műantennával. Megfelelő távolságra a vevő AM-estől szépen demodulálta az SSB-s adásokat. Túl közel hozzá elnyomta azokat. Ezt csak mint érdekességet említem, érdekes kísérlet volt.

Sőt megfelelő frekiválasztás esetén megjelent az 540kHz különbségi freki, Lajos bácsi rádiója hallható volt. :-)

 

 

Előzmény: mtr. (30435)
Maketheworldabetterplace Creative Commons License 2013.03.23 0 0 30437

A BRFK-s Ütik nyilatkozata alapján ne általánosítsunk. "Budapista" csak egy városa az országunknak.

Előzmény: radio08 (30429)
Maketheworldabetterplace Creative Commons License 2013.03.23 0 0 30436

Az adás hogy volt megoldva a "sztereónál?"

Előzmény: Desert Rat (30426)
mtr. Creative Commons License 2013.03.23 0 0 30435

Hi,

Rádiófüggő, hogy az erősebb AM adás alatt mennyire hallható a gyengébb. [nagyjel tűrés, AGC konstrukció, stb.] Mivel az AM a gyakorlatban jól bevált, nem nagyon noszogatták a fejlesztőket gyökeres változtatásokra. Épp'hogy sőt, (szerintem) a költségek miatt. Szemben a költséghatékonysággal, műszaki érveket nem olyan nehéz találni mellette vagy ellene. A hivatkozott "capture effect" sem más, mint a több felhozott érv egyike.

Ámbár:

Egyszer valaki véletlenül rátette az utazótáskáját az adást indító lábpedálra. Elég sokáig blokkolta így a frekvenciát, de az azonos körzetben, hasonló teljesítménnyel indított adások mégis többé-kevésbé érthetően "lejöttek". (későbbi rádiókban lehetőség volt 1-3 perces adásidő korlátozásra, részben a hasonló "beragadt PTT" esetek, részben a túlmelegedés elkerülésére)

Előzmény: Törölt nick (30425)
Qqberci Creative Commons License 2013.03.23 0 0 30434

"A" osztályú végfok...

Előzmény: Kawabiker (30424)
radio08 Creative Commons License 2013.03.23 0 0 30433

Egy párat  már  megkérdeztek , érdekes  válaszokat adtak hivatalos  eljárásban  és  eskü  alatt.

Előzmény: Maketheworldabetterplace (30423)
gg630504 Creative Commons License 2013.03.23 0 0 30432

Airveyor (Morseballon II) közvetítés élőben: http://www.ustream.tv/channel/airveyor

Bövebben: http://wiki.ham.hu/index.php/Magasl%C3%A9gk%C3%B6ri_l%C3%A9gg%C3%B6mb

Üdvözlettel: Gábor, a HG9IEG állomás kezelője.

radio08 Creative Commons License 2013.03.23 0 0 30431

Na  ez  a különbség  a  hagatózás  és  gyakorlása  között,  sokan  látták  is  ,  csinálni  sem  sokan   merték. A Mentőké  nem  tudom  milyen.

Előzmény: Törölt nick (30427)
radio08 Creative Commons License 2013.03.23 0 0 30430

Ez  az  elment  gyakorlatban  annyit  jelent   hogy  egy  leadott  közlemény  rádion  akkor  van , volt  leadva  ha  azt  az  ellenállomás  betű  szerint  visszaismételte, magnóra  ment,  valamint  be-

tű szerint  leirásra  került. A  magno   egyik  csatornájára  a  pontos  idő  rögzitődött   mindennel  párhuzamosan.  Valamint az  összes  leirás  időrögzitéssel  szignózva. Itt  kezdődik  a  forgalmazás.

Előzmény: Törölt nick (30427)
radio08 Creative Commons License 2013.03.23 0 0 30429

Hivatalból  megkérdeztem  az összes  brfk- ütit,  ők  csak  tudják. Nekem meg pont elég  volt.

Előzmény: Maketheworldabetterplace (30423)
_nyunyuka Creative Commons License 2013.03.23 0 0 30428
Ez volt a fiókban :-):-).
Előzmény: Kawabiker (30424)
Törölt nick Creative Commons License 2013.03.23 0 0 30427

Minden rádiórendszer olyan jó amilyen a leggyengébb pontja: rendszerint az ember. Huszonév hallgatódzásának a tapasztalata szerint a mentősök nagyon fegyelmezetten, korrektül rádióztak. A tűzoltóké is elment. A rendőrök hááááát...

Előzmény: Maketheworldabetterplace (30423)
Desert Rat Creative Commons License 2013.03.23 0 0 30426

Emléxem, volt egy szellemes megoldása, hogy az AM vivőre rászinkronizál (PLL) a vevő BFO-val, majd az alsó és felső oldalsávot külön-külön demodulálja egyféle "sztereo" vevőként. Nagyon tetszett és kacérkodtam a megépítés gondolatával, de a lustaság és az idő .... bár még nem késő.

Előzmény: Qqberci (30420)
Törölt nick Creative Commons License 2013.03.23 0 0 30425

Köszi! Bennfentes,szakember válaszának tünik.

Azonban az AM-nél is az erősebb adó burkológörbéje jelenik meg a demodulátor fokozat kimenetén,a gyengébb jel abban eltemetve lesz jelen.

FM-nél lehetőleg minél korábbi fokozatokban limitálni kezdik a jel amplitúdóját,hiszen az nem hordoz információt. (hordoz-persze,de ott nem kell.)

Előzmény: mtr. (30406)
Kawabiker Creative Commons License 2013.03.22 0 0 30424

Mit keres ott EL34? Vagy rosszul látom?

Előzmény: _nyunyuka (30399)
Maketheworldabetterplace Creative Commons License 2013.03.22 0 0 30423

Értem.

Kérdezz meg 1000 rendőrt is erről, készítsünk statisztikát. :-)

Előzmény: radio08 (30421)
Maketheworldabetterplace Creative Commons License 2013.03.22 0 0 30422

Gyors RX/TX váltású rádiónál akár CW-ben is lehetne adni az AM rádióval.

Előzmény: Qqberci (30420)
radio08 Creative Commons License 2013.03.22 0 0 30421

A  gyakorlat  az  , ha  a  rendőrt  kiküldik autóval   egy  helyszinre  pl .  tűzeset ,  akkor   rácsapja  az  ajtót  a   rádiora   és  elmegy  bámészkodni,  hivhatja  őt  az  üti ,  amig  meg  nem unja  a

bámészkodást. Emiatt   ha  az  ütinek  tájékozodni  kell  valami  miatt  akkor   a  tűzoltó  hirközpontot  hivja  ,  lévén  ott  a  rádioforgalmazási  fegyelem  nagyságrendekkel  jobb. Ezt  a  mindenkori

rendőr  üti   közölte   ha  rákérdeztünk  hogy  miért  nem  a  kintlévő   rendőröket  hivja.

Qqberci Creative Commons License 2013.03.22 0 0 30420

Nemrég kerestem rá, Gschwindt Bandinak volt erről egy nagyon jó cikksorozata a Rádiótechnikában 1978 szeptembertől kezdődően...

Előzmény: Maketheworldabetterplace (30418)
Maketheworldabetterplace Creative Commons License 2013.03.22 0 0 30419

FM-nél az összenyomásnak érthetelen katyvasz a vége. Nemrég épp láttam a Légikatasztrófákban, hogy az erősemm AM adó elnyomta a gyengébbet. Nem hallották meg, emiatt sokan odavesztek.

 

"Ha viszont az lenne a feltétel, hogy ha a rendőr csak egyszer is nem tud kapcsolatba lépni az ÜTI-vel akkor agyonlőnék akkor már kevés élő rendőr lenne és elég hangosan tiltakoznának a változtatás ellen."

 

A rendőrt, vagy az ÜTI-t? :-)

Úgy értelmezhető a mondatod, mintha a rendőrök könyörögtek volna a Tetra rendszerért a régi FM-es frekik helyett. A régi féltégla rádiók "intézkedés eredményességét elősegítő eszköz"-ként is használhatók voltak. :-D

Előzmény: Törölt nick (30388)
Maketheworldabetterplace Creative Commons License 2013.03.22 0 0 30418

AM adást vehetnék SSB-ben is, ha annyira fontos a jelsérülés esetén is értelmezhető(nem jó minőségű, kellemes hangú DE értelmezhető) vétel.

Előzmény: Törölt nick (30403)
Qqberci Creative Commons License 2013.03.22 0 0 30417

Hahahahahaha....  :-)))

 

Wales, Porth Madog.  A kisvonat a Snowdonia Nemzeti Parktól a hegyekből jön le...

Előzmény: X ANTI (30415)
dalamancsa Creative Commons License 2013.03.22 0 0 30416

Elírtam. FTH-7010 es. De a kérdéseim ugyan azok mint előző hozzá szólásomba írtam.

Előzmény: X ANTI (30409)
X ANTI Creative Commons License 2013.03.22 0 0 30415

OFF

Ez a csillebérci Úttörővasút új mozdonya? Takaros darab!

Előzmény: Qqberci (30414)
Qqberci Creative Commons License 2013.03.22 0 0 30414

Ráér, nem lóverseny...

 

Előzmény: _nyunyuka (30412)
_nyunyuka Creative Commons License 2013.03.22 0 0 30413
Anonymo... mindjárt megy...
Előzmény: Qqberci (30411)
_nyunyuka Creative Commons License 2013.03.22 0 0 30412
Holnap reggel, ha majd rendes gépnél leszek, erről a benti dögről minden letiltva...
Előzmény: Qqberci (30411)
Qqberci Creative Commons License 2013.03.22 0 0 30411

Szolgálati közlemény!

 

Nyunyuka, dobj egy mailt, szeretnék kérdezni valamit!

 

Előzmény: _nyunyuka (30410)
_nyunyuka Creative Commons License 2013.03.22 0 0 30410
7010 lesz az.

Kandós korunkban játszottunk velük, akár 100Hz-es lépésközre is rávehető. Sajna már nincs meg a kódtábla, de az emlékek még igen :-).
Előzmény: X ANTI (30409)
X ANTI Creative Commons License 2013.03.22 0 0 30409

Biztos vagy a 7020 típusban? Nem 7010 a darab?

Előzmény: dalamancsa (30408)
dalamancsa Creative Commons License 2013.03.22 0 0 30408

Információt szeretnék kérni. FTH-7020 kézi adó-vevőt hány csatornára lehet beprogramozni? Nekem minimum 1től-16ig kellene (tizenhat csatorna). Tudja e a 6,25khz es lépést programozásba? PMR csatornákra kellene beprogramozni. Esetleg foglakozik a programozásával valaki? És mi a maximális teljesítmény amit tud? Maximum hány voltal táplálható?

radio08 Creative Commons License 2013.03.22 0 0 30407

 Slim  Jim   a  helyén  és  a  paraméterei , hátha  kell  valakinek   VHF  sávra.

mtr. Creative Commons License 2013.03.21 0 0 30406

A hőskorban a tech. korlátok miatt az AM és CW üzemmódot használták. Az AM modulációt többek között a "Capture Effect" miatt

 http://href.hu/x/jjnw

nem cserélték FM-re. (Azaz az erősebb adó aktiválja a limiter fokozatokat, emiatt a gyengébb próbálkozása nem hallható) Az SSB rövidhullámon bevált, de pl. a szelektív hívás [SelCal] a doppler miatt bizonytalan. URH-n nem tudok próbálkozásról sem.

A zsúfolt légterekben elfogytak a frekvenciák, az amerikaiak valamilyen speciális trönkölt megoldásban látták a megoldást. Mivel ez nem kompatibilis a meglévő technikával, a világ összes rep. rádióját földön-égen le kellett volna cserélni. "persze, majd valahol Afrikában, egy décéhármason, észnél vagytok?" Ezért inkább a kezdetben 200, majd 100, 50, és 25 kHz-es rasztert 8,33 kHz-re változtatták. Az újonnan szolgálatba állítható frekvenciákat adás és vétel oldalon is 2,5÷2,7 kHz-re korlátozták, ezért csak fóniára használhatók, az eredetileg is használt raszter frekvenciáknak pedig a lehetséges legnagyobb sávszélességet biztosították a klf. adatkommunikáció nagyobb sávszélesség igénye miatt. A kompatibilitás megmaradt. De ahogy olvasom, az idő most már a CLIMAX-nak dolgozik:

http://href.hu/x/jjo0

és ez (sajnos) már a fiatalokra marad.

_nyunyuka Creative Commons License 2013.03.21 0 0 30405

Ha sérül is, a forgalmazás érthető marad, "átmegy".

 

Ha akkora lenne a repülés biztonsága, mint a digitális rádiózásé, nem unatkoznának a bulvárlapok újságírói (nagy bánatukra csak egy címlapja van az újságnak), épeszű ember meg nem ülne gépre.

Előzmény: Törölt nick (30403)
X ANTI Creative Commons License 2013.03.21 0 0 30404

Egy sor NDB megszűnt.

BS sincs már 520-on Budaörsön. Mivel a reptér MRSZ kezelésben van, frekihasználatot kellene fizetni. De a reptér besorolása nem engedi meg a műszeres megközelítést, így csak gyakorlásra volt jó.

Előzmény: Törölt nick (30401)
Törölt nick Creative Commons License 2013.03.21 0 0 30403

Valószínűleg csupán ennyi a magyarázat.

Hiszen,ha sérül az AM-jel,akkor mindkét oldalsáv sérül,de még a vivő is.

Ez utóbbi ugyan nem érdekel senkit tkp., de azért a hiba "demodolálódik".

Előzmény: X ANTI (30402)
X ANTI Creative Commons License 2013.03.21 0 0 30402

Ebben is van igazság, de egyszerűen a repülés kezdetekor nem volt FM. Elkezdték AM-el és "úgy maradtak".

 

Előzmény: Törölt nick (30400)
Törölt nick Creative Commons License 2013.03.21 0 0 30401

Extremitás?: borult az NDB a jászágóval együtt?!?

Előzmény: Törölt nick (30397)
_nyunyuka Creative Commons License 2013.03.21 0 0 30399

Békében megférnek egymás mellett :-).

 

(KF erőlködő és AM-FM demodulátor panel a következő, sajna abból sincs meg az eredeti...)

Előzmény: gépészet (30389)
radio08 Creative Commons License 2013.03.21 0 0 30398

Igen , ilyesmire gondoltam  én  is .

Előzmény: Törölt nick (30394)
Törölt nick Creative Commons License 2013.03.21 0 0 30397

Jut eszembe: Hova lett 518kHz-ről a "JBR" ?

Előzmény: X ANTI (30396)
X ANTI Creative Commons License 2013.03.21 0 0 30396

Ez nem probléma ma már. Nagyon sok gépen ott a műholdas internet az utasoknak is.

A GPS is elég fürge műholdakkal dolgozik bő 2 évtizede.

De a világ nagy részén kell tudni kezelni egy helyen, egyszerre a "fatengelyes" kis sportgépet, meg a csoda repülő kisvárosokat.

 

Annyi gond lett az elmúlt 2 évtizedben, hogy elfogytak a frekik. Ezért tart az átállás a 8,33 kHz-es raszterre. De a repülésben egy gép, egy berendezés átlagos élettartama 30-40 év!

Ma is vidáman repkednek a 70-es években gyártott Cessnák. Sőt, világháborús DC-3-ak is vagy 100-150 példányban. Persze rendszeres nagyjavítások után.

Így még mindíg más dimenziókban gondolkodnak. SZERENCSÉRE sokszor nagyon más srófra jár az agyuk.

Javításra is előfordul még a tranzisztoros kor elejéről származó rádió, műszer.

Előzmény: Törölt nick (30394)
Törölt nick Creative Commons License 2013.03.21 0 0 30395

Dehogy tudják gyakorolni.

Képzeld el, ahogy a yaesu menüjében beállítják,hogy cat rate, meg atas120, meg swr. ;)

Nekem nem megy az "elképzelet".

Előzmény: Törölt nick (30393)
Törölt nick Creative Commons License 2013.03.21 0 0 30394

Valahol olvastam,hogy egyéb okai is vannak.

A doppler torzításról volt szó. A gép sebessége modulációt okoz.

Ez sima fónián nem okoz gondot,de valamely segédvivőnél már igen.

Nem állítom,hogy így van,ismétlem:csak olvastam.

Előzmény: radio08 (30390)
Törölt nick Creative Commons License 2013.03.21 0 0 30393

Igen...  Azért jó ez a valóságos flottányi mennyiség,mert már nem csak az "irány",hanem így a "háló" összeköttetést is tudják gyakorolni.

Előzmény: Törölt nick (30382)
X ANTI Creative Commons License 2013.03.21 0 0 30391

Tisztán a történelmi háttér.

FM rádió még nem volt, mikor a repellők AM-ben beszéltek. Meg távíróztak anno!

Előzmény: radio08 (30390)
radio08 Creative Commons License 2013.03.21 0 0 30390

Jó,  ez most  igy  igaz ,  én  valami  szűkebben  vett  teljesen  műszaki  jellegű  dologra  gondoltam  a  kérdés  feltevésekor.

Előzmény: Törölt nick (30388)
gépészet Creative Commons License 2013.03.21 0 0 30389

EZ IGEN!!!

Többgenerációs együttélés! :-)

Öreg Csóka

 

Előzmény: _nyunyuka (30376)
Törölt nick Creative Commons License 2013.03.21 0 0 30388

Azért AM mert a légiforgalomban a kisérletezés illetve a müszaki csingilingikkel való próbálkozás nem megengedett mert nagyon veszélyes lenne. Ha AM-ről pl FM-re kéne áttérni akkor EGYSZERRE a világ összes repülőgépét és irányító munkahelyét át kéne állítani. Mivel a repülésben még egy csavarnak az ára is sokszorosa a közönséges szerkezeti alkatrészeknek ezért egy ilyen átállás horribilis pénzbe kerülne amit a légi fuvarozó ipar nem vállal be. Pl. a rendőrségnél minden további nélkül bedobnak valami rádiónak csúfolt ketyerét aztán lesz ami lesz. Ha viszont az lenne a feltétel, hogy ha a rendőr csak egyszer is nem tud kapcsolatba lépni az ÜTI-vel akkor agyonlőnék akkor már kevés élő rendőr lenne és elég hangosan tiltakoznának a változtatás ellen.

Előzmény: radio08 (30381)
X ANTI Creative Commons License 2013.03.21 0 0 30387

Nem voltak olyan súlyú technikai gondok, ami ne tette volna lehetővé a nagyon sokkal szélesebb tájékoztatást. Akár a Facebook, ahol a civilek lám tudtak, mert akartak kommunikálni. Akár a kis műsorszórók, akár a nagyok. Akár célzott cellákba menő SMS IDŐBEN!

Mert nagyon más volt a baj Szabolcsban mint az M1 mentén.

A fel nem vett segélykérő vonalakról és honlapokról nem is beszélve!

 

Fej nem volt a cselekvéshez. A kezek meg lettek volna.

radio08 Creative Commons License 2013.03.20 0 0 30386

...gondolja  velem  együtt   mindenki.

Előzmény: radio08 (30385)
radio08 Creative Commons License 2013.03.20 0 0 30385

Valamit  leszögezhetünk ,   technika  van ! ,  csak  mások  nem  tudják , nem  akarják , ezért -azért ,  kezelni....

Törölt nick Creative Commons License 2013.03.20 0 0 30384

"És akkor rátérnék valamiféle akcióterv létének szükségességére"

 

Hm. Ne sms-t küldjön, hanem a pálya menti adók stream-jére "üljön rá".

Ezeken a pontokon:

http://www.fmdx.hu/transmitters-hng-nyd.htm


Vagy a siófoki és a solti KH-ra.

Az minden autóban van.

Ja, hogy kikürtölnénk hogy nyakig ér? az gáááz.

Előzmény: Törölt nick (30373)
Törölt nick Creative Commons License 2013.03.20 0 0 30383

Ott a pont.

Régebbi "ócska" CB-ken, a CH9, és a CH19 dedikált gombok (voltak). Akár dual watch-ban is.

pl.:  http://www.cbradio.nl/dnt/dnt_scanner.htm

 

Illetve.. Szinte minden lengyel, és román autón látok CB-t.

Ezek nem megölik meg eltapossák egymást, hanem segítik egymást. Befecölnek "kemény" 30.000,- Ft-ot az autóba. Meglepő. :)

Csak a mi seggünkbe tolatnak bele ilyen "rezesovák".

Előzmény: Törölt nick (30374)
Törölt nick Creative Commons License 2013.03.20 0 0 30382

RH? Nono! akad azért :)

 

http://www.police.hu/data/cms798110/honlapsagemcom2.pdf

4.1.3 szerződéses pont. Police, 3db 897d, atas120 antennával.

Most vagy nincs meg már raktáron, - vagy bekapcsolni sem tudják - vagy mindkettő :)

Előzmény: Törölt nick (30373)
radio08 Creative Commons License 2013.03.20 0 0 30381

Nem volt  nehéz ,  belülről  láttam , csináltam ,   tényleg   miért   AM   a  légi  forgalom, nagyon  egyszerű   lehet  a válasz  , valaki mondja  meg...

 

A  KUN   vezető  rádioállomás  volt  kezelője   (20évig)

Előzmény: _nyunyuka (30380)
_nyunyuka Creative Commons License 2013.03.20 0 0 30380
10 pont! Ebbe az "erőszakolt műszaki fejlesztés" irányába megy el Csák Noriszunk is. Jó játék az egyre bonyolultabb digi, de pont azt veszti el az amatőrrádió, "amiért jó" és megbízható.

Talán nem véletlen, hogy a légisáv analóg, VHF és AM.
Előzmény: radio08 (30379)
radio08 Creative Commons License 2013.03.20 0 0 30379

Szintén  gratula,  nézni  is  öröm,   más ,  katasztrofavédelmi  párbeszéd:  sokmindent  eldönt  amit  a  bádogos  meghatározott,  a  jogosultság  , a  kötelesség , valamint  a felelősség ,   valamelyik

állandóan  felmerülne   egy  adott  szituációban.  Vagy  mindegyik. Namármost  ezeknek  minden  helyzetben  meg  kell  felelni  aki  részt  vesz  a  dologban,  egy  hobbiból , romatikus  kalandvágy-

 

ból  rádiozó  nem  biztos  hogy  hajlandó, vagy  nem  tud ,vagy  nem akar.  Nem  véletlenül  szankcionálták  a  ,,semmittevő   figyelés "  szabályainak  megsértését  anno .  A partvonalon   kivülről

 

valóban  egyszerűnek  látszik,  az  erőszakos   műszaki  fejlesztés  sokszor  becsődöl,  ha  az  emberi  tényező  ki  van  zárva.

Előzmény: _nyunyuka (30376)
_nyunyuka Creative Commons License 2013.03.20 0 0 30378

Ez hangfrekis végpanel.

 

Nagyfrekin tömörítek, árnyékolok én is.

Előzmény: X ANTI (30377)
X ANTI Creative Commons License 2013.03.20 0 0 30377

Pedig az igazi nagfrekis embör igyekszik minden milliméter bekötést megspórolni. Nem az esztétikának, hanem az elektronyoknak kell tetszeni. Azok meg szeretnek ponttól pontig a legrövidebben közlekedni.

De úgy tényleg szép a munka.

Előzmény: _nyunyuka (30376)
_nyunyuka Creative Commons License 2013.03.20 0 0 30376

Az  asztalon  lehet  rendetlenség  ,  a  panelon  soha.

 

Egyetértek. Főleg, ha majd adott méretű helyre kell beszuszakolni :-).

Előzmény: radio08 (30358)
Nán Creative Commons License 2013.03.20 0 0 30375

Én is köszönöm !

Nán

Előzmény: Desert Rat (30367)
Törölt nick Creative Commons License 2013.03.20 0 0 30373

Pontosan ezért állok értetlenül. A mostani katasztrófa szerveknek nincsen(!) rövidhullámú technikájuk. Az egykori PV-nek,(urambocsá)a munkásőrségnek,talán még a vasútnak is volt. Az most más kérdés,hogy ki mennyire tudta használni,de legalábbis elvi lehetőség volt az együttműködésre az amatőrökkel. Talán a katonáknak még van,de ők meg már alig vannak.

Tehát,ha én,mint amatőr állandóan bevethető mobil technikával rendelkezem is,az mire jó? Mutogatni. Azt sem tudják,akiknek kellene,eszik-e vagy isszák?

"Mennyé a kordonontúlra öcsi,mert itten katasztrófa fennforgásossága eszközlődik."

Gyakorlatilag ugyanez a helyzet az URH állomással bíró amatőrtársakkal is.

 

El kell ismernünk,hogy ebből a szempontból a CB és PMR rádiósok sokkal többet tudnak tenni a rádióamatőröknél. Mégpedig azért,mert többen vannak,pillanatnyi önszervezőképességük hatalmas nagy rugalmasságot tud teremteni.

 

És akkor rátérnék valamiféle akcióterv létének szükségességére,de ez az írásom elején taglaltak miatt tárgytalan.

Előzmény: Törölt nick (30371)
radio08 Creative Commons License 2013.03.20 0 0 30372

Köszi,  73!

Előzmény: Desert Rat (30367)
Törölt nick Creative Commons License 2013.03.20 0 0 30370

Általában minden rádiórendszer akkor és csak akkor ér valamit a gyakorlatban ha azon éjjel nappal figyel valaki bekapcsolt és üzemképes, nem lehalkítot, stb. rádióval olyan aki intézkedni tud és jogosult. Minden más esetben linkre meghatározni egy vészhelyzeti frekvenciát az teljesen haszontalan, értelmetlen.

Előzmény: Törölt nick (30369)
Törölt nick Creative Commons License 2013.03.20 0 0 30369

Konkrétan:

-Ki forgalmaz ezeken a frekvenciákon vészhelyzetileg?

-Kivel forgalmaz?

-Milyen üzemmódban?

-A rádióalkalmazási táblázatban hol utal erre bármi?

-A rádióamatőr vizsgák tananyagában hol van ez benne?

 

Tehát,a mostani hóhelyzetben ez tényleg működött?

Ha igen,akkor mit segített?

Merthogy általánosságban mi rádióamatőrök nagyon tájékozatlanok vagyunk katasztrófa hírváltások terén. Sokak előtt akciófilm hősök képe tünik fel.

Előzmény: Törölt nick (30339)
Törölt nick Creative Commons License 2013.03.20 0 0 30368

Pedig tizenkét napja láttam a tv-híradóban dicsekedni a tábornok urat,hogy a katasztrófavédelem milyen jól megoldotta a telet.

Biztosan nem nézett hosszabb távú előrejelzést.

Előzmény: X ANTI (30353)
Desert Rat Creative Commons License 2013.03.20 0 0 30367

Helyesebben inkább legyen közkincs:

 

https://docs.google.com/folder/d/0B3nl8PeG-naYNW9BeGVmeDBvRUE/edit?usp=sharing

 

 

 

 

Előzmény: Desert Rat (30366)
Desert Rat Creative Commons License 2013.03.20 0 0 30366

Ha arról a katonai kézi izékről van szó, akkor  van róla pár gyenge minőségű rajzom ... bár én tudtam dolgozni róla. Mail megyen.

Előzmény: radio08 (30361)
VI. Uj Lanovka Creative Commons License 2013.03.20 0 0 30365

"hogyan vitték volna fel?"

 

Gondolom azzal a GAZ-69-cel, amivel jöttek.

Előzmény: Törölt nick (30364)
Törölt nick Creative Commons License 2013.03.20 0 0 30364

Tudom, költői a kérdés, de hogyan vitték volna fel? És ki mentette volna ki őket is? :)

 

Előzmény: VI. Uj Lanovka (30363)
VI. Uj Lanovka Creative Commons License 2013.03.20 0 0 30363

A katasztrófavédelem rendesen megvédte a katasztrófát és nem engedte felvinni az aggregátokat a lemerült akkumulátorú fejállomásokhoz.

Előzmény: X ANTI (30362)
X ANTI Creative Commons License 2013.03.20 0 0 30362

Szeretni a mákos tésztát szeretem.

MOST nem a technika volt a hunyó. Idáigi információim szerint.

Előzmény: Törölt nick (30360)
radio08 Creative Commons License 2013.03.20 0 0 30361

Keresem  R 1260,  R 1260M  rádiok  dokumentácioját, kapcsolási  rajz,  stb.

Törölt nick Creative Commons License 2013.03.20 0 0 30360

Azért a leállt mobil és EDR cellák mégis csak okoztak némi problémát, de tudom, neked nagyon bögyödben vannak a mostaniak... :)

 

Előzmény: X ANTI (30359)
X ANTI Creative Commons License 2013.03.20 0 0 30359

Pontosítanék:

A mondás zongoráról szól.

De. Itt és most nem a fizikai technikán múlt, bármilyen divatos ezt emlegetni mindenre. Sokkal inkább a zongoristán.

Előzmény: Törölt nick (30357)
radio08 Creative Commons License 2013.03.19 0 0 30358

Más.  Az  asztalon  lehet  rendetlenség  ,  a  panelon  soha.

Törölt nick Creative Commons License 2013.03.19 0 0 30357

A különféle szervek sem tudtak egymásról hála a milliárdokért összehordott EDR rádióknak. Erre mondta egykori meteorológiás főnököm, hogy "nem való a parasztnak a technika".

 

Előzmény: X ANTI (30353)
alnibell Creative Commons License 2013.03.19 0 0 30356

Néhány kérdés a Yaesu FT-817ND-vel kapcsolatban.
Tekintve, hogy egy kissé nehézkes a csatornák kézi rögzítése a készülék memóriájában, a hozzáértőktől érdeklődöm, hogy:

  • Milyen szoftverrel lehet az adó-vevő programozását elvégezni? 
    Hol lehet ehhez a szoftverhez hozzáférni?
  • Elégséges-e a számítógépről történő programozáshoz a gyári CAT-kábel?
    A CAT-kábel igényel-e valamilyen driver előzetes telepítését a soros- illetve az USB-csatlakozós kivitelnél?
alnibell Creative Commons License 2013.03.19 0 0 30355

Ácsi!
Ez szerintem csak akkor és ott volt érvényben.
Nem tudok róla, hogy ez általános érvényű lenne.

Előzmény: Törölt nick (30339)
gépészet Creative Commons License 2013.03.19 0 0 30354

Megbocsánat!

Miről beszélünk?

 

         https://www.rac.ca/en/rac/public-service/ares/

 

Öreg Csóka

 

Előzmény: Desert Rat (30352)
X ANTI Creative Commons License 2013.03.19 0 0 30353

Mert nem volt egyetlen ember sem, aki infót tudott volna átadni, tekintve, hogy nem volt mit. Meg felhatalmazás, stb. A telefonokat nem volt aki felvegye, a honlapok lefagytak. Milyen infót is tudtak volna továbbadni?

 

Mindegy.  Fedje sűrű homály az ilyen szégyenteljes dolgokat. Csak a plecsniket osszák szét egymás közt.

Előzmény: Törölt nick (30347)
Desert Rat Creative Commons License 2013.03.19 0 0 30352

már egyszer talán linkeltem ...  itt egy megyei ciivil vészhelyzeti rádiós szerveződés  weblapja: http://www.rivcoraces.org/  ... hogyan csinálják máshol.  350 ezer emberre vigyáznak.

 

 

 

bcslaci Creative Commons License 2013.03.19 0 0 30351

A hatóság már nem felkér, hanem jogszabályban utasít.
De ez itt OFF, ide írtam: http://forum.index.hu/Topic/showTopicList?t=9173043

Előzmény: Törölt nick (30344)
_nyunyuka Creative Commons License 2013.03.19 0 0 30350

Volt más freki is, három önkéntes tűzoltó csapat "összekötve" egy átjátszóval, illetve OPSZ-freki és PMR8 között keresztsávos átjátszás.

 

Ugyanazon rádióamatőr "műve" volt mindkettő, a júzerek nagyon megköszönték a segítséget.

 

Hogy a hallhatatlan frekiken mi ment, nem tudom, csak az eredményét láttam. (amit X ANTI is írt...)

Előzmény: cb-cq (30348)
cb-cq Creative Commons License 2013.03.19 0 0 30348

Így utólag Kellett volna egy felvételt csinálni milyen segítség nyújtás ment 14.-én éjjel az Enyingi műsor szóró a cb közép 40 az FM22 és a 146.100-on érdekes rengeteg embernél volt adó-vevő.
(utólag szerencsére nem tette senki a hatóságokon kívül.nincs netes csipkelődés.)

Előzmény: Törölt nick (30346)
X ANTI Creative Commons License 2013.03.19 0 0 30345

Külső segítségkérés esetén be kellett volna ismerni valamiféle saját kudarcot.

No azt a "kissé" nagyra nőtt arcuk nem engedné, légy nyugodt.

Még a sajátjaikat sem tudták koordinálni, nem hogy külsősöket.

Ahogy busszal indultak civilek segíteni és odaérve egy árva lapátot nem tudtak nekik adni.

Fejetlenség, lúzer hozzánemértés, de nagy arc volt és van.

 

Valóban tucatnyi hírforrás lehetőségük lett volna tájlkoztatni mindenkit. De mivel nekik sem volt derengő elképzelésük sem, nem volt mit megosztani másokkal.

A legkomolyabb infócsere mégis a civil Facebook-on zajlott.

Előzmény: Törölt nick (30342)
_nyunyuka Creative Commons License 2013.03.19 0 0 30343

Közben illegálisan életeket mentenek illegális sávokon.

 

A legális (hivatalosan kiadott és engedélyezett) frekiken is, de nem_éppen_engedélyezett_módon :-).

 

Előzmény: Törölt nick (30342)
_nyunyuka Creative Commons License 2013.03.19 0 0 30341

De mondjátok meg, ki kapcsolja be a készülékét, ha tudván tudja, hogy a kutya sem hallgatja ill. a kutya sem fogja vele felvenni a kapcsolatot.

 

Tanulságul egy hsz. a hasixről:

 

Én több, mint 14 órát töltöttem egy helyben állva az M1-esen Mocsánál. Az egyetlen használható hírforrás az (illegális) 27.405MHz USB volt. Pedig volt műsorvevő rádióm, okostelefonom, internet, autopalya.hu kozut.hu minden. Ott a környéken nagy élet van (illegális) VHF/UHF rádiózás terén, azokat a frekiket hallgatva hihetetlen mennyiségű hasznos információhoz lehetett jutni. Amatőr frekin nem nagyon hallottam semmit, bár RH rádiót nem tudtam bekapcsolni mobil antenna híján. A 10 méteres horgászbotomat meg nem volt erőm felállítani és szétdobálni az ellesúlyokat - idő lett volna rá - pedig elég speciális QTH lett volna az autópálya belső sávja. Így az én aktivitásom az információ fogadásában merült csak ki. Egyébként jellemző hogy pl. az SSB-ben CB-ző kamionosok azonos csatornán folyó 3-4 beszélgetését kis odafigyeléssel szét lehet választani, míg az engedélyezett FM-nél ez lehetetlen. Nem véletlenül használják mai napig, 11 évvel a hivatalos betiltás után.

 

Nálam be volt kapcsolva a 145,500 meg a 433,500, néma csend és hullaszag...

Előzmény: Törölt nick (30338)
X ANTI Creative Commons License 2013.03.19 0 0 30340

Sajnos VX-1000 több belsővel létezett, több szoftver változatban. Nem csereszabatosak.

Előzmény: RepLaci (30337)
RepLaci Creative Commons License 2013.03.19 0 0 30337

Szia Mindenkinek!

Lett egy Yaesu VX-1000 rádóm, ami elvileg 99 csatornás.

Bekapcsolás után a led kijelzőn  UP jelenik meg. semmi gombra nem reagál.

Rj 45 mikrofon aljzatba a programozó kábelt bedugom, pr jelenik meg.

ha kiveszem a progi kábelt ismét az  UP  jelenik meg a leden.

Olvasni és írni nem tudom, CE7 progival és max232 interfésszel.

Tudtok segíteni?

Laci.

_nyunyuka Creative Commons License 2013.03.19 0 0 30336
A régi keménygumi házast anno kirámolták fölfelé, kimosták az iszapteret. Ha kellett, új lemezeket tettek be, majd összerakták. A vállalati műhelyben!
Előzmény: X ANTI (30332)
Pentastar Creative Commons License 2013.03.18 0 0 30335

Keresek régi hangfrekis germánium tranzisztorokat! Leginkább OC44/OC1044, AC128, OC75/1075, stb. Adnék érte pénzt!

Kontakt egy mail a nevem alatt.

 

Papimanó Creative Commons License 2013.03.18 0 0 30334

Hali!

 

Most már értem hogy honnan volt ismerős a cucc,én is sokat olvasgattam eféle irodalmat.Tegnap megkerestem az adatlapját miután elolvastam az írásod,és rácsodálkoztam hogy egy fokozatú erősítő 32DB-es erősítést csinál.Nem semmi.Kíváncsian várom az eredményeket.Az enyém is már szépen szól,csupán utána kell picit hangolnom mert az alu dobozba beszerelve kissé elment a frekvencia.További jó bütykölést!

Üdv;P

Előzmény: radio08 (30296)
X ANTI Creative Commons License 2013.03.18 0 0 30333

Ezt a pihentetés utáni mérést egy profi akkustól láttam. Pont azért, hogy biztos legyen benne, hogy jó.

Anno szárazon árulták és el kellett vinni műhelybe, ahol felöntötték és formázták.

Előzmény: Törölt nick (30331)
X ANTI Creative Commons License 2013.03.18 0 0 30332

Persze ez régen volt. Amikor egyáltalán ki lehett ganyézni. Meg ilyet az ember saját magának csinált leginkább a nagy csóróság miatt. Mikor a vállalati verdából kikurjantották pikk-pakk. Oszt a saját gépsárkányban még eldolgozgatott.

Ma értelmetlen volna, mikor 10 doboz cigi ára egy új battéria.

Előzmény: Törölt nick (30330)
Törölt nick Creative Commons License 2013.03.18 0 0 30331

Ha meg másnap már nem indul akkor minek mérni? Hogy milyen messze dobjam el? :-)

 

Előzmény: X ANTI (30328)
Törölt nick Creative Commons License 2013.03.18 0 0 30330

Ez a lúgos akksiknál teljesen korrekt de a savasoknál ha egyszer fel lett töltve akkor már sehogyan nem lehet visszaállítani a szüzességet. A lerakódott iszapot már próbáltuk mi is kiönteni majd az eredeti elektrolitot visszaönteni de: 1., rendszerint egy munkaruha rámegy a manőverre. 2., veszélyes és mérgező. 3., az eredmény nagyon kétséges, néha a földhöz csapkodás is segít. 4., az ügyfél mindezeket nem fizeti meg, meg sem köszöni sőt ha végül nem lesz tartósan jó akkor ugat is. Az új akksi sem sokkal olcsóbb ettől a maceránál viszont van garancia. Tehát ilyen akksikat csak roncsderbi autókhoz használunk ha nagyon muszáj.

Előzmény: X ANTI (30329)
X ANTI Creative Commons License 2013.03.18 0 0 30329

Régen egy öregecske aksiból kiöntöttük a savat, átmostuk egy slaggal, kijött a sok ólomsár. Tiszta savval még zenélt egy jó ideig.

A maiakból már kiönteni sem lehet.

Előzmény: Törölt nick (30327)
X ANTI Creative Commons License 2013.03.18 0 0 30328

Ismert hiba. Ha erős rázkódás, vagy öregedés miatt kihullik a massza egy része az aksi aljára (ez valamennyire természetes) és eléri a lemezek alsó szélét. Nagyon durva lesz az önkisülés, mikor még a belső ellenállása nem túl nagy.

Ezért is szokták töltés után egy éjszakát pihentetni és másnap mérni.

Előzmény: Törölt nick (30325)
Törölt nick Creative Commons License 2013.03.18 0 0 30327

" Pedig a terhelővilla ölég régi eszköz. "

 

De hol vannak ma már a külső összekötővel szerelt akkumulátorok?

Pedig milyen jó lenne, ha egy-egy még nem véglegesen tönkrement cellát egyedileg lehetne kezelni...

Előzmény: X ANTI (30322)
Törölt nick Creative Commons License 2013.03.18 0 0 30326

Engem egyszer a barátom felhívott éjjel, hogy kint Németországban valamit ráejtett a Toyota egyik akksijára (24V-os) és nagy durranás után kifolyt a sav. Szerencsére járó motornál egy parkolóban. A savat lemosta de kérdezte, hogy haza merjen e indulni. Javaslatomra hazajött de nem állította le a motort.

Előzmény: fox hunter (30323)
Törölt nick Creative Commons License 2013.03.18 0 0 30325

Igen, láttam de pl. nekem több olyan akksim is volt ami rendesen indított hidegben is töltés után de az esti leállítás után reggel már át sem fordította a motort. Töltés után közvetlenül terhelve is jót mutatott.

Előzmény: TamiBT (30321)
X ANTI Creative Commons License 2013.03.18 0 0 30324

Gondolom az inas gyerek ülepét is rendes rugások terhelték utána....

 

Szerencsére ennél icipicit bonyolultabb technikai kérdéseke is rendesen megoldottak mára.

A jó öreg savas akksi egy igazi ősállat, volt idő kiismerni.

Előzmény: fox hunter (30323)
fox hunter Creative Commons License 2013.03.18 0 0 30323

Szia X ANTI!

 

Én "terhelő villáskulcsot" láttam. Anno jó 30 évvel ezelőtt, amikor az inas gyerek egy 110Ah-ás akku kivezetésére tette a 17-19-es villáskulcsot.

 

Az volt ám a buli!

Előzmény: X ANTI (30322)
X ANTI Creative Commons License 2013.03.18 0 0 30322

Pedig a terhelővilla ölég régi eszköz. Ma az impulzusüzemű kompóteres mérőkék is igazán korrektek.

 

Előzmény: TamiBT (30321)
TamiBT Creative Commons License 2013.03.18 0 0 30321

 - a terheleses meres miota lett hokuszpokusz? lattal mar ilyet eloben?

Előzmény: Törölt nick (30313)
Qqberci Creative Commons License 2013.03.18 0 0 30320

1etértek...

Előzmény: Törölt nick (30318)
_nyunyuka Creative Commons License 2013.03.18 0 0 30319

Akkor nekem a jó osztásból jutott :-).

 

Kitelepülős akkunak meg találtam valami érdekeset: http://www.tech-mobile.hu/termekek-litium.php

Előzmény: Törölt nick (30317)
Törölt nick Creative Commons License 2013.03.18 0 0 30318

A Vartát gyorsan vegyük ki a listáról.. :)

Előzmény: Törölt nick (30317)
Törölt nick Creative Commons License 2013.03.18 0 0 30317

Na, az a Jász Plasztik... Itt van a szomszédban. Mint a kínai... Van amelyik tényleg kibír 6 évet de egy másik példány meg 6 hónapot sem. Ja kérem, aki minőséget akar annak ott a VARTA vagy a BOSCH esetleg a BANNER.

 

Előzmény: _nyunyuka (30315)
Törölt nick Creative Commons License 2013.03.18 0 0 30316

Már ha tudja a tulajdonos. Idejönnek egy szakadt akksival. Kérdezem: hány éves? Mondja:2. Újonan vetted? Nem, használtan de azt mondták...

Előzmény: Törölt nick (30314)
_nyunyuka Creative Commons License 2013.03.18 0 0 30315

A harmadik meg a gyártója.

 

A jó kis Jász-plasztikos kibír hat évet is :-).

Előzmény: Törölt nick (30314)
Törölt nick Creative Commons License 2013.03.18 0 0 30314

Egyetértek. A másik megbízható adat az életkora..... :)

 

Előzmény: Törölt nick (30313)
Törölt nick Creative Commons License 2013.03.18 0 0 30313

Szokták kérdezni tőlem, hogyan lehetne megmérni egy autó akkumulátort, hogy jó vagy rossz? Meg kell mérni, hogy az autó töltőfeszültsége jó e? Ha az jó és mégse viszi rendesen az önindító csak lassan vagy leesik a feszültség akkor nyugodtan menjen akksit venni. Persze előfordulhat valami trükkös dolog de az elvétve fordul elő. Vannak csillogó terheléses műszerek de az csak hókuszpókusz.

Előzmény: pmate955 (30312)
pmate955 Creative Commons License 2013.03.18 0 0 30312

Nekem is van olyan multim ami terheli az elemet, de ezek az új digitkijelzős cuccok ilyennel már nem foglalkoznak. :)

73&DX! HG8-654

Előzmény: Törölt nick (30311)
kocolaci Creative Commons License 2013.03.18 0 0 30310

Nagyon köszönöm a segítséget, így fogok tenni.

Üdv.

Előzmény: Törölt nick (30299)
VI. Uj Lanovka Creative Commons License 2013.03.18 0 0 30309

Na jó, de az még Pripjatyban volt és hullott tőle a hajam.

Előzmény: radio08 (30308)
radio08 Creative Commons License 2013.03.18 0 0 30308

Nono.

Előzmény: VI. Uj Lanovka (30307)
VI. Uj Lanovka Creative Commons License 2013.03.18 0 0 30307

Még sosem volt világító elemem :-(

Előzmény: HA7PJ (30306)
HA7PJ Creative Commons License 2013.03.18 0 0 30306

Persze, hogy szorítottam addig,míg lefotóztam.Odaadtam egy ismerősnek aki betette a LED lámpába.Szépen világított csak nem sokáig.

Előzmény: radio08 (30305)
radio08 Creative Commons License 2013.03.18 0 0 30305

Szia  Emil,  természetesen  kettő  kézzel  kell  fogni ,  arra  tippeltem  hogy  olyan  erősen  fogod  hogy  a  feszültség  ettől  emelkedik,  pont  erre  ne  lenne ötletem, persze  tévedhetek.

Előzmény: HA7PJ (30300)
HA7PJ Creative Commons License 2013.03.18 0 0 30304

Szia Gabi!

Köszi! Amit küldtél az már jó és ilyen L20-as tekercs van benne.

Azt hittem, hogy át van alakítva de ezek szerint itt minden rendben.

Ez  a nyák verzió egyik dukmentációmban sem így szerepel.

73! Emil(mint a HA7PJ rádióamatőr állomás karbantartója.)

Előzmény: gg630504 (30303)
gg630504 Creative Commons License 2013.03.18 0 0 30303

Nos, a levegőben levést kicsit másképp értettem.

Valóban, a beültetési ábrán a bal érintkezőknél a fólián van egy-egy határozott folytonossági hiány.

Hogy ez vétlen rajzhiba, vagy fejlesztési/variálási okból van, nem jártam utána.

A rajznak akkor felel meg, ha a fóliahiányt pótlod, lehetőleg teljes réshosszban.

 

Leltem azonban egy másik ábrát, ami hasonlít a tiédhez, de L20-nak több kivezetése van ( L19 felé ).

Hajlok rá, hogy a rajzodon lévő fóliarés evolúciós zárvány.

Üdvözlettel: Gábor, a HG9IEG állomás kezelője.

Előzmény: HA7PJ (30301)
HA7PJ Creative Commons License 2013.03.17 0 0 30302

De ez a műszer pontos.A rossz elemet rossznak a jót jónak méri....de ennyire?

Előzmény: Törölt nick (30298)
HA7PJ Creative Commons License 2013.03.17 0 0 30301

Szia Gabi!

Az RL3 és RL4 a levegőben van.Nem?

Előzmény: gg630504 (30295)
HA7PJ Creative Commons License 2013.03.17 0 0 30300

Szia Pista!

Hogy kellene egy kézzel másként ceruza elemet mérni?

Előzmény: radio08 (30297)
Törölt nick Creative Commons License 2013.03.17 0 0 30299

Ha az ablak szélére ragasztasz szalagot az tökéletes lehet egy normális autórádióhoz. A hosszának semmi jelentössége, minél hosszabb legyen. Az erősítőt inkább hagyd el. Érdekességként elmondom, hogy sok autón a hátsó ablak fűtése az antenna sőt némelyiken a csomagtartó elszigetelt fedele.

Előzmény: kocolaci (30283)
Törölt nick Creative Commons License 2013.03.17 0 0 30298

Hóóóógyne! Nekem van egy müszerem ami minden autó akkumulátort töltés nélkül is 15V-osnak kméri.

Előzmény: HA7PJ (30294)
radio08 Creative Commons License 2013.03.17 0 0 30297

Már ne  haragudj  , igy  szoritani  egy  elemet,  nemcsoda  hogy  nőtt  a  feszültség. 73.

Előzmény: HA7PJ (30294)
radio08 Creative Commons License 2013.03.17 0 0 30296

Szia,  titkos?  lételemem az illegalitás és konspirácio,  csak  a  gugliba  be ne  ird  hogy   ha7wdh,   tehát  a  módositások  zöme  az 1978-ban kiadott  Rádiomatőrök Kézikönyve  és az ott  lévő  rajzok a  fokozatokról,  meg  szeretném  elhasználni  a  meglévő  akkori   alkatrészeket. Tehát  szinte  sosincs  komplett  készülékrajz , csak  jól  működő  fokozatok. Bevált  kapcsolások  avagy

munka  az  adatlapról.

Előzmény: Papimanó (30292)
gg630504 Creative Commons License 2013.03.17 0 0 30295

RL7 és 8 a kapcsolási rajzon bal oldalon van.

A beültetési rajzon jobb oldalon középen és lent.

Másfajták, mint RL1 .. 6.

Vagy nem erre gondoltál?

Üdvözlettel: Gábor, a HG9IEG állomás kezelője.

Előzmény: HA7PJ (30293)
HA7PJ Creative Commons License 2013.03.17 0 0 30294

Ilyen elemet talált már valaki?Új .Most bontottam fel a 2db-os csomagot.

A másikban 1,57V-van.

 

HA7PJ Creative Commons License 2013.03.17 0 0 30293

Hát nem jön be az AT-930 visszaalakítás mert nem tudom összhangba hozni a rajzot és nyákot.

Hogy is van ez?

 

A nyák szerint 2 jelfogó a levegőben van.

 

Gyári doku.

 

Előzmény: HA7PJ (30279)
Papimanó Creative Commons License 2013.03.17 0 0 30292

Üdv.

 

Érdekes, nem ismerem azt az IC-t,majd megnézem az adatlapját,kíváncsi lennék a rajzodra is ha nem titkos.HI

Üdv:P

Előzmény: radio08 (30281)
Papimanó Creative Commons License 2013.03.17 0 0 30291

Üdv.

Nem hiányolom,csupán lazán elhagytam.

Megnézted a linket?

üdv:P

Előzmény: Törölt nick (30277)
Papimanó Creative Commons License 2013.03.17 0 0 30290

Üdv.

Szerintem amatőr készítésű rádió, a felirat alapján egy német amatőré lehetett.

Üdv:P

Előzmény: HG0MV (30286)
Papimanó Creative Commons License 2013.03.17 0 0 30289

Lehet hogy csavar lazító spré volt kontakt spré helyett.

üdv:P

Előzmény: X ANTI (30288)
X ANTI Creative Commons License 2013.03.17 0 0 30288

Egy tanulságos javítási történet.

Egy CB/amatőr rádió helyreállítása során olyat láttam, amit még soha, pedig....

A durván elkötött dróthalmaz már sejtetett valamit. Hamar kiderült, hogy a rádió összes potmétere TÖK SZAKADT!

Minden láb minden irányban, de szétszedve nem voltak.

Megbontva az egyik potit kiderült, hogy a szénpályák végének és a középső leszedő gyűrű ezüstözése eltűnt. Volt benne egy olajos trutyi, de az ezüst felületek helyén egy fekete krétás valami maradt. A pályák szén része jó, a leszedő csúszka fekete, de ép!

Valami agresszív (és olajos) kontaktspré megzabálta az ezüst kivezető felületeket.

Zsírtalanítás után vezető ezüst lakkal ki lehetett javítani, de bő fél nap elment a jó sok poti restaurálására. Még szerencse, hogy nem összeszegecselt kivitelűek voltak, csak miniatűr duplapotik, kapcsolóval.

radio08 Creative Commons License 2013.03.17 0 0 30287

Ezt  sajnos  csak  a   DL 3 LB  amatőrtársunk tudná  pontosan megmondani.

Előzmény: HG0MV (30286)
HG0MV Creative Commons License 2013.03.17 0 0 30286

Sziasztok!


Birtokomba került ez a berendezés. Első ránézésre egy RH, távíró üzemmódban működő rádió. A csövek felfűtenek 1 kivételével és azon kívül semmi reakció. Ismeri valaki ezt a rádiót? 

 

_nyunyuka Creative Commons License 2013.03.17 0 0 30285
Szép jó reggelt!

Megnyugodtam, nemcsak nálam határozza meg a természetes rézsűszög az asztalra rakható dolgok mennyiségét :-).

73; DX!
Előzmény: gépészet (30280)
HA7PJ Creative Commons License 2013.03.17 0 0 30284

Szia Ö.Cs. !

Itt falun saját kuckóm van de apránként mindenzugot belakok.A szanaszét anyagokra zömmel emlékszem de ha be vannak tömörítve a pocokra  rendként azt már nem tudom átlátni.

A múlt évben volt egy kötelező rendtevés .Egy előnye lett az, hogy be lehet állni a garázsba.

A hátránya az egy kész tragédia.

Feladat volt, hogy írjak fel mindent, hogy mit és hová tettem.Egy darabig írtam de később már nem.Amit felírtam már azt sem találom(a füzetet).

 

Előzmény: gépészet (30280)
kocolaci Creative Commons License 2013.03.16 0 0 30283

Üdvözletem mindenkinek!

Remélem jó helyen teszem fel a kérdésemet: autórádió tetőantennáját szeretném kiváltani. Az első szélvédő belső szélére/széleire (a függőleges oldalakra) szeretnék tenni szalag antennát. Az a kérdésem, hogy lehet-e ilyennel jó vételt elérni, illetve, hogy az autó eredeti antennatalpába tett "erősítőt" is használjam-e? Úgy tudom, hogy az antennák hosszát a venni kívánt frekvenciához kell igazítani. Egy vagy két szalagantenna esetén milyen hosszúságúak kellenek az FM 87,5-108-ig? Ami eddig volt az kb.: 32 cm-es és van tekerve köré is egy szál.

Köszönöm a válaszokat, és bocsi, ha sületlenségeket kérdezek.

Üdv

radio08 Creative Commons License 2013.03.16 0 0 30282

Alkotni  csak igy lehet,  a képek  nem a fotózás  miatt  alakultak  igy.

radio08 Creative Commons License 2013.03.16 0 0 30281

Alakul  a  kf  rész  is  ,végtelen  nagy  impedanciájú  fetes  detektorral,   ca3028  ic  a  trafók  között.

Előzmény: Papimanó (30266)
gépészet Creative Commons License 2013.03.16 0 0 30280

Üdv Emil!

Hát ez a "rend" kicsinyt megtévesztő véletlen! :-)

Feleségem álláspontja hasonló lehet mint Nálatok. Nem tudom viszont, hogy az a kiírás, ami nálam ki van függesztve, mit befolyásol:

 

    A REND A GYENGE EMBER TÁMASZA! A ZSENI ÁTLÁT A KÁOSZON!

 

Öreg Csóka

 

Előzmény: HA7PJ (30274)
HA7PJ Creative Commons License 2013.03.16 0 0 30279

Szia Karcsi!

Ne idegesíts már!

Ha rádiózni akarok akkor  mindjárt javítással kell kezdenem.

A TS930 ant. hangoló hülyül.Valaki átalakította de ez nem lenne baj.Csak nem hangol le 10-től lefelé.Eddig hangoló nélkül használtam de most szétszedtem és vissza alakítom az eredeti állapotra.Remélem bejön.

A TR7 is néha elhallgat de ha oldalba vágom akkor észhez tér.

73!  E

Előzmény: fox hunter (30278)
fox hunter Creative Commons License 2013.03.16 0 0 30278

Szia Emil!

A TV szkóp mellett, balra lent, csak nem remote antenna tuner?

Ha az, akkor a fűnyírás mellet is van rádiós tevékenység.

Előzmény: HA7PJ (30274)
Törölt nick Creative Commons License 2013.03.16 0 0 30277

Az FM részt ne is hiányold, a repsávon úgysem használják szinte soha.

Előzmény: Papimanó (30261)
HA7PJ Creative Commons License 2013.03.16 0 0 30276

Köszi!

Van benne egy kis időskori filozófia is:

Addig amíg ezeket csinálom nem foglalkozok egyéb káros kerti munkákkal.

Hiába mondom , hogy a fű nem attól nől, hogy én levagdosom de

beszélhetek én itthon bármit.

Előzmény: Papimanó (30273)
HA7PJ Creative Commons License 2013.03.16 0 0 30275

Szia Karcsi!

Akkor jön rám ilyen gép készítés amikor nagyon utálok valamit csinálni de muszáj.

Előzőleg kézi vezetéssel próbálkoztam.8000 után szakadt el.A kutyák többször riasztották a feleségem, mert úgy néztem ki mint aki meghibbant.Órákon keresztül ülni mozdulatlanul egy ketyergő valami előtt.Ezt furcsálották.Amikor elszakadt némileg ordítani kezdtem ami megint csak szokatlan.

Már lassan elfogy a 0,06-os drót a spulniról.1x szakadt el amikor belepiszkáltam a huzal feszítőbe....

73!  Emil

Előzmény: fox hunter (30272)
HA7PJ Creative Commons License 2013.03.16 0 0 30274

Nagyszerű konstrukció! ....és a rend is fantasztikus.Ezt magyarázza nekem a feleségem évtizedek óta de nem megy.Persze én sem díjazom a kép szerinti kupit és időnként rendet csinálok.Ezt követően semmibe sem merek fogni de addig tart is a rend.

Egyszer ilyen tiszta időszakban jött egy idős barátom és amikor belépett a műhelybe riadtan kérdezte:"Mi van?  - összevesztetek?

 

Előzmény: gépészet (30271)
Papimanó Creative Commons License 2013.03.16 0 0 30273

Büszke lehet erre a munkádra is,a kreativitás a lényeg,-és a külalak csak másodlagos tényező.A szegény amatőr otthon nem mindig rendelkezik olyan eszközökkel amelyekkel gyári szépségű készüléket lehet előállítani.A készülék a célnak megfelel,az a lényeg.

Csak így tovább.

Előzmény: HA7PJ (30268)
fox hunter Creative Commons License 2013.03.16 0 0 30272

Szia!

 

Gratula! Az enyém gyári, de nem mer merném felrakni rá a 0,06-os derótot, hogy a 30 e menetről már ne is beszéljek.

Előzmény: HA7PJ (30268)
gépészet Creative Commons License 2013.03.16 0 0 30271

És akkor egy kicsiny "géppark":

Előzmény: gépészet (30270)
gépészet Creative Commons License 2013.03.16 0 0 30270

Ha zavaró egyben, akkor imhol külön külön:

                            

 

Előzmény: gépészet (30269)
gépészet Creative Commons License 2013.03.16 0 0 30269

Üdv! Imhol az én "home" kategóriásaim:

Előzmény: HA7PJ (30268)
HA7PJ Creative Commons License 2013.03.16 0 0 30268

Ez a förmedvény nieder trafók tekercseléséhez készült.5e - 30e menet/0,06 huzal.

Automata irányváltással és egyenletes sorvezetéssel, huzal feszítéssel.

A fűrész a csévetestek készítéséhez hasznos.

 

 

HA7PJ Creative Commons License 2013.03.16 0 0 30267

Szép a szerkezet!

Fel tud vidítani minden otthoni konstrukció.Kár, hogy ilyen szép dogokat már nincs türelmem létrehozni.Igy maradnak az összecsapott förmedvények,bár működnek.

További sikereket a Pistáknak!

73!  Emil

 

 

 

Előzmény: Papimanó (30266)
Papimanó Creative Commons License 2013.03.15 0 0 30266

Szervusz Pista!

 

Klasszul néz ki,jó ötlet a próba panel,sok macerától megment egyszerübb áramkörök esetében.

Az miénk már a vége felé jár,ma feltettem még pár dolgot a Data.hu-ra ezzel kapcsolatban,érdemes megnézni.

http://data.hu/dir/z0xectowr6250286

További sikeres építőmunkát kívánok.

73;HA7WAO Pista

Előzmény: radio08 (30263)
Dzsonszii Creative Commons License 2013.03.15 0 0 30265

A monitor LED világít? Esetleg be van állítva valamilyen CTCSS, ilyenkor egy mikrofonnak be kell dugva lennie. Ha van vétel, a piros lednek villognia kell, de a hangszóró lehet eközben süket. Egyébkén sziasztok!

Előzmény: Lajos88 (30262)
soproni feri Creative Commons License 2013.03.15 0 0 30264

Üdv.Lajos88!

Ez a hiba javítható?

Előzmény: Lajos88 (30262)
radio08 Creative Commons License 2013.03.15 0 0 30263

  Szia , elkezdtem  én  is,  a  hangfrekis  végfok  és  a  táp  kész , az eredetihez képest én is  módositok ,következik  a 10,7  kf  rész  az   am demodulátorral.

HA7WDH,  Pista,   73.

 

Előzmény: Papimanó (30261)
Lajos88 Creative Commons License 2013.03.15 0 0 30262

De ha bekapcsoláskor és gombnyomkodáskor pittyeg akkor nem hangfrekis hiba van hanem az ezeknél szokásos vevőhiba.

Előzmény: soproni feri (30258)
Papimanó Creative Commons License 2013.03.15 0 0 30261

Üdv minden kedves olvasónak!

 

Néhány hónappal ezelőtt elindult ebben a topic-ban a repülők sávján működő rádió készítési hullám.HA7XK Laci barátom hívta fel rá a figyelmem.Akkor mi is elhatároztuk hogy készítünk ilyen készüléket.Sajnos az eredetiség gondolatáról hamar le kellett mondani,tehát a DR.Hetényi László által leközölt cikk, átdolgozott, kissé egyszerűsített változatát kezdtük el megépíteni.A mi általunk elkezdett rádió nem veszi a repülő sáv felső FM. modulált részét,ezért kihagytuk belőle az FM.demodulátort.Az MGC lehetőséget is kihagytuk,és jumperes megoldással kiiktathatóvá tettük a KF kristály szűrőt.Ezáltal nőtt ugyan az átvitt sávszélesség,de még egyszer sem fordult elő hogy két állomást egyszerre lehessen hallani.Viszont a VFO elmászására sokkal kevésbé érzékeny így a rádió.Az eddigi eredményekről,és rajzokról tettem fel egy kis anyagot a Data.hu-ra,akit érdekel megnézheti,és le is töltheti.Ha valakit érdekel szivesen írok itt magyarázatot,eligazítást ezekkel kapcsolatban.http://data.hu/dir/z0xectowr6250286

Még a tápegység hátra van az én készülékemből,de azért már deszka modellen is kipróbáltam.Van egy pici avi is oda feltéve,amin egy bejelentkezés végét sikerült elcsípnem,és felvenni.

További szép napot mindenkinek!

73;HA7WAO.Pista

8jg Creative Commons License 2013.03.15 0 0 30260

Meghívó!

 

Szeretettel meghívunk 2013. március 24-én (Vasárnap)

 7 órakor

XIX. alkalommal megnyíló

RÁDIÓS BARÁTI TALÁLKOZÓRA!

Helyszín: Művelődési Ház Csorvás Petőfi S. utca 12sz.

Érdeklődni: 06-20-3271856 telefonon.

                                       GPS koordináta: E= 20,49,64. N= 46, 37, 99.

Minden érdeklődőt szeretettel várunk!

HG8JG Karcsi

X ANTI Creative Commons License 2013.03.14 0 0 30259

Ha nem hangszóró hiba, akkor lehet hangvégfok. Az nem biztos, hogy egyszerű lenne. Mérj rá, üzem közben a hangszórón fél tápfeszültségnek kell lennie mindkét lábán.

Előzmény: soproni feri (30258)
soproni feri Creative Commons License 2013.03.14 0 0 30258

 Üdv. XANTI. Elfekvőben volt egy barátomnál,papagályt üzemeltetett volna,adása kitűnő  vételben süket.Igen a jamper rajta van az utolsó tüskéknél.

Előzmény: X ANTI (30248)
schlumbergerr Creative Commons License 2013.03.13 0 0 30257

Ifjúság krt-i szembeszomszédod, és én is bármikor rászedhetők vagyunk egy hasonló alkalomra, ha távolabb lakó topiktársaink nem is mindig, de ez érthető.

Hamarost BP-en, a Jupátban is tartani kell egy összevont értekezletet, mert Qq elvitt két műszeremet javíttatni, és azt csak ott fogom tudni visszaszerezni :-)

Itthon viszont időpontegyeztetés! Holnap-hlnapután 5 GHz-en fogunk kicsit játszani, ha az ízületeim, meg az időjárás engednek oszlopot mászni.

Előzmény: alnibell (30252)
_nyunyuka Creative Commons License 2013.03.13 0 0 30256

Nyugodtan odajöhettél volna, nem haraptuk volna le a fejed - volt más fincsi, amit haraphattunk :-).

 

Odabent az asztalnál QRT, élveztük az ízeket.

Előzmény: alnibell (30252)
Qqberci Creative Commons License 2013.03.13 0 0 30255

A hallé és a túróstészta okozta QRM-ban teljesen elmerült a 145.525... A fröccsökröl már nem is beszélve...

Előzmény: alnibell (30252)
Qqberci Creative Commons License 2013.03.13 0 0 30254

Mekkaptam, hálám örökké üldözni fog, úgyhogy vigyázz... :-)))

Előzmény: schlumbergerr (30250)
schlumbergerr Creative Commons License 2013.03.13 0 0 30253

Ha Te is ott voltál délután, mi a bejárattól rögtön jobbra ültünk, és akkor már nem rádióztunk, csak kulinárisan élvezkedtünk, meg beszélgettünk. Viszont legközelebb szívesen látunk, most is csatlakozhattál volna!!!

Előzmény: alnibell (30252)
alnibell Creative Commons License 2013.03.13 0 0 30252

Így ismeretlenül, kocarádiósként üdvözölni szerettem volna  - egyelőre csak sötétszürke módon -  a 145,525-ön a társaságot, de vagy túl nagy volt a háttérzaj vagy túl jó volt a halászlé, meg a többi, így nem sikerült.
A túróscsusza viszont nekem is megvolt.
Egészségünkre!

Előzmény: _nyunyuka (30251)
_nyunyuka Creative Commons License 2013.03.13 0 0 30251

Én meg beléptem a "szerviz menübe", köszönet a csapatnak!

Előzmény: schlumbergerr (30250)
schlumbergerr Creative Commons License 2013.03.13 0 0 30250

Önnek terjedelmes postája érkezett az szegletes impulzusok nagy természtjéről!

Előzmény: Qqberci (30235)
X ANTI Creative Commons License 2013.03.13 0 0 30249

73, HA7VW  Tóni

Előzmény: soproni feri (30247)
X ANTI Creative Commons License 2013.03.13 0 0 30248

Most süketült meg? Nem hiányzik róla a kis jumper hátul?

Előzmény: soproni feri (30247)
soproni feri Creative Commons License 2013.03.13 0 0 30247

Üdv. Mindenkinek!

Van egy Motorola GM 300 UHF-es rádióm amely vételben süket. Kérdésem, hogy érdemes -e javítani és ha igen hol  javítanak ilyen típusú rádiót?

Várom válaszotokat.

73, HA1DEX Feri

HA7PJ Creative Commons License 2013.03.13 0 0 30246

Egy bemeneti szűrőnél a VHF tartományban nem lehet csak méretezés+szimulátor használatával boldogulni.A szimulátor arra jó, hogy grafikus felületen, könnyen és rugalmasan méretezzünk,próbálkozzunk.E mellett ad egy csomó olyan alkatrész értéket

aminek a környezetében van a kívánt megoldás.

Egy wobbulátorral szintén megjeleníthető,mérhető az átvitel.Sőt ezzel már a valós helyzetet lehet megtekinteni.

Kettőnél több tagú szűrők beállítását szinte csak így lehet rendesen elvégezni.

 

Én  a szimulátorba a *-os kondinak 5pF-et írtam be és lehet, hogy ettől lett olyan a kurfli.

Töltsd le (free) és játsz vele.(RFSim99)Először egy kicsit gyakorolni kell a beállítást és paraméterezést de nagyon alapos a helpje.

üdv Emil

Előzmény: airband (30236)
airband Creative Commons License 2013.03.13 0 0 30245

Miért van az mostanában, hogy egy kérdésre többnyire vagdalkozás a válasz :-))

 

Talán a hangulatjelek nem megfelelő használata, a felületes/sajátos szövegértelmezés, ill. az alapos visszaolvasás hiánya miatt...? (Esetleg a kérdező zsigerből hülyének nézése miatt.)

 

A szúrő az a töréspontok között szűr, analizátorral be lehet állítani a töréspontokat...

 

A szűrőben lévő varikapok sajátos kapcsolástechnikájának oka érdekelt, nem a szűrő feladata, azt valamikor tanultam. Választ kaptam már a felmerült kérdésekre. Ez alighanem elkerülte a figyelmedet.

 

Előzmény: oldrad (30240)
_nyunyuka Creative Commons License 2013.03.13 0 0 30244
Svájci óra-pontosan elindultunk Hegyesből :-):-).
Előzmény: schlumbergerr (30231)
oldrad Creative Commons License 2013.03.13 0 0 30242

PS. Ilyen módon csak azt veszi, ami a kijelzőn látható, de azt hibamentesen...

 

Előzmény: oldrad (30241)
oldrad Creative Commons License 2013.03.13 0 0 30241

PS. Ha már ennyire elmerültünk a szűrők lelkivilágában, az egyik gyári rádióm 6 hangolt körrel oldja meg a problémát: 4 hangolt RF, 1 osc, 1 mod...

 

Előzmény: oldrad (30240)
oldrad Creative Commons License 2013.03.13 0 0 30240

Miért van az mostanában, hogy egy kérdésre többnyire vagdalkozás a válasz :-))

A szúrő az a töréspontok között szűr, analizátorral be lehet állítani a töréspontokat...

Egyéb ?

 

Előzmény: airband (30239)
airband Creative Commons License 2013.03.13 0 0 30239
Éppen azért kérdeztem a szűrőről, mert nem tudok mindent. Kérdezni - még - nem bűn.
Előzmény: oldrad (30237)
oldrad Creative Commons License 2013.03.13 0 0 30238

Ps. Minenféle kommersz és profi gépet csiholtunk az airband és amatőrsáv vételére, és egyik sem vallott kárt az adott környezetben...

 

Előzmény: oldrad (30237)
oldrad Creative Commons License 2013.03.13 0 0 30237

Ha ennyire tudsz mindent, akko lécci vázold fel a problémát :-))

 

 

Előzmény: airband (30236)
airband Creative Commons License 2013.03.13 0 0 30236

Nézegettem az említett rádió nyák rajzát, gyakorlatilag smd induktivitásokkal építették fel majdnem az egész tcvr-t. Egyedül az adó szűrőjében vannak "hagyományos" tekercsek, de ott érthető az alkalmazásuk. A nyák rajzolata semmilyen extrát nem mutat.
A panelen az áramköri egységek a nagyfrekis részben szinte majdnem követik a kapcsolási rajz topológiáját. A csillaggal jelölt alkatrészek helye ugyan meg van a panelen, de hogy ott ténylegesen ültettek-e be alkatrészt, az nem derül ki. Elképzelhető, hogy ezek a "szükség szerint" kategóriába tartoznak.

 

Van egy régi, elég jól sikerült AM KF kapcsolásom, amit direkt airband-hez alakítottam ki, ahhoz akarok egy tűrhető front-end egységet összehozni. A szintézer is meg van hozzá, a keverő egy Sanyo gyártmányú IC, ide tökéletesen jó, és minden benne van, ami kellhet (LA1177). Építettem már ezzel vevőt, ~150 MHz-ig garantáltan működik. Ad AGC feszültséget, van benne KF erősítő, oszcillátor puffer a PLL-hez, olcsó, egyszerű programmal lehet nyüstölni (LC72131).

 

0805 méretű smd alkatrészekből - némi kiegészítéssel (erősítő BF998-cal + egy kipróbált airband sávszűrő) megépítem ezt a szűrőt a keverő elé, hátha sikerül úgy ráhibázni az áramkörrel, hogy jó lesz. Ha meg nem, legalább nem unatkoztam, HI!

Végül is, nem egy műszert építek, "csak" egy vevőt. Ha nem pont akkora lesz a sávszélessége a szűrőnek, mint a gyárinak, ez nem ok a harakirire.

Előzmény: HA7PJ (30230)
Qqberci Creative Commons License 2013.03.12 0 0 30235

Én is beraktam a szatyorba a 145.525-öt, 14:25-kor érkezem...

Előzmény: schlumbergerr (30232)
X ANTI Creative Commons License 2013.03.12 0 0 30234

Bizony a meghajtó és lezáró impedancia döntő fontosságú. S azt egy RF áramkör kellős közepén nehéz megsaccolni.

Előzmény: HA7PJ (30230)
_nyunyuka Creative Commons License 2013.03.12 0 0 30233

A sínjeti az első vonat, ami Hegyesből jó nekem :-).

 

Viszem a sávkonvertert is :-).

Előzmény: schlumbergerr (30231)
schlumbergerr Creative Commons License 2013.03.12 0 0 30232

És lesz nálam 145,525

Előzmény: schlumbergerr (30231)
schlumbergerr Creative Commons License 2013.03.12 0 0 30231

Nos akkor én 13:21-re ott leszek a győri vasútállomáson (ha azt tituláltad Főpályaudvarnak. Nem is tudtam, hogy Győrben van váltás, elég rövidet áll ott.

Előzmény: _nyunyuka (30207)
HA7PJ Creative Commons License 2013.03.12 0 0 30230

RF sim 99

Mindent tud.Nem is ezzel van a baj hanem a gyakorlattal és a bevitt adatokkal amit nem lehet tervezni csak saccolni.Pl. a rajzon a C  *** mekkora?Szórt induktivitás/kapacitás?

Lezárás 50 Ohm?

Előzmény: airband (30229)
airband Creative Commons License 2013.03.12 0 0 30229
Ez melyik program?
Előzmény: HA7PJ (30225)
freetimes Creative Commons License 2013.03.12 0 0 30228

Sziasztok!

 

Vállalna valaki Szegeden motorola gp900 programozást pmr csatornákra?

Üzeneteket e-mailre várnék!

Mail: freetimes@freemail.hu

Üdv: János

LUCzI FERencz Creative Commons License 2013.03.12 0 0 30227

3.14 vagyis "Pí"-nap.

 

http://en.wikipedia.org/wiki/Pi_Day

 

 

Előzmény: hasex (30222)
HA7PJ Creative Commons License 2013.03.12 0 0 30226

ott van az átvitel de a kéket én sem látom rendesen a feketén.

Előzmény: HA7PJ (30225)
HA7PJ Creative Commons License 2013.03.12 0 0 30225

 

Az áramkőrt nem lehet szimulálni a konkrét valós alkatrész értékek nélkül.

Ha  varicap= 5pF akkor a fentiábra.

Előzmény: airband (30221)
X ANTI Creative Commons License 2013.03.12 0 0 30224

Szerintem 100-200 kHz körüli lehet. A 100 pf-es kondik egy laza csatolást adhatnak a 3 kör között. Mert a 470pF hidegítővel összemérhető impedanciát ad. A felső kapacitív csatoláson felül valamennyit ez is jelent.

Előzmény: airband (30221)
radio08 Creative Commons License 2013.03.12 0 0 30223

Igen   ,  az  összes  piRézműves  Qasimodó  is  ott  lessz.

Előzmény: gg630504 (30219)
hasex Creative Commons License 2013.03.12 0 0 30222

Szia Gabi!

Latinul talán jobb lenne mert ez nekem héber.....

a Google is padlót fogott.

üdv!

Előzmény: gg630504 (30219)
airband Creative Commons License 2013.03.12 0 0 30221

Sőt, támadt még egy kérdésem ezzel a szűrővel kapcsolatban: - mekkora sávszélessége lehet (nagyjából)?

Előzmény: airband (30220)
airband Creative Commons License 2013.03.12 0 0 30220

Tedd be azt a szűrőrajzot ide!

 

Ezen ne múljék! :) (Kattintásra nagyban látható)

 

 

Ezen szűrő kapcsán támadt két kérdésem. (Ez amúgy a Yaesu VXA-220-as rajzának részlete.)

Az egyik a korábban tárgyalt "sajátos" varikap-bekötés volt, míg a másik az, amire utalsz, s ami számomra fő kérdés volt: a C1186, C1194 kondik szerepe.

 

Szerintem ez a két 100p-os kondi nem lehet oka ennek a fajta varikap-bekötésnek, mert ugyanebben a kapcsolásban - beleértve a L.O.-t is - ebben az elrendezésben alkalmazzák a varikapokat.

Vagy ha mégis emiatt a szűrő miatt kellett ez az elrendezés, akkor ez a többi, "egytagú rezgőkörnél" semmilyen működésbeli változást nem okoz - ahogyan a többiek válaszából sejteni lehet.

Előzmény: schlumbergerr (30215)
gg630504 Creative Commons License 2013.03.12 0 0 30219

3. hó 14-én 0314Z-zől 3 óra 14 perc időtartamban Piréz óidáR Aktivitás ( PRA, Pirezian oidaR Activity ).
Üdvözlettel Gábor, HA/Π9IEG.

radio08 Creative Commons License 2013.03.12 0 0 30218

 Az  aszódi  kétsávos  URH  antenna  is  jól  működik.

Jostee Creative Commons License 2013.03.11 0 0 30217

Sziasztok!

Mégegyszer köszönöm a rádió programozóhoz nyújtott segítségeteket! Megépítettem és kivállóan működik. 4 különböző rádióval próbáltam ki, minden gond nélkül kiolvas és beír. :)

 

Üdv

Papimanó Creative Commons License 2013.03.11 0 0 30216

Némelyiknél érdekes eredményre számíthatsz,mivel nem kvarc hanem toroid trafó van benne.

Pista

Előzmény: Desert Rat (29501)
schlumbergerr Creative Commons License 2013.03.11 0 0 30215

A TÉNYLEGES  áramkör egy háromfokozatú sávszűrő volt. Ott úgy tűnt. a hidegítés a fő szempont, a közösítő kondik a rezgőkörök alját ekvipotenciálra hozták. Úgy véltem, ennek a csatolásra, a sávszélességre van hatása.

Tedd be azt a szűrőrajzot ide!

Előzmény: OFC (30211)
X ANTI Creative Commons License 2013.03.11 0 0 30214

A gyakorlatban nincs eltérés a két verzió között. Használják mindkettőt.

Előzmény: OFC (30211)
Törölt nick Creative Commons License 2013.03.11 0 0 30213

b, változatnál a 100k már RF hidegítve van 1nF által.

Csak akkor használható ha a tekercsen keresztül testelődik a varikap.

Előzmény: OFC (30211)
LUCzI FERencz Creative Commons License 2013.03.11 0 0 30212

Szerintem a két áramkör elektromosan ekvivalens.

Előzmény: OFC (30211)
OFC Creative Commons License 2013.03.11 0 0 30211

Kis segítség kellene, mert a Gugli most nem volt a barátom, a szakirodalomban (már ami kéznél volt) nem találtam meg a választ.

 

Adott egy varikappal hangolt rezgőkör.

Az a., változatot minden forrás alapkapcsolásként ismerteti, ezzel semmi gond nincs.

A b., változatot elvétve látni kapcsolásokban, de előfordul. A szakirodalomban nem találtam erről az elrendezésről írást.

 

Kérdés:

- Miben más a második elrendezés, mint az első? Hangolásban, paraméterekben, jóságban, akármiben?

- Mikor célszerű a második elrendezést alkalmazni?

 

Schlumberger olvtárssal már elkezdtük ezt a problémát recézni, de elkalandoztunk más irányban.

 

Köszönöm a segítséget!

airband

(a régi accounttal valami gubanc van, nem tudtam bejelentkezni vele)

 

schlumbergerr Creative Commons License 2013.03.10 0 0 30210
Előzmény: _nyunyuka (30209)
_nyunyuka Creative Commons License 2013.03.10 0 0 30209

Ott is.

Előzmény: schlumbergerr (30208)
schlumbergerr Creative Commons License 2013.03.10 0 0 30208

az RJ nem 467-en?

Előzmény: _nyunyuka (30207)
_nyunyuka Creative Commons License 2013.03.10 0 0 30207

Iparin 163-akármennyin leszek, a végzős vonatom az RJ61 lesz (szép bordó), ami menetrend szerint 13.21-kor érkezik a Főpályaudvarra.

Előzmény: schlumbergerr (30198)
Qqberci Creative Commons License 2013.03.10 0 0 30206

Vettem, értettem. Kérek engedélyt meghunyászkodni...

Előzmény: schlumbergerr (30204)
Qqberci Creative Commons License 2013.03.10 0 0 30205

Köszi, leszedtem...

Előzmény: tucsok50 (30194)
schlumbergerr Creative Commons License 2013.03.10 0 0 30204

145,525

Előzmény: Qqberci (30203)
Qqberci Creative Commons License 2013.03.10 0 0 30203

Közben megnéztem a guglit, de azért rádiót viszek (csak a kis Bocifingot...)

Előzmény: schlumbergerr (30202)
schlumbergerr Creative Commons License 2013.03.10 0 0 30202

Marha egyszerű: keresztül a belvároson a révfalusi hídig.

De ha hozol rádiót, 145,525, vagy nyunyukát megvárom, míg leadja a gépet, aztán hármasban ballagunk.

Előzmény: Qqberci (30201)
Qqberci Creative Commons License 2013.03.10 0 0 30201

Sch! Hogy lehet a pályaudvarról a kocsmába jutni? (2 méteres rádiót viszek...)

Előzmény: schlumbergerr (30196)
Qqberci Creative Commons License 2013.03.10 0 0 30200

szóval bejön...

Előzmény: Qqberci (30199)
Qqberci Creative Commons License 2013.03.10 0 0 30199

Elvileg a levél is bekön, mert a saját szerverem és nincs korlát (vagy tán 100 mega), de biztos, ami biztos, viszek gépet...

Előzmény: tucsok50 (30192)
schlumbergerr Creative Commons License 2013.03.10 0 0 30198

Akkor várlak a  pu-n , és 458-on

Előzmény: _nyunyuka (30197)
_nyunyuka Creative Commons License 2013.03.10 0 0 30197

Rendben! Valamikor fél kettő körül esek be kekszvárosba, Rajka felől.

Előzmény: schlumbergerr (30196)
schlumbergerr Creative Commons License 2013.03.10 0 0 30196

Natehát 13-án délután 3-kor lehet a hallé+türóstészta?

Előzmény: _nyunyuka (30195)
_nyunyuka Creative Commons License 2013.03.10 0 0 30195

Előtte még filézett harcsa-hallé, ugyanott :-).

Előzmény: schlumbergerr (30193)
tucsok50 Creative Commons License 2013.03.10 0 0 30194
Előzmény: Qqberci (30190)
schlumbergerr Creative Commons License 2013.03.10 0 0 30193

Aztán meg jöttök túrós tésztát enni a Matrózban

Előzmény: tucsok50 (30192)
tucsok50 Creative Commons License 2013.03.10 0 0 30192

83 Mb mindkettő,ha tudsz ekkora leveleket fogadni akkor elküldöm.

Vagy felteszem a Gdrive-ra és letöltöd.

Előzmény: Qqberci (30190)
_nyunyuka Creative Commons License 2013.03.10 0 0 30191
A raktárosunknak megvan szkennelve az egész, elkérem tőle.
Előzmény: Qqberci (30190)
Qqberci Creative Commons License 2013.03.10 0 0 30190

Sch, nincs meg véletlenül CD-n a Rádiótechnika 1978-79? Valakinek odaigértem Gschwindt Bandi egyik cikksorozatát, de nekem csak papíron van meg és lusta volnék szlennelni...

Előzmény: schlumbergerr (30187)
schlumbergerr Creative Commons License 2013.03.10 0 0 30189

Eddig úgy néz ki, akivel beszéltem, annak jó. Tedd le a gépet, aztán gyere!

Előzmény: _nyunyuka (30188)
_nyunyuka Creative Commons License 2013.03.09 0 0 30188
Ezek szerint jó a 13: Reggel végzek OM-földön, a megadott időpont környékén bezuhanok.
Előzmény: schlumbergerr (30186)
schlumbergerr Creative Commons License 2013.03.09 0 0 30187

Örülök, ha jössz! Aljas módon majd a kezedbe nyomom a javítandó műszereket, aztám najd a Jupátban visszavásárolom őket :-)

Előzmény: Qqberci (30185)
schlumbergerr Creative Commons License 2013.03.09 0 0 30186

Rendezvény nem lesz... Ez a múltkor is úgy volt, hogy én már ott voltam jóval előtte, és aztán beestek, akik jöttek, én foglaltam az előre lefoglalt hosszú asztalt. Aztán amikor már együtt voltunk, ettünk egy jót.

Délután félhárom-háromra van célozva a fő időpont, pluszmínusz annyiamennyi.

Nem kell jelentkezni, ha beesel, megismersz minket, jobbra leszünk. Ha nem ismersz meg, a te bajod, de én megismerlek, vén rókavadász! 

Előzmény: fox hunter (30184)
Qqberci Creative Commons License 2013.03.09 0 0 30185

30 éve nem utaztam se vonattal, se busszal

 

Ezzel én is így vagyok, korábban is jobbára  a Szili "sátrában" utaztam, de megpróbálok menni. Sch-t majd még felhívon hétfőn...

Előzmény: fox hunter (30184)
fox hunter Creative Commons License 2013.03.09 0 0 30184

Szia!

Sajnos házon és magamon kívül voltam. Nincs ki elvigyen, így nem kóstolhatom meg a jó borocskát. Azért még gondolkodom, lehet hogy elmegyek busszal. Nem tudom hogy bírom, 30 éve nem utaztam se vonattal, se busszal. Ha még OKÉ a jelentkezés, akkor megyek, csak pontos időpont kellene mikor lesz a rendezvény.

Előre is köszi, vy 73

Előzmény: schlumbergerr (30182)
schlumbergerr Creative Commons License 2013.03.08 0 0 30183

Ja, pogácsát meg rakatok el Pistivel, mert elfogy addigra különben.

schlumbergerr Creative Commons License 2013.03.08 0 0 30182

Itt nem termett rózsát a türelem, nem jelzett vissza senik. Akit elértem a sávban: Szabolcsnak jó, jotiknak jó, nekem jó, funker44 majd szombaton nyilatkozik.

 

Olyan délután három körül, mint a múltkor, jó lesz? Akkorra lemegy az ebédelős boom.

 

Előzmény: schlumbergerr (30176)
Lajos bá' Creative Commons License 2013.03.06 0 0 30181

Látod:A türelem emailt terem.

Előzmény: tucsok50 (30180)
tucsok50 Creative Commons License 2013.03.06 0 0 30180

Tárgytalan a kérdés,megjött az email.

 

Előzmény: tucsok50 (30179)
tucsok50 Creative Commons License 2013.03.06 0 0 30179

Az ott levő címre küldtem a mailt.
A rendelés előtt le akartam tisztázni hogy a családi béke érdekében ne
utánvéttel,hanem utalással tudjam az árat kiegyenlíteni.

Előzmény: Lajos bá' (30178)

Ha kedveled azért, ha nem azért nyomj egy lájkot a Fórumért!