Keresés

Részletes keresés

Törölt nick Creative Commons License 2014.02.16 0 0 34485

Én is benevezek egy kis tapasztalat-cserére. Gondolom ebben még a régi MM feliratú magyar elkók vannak, álló kivitelben, csavarozható véggel.

 

Még nem szedtem szét.

Előzmény: Qqberci (34482)
schlumbergerrrr Creative Commons License 2014.02.16 0 0 34484

Előkerültél! A Deprez műszerekről eszembe jutottál! :-)

 

Előzmény: Qqberci (34480)
Qqberci Creative Commons License 2014.02.16 0 0 34483

Akkor a berrrrregés kollégának is nagyjából igaza van, mert 70 V 1 MOhm ==>70 uA...

Előzmény: Törölt nick (34481)
Qqberci Creative Commons License 2014.02.16 0 0 34482

Az elkócsere-technológiád érdekel, bár az én 1251-em még normálisan működik, dehát sose lehet tudni...

Előzmény: Desert Rat (34474)
Törölt nick Creative Commons License 2014.02.16 0 0 34481

Mindhárom műszer 70uA-s, Adattábla szerint mindenben egyeznek. XANTI bá'-nak lesz igaza a beépített ellenállással. Arra merek gyanakodni.

Előzmény: Qqberci (34478)
Qqberci Creative Commons License 2014.02.16 0 0 34480

Hejjes a bőgés, Oroszlán!...

Előzmény: schlumbergerrrr (34476)
Törölt nick Creative Commons License 2014.02.16 0 0 34479

A BRG lomjaimhoz be van tárazva pár doboznyi cső, még sok kütyü áll romokban, restaurálás előtt. majd egyszer arra is lesz idő. Ezeket a csöveket a netről sikerült beszereznem, sokszor filléres, szó szerint filléres áron. Egyik-másik csak 200-300 Ft volt újonnan.

 

Azonban az ECC82 más kategória. Ez keresettebb típus nyugaton is, így az ára postázással együtt minimum 2000 Ft.

 

A börzéken dobtak már át a palánkon cső ügyben nem egyszer. Ott óvatos vagyok.

Előzmény: Desert Rat (34474)
Qqberci Creative Commons License 2014.02.16 0 0 34478

A 3.)-ra adj tápegységből annyi feszt, hogy végkitérésbe menjen, akkor meg fogod tudni, hány uA-es. Eztán már csak az előtétet kell kigyomlálni belőle...

Előzmény: Törölt nick (34472)
Törölt nick Creative Commons License 2014.02.16 0 0 34477

Bevallom, hogy e téren hiányosak az ismereteim olykor-olykor, ezért is megköszönöm a kiigazítást :)

 

A napokban majd átmegyek egy ismerőshöz, akinél nyugodtan lehet barkácsolni és szétkapjuk a műszert :)

Előzmény: X ANTI (34473)
schlumbergerrrr Creative Commons License 2014.02.16 0 0 34476

ad 1.: Annál kb. jó ellenállást mérsz, a lengőcséve OK, de ott mechanikai hiba van, valószínűleg csapágy

ad 2.: Ott már a cséve is szakadt valószínűleg. Ha a nem mérhető alatt a szakadást értjük, nem a rövidzárt.

ad 3.: Az az 1 MOhm nekem kicsit soknak tűnik, ott valami nem kerek. Bogarászd meg alaposabban! 1 MOhm és 100mikroamper esetén 100 V viszi végkitérésbe a műszert, nem csoda, ha a multimétered nem téríti ki rendesen.

Előzmény: Törölt nick (34472)
X ANTI Creative Commons License 2014.02.16 0 0 34475

Ebből az is következik, hogy az előtétet kivéve lehet jó alapműszered az adott helyre.

Előzmény: X ANTI (34473)
Desert Rat Creative Commons License 2014.02.16 0 0 34474

Éppenséggel ez egy olyan kapcsolás amiben sziinte bármi berezeg:-)  Csöveket pedig akkor kell betartalékolni amikor éppen vannak - olcsón. Ha ez (ECC82)  az akadálya a működésnek, akkor szétnézek az "elektoncsövek" feliratú kétajtós szekrényben.

 

A saját példányomat egy polgárvédelmi földalatti bunkerból mentettem ki a beolvaszás elől a 90-es években, és annyira megtetszett, hogy plusz két garnitúra csőkészletet is rezerváltam hozzá, hogy a dédunokám is hallgathassa. Ezt a készletet nem szívesen bontom meg, de ha ezen felül találok, akkor lehet róla szó ...  "Nyugaton" a Collins cég gyártott hasonló kategóriájú rádiót, amik a mai napig is 500$ körül csarélnek gazdát (meggyőződésem, hogy az ML minimum olyan jó!) Éveken át vadásztam a rá vonatkozó doksikra, mostanra kb minden megvan ami a karbantartásához szükséges. Amit melegen ajánlani tudok, az elkók cseréje a tápegységben, ami az életkorát tekintve nagyon időszerű - van rá egy bevált technológiám. 

Előzmény: Törölt nick (34469)
X ANTI Creative Commons License 2014.02.16 0 0 34473

Csak halkan jelezném, hogy 1 MOhm belső ellenállású alapműszer nincs. A leggyakoribb 50-100uA végkitérésűek 1-2 kOhm körüli belső ellenállásúak.

Ha 1 MOhm-ot mérsz, akkor abban már van előtét beépítve, ergo nem az alapműszert méred.

Előzmény: Törölt nick (34468)
Törölt nick Creative Commons License 2014.02.16 0 0 34472

Három műszerem van:

 

1.) görbe, törött mutatós, nem reagál jelre. Rb mérhető, cca. 2 kOhm

2.) szintén törött mutatós, le is szakadt. Rb nem mérhető

3.) tökéletes új műszer, minimálisan tér ki a mutató, Rb mérhető: cca 1 M Ohm

Előzmény: schlumbergerrrr (34471)
schlumbergerrrr Creative Commons License 2014.02.16 0 0 34471

szakadt a mutatója? Magyarán csak annyi baja van, hogy letörött a mutatója?

Előzmény: Törölt nick (34468)
Törölt nick Creative Commons License 2014.02.16 0 0 34470

Köszi! A JPG-k lejöttek, a ZIP-eket nem engedte.

Előzmény: Desert Rat (34460)
Törölt nick Creative Commons License 2014.02.16 0 0 34469

Egyelőre még se kvarcom, se csövem. Csöveim vannak, de a BRG rádiókhoz. Az meg ide nem jó :)

 

Szóval most csövet is meg kavicsot is vadászok.

 

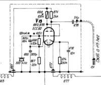
Valóban a rajz szerint 500 kHz, de egyes típusokban 1 megás van. állítólag az került bele ami épp vót :)

Előzmény: Desert Rat (34466)
Törölt nick Creative Commons License 2014.02.16 0 0 34468

A műszer maga kifogástalan és tökéletes. A belső ellenállásokban van eltérés, ezért alig tér ki a mutató. A te műszered cca. 1 mega Ohm belső ellenállással rendelkezik a mérések alapján, míg a rossz műszer aminek szakadt a mutatója az csak 2 kilo Ohm.

Előzmény: boborjahn (34465)
X ANTI Creative Commons License 2014.02.16 0 0 34467

Így azért más.....

Előzmény: Törölt nick (34455)
Desert Rat Creative Commons License 2014.02.16 0 0 34466

Teljesen egyértelmű - 500 kHz

Előzmény: Törölt nick (34456)
boborjahn Creative Commons License 2014.02.16 0 0 34465

Szia Tamás!

Ha tegnap mondod,a mai találkozóra vittem volna.

Hívj,ha nem sikerül szerezni,postán küldöm(ajándék!)

Jó lett a műszer?

Ha számomat nem mentetted el,írj!

 

Előzmény: Törölt nick (34455)
_nyunyuka Creative Commons License 2014.02.16 0 0 34464

Rádiótechnika 2008. évkönyvében HA7VC Laci cikke (ha jól emlékszem) részletesen ismerteti az 1250-et és 1251-et. PDF-ben el tudom küldeni, ha kell valakinek.

 

(ezer köszönet "szétszedtem.hu" Gézának!)

Előzmény: Desert Rat (34460)
Törölt nick Creative Commons License 2014.02.16 0 0 34463

Megpróbálok előtúrni valamit a dobozok mélyéről, de félek, hogy csak 4 MHz-es lesz.

Előzmény: HA7PJ (34459)
Desert Rat Creative Commons License 2014.02.16 0 0 34462

Megintcsak Google-Drive hiba vagy inkább korlát, valószinűleg kicsi a munkaterületük megnyitni és megmutatni a tartalmat. Ettől még letölthető - amikor a "Sajnáljuk hiba történt" felirat megjelenik, akkor a letöltésre kell kattintani a jobbalsó sarokban - és jön.

Előzmény: HA7PJ (34461)
HA7PJ Creative Commons License 2014.02.16 0 0 34461

Szia!

Köszi!

Az első nem(elnézést de hiba történt!) de a többi lejött.

736  E

Előzmény: Desert Rat (34460)
Desert Rat Creative Commons License 2014.02.16 0 0 34460

https://drive.google.com/folderview?id=0B3nl8PeG-naYSHhuNzZmVWxkSHc&usp=sharing

 

Találtam ezt-azt az R1250-esről, beszkenneltem. A "leírás"  brutálisan nagy lett, mert a lapok egyenként 3Mbyte felettiek, annak ellenére, hogy csak 300dpi és JPG fájlok. Ennek oka, hogy régi vegyi úton fénymásolt (liláskék) doksik, amin a háttér informatikai értelemben zajos, azaz meglehetősen véletlenszerű, azt pedig nagyon rosszul lehet tömöríteni a JPG algoritmusának is. Ezért a ZIP sem segít rajta - 142MByte lett, de idő mint a tenger. A "rajz" nevű doksi már nyomdai úton készült, nem zajos, ezért az ugyanakkora képek mérete csak fél Mbyte körül van ... az egész pedig 24MByte.  Mellé tettem a multkoriban nyunyuka által linkelt két kapcsolási rajzot is.

HA7PJ Creative Commons License 2014.02.16 0 0 34459

Egyenlőre dugjál bele valamilyen kristályt ami van.

A régi nagy meghatározás az nekem a 20mm átmérőjű,80mm hosszú bakelit házas kristályt jelenti de nem erre gondoltál hanem a 12,5 mm lábtávolságúra.

Előzmény: Törölt nick (34455)
Desert Rat Creative Commons License 2014.02.16 0 0 34458

1MHz / 2 = 500kHz    ... hermónikusokban gazdagon

Előzmény: Törölt nick (34456)
Desert Rat Creative Commons License 2014.02.16 0 0 34457

Van egy vödörrel, majd küldök ha nincs közelebbi.

Előzmény: Törölt nick (34455)
Törölt nick Creative Commons License 2014.02.16 0 0 34456

És egy 500 kHz-es xtal is jól jönne!

 

ML R-1251 skálahitelesítő oszci javításához. Sajnos nem egyértelmű a doksik alapján sem, hogy 1 MHz vagy 500 kHz kell, de én az 500 kHz-re merek tippelni.

Előzmény: Törölt nick (34455)

Ha kedveled azért, ha nem azért nyomj egy lájkot a Fórumért!